E‑book - Dobór i montaż źródła ciepła
E‑BOOK Dobór i montaż źródła ciepła w budownictwie jednorodzinnym

Spis treści
Rozdział 1. Rodzaje, zasady działania, miejsce montażu i zastosowanie różnych rodzajów źródeł ciepła w budownictwie jednorodzinnymRozdział 1. Rodzaje, zasady działania, miejsce montażu i zastosowanie różnych rodzajów źródeł ciepła w budownictwie jednorodzinnym
WstępWstęp
Pompy ciepłaPompy ciepła
Pompy ciepła typu powietrze‑wodaPompy ciepła typu powietrze‑woda
Jak działa taka pompa ciepła?Jak działa taka pompa ciepła?
Jakie są rodzaje pomp ciepła typu powietrze‑woda?Jakie są rodzaje pomp ciepła typu powietrze‑woda?
Tryby pracy pompy ciepła typu powietrze‑wodaTryby pracy pompy ciepła typu powietrze‑woda
Pompa ciepła typu split – tryb grzaniaPompa ciepła typu split – tryb grzania
Pompa ciepła typu split – tryb chłodzeniaPompa ciepła typu split – tryb chłodzenia
Pompa ciepła typu monoblok – tryb grzaniaPompa ciepła typu monoblok – tryb grzania
Pompa ciepła typu monoblok – tryb chłodzeniaPompa ciepła typu monoblok – tryb chłodzenia
Miejsce montażu jednostki zewnętrznej i wewnętrznejMiejsce montażu jednostki zewnętrznej i wewnętrznej
Zalety i wady pomp ciepła typu powietrze‑wodaZalety i wady pomp ciepła typu powietrze‑woda
Pompy ciepła typu grunt‑wodaPompy ciepła typu grunt‑woda
Jak działa taka pompa ciepła?Jak działa taka pompa ciepła?
Jakie są rodzaje pomp ciepła typu grunt‑woda?Jakie są rodzaje pomp ciepła typu grunt‑woda?
Jaki kolektor wybrać?Jaki kolektor wybrać?
Miejsce montażu pompy ciepłaMiejsce montażu pompy ciepła
Zalety i wady pomp ciepła typu grunt‑wodaZalety i wady pomp ciepła typu grunt‑woda
Pompy ciepła typu woda‑wodaPompy ciepła typu woda‑woda
Jak działa taka pompa ciepła?Jak działa taka pompa ciepła?
Jakie są rodzaje pomp ciepła typu woda‑woda?Jakie są rodzaje pomp ciepła typu woda‑woda?
Zalety i wady pomp ciepła typu woda‑wodaZalety i wady pomp ciepła typu woda‑woda
Pompy ciepła – dodatkowe informacjePompy ciepła – dodatkowe informacje
Chłodzenie pasywneChłodzenie pasywne
W jakim celu stosować tryb chłodzenia pasywnego?W jakim celu stosować tryb chłodzenia pasywnego?
Spiralny kolektor pomp ciepła typu grunt‑wodaSpiralny kolektor pomp ciepła typu grunt‑woda
Pompy ciepła typu grunt‑woda wyposażone w kolektor z bezpośrednim odparowaniemPompy ciepła typu grunt‑woda wyposażone w kolektor z bezpośrednim odparowaniem
Dlaczego pompy ciepła typu grunt‑woda wyposażone w kolektor z bezpośrednim odparowaniem nie są powszechnie stosowane?Dlaczego pompy ciepła typu grunt‑woda wyposażone w kolektor z bezpośrednim odparowaniem nie są powszechnie stosowane?
Kotły gazoweKotły gazowe
Czym różni się kocioł gazowy (kondensacyjny) od tradycyjnego (niekondensacyjnego)?Czym różni się kocioł gazowy (kondensacyjny) od tradycyjnego (niekondensacyjnego)?
Zasada działania kotłów kondensacyjnychZasada działania kotłów kondensacyjnych
Kotły jedno- i dwufunkcyjneKotły jedno- i dwufunkcyjne
Kotły wisząceKotły wiszące
Miejsce i sposób montażuMiejsce i sposób montażu
Zalety i wady gazowych kotłów kondensacyjnychZalety i wady gazowych kotłów kondensacyjnych
Sprawność kotłów kondensacyjnychSprawność kotłów kondensacyjnych
Kotły na biomasęKotły na biomasę
Biomasa – co to takiego?Biomasa – co to takiego?
Kotły na biomasę – zasada działaniaKotły na biomasę – zasada działania
Miejsce montażuMiejsce montażu
Zalety i wady kotłów na biomasęZalety i wady kotłów na biomasę
Rozdział 2. Wytwarzanie energii cieplnej i sposoby jej przekazywania na potrzeby ogrzewania budynków jednorodzinnychRozdział 2. Wytwarzanie energii cieplnej i sposoby jej przekazywania na potrzeby ogrzewania budynków jednorodzinnych
WstępWstęp
Podstawowe pojęcia związane z termodynamikąPodstawowe pojęcia związane z termodynamiką
Spalanie biomasySpalanie biomasy
Spalanie paliwa gazowego w kotłach kondensacyjnychSpalanie paliwa gazowego w kotłach kondensacyjnych
Procesy termodynamiczne zachodzące w pompach ciepłaProcesy termodynamiczne zachodzące w pompach ciepła
PodsumowaniePodsumowanie
Rozdział 3. Przyłącza i elementy instalacji grzewczej dla różnych źródeł ciepła w budownictwie jednorodzinnymRozdział 3. Przyłącza i elementy instalacji grzewczej dla różnych źródeł ciepła w budownictwie jednorodzinnym
WstępWstęp
Przyłącze gazu do kotłów gazowychPrzyłącze gazu do kotłów gazowych
Przyłącze elektryczne do pomp ciepłaPrzyłącze elektryczne do pomp ciepła
Instalacja czynników chłodniczych pomp ciepłaInstalacja czynników chłodniczych pomp ciepła
Test szczelnościTest szczelności
Wytworzenie próżniWytworzenie próżni
Napełnienie instalacji jednostki wewnętrznej czynnikiem chłodniczymNapełnienie instalacji jednostki wewnętrznej czynnikiem chłodniczym
Rozdział 4. Rodzaje wymienników ciepła typu grunt‑woda oraz woda‑wodaRozdział 4. Rodzaje wymienników ciepła typu grunt‑woda oraz woda‑woda
Kolektor poziomy z rurą ułożoną meandrycznieKolektor poziomy z rurą ułożoną meandrycznie
Kolektor poziomy z rurą ułożoną spiralnieKolektor poziomy z rurą ułożoną spiralnie
Głębokość ułożenia kolektoraGłębokość ułożenia kolektora
Sprawdzenie szczelnościSprawdzenie szczelności
Pozostałe czynnościPozostałe czynności
Kolektor pionowyKolektor pionowy
Odwiert próbnyOdwiert próbny
Odwiert właściwyOdwiert właściwy
Sprawdzenie szczelnościSprawdzenie szczelności
Pozostałe czynnościPozostałe czynności
Rozdział 5. Etapy doboru, montażu i uruchomienia różnych źródeł ciepła w budownictwie jednorodzinnymRozdział 5. Etapy doboru, montażu i uruchomienia różnych źródeł ciepła w budownictwie jednorodzinnym
WstępWstęp
Pompy ciepła typu powietrze‑wodaPompy ciepła typu powietrze‑woda
Pompa ciepła typu grunt‑wodaPompa ciepła typu grunt‑woda
Pompy ciepła typu woda‑wodaPompy ciepła typu woda‑woda
Kotły gazowe wiszące, kondensacyjneKotły gazowe wiszące, kondensacyjne
Kotły na biomasęKotły na biomasę
Rozdział 6. Metody i warunki wykonywania prac montażowych przy instalacji źródeł ciepła w budownictwie jednorodzinnymRozdział 6. Metody i warunki wykonywania prac montażowych przy instalacji źródeł ciepła w budownictwie jednorodzinnym
WstępWstęp
Instalacje „stanu zero”Instalacje „stanu zero”
Instalacja elektrycznaInstalacja elektryczna
Instalacja wody użytkowejInstalacja wody użytkowej
Instalacja wodna centralnego ogrzewaniaInstalacja wodna centralnego ogrzewania
Montaż urządzeń końcowychMontaż urządzeń końcowych
Rozdział 7. Charakterystyka materiałów instalacyjnych stosowanych w układach grzewczychRozdział 7. Charakterystyka materiałów instalacyjnych stosowanych w układach grzewczych
Rodzaje i metody połączeń stosowanych w systemach grzewczychRodzaje i metody połączeń stosowanych w systemach grzewczych
Zabezpieczenia antykorozyjne źródeł ciepłaZabezpieczenia antykorozyjne źródeł ciepła
Izolacja termiczna źródeł ciepłaIzolacja termiczna źródeł ciepła
Oznaczenia i symbole graficzne w dokumentacjach projektowych źródeł ciepła (wg normy: PN‑EN 806‑1:2004)Oznaczenia i symbole graficzne w dokumentacjach projektowych źródeł ciepła (wg normy: PN‑EN 806‑1:2004)
Metody weryfikacji poprawności wykonania i odbioru urządzeńMetody weryfikacji poprawności wykonania i odbioru urządzeń
Przekazanie urządzeń do eksploatacjiPrzekazanie urządzeń do eksploatacji
Zasady prawidłowej eksploatacji urządzeńZasady prawidłowej eksploatacji urządzeń
Zasady modernizacji, rozbudowy i remontów urządzeńZasady modernizacji, rozbudowy i remontów urządzeń
Metody usuwania awariiMetody usuwania awarii
Zagrożenia wynikające z nieprawidłowej eksploatacji i awarii urządzeńZagrożenia wynikające z nieprawidłowej eksploatacji i awarii urządzeń
Rozdział 1. Rodzaje, zasady działania, miejsce montażu i zastosowanie różnych rodzajów źródeł ciepła w budownictwie jednorodzinnym
Wstęp
Instalacja ciepłownicza to jeden z ważniejszych elementów, w które musi być wyposażony budynek mieszkalny. Wybór instalacji i źródła ciepła dokonywany jest już na etapie projektowania domu i jest uzależniony od technologii budowy domu, jego wielkości, kosztów inwestycji, dostępnej infrastruktury, lokalizacji budynku czy wielkości działki. W niniejszej publikacji zajmiemy się trzema rodzajami źródeł ciepła: pompami ciepła, kotłami gazowymi (kondensacyjnymi) oraz kotłami na biomasę. W pierwszym rozdziale omówimy zasady działania, miejsce montażu oraz wady i zalety poszczególnych źródeł ciepła, a co za tym idzie, możliwości ich zastosowania.
Powrót do spisu treściPowrót do spisu treści
Pompy ciepła
Pompa ciepła to urządzenie, które dzięki wykorzystaniu dodatkowej energii zwiększa temperaturę czynnika roboczego tak, aby dało się ją wykorzystać w celach grzewczych. Mówiąc bardziej obrazowo – pompa ciepła „pobiera” energię cieplną w dolnym źródle ciepła, następnie „transportuje” tę energię do górnego źródła ciepła i tam „oddaje” ją, by zwiększyć temperaturę wody, która jest wykorzystywana do ogrzewania budynku bądź jako woda użytkowa. Energia cieplna „transportowana” jest za pomocą czynnika roboczego. Dodatkowa energia, którą trzeba włożyć w pracę pompy ciepła, jest potrzebna do wymuszenia cyrkulacji czynnika roboczego i jego sprężania (energia napędowa).
Ze względu na rodzaj zastosowanego dolnego źródła ciepła pompy dzielą się na trzy typy: pierwszy to pompy, których dolnym źródłem ciepła jest powietrze, drugi – grunt, trzeci – woda.
Górnym źródłem ciepła jest najczęściej woda. Energia pobierana jest z dolnego źródła w wymienniku ciepła nazywanym parownikiem, a przekazywana jest do górnego źródła w wymienniku ciepła, czyli skraplacza. Czynnikiem roboczym są różnego rodzaju czynniki chłodnicze:
HC (węglowodory), np. R290 (propan), R600 (butan);
FC (fluorowęglany), np. R218, RC318;
HFC (wodorofluorowęglowodory), np. R134a, R152a;
CFC (chlorofluorowodory), np. R11, R115;
HBFC (wodorobromofluorowęglowodory), np. R12B1, R114B2;
HCFC (wodorochlorofluorowęglowodory), np. R22, R123.
Niektóre z wymienionych wyżej czynników chłodniczych (CFC i HCFC) nie mogą być stosowane w krajach Unii Europejskiej ze względu na wysoki potencjał niszczenia warstwy ozonowej (ODP – Ozone Depletion Potential) lub wysoki potencjał tworzenia efektu cieplarnianego (GWP – Global Warming Potential). Do 2030 roku powinno zostać także znacznie ograniczone zużycie czynników HFC.

Powrót do spisu treściPowrót do spisu treści
Pompy ciepła typu powietrze‑woda
Pompa ciepła typu powietrze‑woda to urządzenie grzewcze pobierające energię cieplną z powietrza i oddające energię do wody.
Jak działa taka pompa ciepła?
Źródłem ciepła jest powietrze z otoczenia, które przechodząc przez wentylator, kierowane jest na parownik (dolne źródło ciepła). W parowniku, jak sama nazwa wskazuje, następuje proces parowania czynnika roboczego, a więc zmiana stanu skupienia z ciekłego w gazowy. Czynnik roboczy parując, pobiera energię cieplną z powietrza, następnie zaś jest sprężany i kierowany do skraplacza (górne źródło ciepła), gdzie następuje jego rozprężenie i skroplenie, czyli zmiana stanu skupienia z gazowego w ciekły. W trakcie tego procesu czynnik roboczy oddaje energię cieplną do wody grzewczej lub użytkowej, a następnie wraca do parownika, by po raz kolejny pobrać energię z powietrza. Aby wymusić cyrkulację czynnika roboczego i go sprężyć, pompa ciepła powinna być wyposażona w sprężarkę elektryczną.
Stosunek energii grzewczej, uzyskiwanej dzięki pompie ciepła, do energii elektrycznej potrzebnej do jej zasilania może wynosić nawet 4 do 1. Oznacza to, że z 1 kW energii elektrycznej można uzyskać 4 kW energii grzewczej. Oczywiście moc grzewcza pompy ciepła zależy od temperatury dolnego źródła ciepła, a więc od temperatury powietrza zewnętrznego, i obniża się wraz z jej spadkiem. Pompa ciepła może jednak skutecznie działać nawet wtedy, gdy temperatura otoczenia wynosi poniżej 0°C. Wiele pomp ciepła wyposażonych jest ponadto w dodatkowe przepływowe grzałki elektryczne, które ogrzewają czynnik roboczy, gdy temperatura otoczenia jest bardzo niska. Ciekawostką jest, że pompa ciepła, dzięki odwróceniu obiegu czynnika roboczego, może służyć do chłodzenia domu w upalne dni. W takim przypadku dolne i górne źródła ciepła zamieniają się rolami. W dolnym źródle ciepła następuje skraplanie, a w górnym źródle ciepła parowanie czynnika roboczego.

Powrót do spisu treściPowrót do spisu treści
Jakie są rodzaje pomp ciepła typu powietrze‑woda?
Pompy ciepła typu powietrze‑woda możemy podzielić na dwa rodzaje ze względu na ich budowę. Pierwszy rodzaj to pompy ciepła typu monoblok, w których wszystkie elementy umieszczone są w jednej obudowie (jednostce) montowanej na zewnątrz budynku, drugi rodzaj to pompy ciepła typu split, w których stosowane są dwie jednostki – zewnętrzna i wewnętrzna. W jednostce zewnętrznej, montowanej poza budynkiem, znajduje się wentylator, parownik i sprężarka, natomiast w jednostce wewnętrznej, montowanej w środku budynku – skraplacz i pompa obiegowa tłocząca ogrzewaną wodę do instalacji odbiorczej.
Kolejny podział dotyczy jednostek wewnętrznych, które mogą być albo zintegrowane, albo rozdzielone ze zbiornikiem ciepłej wody użytkowej. Jednostki zewnętrzna i wewnętrzna połączone są ze sobą przewodami czynnika roboczego.
Pompy ciepła typu monoblok są droższe, jednak prostsze w montażu i mają nieco wyższą sprawność niż pompy ciepła typu split.



Powrót do spisu treściPowrót do spisu treści
Tryby pracy pompy ciepła typu powietrze‑woda
Pompa ciepła typu split – tryb grzania
Czynnik roboczy łączy przewodami jednostkę zewnętrzną (1) z jednostką wewnętrzną (2). Czynnik ten, pobierając energię cieplną z powietrza, jest odparowywany w parowniku (4), następnie poprzez zawór (6) kierowany do sprężarki (3). W skraplaczu (7) sprężony i gorący czynnik roboczy skrapla się, oddając energię cieplną do wody grzewczej, przechodzi przez zawór rozprężny (5) i wraca do parownika (4). Woda grzewcza w razie potrzeby (przy bardzo niskiej temperaturze zewnętrznej) jest dodatkowo ogrzewana przez przepływowy podgrzewacz elektryczny (9), który należy do wyposażenia opcjonalnego, czyli występującego jedynie w niektórych pompach ciepła. Pompa obiegowa (8) kieruje wodę grzewczą poprzez zawór rozdzielający (10) do instalacji grzewczej budynku (CO) lub do podgrzewacza wody użytkowej (CWU).

Powrót do spisu treściPowrót do spisu treści
Pompa ciepła typu split – tryb chłodzenia
Czynnik roboczy łączy przewodami jednostkę zewnętrzną (1) z jednostką wewnętrzną (2). W trybie chłodzenia odwrócony jest kierunek przepływu czynnika roboczego i następuje zamiana funkcji między skraplaczem (7) a parownikiem (4): parownik (4) staje się teraz skraplaczem, a skraplacz (7) parownikiem. Dzięki temu czynnik roboczy parując w podzespole (7) będącym teraz parownikiem, odbiera energię cieplną i schładza wodę chłodzącą (wykorzystywaną np. w klimakonwektorze do chłodzenia nadmuchiwanego powietrza). Następnie czynnik roboczy kierowany jest przez zawór (6) do sprężarki (3). Po sprężeniu i podniesieniu temperatury zostaje skroplony w podzespole (4) będącym teraz skraplaczem, gdzie oddaje energię cieplną do powietrza z otoczenia. Przez zawór rozprężny (5) wraca do podzespołu (7), by ponownie odebrać energię cieplną i schłodzić wodę. Schłodzona woda kierowana jest przez pompę obiegową (8) poprzez zawór rozdzielający (10) do instalacji chłodniczej budynku (np. klimakonwektora). Elektryczny, opcjonalny podgrzewacz wody (9) jest wyłączony w tym trybie pracy.

Powrót do spisu treściPowrót do spisu treści
Pompa ciepła typu monoblok – tryb grzania
Jednostka zewnętrzna (1) zawiera wszystkie elementy pompy ciepła. Czynnik roboczy pobierając energię cieplną z powietrza, jest odparowywany w parowniku (3), następnie poprzez zawór (5) zostaje skierowany do sprężarki (2). W skraplaczu (6) sprężony i gorący czynnik roboczy skrapla się, oddając energię cieplną do wody grzewczej. Czynnik roboczy przechodzi przez zawór rozprężny (4) i wraca do parownika (3). Pompa obiegowa (7) kieruje wodę grzewczą do instalacji grzewczej budynku (CO) lub do podgrzewacza wody użytkowej (CWU).
W przypadku pompy ciepła typu monoblok należy zapewnić ochronę przed zamarzaniem wody grzewczej w przewodach łączących pompę ciepła z budynkiem. Można też w układzie pompy ciepła zamiast wody zastosować czynnik niezamarzający oraz dodatkowy wymiennik ciepła między tym czynnikiem a wodą grzewczą, umieszczony wewnątrz budynku.

Powrót do spisu treściPowrót do spisu treści
Pompa ciepła typu monoblok – tryb chłodzenia
Jednostka zewnętrzna (1) zawiera wszystkie elementy pompy ciepła. W trybie chłodzenia odwraca się kierunek przepływu czynnika roboczego i następuje zamiana funkcji między skraplaczem (6) a parownikiem (3). Parownik (3) staje się teraz skraplaczem, a skraplacz (6) – parownikiem. Dzięki temu czynnik roboczy parując w podzespole (6) będącym teraz parownikiem, odbiera energię cieplną i schładza wodę chłodzącą (wykorzystywaną np. w klimakonwektorze do chłodzenia nadmuchiwanego powietrza). Czynnik roboczy kierowany jest przez zawór (5) do sprężarki (2). Po sprężeniu i podniesieniu temperatury zostaje skroplony w podzespole (3) będącym teraz skraplaczem, gdzie oddaje energię cieplną do powietrza z otoczenia, a następnie przez zawór rozprężny (4) wraca do podzespołu (6), by ponownie odebrać energię cieplną i schłodzić wodę. Pompa obiegowa (7) kieruje schłodzoną wodę do instalacji chłodniczej budynku (np. klimakonwektora).

Powrót do spisu treściPowrót do spisu treści
Miejsce montażu jednostki zewnętrznej i wewnętrznej
Montując jednostkę zewnętrzną pompy ciepła typu split lub całą pompę ciepła typu monoblok, powinniśmy spełnić następujące warunki:
Miejsce montażu powinno zapewniać dobry dostęp do powietrza z otoczenia, ale jednocześnie nie powinno być miejscem narażonym na silne podmuchy wiatru od przodu, które niekorzystnie wpływają na pracę pompy ciepła.
Odległość pompy ciepła od ściany budynku powinna wynosić co najmniej 30 cm, aby zapewnić wystarczający przepływ powietrza przez pompę.
Pompę ciepła można zamontować na betonowym cokole lub, w przypadku lżejszych pomp, powiesić na ścianie. Najlepiej, żeby była to ściana nasłoneczniona.
Wysokość od poziomu gruntu do dolnej powierzchni obudowy pompy ciepła powinna wynosić co najmniej 40 cm, aby zimą zapobiegać możliwości zablokowania wentylatora przez śnieg.
Ze względu na spływający kondensat wilgoci z otoczenia, należy montować pompę ciepła poza ciągiem pieszym, aby uniknąć zalewania tego ciągu wodą lub – zimą – jego oblodzenia.
Nad pompą ciepła powinno się zostawić co najmniej 1 m wolnej przestrzeni, aby można było bez przeszkód przeprowadzać prace obsługowe lub naprawcze.
Pompa ciepła nie powinna być montowana na ścianie od strony sypialni ze względu na generowane przez nią drgania i hałas (do około 50‑60 dB).
Montując jednostkę wewnętrzną pompy ciepła typu split, należy:
Umieścić ją w budynku, w miejscu, które zapewnia do niej swobodny dostęp, aby można było ustawiać parametry pracy pompy ciepła w jej sterowniku oraz w miarę łatwo przeprowadzać prace obsługowe lub naprawcze.
Zasilanie przewodem elektrycznym doprowadzić na osobnym zabezpieczeniu, zgodnie z wymogami producenta pompy ciepła.
Przewód komunikacyjny między jednostką wewnętrzną a zewnętrzną poprowadzić w oddzielnym peszlu co przewód zasilający, aby uniknąć ryzyka wystąpienia zakłóceń elektromagnetycznych w układzie sterowania pompy ciepła.
Zalety i wady pomp ciepła typu powietrze‑woda
Powrót do spisu treściPowrót do spisu treści
Zalety i wady pomp ciepła typu powietrze‑woda
Powietrze jest najprostszym źródłem pozyskania energii cieplnej, ponieważ nie wymaga umieszczania wymienników ciepła w gruncie lub wodzie (co wiąże się z koniecznością kopania lub wykonywania odwiertów). Ponadto w odróżnieniu od wody, powietrze jest wszędzie i jego ilość, którą możemy wykorzystać do grzania domu, nie zależy od wielkości działki, na której usytuowany jest budynek; w tym przypadku ilość ta jest ograniczona jedynie przez wentylator i parownik pompy ciepła. Jego wadą jest natomiast niekoherentność i brak stabilności temperatury. Oto zalety i wady pomp ciepła typu powietrze‑woda.
Zalety:
Niższe niż w przypadku dwóch pozostałych typów pomp ciepła koszty inwestycji.
Szybkość i łatwość montażu (najłatwiejszy i najszybszy montaż występuje w przypadku pomp ciepła typu monoblok).
Bezobsługowość.
Mniejsza awaryjność od pomp ciepła typu grunt‑woda i woda‑woda.
Możliwość montażu na każdej działce, niezależnie od jej wielkości i występowania na niej wody.
Pompa ciepła pracuje nawet w ujemnych temperaturach.
Latem pompa ciepła może działać jako klimatyzacja.
Wady:
Zimą, przy niskich temperaturach otoczenia, spada wydajność pompy. Może to oznaczać konieczność stosowania dodatkowego ogrzewania elektrycznego, które podwyższa koszty eksploatacji.
Wyższe koszty eksploatacji w porównaniu z innymi typami pomp ciepła, ze względu na mniejszą wydajność.
Pompy ciepła typu grunt‑woda
Powrót do spisu treściPowrót do spisu treści
Pompy ciepła typu grunt‑woda
Pompa ciepła typu grunt‑woda to urządzenie grzewcze pobierające energię cieplną z gruntu i oddające ją do wody. Inna jej nazwa: pompa ciepła typu solanka‑woda wzięła się stąd, że nie pobiera ona energii cieplnej w parowniku bezpośrednio z gruntu, a za pomocą dodatkowego wymiennika ciepła umieszczonego w ziemi, w którym znajduje się czynnik pośredni. Niegdyś czynnikiem pośrednim stosowanym w tego typu pompach ciepła była solanka, czyli roztwór oparty na chlorku sodu (NaCl). Obecnie nie wykorzystuje się już tego roztworu ze względu na jego właściwości korozyjne. Jako czynnika pośredniego używa się glikolu.
Powrót do spisu treściPowrót do spisu treści
Jak działa taka pompa ciepła?
Zasada działania wszystkich typów pomp ciepła jest taka sama (zobacz: pompa ciepła typu powietrze‑woda, która została opisana jako pierwsza). Oznacza to, że pompa ciepła typu grunt‑woda ma: parownik, skraplacz, sprężarkę, zawór rozprężny i pompę obiegową wody grzewczej. Różnice dotyczą jedynie dolnego źródła ciepła. Po pierwsze, energia cieplna pobierana jest z gruntu, a nie z powietrza. Po drugie, w pompie ciepła typu powietrze‑woda ciepło pobierane jest w parowniku bezpośrednio z powietrza. W pompie ciepła typu grunt‑woda dzieje się inaczej. Energia cieplna pobierana jest z gruntu przez pośredni wymiennik ciepła (zwany kolektorem lub sondą) umieszczony w ziemi, w którym znajduje się glikol; z kolei glikol w parowniku oddaje energię do czynnika roboczego (czyli chłodniczego krążącego w układzie pompy ciepła: parownik – sprężarka – skraplacz – zawór rozprężny – parownik). Przepływ glikolu w kolektorze zapewniany jest przez pompę obiegową.
Rodzaje glikolu, które mogą być stosowane w pompach ciepła, to:
Glikol propylenowy o stężeniu 30‑35% z dodatkiem inhibitorów korozji, przeciwutleniaczy i stabilizatorów. Jest nieszkodliwy i biodegradowalny.
Glikol etylenowy o stężeniu 30‑35% Ma bardzo podobne właściwościami do glikolu propylenowego, jednak jest szkodliwy dla środowiska i trujący. Dawka śmiertelna dla człowieka wynosi około 100 ml. Z tego względu jego stosowanie jest zakazane w miejscach i instalacjach, w których istnieje ryzyko przedostania się substancji do żywności lub gleby (został zastąpiony przez glikol propylenowy).

Powrót do spisu treściPowrót do spisu treści
Jakie są rodzaje pomp ciepła typu grunt‑woda?
Występują dwa rodzaje pomp typu grunt‑woda, różniące się konstrukcją zastosowanego pośredniego wymiennika ciepła, czyli kolektora, który pobiera energię cieplną z gruntu. Mamy zatem pompy typu grunt‑woda, wykorzystujące kolektory poziome, i pompy stosujące kolektory pionowe.

Poziomy kolektor wykonany jest najczęściej z rur polietylenowych, które układa się na głębokości 0,3 m poniżej miejsca przemarzania gruntu (od 1,2 do 2 m). Rury te kładzie się w postaci układów wężownicowych (meandrycznych) lub spiralnych. Pomiędzy rurami należy utrzymywać odległości pomiędzy 0,4 a 1,2 m, w zależności od rodzaju gruntu i jego zdolności do „regeneracji”, czyli uzupełniania ciepła.

Pionowy kolektor (sonda), podobnie jak poziomy, najczęściej wykonany jest z rur polietylenowych, których odcinki umieszcza się w odwiertach o głębokości od 20 do 100 m (czasami stosuje się odwierty o głębokości nawet 200 m). Rury kolektora połączone są u dołu tzw. U‑kształtką. Wykonując odwierty, należy pamiętać o zachowaniu odpowiedniej odległości między nimi. Minimalna odległość pomiędzy odwiertami powinna wynosić:
6 m dla kolektorów o długości poniżej 70 m;
8 m dla kolektorów o długości od 70 do 100 m.
Jaki kolektor wybrać?
Powrót do spisu treściPowrót do spisu treści
Jaki kolektor wybrać?
Wybór rodzaju kolektora zależy od kilku czynników.
Kolektor poziomy jest tańszy w wykonaniu, jednak ze względu na rozmiar wymaga większej przestrzeni. W przypadku małej działki korzystniejszym lub jedynym możliwym rozwiązaniem może być kolektor pionowy. Kolektor poziomy zakopany jest w ziemi stosunkowo płytko, więc wykorzystuje głównie ciepło pochodzące ze słońca oraz wód opadowych. Oznacza to, że część działki znajdująca się nad kolektorem poziomym nie może zostać zabudowana i pokryta nawierzchnią utrudniającą regenerację kolektora, czyli nagrzewanie przy wyższych temperaturach otoczenia. Ta część działki, pod którą leży kolektor, nie powinna być także zacieniona.
Kolektor pionowy jest droższy w wykonaniu, ale nie wymaga posiadania dużej działki. Wybór tego niewielkiego kolektora umożliwi wykorzystanie prawie całej powierzchni działki pod zabudowę czy zadrzewienie. W przypadku kolektora poziomego na wydajność pompy ciepła ma wpływ występujący przy powierzchni ziemi rodzaj gruntu. Dla gruntów wilgotnych wynosi ona około 30‑40 W/m², natomiast dla gruntów suchych około 10‑15 W/m². Kolektor pionowy daje na ogół wyższą wydajność pompy ciepła i na jego pracę nie wpływa rodzaj gruntu przy powierzchni ziemi, gdyż umieszczony jest głęboko pod ziemią. Na głębokości poniżej 20 m temperatura gruntu jest stała przez cały rok i wynosi około 10°C. Dla porównania, dla kolektora poziomego temperaturę roboczą przyjmuje się na poziomie 0°C.
Jak widać, aby wybrać odpowiedni rodzaj kolektora, należy ocenić możliwości jego usytuowania na działce, określić sposób jej zagospodarowania, zbadać rodzaj gruntu, obliczyć zapotrzebowanie na ciepło dla budynku, wziąć pod uwagę średnie temperatury otoczenia występujące w poszczególnych miesiącach w ciągu roku, policzyć koszty inwestycji oraz późniejszej eksploatacji pompy ciepła… i dopiero potem dokonać właściwego wyboru.
Powrót do spisu treściPowrót do spisu treści
Miejsce montażu pompy ciepła
Wybór miejsca montażu dolnego źródła ciepła, czyli kolektora poziomego lub pionowego, zależy przede wszystkim od powierzchni i sposobu zagospodarowania działki. Należy tu również uwzględnić czynniki omówione w akapicie wyżej, traktujące o wyborze kolektora.
Zasady montażu jednostki wewnętrznej pompy ciepła typu grunt‑woda, zawierającej wszystkie główne elementy poza kolektorem (pośrednim wymiennikiem dolnego źródła ciepła), są takie same jak w przypadku jednostki wewnętrznej pompy ciepła typu powietrze‑woda. Należy zatem:
Umieścić ją w budynku, w miejscu, które zapewnia do niej swobodny dostęp, aby można było ustawiać parametry pracy pompy ciepła w jej sterowniku oraz w miarę łatwo przeprowadzać prace obsługowe lub naprawcze.
Wybierając miejsce, trzeba pamiętać, że pompa ciepła może generować drgania i hałas (do około 50‑60 dB).
Zasilanie przewodem elektrycznym powinno być doprowadzone na osobnym zabezpieczeniu, zgodnie z wymogami producenta pompy ciepła.

Powrót do spisu treściPowrót do spisu treści
Zalety i wady pomp ciepła typu grunt‑woda
Zalety:
Stabilność pracy, niezależnie od temperatury otoczenia. Dotyczy to szczególnie pomp ciepła z kolektorem pionowym, ze względu na stałą temperaturę gruntu na głębokości od około 20 m pod powierzchnią ziemi.
Możliwość montażu na każdej działce, niezależnie od jej wielkości i występowania na niej wody (w przypadku pomp z kolektorem pionowym).
Niższe koszty eksploatacji niż pomp typu powietrze‑woda.
Pompa ciepła pracuje nawet w ujemnych temperaturach.
Latem pompa ciepła może działać jako klimatyzacja.
Wady:
Wyższe koszty inwestycji. Najwyższe dla pomp z pionowym kolektorem, wymagającym wykonania głębokich odwiertów.
Trudniejszy montaż niż w przypadku pomp typu powietrze‑woda.
Potrzebna stosunkowo duża powierzchnia działki w przypadku pompy z kolektorem poziomym.
Pompy ciepła typu woda‑woda
Powrót do spisu treściPowrót do spisu treści
Pompy ciepła typu woda‑woda
Pompa ciepła typu woda‑woda to urządzenie grzewcze, pobierające energię cieplną z wody gruntowej lub z wody ze zbiornika wodnego (jeziora, stawu, rzeki) i oddające energię do wody.
Powrót do spisu treściPowrót do spisu treści
Jak działa taka pompa ciepła?
Zasada działania wszystkich typów pomp ciepła jest taka sama, a zatem pompa ciepła typu woda‑woda jest, podobnie jak inne pompy ciepła, wyposażona w: parownik, skraplacz, sprężarkę, zawór rozprężny i pompę obiegową wody grzewczej. Różne jest natomiast dolne źródło ciepła; w tym przypadku jest to woda.

Powrót do spisu treściPowrót do spisu treści
Jakie są rodzaje pomp ciepła typu woda‑woda?
Można wyróżnić trzy rodzaje pomp ciepła typu woda‑woda:
Pompy ciepła, w których dolnym źródłem ciepła jest czerpana ze studni woda gruntowa.
Pompy ciepła, w których dolnym źródłem ciepła jest woda czerpana ze zbiornika wodnego (rzeki, stawu lub jeziora).
Pompy ciepła, w których dolnym źródłem ciepła jest woda ze zbiornika wodnego (rzeki, stawu lub jeziora), wyposażonego w kolektor (pośredni wymiennik ciepła).

W jaki sposób działa pompa ciepła wykorzystująca wodę gruntową? Należy wykopać dwie studnie – czerpalną (zasilającą) i zrzutową (chłonną). Woda pobierana jest przez pompę ciepła w pierwszej studni i kierowana do parownika, gdzie czynnik roboczy pobiera z niej energię cieplną. Czynnik roboczy „transportuje” tę energię do skraplacza, by ogrzać, podobnie jak w pozostałych typach pomp ciepła, wodę grzewczą. Schłodzona woda, pobrana ze studni czerpalnej, zostaje z powrotem wtłoczona do gruntu poprzez studnię zrzutową. Minimalna odległość pomiędzy studniami powinna wynosić 15 m (optymalnie od 30 do 50 m).
Wody gruntowe utrzymują w ciągu roku korzystną stałą średnią temperaturę, która wynosi pomiędzy 5 a 12°C, dzięki czemu stanowią dobre źródło ciepła. Niestety woda gruntowa zawiera często wiele związków mineralnych (których składnikiem są np. żelazo i wapń), co prowadzi do szybkiego tworzenia się osadów i zmniejszania przepustowości parownika, przewodów wodnych i filtrów. Z tego powodu stosuje się niekiedy dwie studnie zrzutowe.
Zasada działania pompy ciepła czerpiącej wodę ze zbiornika wodnego jest niemalże taka sama jak pompy wykorzystującej wodę gruntową. Jedyna różnica polega na tym, że woda jest pobierana i oddawana za pomocą przewodów bezpośrednio ze zbiornika wodnego i nie są potrzebne studnie. I w tym przypadku mogą jednak pojawiać się problemy związane z osadami związków mineralnych występujących w wodzie.

Zasada działania pompy ciepła, w której dolnym źródłem ciepła jest woda ze zbiornika wodnego, wyposażonej w kolektor, jest z kolei prawie taka sama jak pompy ciepła typu grunt‑woda. Taka pompa pobiera energię cieplną za pomocą kolektora wypełnionego glikolem. Glikol, tak jak w przypadku pomp ciepła typu grunt‑woda, oddaje ciepło w parowniku do czynnika roboczego. Różnica polega na tym, że energia cieplna w kolektorze jest pobierana z wody pochodzącej ze zbiornika wodnego, a nie z gruntu. Wodne kolektory, ułożone poziomo na dnie jeziora, stawu lub rzeki mają wysoką wydajność, gdyż woda jest znacznie lepszym nośnikiem ciepła niż grunt. Dodatkowo woda w zbiorniku wodnym stale miesza się i przemieszcza, w odróżnieniu od ziemi przy kolektorze gruntowym.
Powrót do spisu treściPowrót do spisu treści
Zalety i wady pomp ciepła typu woda‑woda
Zalety:
Stabilność pracy, niezależnie od temperatury otoczenia.
Najwyższa wydajność w porównaniu z innymi typami pomp ciepła.
Tańsza niż pompa ciepła typu grunt‑woda.
Pompa ciepła pracuje nawet w ujemnych temperaturach.
Latem może działać jako klimatyzacja.
Wady:
Trudniejszy montaż niż w przypadku pomp ciepła typu powietrze‑woda.
Potrzebny dostęp do zbiornika wodnego na działce lub odpowiednio wydajny ciek wody gruntowej.
Konieczność okresowego czyszczenia parownika i przewodów wodnych w przypadku pomp ciepła bez kolektora wodnego. Ryzyko zapychania się tych elementów.
Pompy ciepła – dodatkowe informacje
Powrót do spisu treściPowrót do spisu treści
Pompy ciepła – dodatkowe informacje
W rozdziale tym warto również wspomnieć o kolejnych ciekawych rozwiązaniach. Nie omawialiśmy ich wcześniej, aby nie utrudniać zrozumienia poruszanych kwestii.
Powrót do spisu treściPowrót do spisu treści
Chłodzenie pasywne
Omówione już chłodzenie, którego przykładem jest pompa ciepła typu powietrze‑woda, nazywane jest chłodzeniem aktywnym lub dynamicznym. Może być realizowane przez każdą pompę ciepła, pod warunkiem, że jest ona wyposażona w zawór, dzięki któremu odwracany jest obieg termodynamiczny z grzania na chłodzenie. Przy takim chłodzeniu konieczne jest użycie sprężarki.
Druga możliwość chłodzenia za pomocą pompy ciepła to chłodzenie pasywne, nazywane także biernym lub naturalnym. W tym trybie pracy sprężarka pompy ciepła jest wyłączona. Wykorzystuje się chłodzenie glikolem lub wodą z dolnego źródła ciepła. Latem, ze względu na występujące niekiedy wysokie temperatury, powietrze z otoczenia nie nadaje się, co oczywiste, do chłodzenia. Chłodzenie pasywne możliwe jest zatem do zrealizowania w przypadku pomp ciepła typu grunt‑woda oraz woda‑woda, wykluczone zaś w przypadku pomp ciepła typu powietrze‑woda. Pompa ciepła wymaga zastosowania dodatkowego wymiennika ciepła, zaworów i pomp obiegowych wymuszających cyrkulację glikolu lub wody, umożliwiających chłodzenie pasywne. Elementami, które służą bezpośrednio do chłodzenia powietrza w budynku, są zamontowane pod podłogą lub w stropie rury z wodą albo klimakonwektory z instalacją nadmuchową. W trybie chłodzenia pasywnego pracują pompy obiegowe układu pierwotnego (2), wtórnego (8) oraz chłodzenia (5). Sprężarka pompy ciepła jest wyłączona. Glikol lub woda z dolnego źródła ciepła (1) kierowana jest przez zawory (3) i (7) do wymiennika ciepła układu chłodzenia pasywnego (4). Przez ten wymiennik ciepła przepływa również woda z rur podłogowych, stropowych lub klimakonwektora (6), dzięki czemu zostaje ona schłodzona. Ostatecznie pompa, odbierając energię cieplną z powietrza w budynku, obniża jego temperaturę i schładza pomieszczenia.

Powrót do spisu treściPowrót do spisu treści
W jakim celu stosować tryb chłodzenia pasywnego?
Chłodzenie aktywne można wykorzystać w przypadku każdego rodzaju pomp ciepła, zaś pasywne jedynie w pompach ciepła typu grunt‑woda oraz woda‑woda, wyposażając je w dodatkowe, wymienione wyżej elementy. Nasuwa się więc pytanie – po co to robić? Odpowiedź jest bardzo prosta – przy pasywnym chłodzeniu pompa ciepła nie korzysta z pracy sprężarki. Oznacza to mniejsze zużycie energii, a więc niższe koszty eksploatacji. Czy zatem zasadne jest stosowanie chłodzenia aktywnego, skoro można używać trybu chłodzenia pasywnego? Owszem. Chłodzenie pasywne pozwala na zmniejszenie temperatury w budynku o kilka stopni Celsjusza, natomiast chłodzenie aktywne jest znacznie – nawet kilkukrotnie – bardziej wydajne. Pozwala ono na obniżenie temperatury w pomieszczeniach do kilku stopni Celsjusza. Stąd wniosek, że najkorzystniejsze rozwiązanie to takie, kiedy pompa ciepła ma możliwość pracy w obu trybach chłodzenia. Pasywny warto stosować, gdy wystarczy lekkie schłodzenie domu, aktywny w czasie dużych upałów.
Powrót do spisu treściPowrót do spisu treści
Spiralny kolektor pomp ciepła typu grunt‑woda
Podczas opisywania pomp ciepła typu grunt‑woda wymienione zostały dwa rodzaje kolektorów (sond) umieszczanych w ziemi, stanowiące pośrednie wymienniki ciepła: kolektory poziome i pionowe. Niekiedy wykorzystuje się także kolektory spiralne. Wymagają one płytszych odwiertów niż kolektory pionowe i mniejszej powierzchni działki niż kolektory poziome, dlatego mogą stanowić atrakcyjne rozwiązanie.

Powrót do spisu treściPowrót do spisu treści
Pompy ciepła typu grunt‑woda wyposażone w kolektor z bezpośrednim odparowaniem
Przy standardowych pompach ciepła typu grunt‑woda energia cieplna pobierana jest z gruntu przez zawierający glikol pośredni wymiennik ciepła umieszczony w ziemi. Glikol w parowniku oddaje energię do czynnika roboczego (chłodniczego, krążącego w układzie pompy ciepła: parownik – sprężarka – skraplacz – zawór rozprężny – parownik). Tak działa standardowa pompa ciepła typu grunt‑woda. Czy jest możliwe zbudowanie pompy ciepła typu grunt‑woda bez pośredniego wymiennika ciepła? Czy zamiast glikolu w kolektorze mógłby znajdować się czynnik roboczy pompy ciepła, a kolektor umieszczony w ziemi pełniłby rolę parownika? Owszem. Takie pompy ciepła są produkowane i dostępne w sprzedaży. Ich zaletą jest wyższa sprawność energetyczna w porównaniu ze standardowymi pompami ciepła typu grunt‑woda, co za tym idzie – niższe koszty eksploatacji. Wynika to z braku strat energii, do których dochodzi przy zastosowaniu pośredniej wymiany ciepła oraz braku pomp obiegowych wymuszających cyrkulację glikolu, które zasilane są energią elektryczną. Kolektor z bezpośrednim odparowaniem ma ponadto lepszą wydajność niż kolektor z glikolem, dzięki czemu może być umieszczony w płytszym odwiercie w przypadku kolektora pionowego lub na mniejszej powierzchni w przypadku kolektora poziomego.

Powrót do spisu treściPowrót do spisu treści
Dlaczego pompy ciepła typu grunt‑woda wyposażone w kolektor z bezpośrednim odparowaniem nie są powszechnie stosowane?
Pompy ciepła tego typu mają najwyższą sprawność i stabilne źródło energii, są zatem bardzo efektywne i tańsze w eksploatacji niż pompy ciepła innego rodzaju. Ich cena i montaż są jednak wyższe, ponieważ wymagają one bardzo dużej szczelności kolektora ze względu na to, że pełni on rolę parownika i znajduje się w nim czynnik chłodniczy. Nawet niewielkie nieszczelności spowodują wyciek czynnika roboczego i konieczność naprawy kolektora; ze względu na jego usytuowanie pod ziemią, może być to drogie i kłopotliwe. Aby zabezpieczyć pompę przed awarią, przewody kolektora do pomp z bezpośrednim odparowaniem wykonuje się z miedzi pokrytej warstwą ochronną z tworzywa sztucznego.


Powrót do spisu treściPowrót do spisu treści
Kotły gazowe
Kotły gazowe są bardzo popularnym i często stosowanym źródłem ciepła. Można je podzielić na różne typy ze względu na:
zasadę działania – kotły tradycyjne (niekondensacyjne) i gazowe (kondensacyjne),
funkcjonalność – kotły jednofunkcyjne i dwufunkcyjne,
sposób montażu – kotły stojące i wiszące.

Powrót do spisu treściPowrót do spisu treści
Czym różni się kocioł gazowy (kondensacyjny) od tradycyjnego (niekondensacyjnego)?
W tradycyjnych kotłach gazowych wykorzystuje się do ogrzewania wody energię cieplną spalin. Woda schładza spaliny od temperatury około 200°C do temperatury powyżej 100°C i w ten sposób jest ogrzewana. Ze względu na możliwość spowodowania korozji elementów kotła spaliny w tradycyjnych kotłach nie mogą być schładzane poniżej tak zwanego punktu rosy, czyli temperatury, w której para woda zamienia się w wodę (około pięćdziesięciu kilku stopni Celsjusza). W kotłach kondensacyjnych spaliny schładzane są do znacznie niższej temperatury (poniżej 50°C). Dzięki temu para wodna skrapla się i oddaje energię cieplną wodzie, dodatkowo ją ogrzewając. Skraplanie ma miejsce w dodatkowym wymienniku ciepła, wykonanym najczęściej ze stali kwasoodpornej. Kotły kondensacyjne wyglądają prawie tam samo jak kotły tradycyjne; jedyną różnicą jest przewód odprowadzający skropliny (kondensat) z kotła.
Powrót do spisu treściPowrót do spisu treści
Zasada działania kotłów kondensacyjnych
Podstawowym elementem kotła, w którym następuje ogrzewanie wody przez spaliny, jest wymiennik ciepła. W kotłach kondensacyjnych stosuje się dwa oddzielne wymienniki lub jeden wymiennik dwustopniowy. W pierwszym (pierwotnym) wymienniku ciepła spaliny schładzane są do temperatury powyżej punktu rosy. Wymiennik ten działa tak jak jego odpowiednik w tradycyjnym kotle. W drugim (wtórnym, nazywanym też kondensacyjnym) wymienniku ciepła spaliny schładzane są – do temperatury poniżej punktu rosy – przez wodę, która wraca z instalacji grzewczej. W ten sposób woda ta jest dodatkowo ogrzewana, natomiast na powierzchni wymiennika ciepła skrapla się para wodna zawarta w spalinach, tworząc kondensat. Jest on silnie korozyjny, dlatego wtórne wymienniki ciepła produkuje się z materiałów odpornych na korozję, takich jak stal kwasoodporna lub krzem i aluminium.

Powrót do spisu treściPowrót do spisu treści
Kotły jedno- i dwufunkcyjne
Kotły jednofunkcyjne ogrzewają jedynie wodę wykorzystywaną w instalacji grzewczej, choć można je rozbudować o zasobnik do podgrzewania wody użytkowej. W takim rozwiązaniu podgrzana w instalacji grzewczej woda doprowadzana jest dodatkowo do zasobnika, w którym, jak już wspomniano, ogrzewana jest woda użytkowa. Zasobnik wody użytkowej można również połączyć z pompą ciepła.
Kotły dwufunkcyjne ogrzewają wodę wykorzystywaną w instalacji grzewczej oraz wodę użytkową – w dodatkowym przepływowym wymienniku ciepła. Jest to rozwiązanie tańsze niż wykorzystywanie kotła jednofunkcyjnego z zasobnikiem wody użytkowej, jednak mniej komfortowe – ze względu na niską moc grzewczą kotła temperatura wody użytkowej (pobieranej z kilku różnych źródeł) nie zawsze jest optymalna.
Zasada działania kotła dwufunkcyjnego jest prosta. Gdy odkręcimy kran, kocioł przełącza się na ogrzewanie wody użytkowej, po zakręceniu kranu podgrzewa wodę w instalacji grzewczej. Rozwiązanie to nie powoduje strat energii powstających przy stygnięciu zasobnika na wodę użytkową.

Powrót do spisu treściPowrót do spisu treści
Kotły wiszące
Kotły kondensacyjne, podobnie jak tradycyjne, występują w wersji wiszącej i stojącej. Ze względu na niewielkie rozmiary popularniejsza jest wersja wisząca. Na rysunku poniżej widać dwa wiszące kotły kondensacyjne.

Powrót do spisu treściPowrót do spisu treści
Miejsce i sposób montażu
Gazowe kotły wiszące, ze względu na stosunkowo niewielkie gabaryty, mogą być montowane w prawie każdym pomieszczeniu, wkomponowane w wyposażenie kuchni lub łazienki. Montaż kotła kondensacyjnego jest podobny do montażu kotłów tradycyjnych. Należy pamiętać o podłączeniu przewodu doprowadzającego powietrze z zewnątrz budynku, odpowiednim wyprowadzeniu przewodu odprowadzającego spaliny z kotła, a także o zamontowaniu przewodu z syfonem, służącego do usuwania kondensatu do kanalizacji, studzienki chłonnej lub kratki ściekowej.

Powrót do spisu treściPowrót do spisu treści
Zalety i wady gazowych kotłów kondensacyjnych
Zalety:
wysoka sprawność, dochodząca nawet do 109%,
dzięki wysokiej sprawności – mniejsze zużycie gazu niż w kotłach tradycyjnych i niższe koszty eksploatacji,
automatyczne sterowanie,
łatwa regulacja mocy grzewczej,
łatwy montaż,
możliwość montażu w wielu, także małych pomieszczeniach,
brak stałych produktów spalania (popiołu lub żużlu),
cicha praca,
bezpieczne spalanie dzięki zamkniętej komorze spalania, która chroni przed przedostawaniem się spalin do wnętrza budynku,
pobieranie powietrza do spalania spoza budynku.
Wady:
wyższy koszt zakupu w porównaniu z kotłami tradycyjnymi,
ograniczona moc grzewcza w przypadku kotła dwufunkcyjnego, prowadząca do niewystarczającego podgrzewania wody użytkowej, gdy jest ona czerpana z kilku punktów jednocześnie,
ze względu na niższe temperatury wody grzewczej może być konieczny montaż większych grzejników w budynku,
konieczność regularnego serwisowania przez techników posiadających odpowiednie uprawnienia.
Sprawność kotłów kondensacyjnych
Powrót do spisu treściPowrót do spisu treści
Sprawność kotłów kondensacyjnych
Uważny czytelnik mógł się zdziwić lub uznać za błąd informację, że kotły kondensacyjne mogą osiągać sprawność wynoszącą nawet 109%. Oznaczałoby to, że takie kotły stanowią perpetuum mobile, a z zasad termodynamiki i fizyki klasycznej jasno wynika, że nie da się zbudować „wiecznie poruszającej się maszyny”. Informacja o sprawności ponad 100% nie jest błędna, co nie oznacza, że kotły kondensacyjne podważają ustalone prawa fizyki. Sprawność kotłów tradycyjnych obliczano, odnosząc ją do wartości opałowej gazu, która nie uwzględnia energii cieplnej traconej wraz z parą wodną. Energia ta, stanowiąca około 10% całej wytworzonej w procesie spalania energii, jest dodawana do wartości traktującej o sprawności kotła. Rzeczywista sprawność kotła, obliczana jako stosunek energii uzyskanej do energii włożonej, nigdy nie przekracza oczywiście 100%.
Powrót do spisu treściPowrót do spisu treści
Kotły na biomasę
Biomasa – co to takiego?
Biomasa – czyli np. drewno, chrust czy słoma – była używana do ogrzewania pomieszczeń od tysięcy lat. Od kilkunastu lat jej stosowanie staje się coraz popularniejsze, stanowiąc atrakcyjną alternatywę dla paliw kopalnych. Najczęściej wykorzystywaną do kotłów biomasą jest drewno w różnej postaci, np. brykiety, pellety, granulki czy pył drzewny oraz słoma i specjalnie do tego celu uprawiane rośliny energetyczne. Brykiety i pellety nie brudzą i spalają się prawie w całości. Do roślin energetycznych zalicza się takie, które w krótkim czasie uzyskują duże przyrosty. Jedną z najpopularniejszych tego typu roślin, hodowanych w Polsce, jest wierzba wiciowa. Jej przyrost wynosi do 25 t suchej masy z 1 ha hodowli. Inne rośliny energetyczne to np. topola, słonecznik bulwiasty czy róża wielokwiatowa. Łatwym do uzyskania paliwem jest słoma, niestety jest ona dosyć trudna do spalenia i, ze względu na dużą objętość, kłopotliwa w magazynowaniu. Kolejnym rodzajem biomasy, którą można stosować jako paliwo do kotłów, są ziarna zbóż: z 3 kg ziaren owsa można uzyskać tyle energii cieplnej, ile z 1 l oleju opałowego.



Powrót do spisu treściPowrót do spisu treści
Kotły na biomasę – zasada działania
Nowoczesne kotły na biomasę mogą być tak zautomatyzowane, że zapewniają niemal bezobsługową eksploatację. Sercem każdego kotła jest palnik, natomiast mózgiem – sterownik mikroprocesorowy. Palnik wyposażony jest w elektryczną grzałkę, dzięki czemu rozpalanie paliwa odbywa się automatycznie. Sterownik kontroluje pracę kotła, co sprawia, że podawanie paliwa do palnika, jego rozpalanie i wygaszanie, dozowanie powietrza, kontrolowanie mocy i temperatury, a także czyszczenie palnika odbywa się samoczynnie. Użytkownik kotła ustawia jedynie w panelu kontrolnym żądane przez siebie parametry pracy, a następnie dba o dodawanie paliwa do zasobnika i opróżnianie popielnika z popiołu. Ważnym elementem kotłów jest podajnik paliwa. Podobnie jak palnik, powinien być on dobrany do rodzaju biomasy, która będzie używana jako paliwo. Podajnik służy do automatycznego dozowania paliwa z zasobnika na ruszt, na którym następuje spalanie. Do spalania potrzebne jest powietrze zawierające tlen. Aby zapewnić odpowiednią ilość powietrza doprowadzanego do komory spalania, kocioł wyposażony jest w wentylator nadmuchowy. Praca wentylatora jest kontrolowana przez sterownik, który – na podstawie sygnału sondy lambda, czyli czujnika tlenu – określa zapotrzebowanie na powietrze potrzebne do spalania paliwa. Kocioł może być wyposażony także w wentylator wyciągowy, poprawiający przepływ spalin. Poza bardzo nowoczesnymi, w pełni zautomatyzowanymi kotłami na biomasę, na rynku występują także prostsze i tańsze kotły wymagające ręcznej obsługi. Spośród różnych rodzajów kotłów na biomasę możemy wyróżnić:
Kotły na biomasę z górnym spalaniem. W tego typu kotłach rozpala się całe paliwo znajdujące się na ruszcie. Wymagają ręcznej obsługi, dzięki czemu są tanie. Nieprawidłowa obsługa grozi wygaszaniem kotła.
Kotły na biomasę z dolnym spalaniem. Są bezpieczniejsze i efektywniejsze od kotłów z górnym spalaniem. Górne warstwy paliwa znajdującego się na ruszcie są sukcesywnie podgrzewane, dzięki czemu nie występuje ryzyko niezamierzonego wygaszania kotła.
Kotły parowe na biomasę. Bardzo nowoczesne kotły, których praca jest w pełni zautomatyzowana. Mogą być wyposażone w automatyczny podajnik paliwa, ruchomy ruszt oraz system usuwania popiołu. Rozróżnia się kotły parowe na biomasę o niskiej oraz podwyższonej wilgotności.

Powrót do spisu treściPowrót do spisu treści
Miejsce montażu
Kotły na biomasę mają znacznie większe gabaryty niż kotły gazowe. Z tego względu najlepszym rozwiązaniem może być umieszczenie kotła w piwnicy lub innym, specjalnie do tego przeznaczonym pomieszczeniu – kotłowni. Magazynowanie biopaliwa jest niekiedy kłopotliwe ze względu na jego dużą objętość, szczególnie w przypadku słomy.

Powrót do spisu treściPowrót do spisu treści
Zalety i wady kotłów na biomasę
Zalety:
bezobsługowość w przypadku nowoczesnych kotłów na biomasę,
stosunkowo niska cena zakupu (rzędu kilka tysięcy złotych) dla kotłów o prostej konstrukcji,
pellet uważany jest za najczystsze ekologicznie paliwo stałe,
popiół powstały w wyniku spalania biomasy może być użyty jako nawóz naturalny,
biomasa należy do odnawialnych źródeł energii,
magazynowanie paliwa nie wymaga specjalnych pomieszczeń, gdyż nie powoduje zanieczyszczeń.
Wady:
konieczność ręcznej obsługi w przypadku najprostszych kotłów,
wysoka cena zakupu (rzędu nawet kilkudziesięciu tysięcy złotych) dla w pełni zautomatyzowanych kotłów,
kotły mają znacznie większe gabaryty niż na przykład kotły gazowe, dlatego wymagają odpowiedniego pomieszczenia do montażu,
zapas paliwa, szczególnie słomy, zajmuje dużo miejsca ze względu na jego objętość.
Powrót do spisu treściPowrót do spisu treści
Rozdział 2. Wytwarzanie energii cieplnej i sposoby jej przekazywania na potrzeby ogrzewania budynków jednorodzinnych
Wstęp
W rozdziale tym omówimy procesy chemiczne i termodynamiczne zachodzące podczas wytwarzania i przekazywania energii cieplnej. Zaczniemy od opisu działania prostych urządzeń, czyli kotłów na biomasę. Następnie omówimy procesy zachodzące w gazowych kotłach kondensacyjnych, a w końcu przejdziemy do najbardziej złożonych urządzeń – pomp ciepła.
Powrót do spisu treściPowrót do spisu treści
Podstawowe pojęcia związane z termodynamiką
Energia cieplna – nazywana inaczej energią termiczną lub po prostu ciepłem – to część energii wewnętrznej układu termodynamicznego, skorelowanej z temperaturą. Rośnie wtedy, gdy następuje podwyższenie temperatury, i spada wraz z jej obniżeniem. Każda postać energii może się zamienić w cieplną. Jednostką energii jest dżul [J].

Przepływ ciepła – proces polegający na przekazywaniu energii cieplnej między ciałami mającymi różne temperatury. Energia cieplna przepływa zawsze od ciała o wyższej temperaturze do tego o niższej. Przepływ ciepła może występować w formie promieniowania, konwekcji lub przewodzenia.

Parowanie – proces polegający na zmianie stanu skupienia substancji z ciekłego w gazowy, zachodzący w temperaturze niższej od temperatury wrzenia. Aby ciecz parowała, musi zostać ogrzana, co oznacza, że parując, pobiera energię cieplną z otoczenia.

Skraplanie – proces polegający na zmianie stanu skupienia substancji z gazowego w ciekły. Aby gaz się skraplał, musi zostać schłodzony, co oznacza, że podczas tego procesu oddaje energię cieplną do otoczenia.

Sprężanie – proces polegający na zwiększaniu ciśnienia gazu i temperatury w zbiorniku. Jednostką ciśnienia jest bar [bar] lub paskal [Pa], a temperatury stopień Celsjusza [Indeks górny °°C] lub kelwin [K].
Rozprężanie – proces polegający na obniżaniu ciśnienia i temperatury gazu.

Moc grzewcza – skala, która określa, ile energii cieplnej może wytworzyć urządzenie grzewcze w jednostce czasu. Moc wyrażana jest w watach [W].
Współczynnik lambda – do spalania paliwa (gazu czy biomasy) potrzebny jest tlen zawarty w powietrzu. Współczynnik lambda (lambda), nazywany inaczej współczynnikiem nadmiaru powietrza, określa stosunek rzeczywistej ilości (masy) powietrza, w której spalane jest paliwo, do ilości potrzebnej do całkowitego jego spalenia (ilość stechiometryczna). Z powyższego wynika, że jeśli lambda jest większe od 1, występuje nadmiar powietrza, jeśli lambda jest mniejsze od 1 – nadmiar paliwa, natomiast lambda równe 1 oznacza stechiometryczną ilość powietrza.
Mieszanka stechiometryczna – do spalania paliwa, np. gazu, potrzebny jest tlen, który, jak wiadomo, znajduje się w powietrzu. Mieszanka stechiometryczna to mieszanka paliwa z powietrzem, w której występuje dokładnie taka ilość tlenu, która jest potrzebna do całkowitego spalenia danej ilości paliwa.
Temperatura punktu rosy – nazywana też punktem rosy – to temperatura, w której rozpoczyna się proces skraplania (kondensacji) pary wodnej z powietrza.
Powrót do spisu treściPowrót do spisu treści
Spalanie biomasy
Spalana w kotłach biomasa to bardzo często drewno występujące w różnej postaci – szczap, pelletów, brykietów czy trocin. Proces ten można podzielić na cztery fazy:
nagrzewanie i suszenie,
rozkład termiczny (piroliza),
spalanie lotnych produktów pirolizy i powstawanie koksu,
spalanie koksu, z którego zostaje popiół.


Istotną fazą w procesie spalania drewna jest piroliza. Polega ona na termicznym rozkładzie drewna bez udziału powietrza. Przebiega w temperaturze około 400–600°C. Produktami pirolizy są:
części gazowe - tlenek i dwutlenek węgla, wodór oraz metan, etan i etylen,
ciekłe - woda, kwas i aldehyd octowy, smoła i metanol,
stałe - koks, węgiel drzewny.

Powrót do spisu treściPowrót do spisu treści
Spalanie paliwa gazowego w kotłach kondensacyjnych
Tak jak zostało napisane w pierwszym rozdziale, zasada działania kotłów kondensacyjnych opiera się na uzyskiwaniu dodatkowej energii cieplnej dzięki kondensacji, czyli skropleniu pary wodnej zawartej w spalinach. Para wodna skraplając się, oddaje energię cieplną do wody grzewczej, dodatkowo ją ogrzewając.
Skąd bierze się para wodna w spalinach? Niewielka jej część pochodzi z powietrza, większość z wodoru zawartego w gazie (węglowodoru), który jest spalany w kotle. Im więcej atomów wodoru przypada na atom węgla, tym większe są możliwości kondensacji pary wodnej. Z tego powodu bardzo dobrym paliwem dla kotłów kondensacyjnych jest gaz ziemny (metan), w którym na jeden atom węgla przypadają cztery atomy wodoru. Mniej korzystnie wypada propan, w którym na trzy atomy węgla przypada osiem atomów wodoru.

Aby wystąpiła kondensacja, czyli skraplanie pary wodnej, spaliny muszą zostać schłodzone do temperatury poniżej punktu rosy, która wynosi:
około 57°C dla metanu,
około 50°C dla propanu.
Jak widać, również ze względu na punkt rosy, lepszym paliwem dla kotłów kondensacyjnych jest gaz ziemny (metan), ponieważ łatwiej jest schłodzić spaliny do 57°C niż 50°C.
Kondensacja pary wodnej zaczyna się w podanej temperaturze, jeśli występuje stechiometryczna mieszanka paliwa z powietrzem, czyli współczynnik nadmiaru tlenu lambda wynosi 1. W rzeczywistości spalanie gazu w kotłach przebiega na ogół przy niewielkim nadmiarze tlenu (lambda=1,05), gdyż proces spalania zazwyczaj nie przebiega idealnie. Nadmiar tlenu pozwala na całkowite i zupełne spalenie paliwa, co z kolei zapobiega powstawaniu większej ilości dwutlenku węgla oraz niespalonych cząstek paliwa w spalinach. Powoduje to także obniżenie temperatury punktu rosy dla spalin, a co za tym idzie, ich trudniejszą kondensację.

Aby odpowiednio schłodzić spaliny i doprowadzić do kondensacji pary wodnej we wtórnym wymienniku ciepła kotła kondensacyjnego, należy zadbać o to, aby temperatura wody grzewczej wracającej do kotła oscylowała poniżej wartości punktu rosy, najlepiej około 30°C. Dla uzyskiwania tak niskiej temperatury wody grzewczej na powrocie przez cały sezon grzewczy najbardziej optymalne jest zastosowanie ogrzewania podłogowego. W przypadku zastosowania tradycyjnych grzejników temperatura wody grzewczej na powrocie jest wyższa, co oznacza, że w kotle nie zawsze następuje kondensacja.
W przypadku kotłów kondensacyjnych mogą wystąpić dwa problemy:
niska temperatura spalin, wynosząca około 50°C (dla porównania – w przypadku kotłów tradycyjnych wynosi ona około 140°C) oraz większy ciężar właściwy tych spalin,
powstawanie kwasu węglowego.
Dlaczego niższa temperatura i większy ciężar właściwy spalin mogą być problemem? Otóż uniemożliwiają one powstanie naturalnego ciągu w kominie. Przeszkodę tę można jednak bardzo łatwo pokonać. Wystarczy zastosować w kotłach kondensacyjnych wentylator wymuszający przepływ spalin. Takie rozwiązanie nazywa się zamkniętą komorą spalania.
Kwas węglowy, który pojawia się w kotłach kondensacyjnych, powstaje na skutek reakcji, do jakiej dochodzi między parą wodną a dwutlenkiem węgla znajdującymi się w spalinach. Na szczęście i ten problem można stosunkowo łatwo rozwiązać, używając odpowiednich materiałów do budowy wtórnego wymiennika ciepła, czyli stali kwasoodpornej lub stopu aluminium i krzemu, nazywanego siluminem.

Powrót do spisu treściPowrót do spisu treści
Procesy termodynamiczne zachodzące w pompach ciepła
Na początku rozdziału przedstawione zostały podstawowe pojęcia związane z termodynamiką. Zanim przejdziemy do omawiania procesów zachodzących w pompach ciepła, warto omówić jeszcze dwa pojęcia – entalpię i entropię.
Entalpia – to ilość ciepła, którą układ termodynamiczny oddaje lub pobiera z otoczenia przy zachowaniu stałego ciśnienia. Entalpię oznacza się literą H i wyraża w takich samych jednostkach co energię, czyli w dżulach [J].
Wzór na entalpię to:
H = E + pV
gdzie:
H – to entalpia,
E – to energia układu termodynamicznego,
p – to ciśnienie układu termodynamicznego,
V – to objętość układu termodynamicznego.
Iloczyn p i V to praca mechaniczna wykonana w układzie termodynamicznym, a zatem entalpia równa się sumie energii tego układu i wykonanej w nim pracy.
Entropia – to termodynamiczna funkcja stanu określająca kierunek przebiegu procesów w izolowanym układzie termodynamicznym, nieuzależniona od drogi przejścia od jednego stanu do drugiego. Definiuje się ją także jako miarę stopnia nieuporządkowania układu termodynamicznego; entropia jest uwarunkowana rozmiarem układu. Całkowita entropia układu jest równa sumie entropii jego części składowych. Jednostką entropii jest dżul/kelwin [J/K].
Wzór na entropię w izotermicznym procesie odwracalnym (czyli takim, w którym temperatura jest stała) to:
S = Q / T
gdzie:
S – to entropia,
Q – to ciepło dostarczone układowi termodynamicznemu,
T – to temperatura układu termodynamicznego.
Obieg pompy ciepła – teoretyczny obieg termodynamiczny, zgodnie z którym pracują pompy ciepła, to odwracalny lewobieżny obieg Carnota. Jest to podstawowy, teoretyczny obieg chłodniczy.
Prawobieżny, odwracalny obieg Carnota, opisuje teoretycznie idealny silnik o maksymalnej sprawności. W rzeczywistości pompy ciepła pracują zgodnie z lewobieżnym obiegiem Carnota, nazywanym obiegiem Lindego.

Rys. 43. przedstawia przemiany zachodzące w lewobieżnym układzie Carnota. Obieg ten składa się z dwóch przemian izotermicznych (przemiany zachodzące przy stałej temperaturze gazu) i dwóch przemian izobarycznych (przemiany zachodzące przy stałym ciśnieniu gazu). Przemiana izotermiczna 4‑1 polega na pobieraniu ciepła przez czynnik chłodniczy od dolnego źródła ciepła (woda, grunt lub powietrze). Przemiana izotermiczna 3‑2 polega na oddaniu ciepła przez czynnik chłodniczy do górnego źródła ciepła (wody grzewczej).


W obiegu Lindego następują takie przemiany termodynamiczne, jak:
1‑2 – izentropowe sprężanie pary czynnika chłodniczego,
2‑3 – schładzanie przegrzanej pary czynnika chłodniczego przy stałym ciśnieniu,
3‑4 – skraplanie pary czynnika chłodniczego przy stałym ciśnieniu i stałej temperaturze,
4‑5 – izentalpowe obniżenie ciśnienia czynnika chłodniczego,
5‑1 – wrzenie i parowanie czynnika chłodniczego przy stałym ciśnieniu i stałej temperaturze.
Uwaga: przemiana 2‑3 na wykresie p‑H odpowiada przemianom 2‑3-4 na wykresie T‑S.
Na podstawie wykresów można określić współczynnik wydajności pompy ciepła epsilon. Wyraża on stosunek energii elektrycznej potrzebnej do zasilania sprężarki pracującej w układzie pompy ciepła do energii cieplnej lub chłodniczej, jaką uzyskujemy dzięki pompie ciepła.
Na wykresach traktujących o przemianach w obiegu termodynamicznym przedstawia się często charakterystykę czynnika chłodniczego. Przykładowe wykresy wzbogacone o tę charakterystykę wyglądają następująco:

Powrót do spisu treściPowrót do spisu treści
Podsumowanie
W jaki sposób będzie wyglądał wykres przemian obiegu termodynamicznego w układzie współrzędnych p‑H, jeśli znamy wartości temperatury i ciśnienia czynnika chłodniczego w poszczególnych punktach obiegu (parownik, skraplacz, zawór rozprężny, sprężarka)?
Powrót do spisu treściPowrót do spisu treści
Rozdział 3. Przyłącza i elementy instalacji grzewczej dla różnych źródeł ciepła w budownictwie jednorodzinnym
Wstęp
W rozdziale trzecim skupimy się na elementach, które można nazwać „zasilaniem” urządzeń grzewczych. Pierwszym z nich będzie przyłącze gazu do kotłów kondensacyjnych, drugim – przyłącze elektryczne do pomp ciepła, trzecim – instalacja czynników chłodniczych pomp ciepła, czwartym zaś – wymienniki ciepła pomp ciepła typu grunt‑woda oraz woda‑woda.
Powrót do spisu treściPowrót do spisu treści
Przyłącze gazu do kotłów gazowych
W kotle gazowym można spalać gaz ziemny doprowadzany z sieci gazowej oraz gaz płynny (LPG) pochodzący ze zbiorników zamontowanych w pobliżu budynku. W obu przypadkach, aby móc korzystać z kotła, należy założyć przyłącze gazowe.
Czym jest przyłącze gazowe?
To element sieci uzbrojenia terenu służący do połączenia instalacji wewnętrznej budynku, czyli odbiorcy, z siecią rozdzielczą dostawcy gazu. Można wyróżnić dwa rodzaje przyłączy gazowych:
stosowane, gdy w pobliżu budynku poprowadzony jest gazociąg, do którego można podłączyć instalację;
wykorzystywane w przypadku korzystania z gazu płynnego pochodzącego z lokalnego zbiornika, znajdującego się na działce obok budynku.
Podłączenie instalacji do sieci gazowej jest bardziej opłacalne niż korzystanie z lokalnego zbiornika gazu. Przede wszystkim ze względu na:
stały dostęp do gazu, bez konieczności jego uzupełniania w zbiorniku,
niższe koszty użytkowania,
brak konieczności wydzielenia miejsca na zbiornik gazowy na działce.
Korzystanie ze zbiornika na gaz płynny jest uzasadnione, jeśli nie ma możliwości podłączenia obiektu do gazociągu.
Aby wykonać przyłącze gazowe, należy spełnić szereg wymogów formalnych wynikających z przepisów zawartych w następujących dokumentach:
Prawo energetyczne – ustawa z dnia 10 kwietnia 1997 r. (Dz.U. z 2021 r. poz. 716 z późn. zm.).
Ustawa z dnia 13 stycznia 2022 r. o zmianie ustawy – Prawo energetyczne (Dz.U. z 2022 r. poz. 200).
Prawo budowlane – ustawa z dnia 7 lipca 1994 r. (Dz.U. z 2020 r. poz. 1333 z późn. zm.).
Rozporządzenie Ministra Gospodarki z dnia 2 lipca 2010 r. w sprawie szczegółowych warunków funkcjonowania systemu gazowego (Dz.U. z 2018 r. poz. 11158 i 1814 z późn. zm.).
Zgodnie z przepisami wykonanie przyłącza gazowego i zainicjowanie dostarczania gazu następuje w kilku etapach:
Złożenie wniosku o określenie warunków przyłączenia do sieci gazowej wraz z planem zabudowy lub szkicem sytuacyjnym, na których zaznaczony jest obiekt, dla którego ma być wykonane przyłącze.
Wydanie – przez dostawcę gazu, w ciągu 30 dni od daty złożenia wniosku – zgody i warunków przyłączenia do sieci gazowej.
Złożenie wniosku o zawarcie umowy o przyłączenie obiektu do gazociągu (w przypadku korzystania z sieci gazowej).
Podpisanie umowy o podłączenie do sieci gazowej lub zbiornika gazu.
Zaprojektowanie przyłącza.
Przeprowadzenie prac budowlanych i montażowych związanych z wykonaniem przyłącza.
Podpisanie umowy na dostarczanie gazu.
Zaprojektowanie wewnętrznej instalacji gazowej.
Wykonanie wewnętrznej instalacji gazowej w budynku i podłączenie do niej przyłącza.
Zgłoszenie gotowości do napełnienia instalacji gazem.
Zamontowanie gazomierza.
Rozpoczęcie dostarczania gazu.
Projekty przyłącza gazowego i wewnętrznej instalacji gazowej, a także prace związane z ich budową muszą być wykonane przez osoby posiadające odpowiednie uprawnienia gazowe, zgodnie z przepisami prawa (Rozporządzenie Ministra Gospodarki, Pracy i Polityki Społecznej z dnia 28 kwietnia 2003 r. w sprawie szczegółowych zasad stwierdzania posiadania kwalifikacji przez osoby zajmujące się eksploatacją urządzeń, instalacji i sieci, Dz.U. z 2003 r. nr 89 poz. 828).


Powrót do spisu treściPowrót do spisu treści
Przyłącze elektryczne do pomp ciepła
Instalacja elektryczna pompy ciepła oraz jej zabezpieczenia powinny zostać wykonane – przez elektryka – zgodnie z dokumentacją otrzymaną od producenta pompy ciepła. Wytyczne mogą się różnić w zależności od modelu urządzenia grzewczego.
Istotne jest, aby w obwodzie elektrycznym zasilającym pompę ciepła nie było, poza pompą, żadnych innych odbiorników.
Najważniejszym elementem instalacji elektrycznej jest jej zabezpieczenie, czyli np. wyłącznik nadprądowy umieszczony w rozdzielni elektrycznej.


Wyłącznik nadprądowy to działające automatycznie zabezpieczenie zapobiegający uszkodzeniom obwodu i urządzeń elektrycznych mogących wystąpić w wyniku przepływu prądu o zbyt dużym natężeniu. Innymi słowy – wyłącza zasilanie elektryczne podczas przeciążenia lub zwarcia.
Dodatkowym zabezpieczeniem instalacji elektrycznej pompy ciepła są bezpieczniki umieszczone w skrzynce bezpieczników podłączonej do zabezpieczenia głównego. Mogą one zabezpieczać indywidualne obwody zasilające sterownik, sprężarkę, pompę obiegową wody grzewczej czy dodatkowy grzejnik elektryczny wody.

Oprócz instalacji zasilającej podzespoły elektryczne pompy ciepła potrzebne są także obwody sterujące jej pracą, łączące sterownik pompy ciepła z czujnikami temperatury i elementami wykonawczymi, takimi jak sprężarka i pompa obiegowa wody grzewczej. Czujnik temperatury zewnętrznej powinien być zamontowany w zacienionym miejscu. Jego montaż w miejscu nasłonecznionym będzie powodował fałszywe odczyty temperatury i prowadził do niewystarczającego ogrzewania budynku. Również w zacienionym miejscu, około 1,5 m nad podłogą, powinien być zamontowany czujnik temperatury wewnętrznej.


Montaż instalacji elektrycznej musi być przeprowadzony przez elektryka posiadającego odpowiednie uprawnienia SEP (Stowarzyszenia Elektryków Polskich).
Powrót do spisu treściPowrót do spisu treści
Instalacja czynników chłodniczych pomp ciepła
W przypadku większości nowych pomp ciepła, wyposażonych jedynie w jednostkę wewnętrzną (wszystkie pompy ciepła oprócz pomp ciepła powietrze‑woda typu split), nie ma potrzeby napełniania instalacji czynnikiem chłodniczym, ponieważ są one instalowane fabrycznie. W przypadku pomp ciepła powietrze‑woda typu split fabrycznie napełniana czynnikiem chłodniczym jest jedynie jednostka zewnętrzna; po montażu całej pompy ciepła należy zatem uzupełnić o czynnik chłodniczy jednostkę wewnętrzną.
Napełnianie czynnikiem chłodniczym instalacji pompy ciepła powinno odbywać się zgodnie z instrukcją producenta danego modelu pompy, w której jest podany typ wymaganego czynnika chłodniczego, jego ciśnienie robocze i inne potrzebne do napełnienia instalacji informacje.
Powrót do spisu treściPowrót do spisu treści
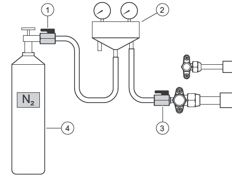
Test szczelności
Przed napełnieniem instalacji czynnikiem chłodniczym należy wykonać test szczelności instalacji. Pierwszym krokiem jest sprawdzenie, czy zawory serwisowe jednostki zewnętrznej są zamknięte. Kolejny to podłączenie zespołu napełniającego (2) poprzez zawór (3) do króćca serwisowego po gorącej stronie instalacji. Drugi przewód zespołu napełniającego podłącza się za pomocą zaworu (1) do butli z gazem obojętnym, np. azotem (4). Następnie otwiera się zawory (1) i (3) i odkręca zawór butli z azotem (4). Zawór butli z azotem powinien zostać zakręcony, gdy ciśnienie wskazywane na manometrze przy zespole napełniającym (2) wzrośnie do ciśnienia próby. Zalecane jest obserwowanie manometru przez ok. 10 minut. Jeśli nie wskazuje on spadku ciśnienia, oznacza to, że instalacja jest szczelna. Gdy ciśnienie spada, należy przede wszystkim sprawdzić szczelność wszystkich gwintowanych połączeń w instalacji. Można to zrobić, spryskując złącza pianką w sprayu. Ulatniający się czynnik chłodniczy będzie powodował powstawanie pęcherzyków gazu. Jeśli to zaobserwujemy, należy dokręcić złącza i powtórzyć próbę szczelności.


Powrót do spisu treściPowrót do spisu treści
Wytworzenie próżni
Kolejną czynnością, którą należy wykonać po teście szczelności, a przed napełnieniem instalacji czynnikiem chłodniczym, jest wytworzenie w niej próżni. Dzięki temu przewody instalacji zostają oczyszczone z powietrza i znajdującej się w nim wilgoci. W celu wytworzenia próżni (w rzeczywistości nie jest to próżnia w dosłownym tego słowa znaczeniu, a podciśnienie) do króćca serwisowego po gorącej stronie instalacji należy podłączyć pompę podciśnienia wraz z próżniomierzem (wakuometrem). Pompa powinna prowadzić do spadku ciśnienia do wartości około 1 mbar i pracować przez około 30 minut. Po wyłączeniu pompy podciśnienia zalecane jest odczekanie kilku minut i obserwowanie wskazania próżniomierza. Jeśli ciśnienie w instalacji nie rośnie, oznacza to, że jest ona szczelna i można odłączyć pompę próżniową oraz przejść do napełniania instalacji czynnikiem chłodniczym.
Powrót do spisu treściPowrót do spisu treści
Napełnienie instalacji jednostki wewnętrznej czynnikiem chłodniczym
Jednostka zewnętrzna, jak już wyjaśnialiśmy, jest zawsze fabrycznie napełniona czynnikiem chłodniczym. Jeśli pojedyncza długość przewodów łączących jednostkę zewnętrzną z wewnętrzną nie przekracza długości maksymalnej, podanej w instrukcji producenta (na ogół jest to kilkanaście metrów), wystarczy odkręcić odpowiednie zawory w instalacji zgodnie ze wskazówkami, aby napełnić czynnikiem chłodniczym jednostkę wewnętrzną. Po wykonaniu tej czynności czynnik chłodniczy znajduje się już w całej instalacji; należy sprawdzić, zwracając szczególną uwagę na połączenia gwintowane, czy nie ma wycieków. Jeśli długość przewodów łączących jednostkę zewnętrzną i wewnętrzną jest większa niż maksymalna długość podana w instrukcji, trzeba dopompować do instalacji dodatkową ilość czynnika chłodniczego. Oblicza się ją zgodnie ze wzorem podanym w instrukcji, który wskazuje, ile gramów czynnika chłodniczego potrzebne jest do użycia na każdy dodatkowy metr przewodów (na ogół jest to kilkadziesiąt gramów na metr).

Aby dopompować dodatkową ilość czynnika chłodniczego, trzeba najpierw sprawdzić, czy zawory serwisowe jednostki zewnętrznej są zamknięte. Następnie podłącza się zespół napełniający (2) poprzez zawór (3) do króćca serwisowego po gorącej stronie instalacji. Drugi przewód zespołu napełniającego podłącza się za pomocą zaworu (1) do butli (4) z czynnikiem chłodniczym (zgodnym z instrukcją producenta, np. R410A). Butlę należy umieścić na wadze (5). Jeśli nie jest ona wyposażona w syfon, stawia się ją do góry dnem. Kolejny krok to odkręcenie zaworu (1) butli i jego otworzenie. Po wypełnieniu czynnikiem chłodniczym przewodów zespołu napełniającego (2) należy wyzerować wskazania wagi (5) i otworzyć zawór (3). Obserwując wskazania wagi, dodaje się odpowiednią ilość czynnika do instalacji, zamyka zawory (1) i (3) i zakręca zawór butli (4).
Po napełnieniu całej instalacji należy sprawdzić, czy nie ma wycieków czynnika chłodniczego, zwracając szczególną uwagę na połączenia gwintowane.
Prace związane z napełnianiem instalacji czynnikiem chłodniczym powinno się wykonywać w rękawicach i okularach ochronnych. Osoby podejmujące się tych prac muszą posiadać, zgodnie z Ustawą z dnia 15 maja2015 r. o substancjach zubożających warstwę ozonową oraz o niektórych fluorowanych gazach cieplarnianych (Dz.U z 2015 r. poz. 881), tzw. certyfikat F‑gazowy.
Powrót do spisu treściPowrót do spisu treści
Rozdział 4. Rodzaje wymienników ciepła pomp ciepła typu grunt – woda oraz woda – woda
Pośrednie wymienniki ciepła pomp ciepła typu grunt‑woda oraz woda‑woda
Pośrednie wymienniki ciepła, czyli kolektory stosowane w pompach ciepła typu grunt‑woda oraz w niektórych pompach ciepła typu woda‑woda zostały częściowo opisane w rozdziale pierwszym. W tym rozdziale omówimy zasady układania kolektorów poziomych i pionowych z pominięciem kolektorów poziomych stosowanych w pompach ciepła typu woda‑woda – mają one taką samą budowę, jak kolektory poziome pomp ciepła typu grunt‑woda.
Powrót do spisu treściPowrót do spisu treści
Kolektor poziomy z rurą ułożoną meandrycznie
Pierwszy omawiany rodzaj kolektora wykorzystuje najprostszy sposób ułożenia rury, która stanowi pośredni wymiennik ciepła. Aby wykonać ów kolektor, należy za pomocą koparki zdjąć ziemię w miejscu, w którym ma być ułożona rura, a następnie oczyścić i wyrównać podłoże. Do określenia odległości między równoległymi odcinkami rury korzysta się z tabel, które podają minimalną odległość dla rur o różnych średnicach i dla poszczególnych rodzajów gruntu. Standardowe średnice rur kolektorów to: 25, 32, 40 mm. Minimalne odległości pomiędzy równoległymi odcinkami rury dla standardowego gruntu o strumieniu ciepła 17 W/mIndeks górny 22 wynoszą odpowiednio: 80, 60, 40 cm. Tabele wskazują także maksymalną, całkowitą długość rury kolektora, która może wynosić od stu kilkudziesięciu do kilkuset metrów.

Powrót do spisu treściPowrót do spisu treści
Kolektor poziomy z rurą ułożoną spiralnie
Drugim rodzajem kolektora poziomego jest kolektor z rurą ułożoną spiralnie. Wykonuje się go z rury o średnicy 32 mm i maksymalnej długości całkowitej wynoszącej 125 m. Zwoje rury umieszcza się w dwóch wykonanych koparką wykopach. Średnica pojedynczego zwoju wymiennika ciepła ma około 1 m. Rurę należy układać tak, aby zwoje zachodziły na siebie na około 0,5 do 0,6 m. W tym celu można je łączyć ze sobą za pomocą taśmy klejącej. Odległość między osiami wykopów w przypadku standardowego gruntu o strumieniu ciepła 17 W/mIndeks górny 22 powinna wynosić 5 m.

Powrót do spisu treściPowrót do spisu treści
Głębokość ułożenia kolektora
Kolektory powinny być zakopane w ziemi na głębokości 120‑200 cm, czyli około 20‑30 cm poniżej strefy przemarzania gruntu.
Powrót do spisu treściPowrót do spisu treści
Sprawdzenie szczelności
W celu sprawdzenia szczelności wymiennika ciepła należy poddać go dwóm próbom ciśnieniowym. Pierwszą próbę można przeprowadzić jeszcze przed ułożeniem rury kolektora w wykopie. Ciśnienie powinno tu wynosić około 2 barów więcej niż maksymalne ciśnienie robocze, czyli około 5 barów. Drugą próbę przeprowadza się po ułożeniu wymiennika ciepła w wykopie i połączeniu jego wszystkich sekcji. Również i w tym przypadku ciśnienie powinno wynosić około 2 barów więcej niż maksymalne ciśnienie robocze.
Powrót do spisu treściPowrót do spisu treści
Pozostałe czynności
Po pozytywnym przejściu drugiej próby ciśnieniowej kolektor może zostać zasypany warstwą piasku o grubości około 10‑15 cm, a następnie warstwą wcześniej wykopanej ziemi o grubości około 50‑60 cm. Po umieszczeniu na niej taśmy ostrzegawczej informującej o obecności kolektora – na wypadek prowadzenia prac ziemnych na tym terenie – można całkowicie zakopać wykop do poziomu przylegającego gruntu. Istotne jest, aby grunt, pod którym został umieszczony kolektor pompy ciepła, był maksymalnie nagrzewany przez słońce. Nad kolektorem nie należy zatem sadzić drzew, krzewów, ani stawiać żadnych obiektów; innymi słowy: nie można go zacieniać.

Powrót do spisu treściPowrót do spisu treści
Kolektor pionowy
W celu zainstalowania pionowych wymienników ciepła, nazywanych także sondami, należy wykonać odwierty w gruncie o głębokości od 20 do 100 m (czasami nawet do 200 m). Liczbę sond, ich długość oraz odległości między nimi określa się na podstawie zapotrzebowania na energię cieplną budynku, który będzie ogrzewany za pomocą pompy ciepła, a także pojemności cieplnej gruntu. Kolektory nie powinny być umieszczane zbyt blisko siebie, aby nie doprowadzać do nadmiernego schładzania gruntu i spadku wydajności pompy ciepła.

Powrót do spisu treściPowrót do spisu treści
Odwiert próbny
Odwiert próbny przeprowadzany jest w celu dokonania oceny hydrogeologicznej gruntu. Dzięki niej można określić pojemność cieplną gruntu, na którą wpływ mają takie parametry, jak: rodzaj gleby, wilgotność, udział pierwiastków mineralnych, pęcherzyków powietrza czy wody gruntowej.
Powrót do spisu treściPowrót do spisu treści
Odwiert właściwy
Przed wykonaniem właściwych odwiertów pod wymienniki ciepła, należy uzyskać stosowne pozwolenia. W czasie prowadzenia prac, konieczne jest przestrzeganie przepisów prawa geologicznego i górniczego. Odwierty w przypadku gruntów twardych wykonuje się metodą wiercenia obrotowo‑udarowego z młotkiem dolnym, zaś w gruntach miękkich przeprowadza się metodą wiercenia obrotowego z płuczką. Jak już wspomnieliśmy, poszczególne sondy nie powinny być umieszczane w gruncie zbyt blisko siebie. Minimalne odległości pomiędzy kolektorami powinny wynosić:
6 m dla sond o długości do 70 m,
8 m dla sond o długości między 70 a 100 m,
8% długości sondy dla sond o długości przekraczającej 100 m.
Sprawdzenie szczelności
Powrót do spisu treściPowrót do spisu treści
Sprawdzenie szczelności
Podobnie jak w przypadku poziomych wymienników ciepła, należy przeprowadzić test szczelności kolektora pionowego. Wykonuje się go przed wprowadzeniem kolektora do odwiertu, zgodnie z „Warunkami technicznymi wykonania i odbioru rurociągów z tworzyw sztucznych”.
Powrót do spisu treściPowrót do spisu treści
Pozostałe czynności
Po pozytywnym przejściu próby ciśnieniowej kolektor może zostać, za pomocą rozwijarki, wprowadzony do odwiertu. Do otworu, w którym znajduje się sonda, wsuwa się rury osłonowe i wypełnia pozostałą, wolną przestrzeń odwiertu materiałem wypełniającym. Powinien on mieć następujące cechy:
brak szkodliwego odziaływania na środowisko,
wysoki współczynnik przewodzenia ciepła, wynoszący co najmniej 2 W/mK,
możliwość łatwego przetłaczania (konieczność wprowadzenia rury o średnicy kilku centymetrów na głębokość około 100 metrów),
brak skurczu po wyschnięciu,
odporność na cykliczne zamarzanie i rozmarzanie,
niski współczynnik przepuszczalności wody, zapewniający szczelność pomiędzy warstwami wodonośnymi, przewierconymi podczas wykonywaniu odwiertu,
odporność na chemiczne oddziaływanie przez grunt i wody gruntowe.

Powrót do spisu treściPowrót do spisu treści
Rozdział 5. Etapy doboru, montażu i uruchomienia różnych źródeł ciepła w budownictwie jednorodzinnym
Wstęp
W rozdziale tym przedstawimy schematy ilustrujące proces montażu źródeł ciepła: od etapu początkowego – doboru źródła ciepła do etapu końcowego – uruchomienia instalacji grzewczej.
Powrót do spisu treściPowrót do spisu treści
Pompy ciepła typu powietrze‑woda
Obliczenie zapotrzebowania cieplnego budynku (OZC).
Wybór pompy ciepła o mocy odpowiedniej do zapotrzebowania cieplnego budynku.
Wyznaczenie miejsca montażu pompy ciepła.
Montaż pompy ciepła.
Montaż jednostki zewnętrznej w przypadku pompy ciepła typu monoblok.
Montaż jednostki zewnętrznej i wewnętrznej w przypadku pompy ciepła typu split.
Napełnienie jednostki wewnętrznej czynnikiem chłodniczym w przypadku pompy ciepła typu split oraz sprawdzenie jej szczelności.
Podłączenie pompy do instalacji wody grzewczej i ciepłej wody użytkowej.
Napełnienie instalacji wody grzewczej i jej odpowietrzenie.
Podłączenie pompy do instalacji elektrycznej.
Uruchomienie pompy ciepła i sprawdzenie jej działania.
Powrót do spisu treściPowrót do spisu treści
Pompa ciepła typu grunt‑woda
Obliczenie zapotrzebowania cieplnego budynku (OZC).
Wybór pompy ciepła o mocy odpowiedniej do zapotrzebowania cieplnego budynku.
Wyznaczenie miejsca montażu pompy ciepła w budynku.
Montaż pompy ciepła w budynku.
Wyznaczenie miejsca na działce pod kolektor gruntowy.
Wykonanie odwiertów próbnych i właściwych pod kolektory pionowe lub odkrycie ziemi pod kolektor poziomy.
Montaż kolektorów gruntowych.
Napełnienie kolektorów glikolem.
Sprawdzenie szczelności kolektorów.
Wypełnienie otworów wokół kolektorów pionowych odpowiednim materiałem lub zasypanie kolektorów poziomych ziemią.
Podłączenie pompy do instalacji wody grzewczej i ciepłej wody użytkowej.
Napełnienie instalacji wody grzewczej i jej odpowietrzenie.
Podłączenie pompy do instalacji elektrycznej.
Uruchomienie pompy ciepła i sprawdzenie jej działania.
Pompy ciepła typu woda‑woda
Powrót do spisu treściPowrót do spisu treści
Pompy ciepła typu woda‑woda
Obliczenie zapotrzebowania cieplnego budynku (OZC).
Wybór pompy ciepła o mocy odpowiedniej do zapotrzebowania cieplnego budynku.
Wyznaczenie miejsca montażu pompy ciepła w budynku.
Montaż pompy ciepła w budynku.
Wyznaczenie miejsca na działce pod studnie.
Wykonanie odwiertów pod studnie.
Umieszczenie kolektorów w studniach.
Podłączenie pompy do instalacji wody grzewczej i ciepłej wody użytkowej.
Napełnienie instalacji wody grzewczej i jej odpowietrzenie.
Podłączenie pompy do instalacji elektrycznej.
Uruchomienie pompy ciepła i sprawdzenie jej działania.
Kotły gazowe wiszące, kondensacyjne
Powrót do spisu treściPowrót do spisu treści
Kotły gazowe wiszące, kondensacyjne
Obliczenie zapotrzebowania cieplnego budynku (OZC).
Wybór kotła o mocy odpowiedniej do zapotrzebowania cieplnego budynku.
Wyznaczenie miejsca montażu kotła w budynku.
Montaż kotła w budynku.
Podłączenie kotła do instalacji elektrycznej.
Podłączenie kotła do instalacji gazowej.
Podłączenie kotła do komina.
Podłączenie dopływu powietrza do kotła.
Podłączenie kotła do instalacji wody grzewczej i ciepłej wody użytkowej.
Napełnienie instalacji wody grzewczej i jej odpowietrzenie.
Uruchomienie kotła i sprawdzenie jego działania.
Kotły na biomasę
Powrót do spisu treściPowrót do spisu treści
Kotły na biomasę
Obliczenie zapotrzebowania cieplnego budynku (OZC).
Wybór kotła o mocy odpowiedniej do zapotrzebowania cieplnego budynku.
Wyznaczenie miejsca montażu kotła w budynku.
Wyznaczenie i przygotowanie pomieszczenia do składowania biomasy.
Montaż kotła w budynku.
Podłączenie kotła do instalacji elektrycznej.
Podłączenie kotła do instalacji gazowej.
Podłączenie kotła do komina.
Podłączenie dopływu powietrza do kotła.
Podłączenie kotła do instalacji wody grzewczej i ciepłej wody użytkowej.
Napełnienie instalacji wody grzewczej i jej odpowietrzenie.
Uruchomienie kotła i sprawdzenie jego działania.
Powrót do spisu treściPowrót do spisu treści
Rozdział 6. Metody i warunki wykonywania prac montażowych przy instalacji źródeł ciepła w budownictwie jednorodzinnym
Wstęp
Koszty oraz czas, który należy poświęcić na budowę domu, zależą nie tylko od jego wielkości, użytych materiałów budowlanych czy montowanych urządzeń. Czynniki te uwarunkowane są także prawidłowym zaplanowaniem prac budowlanych, instalacyjnych i wykończeniowych. Prace te powinny być wykonywane w odpowiednich warunkach i takimi metodami, aby któraś z prowadzonych robót nie utrudniała lub wręcz nie uniemożliwiała realizacji następnych prac. Jeśli planujemy wykonać ogrzewanie podłogowe, to musimy zacząć od położenia rur instalacji grzewczej, a dopiero później położyć wylewkę. Wykonanie prac w odwrotnej kolejności uniemożliwi ułożenie rur ogrzewania podłogowego. W rozdziale tym, wskazując na metody i warunki prac montażowych, omówimy właściwą kolejność montowania instalacji niezbędnych do działania systemu centralnego ogrzewania i ciepłej wody użytkowej w domu jednorodzinnym.
Powrót do spisu treściPowrót do spisu treści
Instalacje „stanu zero”
To elementy instalacji, które znajdują się pod podłogą parteru lub piwnicy i są przez tę podłogę wyprowadzone w odpowiednich miejscach do wnętrza domu. Prace nad nimi prowadzi się na samym początku budowy domu, podczas wykonywania fundamentów. Do elementów instalacji „stanu zero” mogą należeć: przyłącze wodociągowe, przyłącze gazowe, przewód doprowadzający powietrze do kotła gazowego, przyłącza do kolektorów gruntowych lub wodnych pompy ciepła i przyłącza do jednostki zewnętrznej pompy ciepła typu powietrze‑woda.

Powrót do spisu treściPowrót do spisu treści
Instalacja elektryczna
Przewody elektryczne montuje się na ścianach i stropach, gdy dom jest w stanie surowym.

Powrót do spisu treściPowrót do spisu treści
Instalacja wody użytkowej
Po zamontowaniu przewodów elektrycznych należy otynkować ściany i sufit, a następnie przystąpić do montażu rur instalacji wody użytkowej. W domach jednorodzinnych rury pionowe prowadzące z parteru lub piwnicy na wyższe kondygnacje umieszcza się zwykle przy ścianach i obudowuje płytami gipsowo‑kartonowymi. Rzadziej montuje się je w szachtach instalacyjnych (rozwiązanie to sprawdza się w domach wielorodzinnych). Na piętrach rury te prowadzi się na stropie, montując je przed położeniem wylewek.

Powrót do spisu treściPowrót do spisu treści
Instalacja wodna centralnego ogrzewania
W tym samym czasie, kiedy układane są przewody wody użytkowej, można montować przewody instalacji centralnego ogrzewania. Jeśli dom ma być wyposażony w grzejniki ścienne, dla każdego z nich należy poprowadzić dwa przewody – zasilający i powrotny. Jeśli dom będzie wyposażony w ogrzewanie podłogowe, układa się na stropie przewody służące do ogrzewania. Po zamontowaniu wszystkich przewodów na stropie, należy możliwie szybko położyć wylewkę, dzięki czemu przewody te nie będą narażone na uszkodzenia w czasie dalszych prac prowadzonych w budynku.


Powrót do spisu treściPowrót do spisu treści
Montaż urządzeń końcowych
Jednostka wewnętrzna pompy ciepła, kocioł gazowy, kocioł na biomasę lub grzejniki ścienne – to urządzenia, które montujemy w domu i podłączamy do instalacji na końcowym etapie prac. Elementy montowane na ścianach, np. grzejniki lub wiszący kocioł gazowy, kondensacyjny należy zamontować po wykończeniu tynków i pomalowaniu ścian, zaś te ustawiane na podłodze, takie jak pompa ciepła czy kocioł na biomasę, już po wykończeniu podłogi.



Powrót do spisu treściPowrót do spisu treści
7. Charakterystyka materiałów instalacyjnych stosowanych w układach grzewczych
Podstawowym przepisem prawnym dotyczącym bezpieczeństwa i ochrony środowiska w zakresie projektowania, doboru materiałów i wytwarzania ciśnieniowych urządzeń i instalacji ziębniczych jest dyrektywa ciśnieniowa 2014/68/UE (określana jako PED), wdrożona do polskiego prawa Rozporządzeniem Ministra Rozwoju z dnia 11 lipca 2016 r. w sprawie wymagań dla urządzeń ciśnieniowych i zespołów urządzeń ciśnieniowych (Dz.U. 2016 poz. 1036).
Z uwagi na zagrożenia wynikające z poziomu i przebiegu ciśnienia oraz temperatury, instalacje ziębnicze (oraz pompy ciepła) powinny spełniać wymagania zasadnicze sformułowane w tej dyrektywie, koncentrujące się wokół materiałów konstrukcyjnych. Wymagania dotyczące metod wytwarzania obejmują natomiast: dopuszczalne rodzaje łączenia elementów instalacji, warunki stosowania i zasady projektowania oraz wykonywania połączeń rozłącznych i nierozłącznych, w tym lutowania lutem twardym.
Układ grzewczy może być wykonany z różnych materiałów, uzależnione jest to od miejsca oraz wyboru źródła ciepła. Do budowy układu grzewczego stosuje się najczęściej miedź, tworzywa sztuczne (PE‑X, PE‑RT, PB), systemy wielowarstwowe (wewnętrzna i zewnętrzna warstwa przewodu wykonane są z tworzywa, a środkowa z metalu lub również tworzywa) oraz stal.
Przewody wykonane z tworzyw sztucznych, wielowarstwowe oraz miedziane są elastyczne, giętkie, lekkie i odporne na korozję, dlatego obecnie częściej się je stosuje niż te wykonane ze stali.
Tworzywa sztuczne stosowane do produkcji przewodów instalacji grzewczych
Polietylen sieciowany (PE‑X) wykonywany z polietylenu o wysokiej gęstości jest wytrzymały na wysokie temperatury (90‑95°C) oraz ciśnienie (powyżej 70 barów), przy tym zapewnia mniejszą przenikalność cieplną od metali i może być łączony ze stalą lub miedzią, nie wchodząc w reakcje elektrochemiczne. Przewody z tego tworzywa wzmacniane są dodatkowo warstwami antydyfuzyjnymi.
PE‑RT to bardziej elastyczny polietylen; wykonane z niego przewody można prawie dowolnie kształtować, dlatego wykorzystuje się je do montowania ogrzewania podłogowego lub innego płaszczyznowego. Przewody wykonane z tego rodzaju polietylenu również są wzmacniane powłokami antydyfuzyjnymi ze specjalnych tworzyw.
PP i PP‑R to polipropylen, który jest bardziej wytrzymały i sztywny niż polietylen, a przy tym odporny na działanie wielu związków chemicznych. Wytrzymuje temperaturę 90°C, jednak w niskich temperaturach (0°C) staje się kruchy, a jego wytrzymałość osłabia również działanie promieni UV. Przewody z polipropylenu można łączyć przy pomocy łączników gwintowanych i kołnierzowych albo przez zgrzewanie.
PB – polibutylen jest materiałem najczęściej wykorzystywanym w instalacjach ogrzewania podłogowego lub instalacjach wody lodowej, a także w ogrodnictwie. Jest odporny na niskie (-15°C) oraz wysokie (90‑95°C) temperatury, a przy tym bardzo elastyczny – przewody z polibutylenu można dowolnie wyginać. Dodatkowo w przewodach z tego materiału stosuje się powłokę z kopolimerów winylowo‑alkoholowych, która zapobiega dyfuzji tlenu.
Systemy wielowarstwowe
Do wykonania przewodów wielowarstwowych wykorzystuje się zarówno tworzywa sztuczne, jak i metal. Zazwyczaj zewnętrzna i wewnętrzna warstwa wykonywana jest tworzyw, natomiast środkowa z metalu lub innego materiału o właściwościach antydyfuzyjnych lub stabilizujących.
Miedź
Miedź to materiał trwały, odporny na korozję, łatwy w obróbce, elastyczny oraz odporny na zużycie. Przy tym odporność miedzi na wysokie temperatury przewyższa wytrzymałość materiałów z tworzyw sztucznych. Ze względu na stopień wytrzymałości mechanicznej wyróżniamy trzy rodzaje rur: miękkie (R220), półtwarde (R250) i twarde (R290). Wszystkie można stosować w instalacjach grzewczych, natomiast przewody twarde również w instalacjach gazowych. Wybierając tego rodzaju materiał, należy pamiętać, by nie łączyć go z urządzeniami wykonanymi ze stali.
Miedź jest odporna na działanie większości środowisk, w jakich jest stosowana. Jest ponadto wytrzymała m.in. na działanie:
· płynów wykorzystywanych w obiegach ziębniczych (np. freonów) i chłodniczych (np. glikoli, solanek),
· wody wodociągowej,
· wody stosowanej w instalacjach ogrzewczych,
· czynników atmosferycznych we wszystkich strefach klimatycznych.Miedź charakteryzuje także łatwość poddawania się lutowaniu za pomocą odpowiednich spoiw. Przewody miedziane mogą być stosowane w wielu systemach i instalacjach, m.in.:
· ziębniczych i pompach ciepła,
· wody zimnej i ciepłej wody użytkowej,
· ogrzewczych (włącznie z zastosowaniem kolektorów słonecznych),
· technologicznych.
W pompach ciepła, chłodnictwie i klimatyzacji stosuje się obecnie dwa rodzaje rur miedzianych: przeznaczonych do obiegów chłodniczych oraz do wykorzystania ich w środowisku wodnym (rury do instalacji wodociągowych i do instalacji ogrzewczych).
Stal
Materiałem wykorzystywanym do budowy instalacji grzewczych jest stop żelaza i węgla, czyli stal. Materiał ten jest odporny na zginanie i ściskanie, a także na obciążenia mechaniczne, wytrzymuje wysokie temperatury oraz działanie promieni UV. Jednak ze względu na brak elastyczności oraz słabą odporność na korozję coraz rzadziej używany jest w instalacjach grzewczych.
Powrót do spisu treściPowrót do spisu treści
Rodzaje i metody połączeń stosowanych w systemach grzewczych
Metody połączeń stosowanych w instalacjach grzewczych zależą głównie od rodzaju materiałów użytych do ich wykonania. Tradycyjne przewody grzewcze wykonane ze stali łączy się przez spawanie, co wymaga dużo czasu oraz dodatkowych kwalifikacji. Dlatego metody te zostają wypierane przez bardziej dostępne rozwiązania, takie jak zaprasowywanie czy zaciskanie. Dzięki temu czas wykonania instalacji skraca się, a połączenia wykonane w ten sposób są szczelne oraz trwałe.




Połączenia zaciskane wykonuje się przy użyciu pierścieni metalowych, które trzeba skalibrować i sfazować. Zakończenie rury wciska się na złączkę, a na połączenie nakłada się pierścień zaciskowy. Element ten należy zacisnąć za pomocą zaciskarki. Połączenie tego typu jest na tyle szczelne, iż nie wymaga stosowania dodatkowych uszczelek. Jest to połączenie rozłączne.


Zaprasowywanie to metoda pozwalająca na łączenie rur i złączek wykonanych z miedzi lub tworzywa. Króciec zabezpiecza się uszczelką typu o‑ring i łączy ze złączką, następnie miejsce łączenia zaciska się zaciskarką. Ten rodzaj połączenia jest trwały i wymaga odpowiedniego przygotowania rury – przycięcia, skalibrowania i sfazowania.

Zgrzewanie to rodzaj technologii trwałego łączenia części instalacji grzewczych wykonanych z tworzyw sztucznych; wymaga zastosowania specjalnej zgrzewarki. Łączone rury umieszcza się w specjalnym łączniku poddawanym obróbce termicznej.
Spawanie to łączenie materiałów przez ich nagrzanie i stopienie w miejscu łączenia z dodaniem lub bez dodania spoiwa. Rozwiązanie to stosuje się do łączenia przewodów grzewczych wykonanych ze stali, przy czym należy pamiętać, że w przypadku elementów ocynkowanych warstwa zabezpieczająca przed korozją może ulec zniszczeniu podczas spawania.


Lutowanie jest procesem trwałego łączenia metali poprzez dodanie stopu lutowniczego, który topi się poniżej 450°C (lutowanie miękkie) lub powyżej tej temperatury (lutowanie twarde). Lutowaniu poddaje się połączenia elementów instalacji grzewczych wykonanych z miedzi.

Powrót do spisu treściPowrót do spisu treści
Zabezpieczenia antykorozyjne źródeł ciepła
Podstawowym zagrożeniem instalacji grzewczych jest korozja, która może występować nie tylko w elementach wykonanych ze stali, ale również w tych z tworzyw sztucznych. Na pojawienie się korozji ma wpływ wybór materiałów, wykonawstwo i projekt instalacji, medium, warunki eksploatacji oraz wiele innych czynników, które należy uwzględnić na etapie projektowania.
By zapobiec korozji elektrochemicznej, należy uwzględnić różnicę wartości potencjałów elementów wykonanych z różnych metali. Jednak najczęściej nie ma możliwości stosowania jednorodnych materiałów, dlatego konieczne jest zastosowanie odpowiednich inhibitorów korozji.
W instalacjach wykonanych z tworzyw sztucznych tworzy się flora bakteryjna będąca powodem korozji biologicznej. Warstwa bakterii, grzybów i pleśni zmniejsza efektywność cieplną instalacji oraz powoduje uszkodzenia w pompach. Instalacje tego typu również wymagają zastosowania odpowiednich inhibitorów zabezpieczających przed korozją elektrochemiczną oraz mikrobiologiczną.
Substancje te powstają na bazie glikolu wzbogaconego o dodatki uszlachetniające oraz wodę. Najbezpieczniejszym rozwiązaniem jest zastosowanie gotowych roztworów glikolowych zawierających biocydy, które hamują rozwój mikroorganizmów i przeciwdziałają powstawaniu kamienia kotłowego.
Cynkowanie to technika zabezpieczenia antykorozyjnego, która polega na nałożeniu na powierzchnię metalu warstwy czystego cynku. Metoda ta stanowi skuteczną ochronę przed korozją, ponieważ cynk jest bardziej odporny na korozję niż inne metale. Elementy, które są cynowane w układach grzewczych, to: miedziane rury, zawory, nakrętki, węże, złączki, zbiorniki, pompy i inne części.
Ponadto często stosowane jest malowanie proszkowe. Jest to proces polegający na nanoszeniu farb proszkowych na powierzchnię metalu. Powłoka farby proszkowej tworzy szczelną barierę, która zapobiega dostępowi wody i innych czynników atmosferycznych do metalu. Elementy układów grzewczych, które są malowane proszkowo, to: rury, zbiorniki, naczynia, obudowy, kotły, kanały, elementy wewnętrzne i zewnętrzne, a także elementy instalacji klimatyzacyjnych.
Galwanizacja to proces ochrony antykorozyjnej, w którym metal lub inny materiał zanurzany jest w roztworze soli i elektrolitu, a następnie w roztworze galwanicznym, dzięki czemu tworzy się warstwa ochronna na powierzchni metalu, która zapobiega korozji. Galwanizowane elementy w układach grzewczych to: rury, złącza, kolektory słoneczne, przewody, zawory i elementy grzewcze, elementy sterujące, dysze spryskiwaczy, zbiorniki przeponowe, elementy rekuperacji, wyłączniki ciśnienia, zawory zwrotne, zawory regulacyjne, zawory bezpieczeństwa, czujniki temperatury, grzejniki, pompy obiegowe, zawory termostatyczne, elementy wyłączające, np. przekaźniki, czujniki temperatury, termostaty, przewody.
Powrót do spisu treściPowrót do spisu treści
Izolacja termiczna źródeł ciepła
Izolacja termiczna źródeł ciepła może to być wykonana z materiałów takich jak: wełna mineralna, pianka poliuretanowa, pianka polistyrenowa etc. Materiały te mają właściwości termoizolacyjne, które zapobiegają utracie ciepła.
Wełna mineralna jest produkowana z włókien szklanych, które są związane za pomocą żywic poliuretanowych lub klejów wolno utwardzalnych. Ma właściwości samogasnące oraz izolacyjne. Może być używana w różnych rodzajach systemów grzewczych, w tym w systemach ogrzewania olejowego, gazowego lub elektrycznego, oraz do izolacji przewodów grzewczych i innych elementów instalacji centralnego ogrzewania.
Pianka poliuretanowa ma zdolność do szybkiego odprowadzania wilgoci, ma wysoką wytrzymałość mechaniczną i odporność chemiczną, jest niepalna, łatwa w montażu i można ją łatwo dopasować do różnych kształtów i rozmiarów instalacji. Pianka może być stosowana jako warstwa izolacyjna w rurach grzewczych, zbiornikach ciepłej wody użytkowej i innych instalacjach grzewczych.
Pianka polistyrenowa jest lekka, elastyczna, odporna na wilgoć, a także łatwa w montażu. Może być używana np. do izolacji rur, osłon termicznych, mostków termicznych.
Powrót do spisu treściPowrót do spisu treści
Oznaczenia i symbole graficzne w dokumentacjach projektowych źródeł ciepła (wg normy: PN‑EN 806‑1:2004)







Powrót do spisu treściPowrót do spisu treści
Metody weryfikacji poprawności wykonania i odbioru urządzeń instalacji grzewczej
Do metod weryfikacji zaliczyć można kontrolę zgodności ze standardami. Przeprowadza się ją w celu upewnienia się, że urządzenie jest bezpieczne, wydajne i wykonane zgodne z projektem. Kontrola zgodności wymaga dokładnego sprawdzenia wszystkich elementów instalacji centralnego ogrzewania, takich jak: urządzenia grzewcze, elementy instalacji, elementy sterujące, okablowanie, armatura, elementy wydechowe, wyposażenie pomieszczeń itp. Kontrola powinna również obejmować analizę danych technicznych i eksploatacyjnych oraz sprawdzenie poprawności działania urządzeń grzewczych. W przypadku bardziej zaawansowanych systemów grzewczych może być również konieczne wyregulowanie ustawień regulatorów temperatury i ciśnienia. Weryfikacja powinna również obejmować wizualną kontrolę elementów grzewczych, w tym kontrolę stanu izolacji, przewodów, komponentów i części. Powinny być sprawdzone i ocenione wszystkie instalacje i elementy, w tym: czujniki temperatury, termostaty, pompy, zawory, systemy kontroli, systemy kontroli ciśnienia i wszelkie inne elementy układu.
Kontrola jakości wykonania polega na sprawdzeniu, czy wszystkie elementy źródła ciepła (takie jak izolacja, wentylatory, systemy grzewcze itp.) są prawidłowo zamontowane i działają zgodnie z zaleceniami producenta. Należy sprawdzić wszystkie przewody, wentylatory, zbiorniki i akcesoria, upewniając się, że są one zamontowane zgodnie z instrukcją producenta. Kolejnym krokiem jest dokładna kontrola jakości pracy systemu grzewczego oraz weryfikacja, czy wszystkie elementy systemu są właściwie zamontowane, układ działa płynnie i nie ma jakichkolwiek wycieków. Kontrola jakości obejmuje również sprawdzenie, czy wszystkie elementy są odpowiednio zabezpieczone, system jest właściwie zabezpieczony przed szkodliwymi czynnikami zewnętrznymi i uszkodzeniami mechanicznymi. Po wykonaniu wszystkich kontroli jakości można przejść do oceny systemu i oceny jego wydajności. W tym celu można wykorzystać kilka narzędzi, takich jak:
1) Pomiar temperatury (weryfikacja, czy system grzewczy jest w stanie osiągnąć i utrzymać określone temperatury w pomieszczeniach).
2) Testy wydajności (sprawdzenie, jak system grzewczy radzi sobie z określonymi warunkami pogodowymi).
3) Testy wytrzymałości (sprawdzenie, czy system grzewczy jest w stanie wytrzymać ekstremalne warunki pogodowe).
4) Testy szczelności (w celu upewnienia się, że wszystkie części i połączenia są szczelne).
5) Testy ciśnienia.
Kontrola wizualna to przegląd instalacji pod kątem oceny stanu technicznego i bezpieczeństwa, weryfikacja poprawności montażu i zgodności z zaleceniami producenta. Kontrola wizualna może obejmować sprawdzenie elementów instalacji grzewczej, takich jak: rury, grzejniki, pokrywy grzejników, termostaty i filtry, stan izolacji, układu wentylacji, poziomu ciśnienia wody, stan instalacji grzewczej, stan przewodów ciepłowniczych, wymienników ciepła, pomp, zaworów, czujników, termostatów, urządzeń kontrolnych, zbiorników itp. Ponadto powinny być przeprowadzone testy elektryczne, w tym ocena mocy, napięcia, prądu, impedancji oraz napięcia znamionowego i częstotliwości układu. Kontrola ta obejmuje również sprawdzenie wszelkich połączeń, w tym połączeń przewodów, złączek, zacisków i innych elementów, aby upewnić się, że są one właściwie dokręcone i nie ma żadnych widocznych oznak uszkodzenia. Kontrola wizualna to również sprawdzenie wszystkich układów grzewczych pod kątem ich utrzymania. Powinno się ponadto sprawdzić, czy instalacja jest właściwie zamontowana oraz czy jest wzbogacona o wszystkie niezbędne elementy zabezpieczające, kontrolki oraz odpowiednie zabezpieczenia przeciwporażeniowe, czy nie ma wykrywalnych przecieków, a wszystkie układy są wystarczająco wentylowane. Kontroluje się także odizolowanie elementów, sprawdza, czy istnieje odpowiednia ilość odpowiedniego ciśnienia oraz weryfikuje szczelności instalacji i połączeń, poprawność montażu elementów, zaworów bezpieczeństwa, czujników temperatury.
Sprawdzenie wydajności to wykonanie pomiarów wydajności źródła ciepła w celu weryfikacji jego działania, określenia sprawności, zużycia energii i emisji zanieczyszczeń. Aby sprawdzić wydajność układu grzewczego, należy wykonać szereg testów i pomiarów. Przede wszystkim należy zmierzyć temperaturę zasilania i powrotu ciepła w układzie, a także zmierzyć ilość podawanego ciepła do układu. W przypadku układu grzewczego opartego na paliwie stałym wykonuje się pomiar temperatury spalin i sprawdza sprawność układu. Aby upewnić się, że system działa wydajnie, należy również zweryfikować, czy nastawy systemu odpowiadają warunkom pracy i czy nie ma żadnych nieprawidłowości w przepływie. W przypadku układów opartych na paliwach ciekłych lub gazowych wykonuje się pomiar ciśnienia oraz sprawdza zawory, aby upewnić się, że przepływ jest prawidłowy; ponadto wyklucza się inne usterki. Wydajność układu kontrolowana jest poprzez określenie jego mocy grzewczej i sprawdzenie, czy jest ona odpowiednia do potrzeb ogrzewanego budynku. Należy również sprawdzić, czy układ jest wyposażony w odpowiednie termostaty i czujniki, aby zapewnić optymalną temperaturę w pomieszczeniach. Należy również zwracać uwagę na wskaźniki wydajności dla różnych układów grzewczych. Określają one, jak efektywnie działa system grzewczy. Najczęściej stosowane wskaźniki wydajności w układach grzewczych to:
1) Współczynnik efektywności energetycznej (SEER): określa, jak efektywnie system chłodniczy wykorzystuje energię do chłodzenia pomieszczeń.
2) Współczynnik sprawności cieplnej (COP): określa, jak efektywnie system grzewczy wykorzystuje energię do ogrzewania. Współczynnik COP wyraża się w postaci stosunku energii dostarczonej do systemu grzewczego do energii potrzebnej do jej wytworzenia. Im wyższy współczynnik COP, tym bardziej efektywny jest system.
3) Przepływ ciepła: odnosi się do przepływu ciepła między dwoma punktami w układzie grzewczym. W miarę zwiększania przepływu ciepła zmniejsza się sprawność cieplna układu grzewczego.
4) Wykorzystanie energii: określa, jak skutecznie system grzewczy wykorzystuje energię do ogrzewania. Wykorzystanie energii jest istotnym czynnikiem w określaniu skuteczności układu grzewczego. Efektywność wykorzystania energii można określić, porównując ilość energii, która jest dostarczana do systemu, z ilością energii, która zostanie wykorzystana do ogrzewania pomieszczeń. Im wyższa efektywność wykorzystania energii, tym lepiej działa system grzewczy.
Badanie techniczne to ocena stanu technicznego, weryfikacja poprawności działania urządzeń, sprawdzenie poziomu gazu, ciśnienia i temperatury.
Przegląd powinien obejmować:
1) Sprawdzenie instalacji, w tym przewodów, zaworów, systemów kontroli temperatury i innych elementów układu.
2) Ocenę stanu urządzenia grzewczego, w tym jego efektywności, komponentów i stanu wykonania.
3) Sprawdzenie kotła, w tym stanu palników, kontroli spalin i innych elementów.
4) Sprawdzenie jakości i stanu powietrza wentylacyjnego.
5) Sprawdzenie stanu pomp i filtrów.
6) Przegląd instalacji kontroli temperatury, w tym czujników i termostatów.
7) Ocenę stanu izolacji oraz efektywności energetycznej układów grzewczych polegającą m.in. na:
- sprawdzeniu stanu zbiorników wody i instalacji ciepłowniczych w celu upewnienia się, że są one w dobrym stanie i odpowiednio izolowane;
- sprawdzeniu stanu i częstotliwości konserwacji kotłów i innych elementów grzewczych;
- sprawdzeniu, czy istnieją jakiekolwiek nieszczelności w systemach grzewczych i wymiana uszkodzonych elementów;
- sprawdzeniu, czy termostaty są odpowiednio ustawione i działają poprawnie;
- ocenie wydajności układu grzewczego, w tym sprawdzeniu jego instalacji, sprawności i bezpieczeństwa;
- sprawdzeniu ciśnienia wody w instalacji grzewczej;
- sprawdzeniu stanu i działania regulatorów temperatury i innych urządzeń sterujących;
- sprawdzeniu stanu i działania kotłów, kolektorów słonecznych, pomp, zaworów, rur i innych urządzeń grzewczych;
- ocenie stanu i działania instalacji elektrycznych w układzie grzewczym;
- pomiarze i kontroli temperatury;
- sprawdzeniu szczelności instalacji i strat ciepła.
Powrót do spisu treściPowrót do spisu treści
Przekazanie urządzeń do eksploatacji
Urządzenia przekazane do eksploatacji powinny być sprawne technicznie, bezpieczne, wolne od wad, wyposażone w odpowiednie części zamienne, właściwie oznakowane, posiadające odpowiednie certyfikaty i atesty, instrukcję obsługi i konserwacji, a także zabezpieczenia przed wyciekiem cieczy, gazów lub innych substancji szkodliwych. Przekazanie powinno odbywać się na podstawie pisemnej umowy zawierającej informacje dotyczące jakości i stanu urządzenia oraz odnotowywane w dokumentacji technicznej. Pracownicy przekazujący powinni zapewnić wsparcie techniczne dla użytkownika.
Aby przekazać układy grzewcze do eksploatacji, należy wykonać następujące czynności:
1) Weryfikacja poprawności instalacji, w tym połączeń, przewodów, wentylatorów, zaworów, itp. Sprawdzenie, czy wszystkie części są prawidłowo zamontowane i czy wszystkie elementy są w dobrym stanie i właściwie zabezpieczone.
2) Przeprowadzenie szczegółowej kontroli bezpieczeństwa, w tym sprawdzenie wszystkich systemów i urządzeń. Upewnienie się, że wszystkie systemy są zgodne z obowiązującymi przepisami bezpieczeństwa.
3) Sprawdzenie, czy wszystkie elementy układu grzewczego są właściwie zamontowane i przymocowane. Upewnienie się, że wszystkie elementy są sprawne i w pełni funkcjonalne.
4) Weryfikacja, że układ grzewczy jest odpowiednio zasilany i jego instalacja jest wykonana zgodnie ze wszystkimi wymogami technicznymi.
5) Sprawdzenie stanu technicznego instalacji.
Powrót do spisu treściPowrót do spisu treści
Zasady prawidłowej eksploatacji urządzeń
Przed włączenie urządzenia należy sprawdzić, czy jest ono właściwie zamontowane, bezpieczne i czy wszystkie elementy są w pełni sprawne. Należy używać go wyłącznie w celach, do których jest przeznaczone. Nie powinno przekraczać się maksymalnego poziomu temperatury ustawionego przez producenta. Zabronione jest blokowanie wentylatora lub innych elementów wentylacyjnych. Należy regularnie czyścić części ruchome i filtry, a także przeprowadzać okresowe przeglądy techniczne, aby upewnić się, że urządzenie działa prawidłowo. Wskazane jest używanie odpowiednich paliw lub energii, które zapewnią wydajną eksploatację urządzenia. Należy stosować się do instrukcji producenta dotyczących użytkowania urządzenia, w tym dotyczących używania wyłącznie zalecanych części zamiennych.
By instalacja grzewcza działała właściwie, należy regularnie przeprowadzać jej przegląd. Najlepszym momentem jest okres letni, czyli czas kiedy zakończy się już sezon grzewczy.
Kontroli należy poddać zarówno źródło ciepła, jak i system przewodów z armaturą regulującą i odcinającą oraz grzejniki z zaworami. Należy pamiętać również o sprawdzeniu stanu zaworów i filtrów.
Kocioł gazowy musi być raz do roku sprawdzony przez uprawnionego serwisanta. Podobnie jest w przypadku pompy ciepła.
Pod stałą kontrolą powinny być pompy obiegowe i cyrkulacyjne, które odpowiadają za utrzymanie właściwego ciśnienia w instalacji. Spadek ciśnienia dyspozycyjnego możemy odczytać z manometrów umieszczonych na zasilaniu i powrocie. Jest to sygnał, że filtry mogą być zanieczyszczone.

Warto również kontrolować kondycję przewodów instalacji. Można to zrobić przez upuszczenie wody i ocenę jej stanu. Gdy jest w miarę czysta, oznacza to, że instalacja wolna jest od korozji wewnętrznej. Gdy jednak widoczne są czarne kłaczki, to w instalacji obecne są chlorki i siarczany, co jest znakiem korozji. W takim wypadku konieczne jest zastosowanie odpowiedniego inhibitora, który zabezpieczy instalację przed dalszą korozją.
Podczas eksploatacji instalacji cieplnej należy pamiętać, iż nigdy nie można spuszczać z niej wody, trzeba także systematycznie kontrolować odpowietrzacze, by woda nie ulegała napowietrzeniu, co mogłoby wpłynąć na powstanie korozji.
Innymi elementami instalacji, które powinny być pod kontrolą są:
· podpionowe zawory regulacyjne odpowiedzialne za utrzymanie stałego poziomu przepływu wody oraz ciśnienia;
· zawór automatycznego dopuszczania wody do zładu centralnego ogrzewania;
· zawory bezpieczeństwa zapobiegające wzrostowi ciśnienia ponad dopuszczalne wartości;
· grzejniki – należy skontrolować, czy nie są zapowietrzone i czy trzpień zaworu działa właściwie.
Podczas kontrolowania instalacji należy mieć na uwadze, iż działanie w jednym punkcie konsekwentnie pociąga za sobą zmiany w innych elementach układu grzewczego, dlatego większe ingerencje powinny być poprzedzone stosownymi obliczeniami.
Powrót do spisu treściPowrót do spisu treści
Zasady modernizacji, rozbudowy i remontów urządzeń
Modernizacja, rozbudowa i remont urządzeń powinien być wykonywany przez wykwalifikowaną osobę.
Modernizacja urządzeń źródeł ciepła polega na wymianie części lub całych urządzeń na bardziej wydajne, nowoczesne modele. Prowadzi to nie tylko do ograniczenia kosztów eksploatacji, ale oznacza również poprawę bezpieczeństwa użytkowania i ogranicza emisję szkodliwych substancji do atmosfery. Ważne jest, aby wymienione urządzenia miały odpowiednie certyfikaty i umożliwiały przestrzeganie przepisów dotyczących bezpieczeństwa. Modernizacja może obejmować: wymianę kotłów grzewczych, instalację nowych urządzeń kontroli temperatury, zainstalowanie systemów automatyki grzewczej i zastosowanie rozwiązań inteligentnych, które pozwalają na oszczędne wykorzystanie energii i zużycie mniejszej ilości paliwa, wymianę starego kotła na nowy, bardziej energooszczędny model, zastosowanie nowoczesnych technologii, takich jak pompy ciepła lub systemy fotowoltaiczne, wymianę starych termometrów na modele cyfrowe.
Prace związane z rozbudową urządzeń źródeł ciepła muszą być wykonywane przez uprawnionego instalatora. Powinien on, przed rozbudową urządzenia źródła ciepła, zweryfikować i zaakceptować wszystkie wymagane przepisy dotyczące bezpieczeństwa i ochrony środowiska. Konieczne jest upewnienie się, że urządzenie jest w dobrym stanie technicznym, wyposażone w odpowiednie części i akcesoria, a istniejące instalacje są odpowiednio dopasowane do nowych rozwiązań. Rozbudowa układów grzewczych inicjowana jest zdiagnozowaniem obecnych systemów i określeniem, w jaki sposób można je rozszerzyć. Jeśli układy są stare i niesprawne, może to oznaczać konieczność instalacji większej liczby grzejników, zastosowanie systemu ogrzewania podłogowego lub wymianę istniejących urządzeń grzewczych na bardziej zaawansowane technologicznie modele.
Przed rozpoczęciem prac remontowych należy dokładnie zapoznać się z instrukcją obsługi urządzenia źródła ciepła oraz wykonać przegląd techniczny urządzenia źródła ciepła. Osoba wykonująca remont zobligowana jest do przestrzegania procedur wymienionych w instrukcji obsługi urządzenia, wszystkich obowiązujących norm i przepisów dot. bezpieczeństwa. Po wykonaniu remontu należy dokładnie sprawdzić działanie urządzenia.
Jakie kroki należy podjąć, aby remont zakończył się sukcesem?
1) Przed rozpoczęciem prac remontowych w układzie grzewczym należy upewnić się, że wszystkie źródła energii są odłączone i zabezpieczone przed ponownym załączeniem.
2) Rozebranie układu, aby móc dokładnie sprawdzić wszystkie elementy.
3) Sprawdzenie stanu wszystkich części oraz zlokalizowanie uszkodzeń.
4) Wymiana wszystkich uszkodzonych lub zużytych części.
5) Upewnienie się, że wybrane części są odpowiednie do modelu układu grzewczego.
6) Zamontowanie nowych części.
7) Przywrócenie wszystkich połączeń elektrycznych i rurowych.
8) Dokonanie przeglądu systemu i wymiany filtrów.
9) Kontrola ciśnienia i temperatury wody.
10) Test układu grzewczego, upewnienie się, że wszystkie jego części działają prawidłowo.
Metody usuwania awarii
Jedną z najważniejszych metod usuwania awarii urządzeń źródeł ciepła jest przegląd i konserwacja. Obejmuje ona regularne czyszczenie, sprawdzanie i kontrolowanie połączeń, sprawdzanie szczelności, wymianę uszkodzonych części. Do innych metod zaliczyć możemy: usunięcie wszelkich nieszczelności, regulację termostatu, wymianę filtrów, regulację wentylatora, konserwację wymiennika ciepła, wymianę zaworów, czujników temperatury, przewodów elektrycznych, grzałek, elementów sterujących.
Połączenia źródeł ciepła można sprawdzić przy użyciu specjalnego urządzenia do diagnostyki sieciowej. Urządzenie to zazwyczaj składa się z termometru, czujnika ciśnienia i czujnika prądu (pomiar temperatury, ciśnienia i prądu). Za pomocą wyników z tych pomiarów, wykonywanych w wybranych punktach połączenia, można ocenić, czy połączenia źródeł ciepła nie są obarczone błędami. W celu uzyskania precyzyjniejszych wyników można również sprawdzić poziom szczelności połączenia, wykonując odpowiednie testy.
Kontrola połączeń źródeł ciepła może obejmować sprawdzenie szczelności i izolacji np. pieców, kotłów, grzejników, kolektorów słonecznych i innych urządzeń. Jeśli są one nieszczelne lub nieizolowane, mogą powodować straty energii i zwiększać koszty ogrzewania. Sprawdza się również, czy wszystkie systemy zostały skonfigurowane i działają prawidłowo. Należy również zwrócić uwagę na to, czy wszystkie połączenia są wykonane prawidłowo, zgodnie z zaleceniami producenta źródła ciepła, i czy nie ma żadnych wycieków. Powinno się również upewnić, że rury są odpowiednio zabezpieczone przed wilgocią i chronione przed uszkodzeniem mechanicznym.
Kontrola szczelności źródła ciepła jest ważnym elementem utrzymania źródła ciepła w dobrym stanie. Aby to zrobić, należy wykonać następujące kroki:
1) Sprawdzenie źródła ciepła pod kątem widocznych uszkodzeń lub nieszczelności.
2) Sprawdzenie rur i uszczelek wokół źródła ciepła. Upewnienie się, że wszystkie uszczelki są szczelne i nie ma żadnych dziur.
3) Sprawdzenie, czy są jakieś wycieki poza źródłem ciepła. Jeśli tak, należy znaleźć konkretne źródło tego wycieku i uszczelnić go.
4) Sprawdzenie, czy źródło ciepła jest właściwie zainstalowane i czy nie ma żadnych luzów lub nieprawidłowości.
5) Sprawdzenie, czy wentylacja jest właściwie zamontowana i czy nie ma żadnych nieprawidłowości.
6) Zbadanie, czy źródło ciepła jest czyste i szczelne.
Wymiana części źródła ciepła (na oryginalne producenta) jest konieczna, jeśli jest ono uszkodzone. Najczęściej wymieniane części obejmują wymienniki ciepła, wiatraki, palniki, tłoki, pompy ciepła, konwertery, termopary, czujniki i sterowniki, wykrywacze gazu, elementy grzewcze, wymienniki ciepła, termostaty i komponenty instalacji, płyty grzewcze, termostaty, wentylatory, pompy ciepła, filtry, kotły. Wymiana części źródła ciepła zależy od jego rodzaju i modelu. W niektórych przypadkach może być konieczne wymienienie całego źródła ciepła, ponieważ uszkodzone części są niedostępne lub są zbyt drogie
Wymiana części krok po kroku:
Dokonanie dokładnej inspekcji źródła ciepła.
Jeśli uszkodzona część jest podzespołem elektrycznym, technik powinien upewnić się, że wszystkie bezpieczniki są w dobrym stanie i dobrze dobrane do źródła ciepła.
Po wymianie części źródła ciepła skontrolowanie układu systemu grzewczego, aby upewnić się, że części zostały prawidłowo zamontowane.
Sprawdzenie, czy system działa właściwie i czy wszystkie przewody są prawidłowo połączone.
Po wszystkich kontrolach i sprawdzeniach włączenie systemu i upewnienie się, że jest on prawidłowo działający.
W niektórych przypadkach może być wymagana regulacja systemu.
Nieszczelności w źródłach ciepła można usunąć poprzez wykonanie szeregu czynności:
Dokładne przeanalizowanie systemu i zlokalizowanie wszystkich punktów wycieku.
Po zlokalizowaniu wycieków usunięcie wszystkich uszkodzonych lub zużytych części i zastąpienie je nowymi.
Zastosowanie odpowiednich uszczelnień, aby zapobiec wyciekom w przyszłości.
Zamontowanie nowego systemu ocieplenia (z wełny mineralnej, styropianu, korka lub pianki poliuretanowej; nowe uszczelki wokół okien i drzwi; szczelne okna i drzwi).
Regulacja termostatu źródeł ciepła w domu może pomóc w zmniejszeniu zużycia energii i obniżeniu rachunków za ogrzewanie. Przy użyciu termostatu można łatwo regulować temperaturę w pomieszczeniu, umożliwiając częściowe lub całkowite wyłączenie źródła ciepła, jeśli temperatura osiągnie zadaną wartość. W okresie letnim temperatura powinna być ustawiona na nieco wyższą niż w okresie zimowym, aby zapobiec nadmiernemu wychładzaniu pomieszczeń. W okresie zimowym temperatura powinna być ustawiona na temperaturę wyższą niż temperatura w pomieszczeniu, aby utrzymać odpowiedni poziom ciepła. Wymiana filtrów w źródłach ciepła jest bardzo ważna w celu zapewnienia bezpieczeństwa użytkowania i zapobiegnięcia uszkodzeniom. Jakie czynności należy wykonać?
1) Odłączenie źródła ciepła od zasilania.
2) Wyjęcie zużytego filtra i wyrzucenie go zgodnie z przepisami.
3) Zainstalowanie nowego filtra, upewniwszy się uprzednio, że pasuje on do źródła ciepła.
4) Uruchomienie źródła ciepła i sprawdzenie, czy działa prawidłowo.
5) Sprawdzenie, czy filtr jest prawidłowo zamontowany.
6) Regularne sprawdzenie stanu filtra i wymiana go, gdy jest to konieczne.
Sterowanie prędkością obrotową silnika wentylatora może być wykonane za pomocą mostka tranzystorowego lub regulatora obrotów silnika. Jeśli źródło ciepła ma termostat, również i on może służyć do regulowania prędkości obrotowej wentylatora. W przypadku wentylatora wentylacyjnego regulacja może być wykonana poprzez zmianę kąta i długości łopatek, aby zmienić prędkość powietrza wydmuchiwanego przez wentylator.
Wymiennik źródła ciepła powinien być regularnie sprawdzany i czyszczony; dzięki temu istnieje możliwość blokowania przepływu powietrza. Powinno się także sprawdzać, czy nie jest uszkodzony lub nie ma oznak korozji. Jeśli takowe występują, należy skontaktować się z profesjonalnym serwisem w celu naprawy lub wymiany wymiennika ciepła.
Zawory źródła ciepła służą do regulacji temperatury w zestawie grzewczym, a ich wymiana może być konieczna w wyniku zużycia, uszkodzenia lub awarii.
Wymiana zaworów krok po kroku:
Odłączenie przewodów doprowadzających do zaworu, odkręcenie go z rury lub kotła.
Zamontowanie nowego zaworu. Należy upewnić się, że nowy zawór jest odpowiednio dobrany do instalacji i ma wszystkie niezbędne cechy, aby zapewnić bezpieczeństwo i skuteczną pracę.
Zamontowanie przewodów i sprawdzenie, czy wszystkie połączenia są właściwie zaizolowane.
Jeśli czujnik temperatury jest uszkodzony lub nie działa właściwie, może to prowadzić do nieskutecznego działania całego systemu poprzez zwiększenie zużycia energii i zmniejszenie wydajności źródła ciepła. Wymiana czujników temperatury powinna odbywać się według instrukcji dołączonej do produktu.
Wymiana czujników krok po kroku:
Przed wymianą czujników temperatury należy sprawdzić, czy istnieje wyraźny wyciek, złe wyłączanie lub zawieszanie się systemu. Jeśli tak, należy sprawdzić pozostałe elementy systemu, aby upewnić się, że nie ma innych usterek.
Gdy czujniki są gotowe do wymiany, należy wyłączyć zasilanie i odłączyć je od źródła ciepła.
Demontaż starych czujniki i wymiana ich na nowe.
Podłączenie czujników i zasilania źródła ciepła.
Przewody powinny być odpowiednio zabezpieczone i wyposażone w wyłączniki różnicowo‑prądowe i bezpieczniki, dopasowane do rodzaju i mocy źródła ciepła, a także dobrane zgodnie z wymaganiami producenta źródła ciepła.
Wymiana grzałek źródeł ciepła może być konieczna w przypadku uszkodzenia lub zużycia grzałek bądź wówczas, gdy zmieniły się parametry systemu ciepłowniczego, np. po zamontowaniu nowego urządzenia grzewczego lub wymianie instalacji.
Wymiana grzałek:
Odłączenie źródła ciepła od zasilania.
Wykręcenie śrub (klipsow) trzymających grzałkę i wyjęcie ich z obudowy.
Po demontażu grzałki zainstalowanie nowej i upewnienie się, że jest dobrze zamontowana.
Podłączenie źródła ciepła do zasilania i sprawdzenie, czy działa prawidłowo.
Wymiana elementów sterujących źródeł ciepła może być wykonana przez wykwalifikowanego technika lub przez samodzielnego użytkownika, jeśli posiada on odpowiednie umiejętności. Proces wymiany różni się w zależności od modelu źródła ciepła, ale zawsze wymaga on wyjęcia starego elementu sterującego, odłączenia przewodów elektrycznych, podłączenia nowego elementu i zamontowania go. Należy używać zalecanych części zamiennych, aby zapobiec uszkodzeniu urządzenia.
Powrót do spisu treściPowrót do spisu treści
Zagrożenia wynikające z nieprawidłowej eksploatacji i awarii urządzeń
Zagrożenia, jakie wynikają z nieprawidłowej eksploatacji i awarii urządzeń, to:
- możliwość zaczadzenia;
- urazy mechaniczne, poparzenia,
- ryzyko pożaru,
- zanieczyszczenie powietrza,
- zanieczyszczenie wód,
- skażenie gleby.
Powrót do spisu treściPowrót do spisu treści
Akty prawne:
Ustawa z dnia 7 lipca 1994 r. Prawo budowlane (Dz.U. z 2022 r. poz. 2687).
Rozporządzenie Ministra Rozwoju i Technologii z dnia 31 stycznia 2022 r. zmieniające rozporządzenie w sprawie warunków technicznych, jakim powinny odpowiadać budynki i ich usytuowanie (Dz.U. 2022 poz. 248).
Obwieszczenie Ministra Rozwoju i Technologii z dnia 15 kwietnia 2022 r. w sprawie ogłoszenia jednolitego tekstu rozporządzenia Ministra Infrastruktury w sprawie warunków technicznych, jakim powinny odpowiadać budynki i ich usytuowanie (Dz.U. 2022 poz. 1225).
Dyrektywa Parlamentu Europejskiego i Rady 2009/125/WE z dnia 21 października 2009 r. ustanawiająca ogólne zasady ustalania wymogów dotyczących ekoprojektu dla produktów związanych z energią zwana Dyrektywą ErP (Energy related Products- produkty związane z energią).
Dyrektywa Parlamentu Europejskiego i Rady 2012/27/UE z dnia 25 października 2012 r. w sprawie efektywności energetycznej, zmiany dyrektyw 2009/125/WE i 2010/30/UE oraz uchylenia dyrektyw 2004/8/WE i 2006/32/WE Tekst mający znaczenie dla EOG.
Decyzja Komisji z dnia 1 marca 2013 r. ustanawiająca wytyczne dla państw członkowskich dotyczące obliczania energii odnawialnej z pomp ciepła w odniesieniu do różnych technologii pomp ciepła na podstawie art. 5 dyrektywy Parlamentu Europejskiego i Rady 2009/28/WE (notyfikowana jako dokument nr C(2013) 1082).
Linki do miejsc skąd można pobrać dane:
https://platformazakupowa.pl/file/get_new/6f4c73ac0c321378bf80666fdf44ef2a.pdf - Plik PDF o rozmiarze 1,55 MB w języku polskim
https://kosztorysuj.pl/produkty/baza-katalogowa-knr/
http://gminaolesno.pl/files/pliki/aktualnosci/2020/OZE/Harmonogram%20rzeczowo%20finansowy%20-%20Pompy%20ciepla.pdf - Plik PDF o rozmiarze 154 KB w języku polskim
https://remiz.com.pl/spis-katalogow-kosztorysowych.htm
https://www.panasonicproclub.com/uploads/PL/certifications/Poradniki/Materialy%20pomocnicze%20do%20doboru%20pomp%20ciepla%202021.pdf - Plik PDF o rozmiarze 3,69 MB w języku polskim
https://halamus.pl/files/Zasady-doboru-pomp-ciep-a-Panasonic-Halamus-serwis-Pozna-.pdf - Plik PDF o rozmiarze 5,08 MB w języku polskim
https://www.viessmann.edu.pl/wp-content/uploads/T_3__KwB__Normowanie_w_kosztorysowaniu.pdf - Plik PDF o rozmiarze 521 KB w języku polskim
https://budujemydom.pl/cozaile/kosztorysy/instalacje/instalacje-grzewcze
https://www.gov.pl/attachment/3ddb07af-cada-40d2-94e7-8f905762c7e9
Bibliografia
Wydawnictwa zwarte:
Batoszek M., Źródła ciepła i termoizolacja budynku mieszkalnego, KaBe, Krosno 2019.
Foit H., Indywidualne, konwencjonalne źródła ciepła, Wydawnictwo Poltechniki Śląskiej, Gliwice 2011.
Foit H., Jednoczesne wyznaczanie najkorzystniejszej ochrony cieplnej i źródła ciepła dla budynku mieszkalnego, Wydawnictwo Politechniki Śląskiej, Gliwice 2003.
Foit H., Optymalizacja ochrony cieplnej budynku mieszkalnego, instalacji i źródła ciepła, Wydawnictwo Politechniki Śląskiej, Gliwice 2006.
Guzik J., Instalacje Centralnego Ogrzewania, KaBe, Krosno 2015.
Mizielińska K., Olszak J., Gazowe i olejowe źródła ciepła małej mocy, Oficyna Wydawnicza Politechniki Warszawskiej, Warszawa 2011.
Mizielińska K., Olszak J., Parowe źródła ciepła, Wydawnictwo Naukowe PWN, Warszawa 2019.
Pisarev V., Alternatywne źródła energii: instalacje z pompami ciepła, Oficyna Wydawnicza Politechniki Rzeszowskiej, Rzeszów 2012.
Rajchel B., Klimczak R., Wykorzystanie pompy ciepła w domu jednorodzinnym jako systemu przyjaznego środowisku przyrodniczemu, Oficyna Wydawnicza Politechniki Rzeszowskiej, Rzeszów 2019.
Strzelczyk F., Energetyka geotermalna i pompy ciepła, Wydawnictwo Politechniki Świętokrzyskiej, Kielce 2017.
Tytko R. (red.), Odnawialne źródła energii: wybrane przykłady instalacji grzewczych w budownictwie mieszkaniowym z wykorzystaniem kolektorów słonecznych, pomp ciepła i turbokominków: podręcznik dla uczniów i słuchaczy kształcących się w zawodzie technik elektryk, Dimikor, Kraków 2006.
Warunki techniczne wykonania i odbioru kotłowni na paliwa gazowe i olejowe, wyd. 2, PKTSGGiK, Warszawa 2000.
Wytyczne projektowania wykonania i odbioru instalacji z Pompami ciepła Port PC (osiem części), Polska Organizacja Rozwoju Technologii Pomp Ciepła PORT PC, Kraków 2000.
Żarski K., Projektowanie kotłowni wodnych, Grupa Medium, Warszawa 2014.
Wydawnictwa ciągłe:
Drozd W., Wybrane technologie energetyczne konwersji odnawialnych źródeł energii, „BUILDER” 2020, Vol. 273 (4).
Gużda A., Szmolke N., Powietrzne pompy ciepła do ciepłej wody użytkowej z wbudowanym zasobnikiem wodnym, „Czasopismo Inżynierii Lądowej, Środowiska i Architektury”, Rzeszów 2016.
Latko A., Kandyba A., Kalina J., Projekt demonstracyjny źródła ciepła i energii elektrycznej dla kompleksu budynków, cz. 1, „Zeszyty Naukowe. Elektryka”, Politechnika Śląska, Gliwice 2006, nr 1709.
Latko A., Kandyba A., Kalina J., Projekt demonstracyjny źródła ciepła i energii elektrycznej dla kompleksu budynków, cz. 2, „Zeszyty Naukowe. Elektryka”, Politechnika Śląska, Gliwice 2006, nr 1709.
Nycz W., Goleman R., Ekonomiczne i praktyczne aspekty wykorzystania pomp ciepła z odzyskiem powietrza, „Informatics Control Measrement in Economy and Environment Protection” 2017, Vol.7 (3).
Obstawski P., Chaberski M., Analiza techniczno‑ekonomiczna zastosowania gruntowej i powietrznej pompy ciepła w budynku jednorodzinnym - studium przypadku, „Czasopismo Inżynierii Lądowej, Środowiska i Architektury”, Rzeszów 2016.
Owczarek M., Radzikowska‑Juś W., Analiza kosztów inwestycji i eksploatacji hybrydowych źródeł energii dla budynku w technologii tradycyjnej w zależności od jego skali, „Mazowsze”, Warszawa 2016, Vol. 2016 (19).


