E‑book – Instalacje działające w oparciu o odnawialne źródła energii
E‑BOOK Instalacje działające w oparciu o odnawialne źródła energii

Spis treści
Najważniejsze pojęcia, jednostki i symboleNajważniejsze pojęcia, jednostki i symbole
Zasada działania pompy ciepłaZasada działania pompy ciepła
Rodzaje pomp ciepłaRodzaje pomp ciepła
Współczynnik efektywności pompy ciepła (COP)Współczynnik efektywności pompy ciepła (COP)
Budowa pompy ciepłaBudowa pompy ciepła
Nośniki ciepła/chłoduNośniki ciepła/chłodu
Substancje smarneSubstancje smarne
RegulacjaRegulacja
MontażMontaż
Instalacje sanitarne wyposażone w pompę ciepłaInstalacje sanitarne wyposażone w pompę ciepła
Zasady prawidłowej eksploatacjiZasady prawidłowej eksploatacji
Usterki podczas eksploatacji pompy ciepłaUsterki podczas eksploatacji pompy ciepła
Przykładowe projektyPrzykładowe projekty
1. Najważniejsze pojęcia i jednostki
Tabela 1. Jednostki podstawowe układu SI
Lp. | Wielkość | Jednostka miary | |
|---|---|---|---|
Nazwa | Oznaczenie | ||
1. | Długość | metr | m |
2. | Masa | kilogram | kg |
3. | Czas | sekunda | s |
4. | Prąd elektryczny | amper | A |
5. | Temperatura | kelwin | K |
6. | Liczność materii | mol | Mol |
7. | Swiatłość | kandela | cd |
Tabela 2. Wybrane jednostki pochodne
Wielkość | Jednostka miary | Przeliczanie na jednostki podstawowe | |
|---|---|---|---|
nazwa | symbol | ||
Energia | dżul | ||
Moc | wat | ||
Ciepło właściwe | dżul na kilogram i kelwin | ||
Gęstość strumienia energii | wat na metr kwadratowy | ||
Współczynnik przewodnictwa ciepła | wat na metr i kelwin | ||
Pole powierzchni | metr kwadratowy | ||
Objętość | metr sześcienny | ||
Prędkość liniowa | metr na sekundę | ||
Gęstość | kilogram na metr sześcienny | ||
Ciśnienie | newton na metr kwadratowy | ||
Natężenie oświetlenia | lux | ||
Tabela 3. Tabela przeliczeniowa
Jednostki energii | t | kWh | kcal |
|---|---|---|---|
Jednostki mocy | kJ/h | W | kcal/h |
Jednostka ciśnienia | paskal | tor | słup wody |
Jednostki długości | cal | stopa | jard |
Tabela 4. Mnożnik
Podstawa | Znak skrótowy | Znaczenie | Podstawa | Znak skrótowy | Znaczenie |
|---|---|---|---|---|---|
deka | da | decy | d | ||
hekto | h | centy | c | ||
kilo | k | mili | m | ||
mega | M | mikro | mu | ||
giga | G | nano | n | ||
tera | T | piko | p | ||
peta | P | femto | f | ||
eksa | E | atto | a |
Tabela 5. Symbole i ich znaczenie
Symbol | Znaczenie |
|---|---|
![]() | zawór odpowietrzający |
![]() | zawór odcianający |
![]() | zawór zwrotny |
![]() | pompa obiegowa |
![]() | naczynie przeponowe |
![]() | stycznik pomocniczy |
![]() | sprężarka |
![]() | manometr |
![]() | naczynie wzbiorcze |
![]() | filtr cząsteczek stałych |
![]() | zawór bezpieczeństwa |
![]() | czujnik temperatury |
![]() | zawór równoważący |
![]() | zawór przełączający/zawór trójdrogowy |
![]() | wymiennik ciepła |
Powrót do spisu treściPowrót do spisu treści
2. Zasada działania pompy ciepła
Pompy ciepła to urządzenia służące do ogrzewania budynków i przygotowywania ciepłej wody użytkowej przy wykorzystaniu ciepła zgromadzonego w środowisku naturalnym: w gruncie, wodzie lub powietrzu. Ich działanie w głównej mierze oparte jest o zasoby odnawialne i sprzyja ograniczeniu emisji CO². Do działania pomp ciepła niezbędne jest dostarczenie pewnej ilości energii elektrycznej, która służy do zasilania sprężarki i pomp obiegowych. A zatem urządzenia te nie są całkowicie bezemisyjne. Jednak wartość energii pierwotnej, jaką należy dostarczyć do budynku ogrzewanego pompą ciepła jest mniejsza w porównaniu do identycznego budynku z kotłem na paliwo stałe. Jeśli taki dom wyposażony jest dodatkowo w panele fotowoltaiczne, to współczynnik nakładu nieodnawialnej energii pierwotnej, czyli energii potrzebnej do wytworzenia i dostarczenia paliwa, może być równy zeru.
Zasada działania
Zasada pompy ciepła sprowadza się do pobrania energii z otoczenia (gdzie temperatura jest niższa) i dostarczenie jej do budynku (gdzie temperatura jest wyższa). W przypadku gruntowej pompy ciepła z wymiennikiem poziomym, może to być np. pobranie energii ze źródła o temperaturze 10°C by następnie przy jej pomocy podgrzać wodę użytkową do 50°C.
W przypadku sprężarkowych pomp ciepła jest to możliwe dzięki zachodzącym po sobie kolejno czterem procesom fizycznym: parowaniu, sprężaniu, skraplaniu i rozprężaniu.

Zmiany temperatury w tym obiegu termodynamicznym ilustruje cykl Carnota, który definiuje sprawność jako stosunek pracy wykonanej do ilości ciepła pobranego ze źródła.
Na cykl składają się następujące po sobie procesy:
Rozprężanie izotermiczne – czynnik roboczy styka się ze źródłem ciepła, ma jego temperaturę i poddawany jest rozprężaniu izotermicznemu w temperaturze TH, podczas tego cyklu ciepło jest pobierane ze źródła ciepła.
Rozprężanie adiabatyczne – czynnik roboczy nie wymienia ciepła z otoczeniem i jest rozprężany, aż czynnik roboczy uzyska temperaturę chłodnicy (TC).
Sprężanie izotermiczne – czynnik roboczy styka się z chłodnicą, ma temperaturę chłodnicy i zostaje poddany procesowi sprężania w tej temperaturze (TC). Czynnik roboczy oddaje ciepło do chłodnicy.
Sprężanie adiabatyczne – czynnik roboczy nie wymienia ciepła z otoczeniem, jest poddawany sprężaniu, aż uzyska temperaturę źródła ciepła (TH).
Powrót do spisu treściPowrót do spisu treści
3. Rodzaje pomp ciepła
Klasyfikacja pomp ze względu na rodzaj dolnego źródła ciepła:
pompy typu powietrze‑woda,
pompy typu woda‑woda,
pompy gruntowe typu glikol‑woda/etanol‑woda.
Dolne źródło pompy ciepła ma decydujący wpływ na efektywność urządzenia. Dlatego ważny jest jego optymalny wybór dla danego obiektu, z uwzględnieniem jego położenia i zapotrzebowania na ciepło. Dolne źródło powinn obyć: dostępne, mieć możliwie wysoka i stałą temperature cały rok i dużą pojemność cieplną.
Tabela 6. Porównanie dolnych źródeł ciepła
Grunt (wymiennik poziomy) | Grunt (wymiennik pionowy) | Powietrze | Woda gruntowa | |
|---|---|---|---|---|
Temperatura dolnego źródła ciepła | -2°C do 15°C | około 10°C | -20°C do 30°C | około 10°C |
Pozyskiwanie energii | 15‑50 W/m² | 20‑70 W/m² | 10Kw z V=1 m³/s | 5 kW z V=1 m³/h |
Klasyfikacja pomp ciepła ze względu na budowę:
pompy typu monoblok,
pompy typu split.
Pompy typu monoblok to urządzenia, w których jest jedna jednostka, w której znajduje się układ sprężarkowy, wymiennik, wentylator, zasobnik oraz automatyka. Przeznaczone są do montażu wewnątrz lub na zewnątrz budynku.
Pompy typu split to urządzenia składające się z dwóch jednostek. Jednostka zewnętrzna składa się ze sprężarki, wentylatora i wymiennik i połączona jest przewodami komunikacyjnymi i rurami z czynnikiem roboczym z jednostka wewnętrzną, zamontowaną np.w kotłowni.
Powrót do spisu treściPowrót do spisu treści
4. Współczynnik efektywności pompy ciepła (COP)
Współczynnik efektywności pompy ciepła COP (z ang. „Coefficient of Performance”) opisuje jej wydajność. Wyraża on stosunek użytecznej mocy cieplnej (ogrzewania) do zużytej energii elektrycznej, potrzebnej do jej wyprodukowania (konkretnie: tej, która zasiliła sprężarkę pompy). Innymi słowy, opisuje ile potrzeba dostarczyć do układu energii aby ciepło z dolnego źródła przetransportować do górnego źródła. Na rysunku poniżej schematycznie przedstawione jest urządzenie, które produkuje cztery razy więcej energii w stosunku do dostarczonej energii elektrycznej. Współczynnik wydajności równy jest 4.

Współczynnik efektywności energetycznej oblicza się dzieląc wartość energii dostarczonej (pobór mocy elektrycznej) przez wartość energii dostarczonej do sprężania (moc grzewczą).
Przykład
Pompa ciepła powietrze‑woda ma moc 8,2 kW. Moc robocza sprężarki i modułu zewnętrznego wynosi 2,1 kW
Wartości COp podawane w dokumentacji technicznej mogą się nieco różnić od tego rodzaju wyliczeń, gdyż są podawane zgodnie z normą EN14511, dla określonych wartości temperatur. Oznaczenie dla pompy solanka woda B0/W35 oznacza że współczynnik COP dotyczy solanki, która na wlocie ma temperaturę 0°C, a temperatura wody grzewczej na wylocie ma 35°C.
Powrót do spisu treściPowrót do spisu treści
5. Budowa pompy ciepła


Sprężarka
Proces sprężania jest kluczowy z punktu widzenia efektywności pompy ciepła. Sprężarka jest elementem budowy pompy, któremu urządzenie to zawdzięcza swoją nazwę. Odpowiada bowiem za tłoczenie (pompowanie) czynnika roboczego. Sprężarka zasysa czynnik chłodniczy w formie gazowej, a następnie spręża go, podnosząc jego ciśnienie z 2‑5 barów do ponad 25 barów. W efekcie tego procesu wzrasta temperatura i maleje objętość czynnika chłodniczego. Tak przygotowany czynnik roboczy trafia przewodami do jednostki wewnętrznej.
Ze względu na zasadę działania wyróżnia się sprężarki tłokowe, gdzie proces sprężania zachodzi w cylindrze w którym porusza się tłok, oraz sprężarki rotacyjne, które sprężają czynnik roboczy z udziałem elementów wirujących.


W pompach ciepła najczęściej stosuje się sprężarki:
tłokowe,
sprężarki z tłokiem wirującym,
śrubowe
spiralne typu Scroll.
Te ostatnie stosuje się najczęściej, ze względu na możliwość ich aplikacji zarówno do dużych jak i małych mocy, trwałość oraz żywotność.
Sprężarki typu Scroll zbudowane są z dwóch zachodzących na siebie spirali Archimedesa - ruchomej i nieruchomej. Spirala ruchoma porusza się ruchem mimośrodkowym, który umożliwia zasysanie, sprężanie w ograniczonej przestrzeni roboczej, a następnie tłoczenie czynnika chłodniczego. W ciągu dwóch i pół obrotu spirali czynnik zostaje sprężony i wytłoczony, a na jego miejsce płynnie pobrana zostaje kolejna porcja gazu.
W procesie tym spirale same nie pozostają w kontakcie i nie generują tarcia, dzięki czemu ich wydajność jest większa niż sprężarek tłokowych czy śrubowych.

Inwerter
Moc grzewcza pompy ciepła jest wprost proporcjonalna do liczby obrotów sprężarki. Poniewaz jednak zapotrzebowanie na energię podlega wahaniom, w budowie pomp ciepła przydatny jest element regulacji mocy w postaci inwertera (przetwornika prądu). Przekształca on prąd z sieci AC 230 V w prąd stały DC 300 V i pozwala sterować jego częstotliwością w zakresie od 20 do 120 Hz. W rezultacie pozwala też sterować liczbą obrotów sprężarki, a tym samym jej mocą.
Urządzenia, które nie posiadają w swojej budowie inwertera wyłączają się w okresach zmniejszonego zapotrzebowania na ciepło, a następnie włączają i pracują do osiągnięcia przez system grzewczy zadanych parametrów. Takie wyłączanie i włączanie sprężarki określane taktowaniem jest zjawiskiem niekorzystnym zarówno z punktu widzenia żywotności urządzenia jak i nieuchronnych wahań temperatury.
Zaletą sprężarek inwerterowych jest również stopniowy rozruch i stopniowe zwiększanie obrotów silnika. Dzięki temu urządzenia te są cichsze i bardziej energooszczędne.
Zawór rozprężny
Rolą zaworu rozprężnego jest obniżenie ciśnienia czynnika roboczego. Zawór tworzy przewężenie i zdławia przepływ czynnika. Jest to wymagane, gdyż po oddaniu ciepła do systemu grzewczego czynnik roboczy ulega skropleniu, ale nadal jego ciśnienie jest wysokie. W takim stanie nie mógłby ponownie dobierać ciepła z dolnego źródła.

Zawór reguluje ilość czynnika chłodniczego jaki trafia do parownika. Dzięki temu trafia go tam tyle, ile jest w stanie całkowicie odparować.

Zawory dostępne są również w wersji termostatycznej. Ich działanie regulowane jest przy pomocy sterownika mierzącego temperaturę na przewodach ssących. najbardziej zaawansowane są zawory elektroniczne, działające na podstawie pomiarów temperatury i ciśnienia przed sprężarką. Zawór wyposażony jest w siłownik sterowany elektronicznie, który utrzymuje stały poziom przegrzania czynnika. Pozwala to uzyskać wyższe temperatury na skraplaczu, a tym samym zwiększyć efektywność pompy ciepła.

Wymiennik ciepła
Wymiennik ciepła umożliwia oddawanie ciepła pomiędzy dwoma różnymi obiegami i czynnikami. Jego budowa różni się, w zależności od rodzaju pompy ciepła. W pompach ciepła powietrze woda wymiennik jest lamelowy, z dużą powierzchnią wymiany ciepła po stronie powietrza.

W pompach typu grunt‑woda i woda‑woda najczęściej stosuje się wymienniki płytowe. Zbudowane są one z pakietów cienkich połączonych ze sobą blach pomiędzy którymi znajdują się kanały przepływowe dla czynnika roboczego. Blachy mogą być skręcane lub lutowane. Taka budowa pozwala na wymianę energii i zapobiega mieszaniu się mediów. Im większa powierzchnia wymiennika i więcej pakietów blach, tym większa wydajność wymiany cieplnej.

Dodatkowe elementy budowy pompy ciepła
Obok sprężarki, zaworu rozprężnego i wymiennika (parownik i skraplacz), które są głównymi elementami umożliwiającymi przemiany fizyczne czynnika roboczego, w budowie pompy można wyróżnić szereg dodatkowych elementów umożliwiających pracę urządzenia. Są to:
ręczne zawory odcinające (stosowane podczas konserwacji i napraw),
zawory zwrotne,
zawory bezpieczeństwa (chroniące przed nagłym wzrostem ciśnienia),
presostat (wyłącznik niskiego i wysokiego ciśnienia),
zawory serwisowe (służące do podłączenia manometrów kontrolnych lub uzupełnienia czynnika chłodniczego),
termostat parownika,
wziernik (pozwala na kontrolę stanu czynnika chłodniczego lub poziomu oleju w sprężarce),
filtry mechaniczne,
trójdrożny zawór przełączający,
pompa obiegu grzewczego.
Zawór czterodrogowy jest elementem budowy gruntowych pomp ciepła z możliwością chłodzenia w okresie letnim. Umożliwia on zmianę trybu pracy z ogrzewania na chłodzenie. Na skutek zmiany kierunku przepływu czynnika roboczego parownik staje się skraplaczem, a zamontowany w jednostce wewnętrznej skraplacz – parownikiem.

6. Czynniki robocze
Zadaniem czynnika roboczego w pompach ciepła jest transport energii cieplnej pochodzącej z dolnego źródła ciepła (powietrze, ziemia, woda) i dostarczanie jej do wymiennika ciepła.
Czynniki chłodnicze
Czynnikami chłodniczymi w pompach ciepła są związki chemiczne o szczególnych właściwościach termodynamicznych. Wymaga się aby cechowały je:
niski punktem wrzenia,
mała objętość pary (po odparowaniu),
nietoksyczność,
niepalność,
nie wybuchowość,
możliwie niska szkodliwość dla środowiska naturalnego.
Szkodliwość dla środowiska poszczególnych czynników oznaczana jest takimi parametrami jak ODP i GWP. Potencjał niszczenia ozonu ODP (z ang. Ozone Depletion Potential) – opisuje wpływ danego czynnika na rozkładanie ozonu. Stosowane współcześnie czynniki chłodnicze zwykle mają ODP równy zero i nie mają potencjału niszczenia ozonu. Globalny potencjał ocieplenia GWP (z ang. Global Warming Potential) opisuje wpływ danego czynnika na potęgowanie efektu cieplarnianego. Współcześnie dąży się do minimalizowania wskaźnika GWP.
Wartość GWP odnosi się do dwutlenku węgla R744 i czasu, w jakim będzie on oddziaływał na środowisko, wynoszącego 100 lat.
GWP równe 2088 oznacza, że 1 kg czynnika uwolnionego do atmosfery będzie oddziaływał na środowisko jak 2088 kg COIndeks dolny 22.
Najczęściej wykorzystywane współcześnie czynniki to np. R410a, mieszanina difluorometanu i pentafluoroetanu (ODP = 0, GWP = 2340) i R32, difluorometan (ODP = 0, GWP = 675). W szczególności popularny jest ten ostatni, gdyż jest tani, o niskim stopniu palności, bezpieczny dla środowiska.
Tabela 7. Czynniki chłodnicze a ich wpływ na środowisko
Czynnik chłodniczy | Wskaźniki ekologiczne | ||
|---|---|---|---|
oznaczenia | grupa | GWP | ODP |
R 134a | HFC | 1200 | 0 |
R 407C | HFC | 1600 | 0 |
R 404A | HFC | 3260 | 0 |
R 410A | HFC | 1890 | 0 |
Norma PN‑EN 378 reguluje zagadnienia bezpieczeństwa instalacji zawierających czynniki chłodzące, w tym kwestie ewentualnych zagrożeń dla zdrowia i życia użytkowników. Innym dokumentem, z którym bezwzględnie powinien się zapoznać monter i technik i, jest Karta Charakterystyki Preparatu Chemicznego dostarczana dla każdego czynnika chłodniczego. Zawiera ona m.in. identyfikację zagrożeń, informacje o składzie, o środkach pierwszej pomocy, sposobie postępowania w przypadku pożaru i niezamierzonego uwolnienia czynnika do środowiska.
Nośniki ciepła/chłodu
Czynnikami roboczymi w pompach są ciepłe nośniki ciepła takie jak mieszanki alkoholu i czystej wody, np. glikol propylenowy. Roztwory te powszechnie wykorzystywane są w gruntowych pompach ciepła i charakteryzują się:
optymalną temperaturą krzepnięcia,
optymalną lepkością i gęstością,
antykorozyjnością,
bezpieczeństwem użytkowania.
Roztwory dostępne są w różnych wartościach stężenia (od 34 do 54% glikolu) co decyduje o temperaturze krzepnięcia nośnika (-15°C do -35°C). Dodatkowo zawierają pakiet inhibitorów, stabilizatorów, przeciwutleniaczy. Ekologiczny glikol polipropylenowy ulega biodegradacji.
Nośnikiem ciepła może być również etanol, choć ze względu na palność, wysoką lotność i brak właściwości smarnych nie jest stosowany w pompach ciepła.
Solanka to wodny roztwór soli wykorzystywany dawniej jako nośnik chłodu. Jego cechą jest temperatura krzepnięcia niższa niż punkt zamarzania wody. W technice pomp ciepła określenie “solanka” stosowane jest potocznie dla roztworów glikolu.
Powrót do spisu treściPowrót do spisu treści
7. Substancje smarne
Sprężarki umożliwiające działanie sprężarkowych pomp ciepła wymagają zastosowania substancji smarnych, zwykle w formie oleju. Jego zadaniem jest smarowanie części mechanicznych współpracujących ze sobą, odprowadzanie ciepła i uszczelnianie przestrzeni roboczej. Rodzaj stosowanego oleju ma ścisły związek z rodzajem sprężarki, zakresem temperatur i ciśnień urządzenia oraz stosowanego czynnika chłodniczego. W kontakcie z czynnikiem chłodniczym olej nie może tracić lepkości - jego głównego, najważniejszego parametru. W technice chłodniczej i klimatyzacyjnej stosuje się oleje mineralne i syntetyczne oraz półsyntetyczne.
Powrót do spisu treściPowrót do spisu treści
8. Regulacja
Regulacja mocy pompy ciepła ma szczególne znaczenie w przypadku urządzeń typu powietrze - woda, co jest z związane dużymi wahaniami temperatury w ciągu roku oraz faktem, że zapotrzebowanie na ciepło w budynku rośnie wraz ze spadkiem temperatury na zewnątrz. Jak widać na wykresie przedstawiającym charakterystykę mocy pompy ciepła, przy temperaturze -15 ℃ zapotrzebowanie na moc w budynku wynosi 8 kW. Przy tej wartości pompa nie jest w stanie dostarczyć ciepła które pokryłoby takie zapotrzebowanie. Jeśli jednak temperatura na zewnątrz wzrośnie do -2℃, niedobory mocy nie wstąpią.

W sytuacji dużych wahań temperatury regulacja mocy sprężarki pozwala uniknąć taktowania, tj. częstego załączania i wyłączania. Najczęstszym sposobem regulacji jest regulacja przez inwerter.
Rodzaje regulacji:
jakościowa (zmiany temperatury i ciśnienia czynnika chłodniczego),
ilościowa (zmiany przepływu czynnika chłodniczego).
Regulacja pompy jest bezobsługowa i odbywa się z udziałem automatyki sterującej praca systemu w oparciu o zaprogramowaną krzywą charakterystyki grzewczej, potocznie nazywaną krzywą grzewczą. Stanowi ona graficzna reprezentację wzoru matematycznego opisujacego zależności między temperaturą zasilania (czyli wody grzewczej, która trafia do grzejnika lub ogrzewania podłogowego), a temperaturą zewnętrzną.

Powrót do spisu treściPowrót do spisu treści
9. Montaż
Montaż pompy ciepła musi być poprzedzony doborem urządzenia i wyborem dolnego źródła ciepła. Montaż gruntowych i wodnych pomp ciepła poprzedzony jest wykonaniem dolnego źródła ciepła, czyli np. odwiertami pod kolektory pionowe. Montaż najbardziej popularnej w Polsce pompy powietrze‑woda typu Split wydaje się być prostszy, ale tylko pozornie. Jednostki wewnetrzna i zewnętrzna wymagają bowiem połaczenia rurami chłodniczymi, co sprawia, że jakość wykonania prac montażowych ma duże znaczenie a późniejsza prace instalacji i wydajność pompy ciepła.
Planująć montaż pompy ciepła należy:
wybrać miejsce montażu dla jednostki wewnętrznej (lub monoblok); jeśli system jest monowalentny lub nie ma w nim klasycznego kotła na paliwo stałe czy gaz, pomieszczenie w którym znajdzie się pompa ciepła nie musi posiadać komina spalinowego. Może to być pralnia, garaż, strych;
zaplanować sposób odpływu skroplin (jeśli planowana jest praca w trybie chłodzenia) i opcjonalnie odpływ z zaworu bezpieczeństwa;
wybrać miejsce montażu dla jednostki zewnętrznej (montaż na gruncie lub wsporniku na ścianie) z uwzględnieniem hałasu generowanego przez pompę ciepła (warto unikać zaułków, wnęk, które będa potegować hałas) oraz stron świata (miejsce zacienione, z dala od wystawy południowej);
Pompy ciepła powietrze‑woda (a dokładnie wentylatory jednostek zewnętrznych) generują hałas na poziomie około 38 dB. Jest to poniżej normy hałasu dla zabudowy jednorodzinnej, wynoszącej 40‑60 dB w ciągu dnia. Hałas przenikający do pomieszczeń mieszkalnych w nocy nie powinien przekraczać 30‑40 dB. Ilość hałasu generowana przez dany model pompy ciepła podana jest w karcie katalogowej, w formie informacji o wartości ciśnienia akustycznego zmierzonego w odległości 1‑2 metrów od urządzenia.
Montaż pompy ciepła powietrze‑woda
Bez względu na sposób wykonywanych połączeń rur chłodniczych (połączenia lutowane połączenia śrubunkowe z kielichowanie), w czasie pracy należy zadbać o to, by do wnętrza rur nie przedostały się zanieczyszczenia i wilgoć. Podczas obcinania i gradowania rury należy zawsze kierowac ja otworem w dół. Po docięciu i wyrównaniu krawędzi oraz usunięciu opiłków, wnętrze rury należy oczyścić kawałkiem tkaniny. Tak przygotowaną do montażu nalezy chronić zatyczką, gumowa opaską, taśmą itp.
Powrót do spisu treściPowrót do spisu treści
10. Instalacje sanitarne wyposażone w pompę ciepła
Pompy ciepła pobierają energię ze źródeł o niskiej temperaturze i najlepiej funkcjonują w połączeniu z systemami niskotemperaturowymi: ogrzewaniem podłogowym czy szerzej ogrzewaniem powierzchniowym, których temperatura zasilania wynosi 35‑45°C. Wraz z warstwą wylewki pełnią one rolę magazynu ciepła.
Inne systemy ogrzewania polecane do instalacji z pompą ciepła to grzejniki niskotemperaturowe (temp. zasilania 45‑55°C) i klimakonwektory (temp. zasilania 45‑55°C).. Jeśli pompa ciepła ma zasilać wodę grzewczą w typowych kaloryferach, to ich powierzchnia powinna być na tyle duża aby kompensować temperaturę grzewczą na poziomie 50°C. System należy również wyposażyć w dodatkowy zbiornik, pełniący rolę sprzęgła buforowego.
Pojemność górnego źródła ciepła musi odpowiadać mocy grzewczej pompy, zwykle wynosi około 3l/1 kW mocy grzewczej urządzenia. Wymagana wartość objętości i wielkość przepływów w instalacji zapewnia efektywną pracę pompy ciepła. Jeśli objętość wody jest za mała, stosuje się zbiorniki buforowe wody grzewczej. Wielkość zbiornika buforowego dobierana jest zgodnie z zaleceniami producenta, tak aby zapewnić w instalacji minimalną pojemność i przepływy.
Minimalną pojemność górnego źródła ciepła określa norma EN 14511 i są to 3 l / 1 kW mocy pompy ciepła. Przed uruchomieniem górne źródło ciepła musi być odpowietrzone i napełnione wodą o odpowiedniej jakości, opisanej przez producenta w zaleceniach montażowych. Określa się tam zwykle twardość, parametry przewodności i czystości.
Zbiornik buforowy wody grzewczej może być stosowany jako magazyn ciepła, który gromadzi zapas podgrzanej wody. Dzięki temu pompa włącza się rzadziej, a koszty ogrzewania są mniejsze. Zbiornik buforowy pełniący funkcję magazynu ciepła zwykle ma pojemność nie mniejszą niż 80 l / 1 kW. Mniejsze zbiorniki, o pojemności 10‑20 l / 1 kW będą pełniły w instalacji rolę sprzęgła hydraulicznego, poprawiającego parametry pracy i wydłużającego żywotność pompy.
Zbiorniki różnią się pojemnością i budową: od prostych i tanich zbiorników wyposażonych w króćce i izolację, do urządzeń z wbudowanymi wymiennikami ciepła i jedną lub dwiema wężownicami, dzięki którym działają nie tylko jako magazyny, ale i podgrzewacze wody.

Instalacja z pompą ciepła może współpracować z innymi źródłami ciepła: piecem gazowym, węglowym, kominkiem na drewno, instalacją solarną (systemy biwalentne). W systemach biwalentnych alternatywnych pompa ciepła pokrywa tylko część zapotrzebowania na ciepłą wodę użytkową czy grzewczą (do poziomu osiągnięcia temperatury punktu biwalentnego)- pozostałą część przejmuje drugie urządzenie grzewcze. W systemach biwalentnych równoległych po osiągnięciu temperatury punktu biwalentnego oba urządzenia pracują jednocześnie.

Grafika przedstawia schemat możliwości przygotowania ciepłej wody użytkowej w instalacjach z pompą ciepła. Wymienione są następujące możliwości:
Centralny podgrzew ciepłej wody użytkowej przez pompę ciepła dla pdgrzewu wody użytkowej.
Decentralny podgrzew ciepłej wody użytkowej przez elektryczne przepływowe podgrzewacze wody użytkowej.
Decentralny podgrzew ciepłej wody użytkowej przez mieszkaniowe stacje wymiennikowe.
Centralny podgrzew ciepłej wody użytkowej przez magazynowanie w zbiorniku buforowym oraz oddzielnym module wody pitnej.
Centralny podgrzew ciepłej wody użytkowej przez magazynowanie w pojemnościowym podgrzewaczu wody użytkowej.
W instalacjach z pompą ciepła przygotowująca c.w.u montuje się podgrzewacze wody. Ich pojemność i powierzchnia wymiennika powinny być duże, aby jak najskuteczniej przekazywać energię z pompy ciepła. Wężownica w takim urządzeniu musi mieć długość 2‑2,5 mIndeks górny 22/kW. W pompach ciepła o mocy powyżej 10 kW podgrzewacz jest zwykle zintegrowany z obudową pompy.
Pojemność zbiornika dobiera się proporcjonalnie do planowanego zużycia wody użytkowej, przyjmując minimalne zapotrzebowanie 50 l na osobę oraz uwzględniając dodatkowe wydatki (zużycie będzie większe, jeśli w obiekcie znajduje się np. wanna z hydromasażem, deszczownica itp.).
Montaż przewodów, armatury, grzejników i innych elementów w instalacji sanitarnej z pompą ciepła powinien być zgodny z wymaganiami Polskich Norm. Nie różni się on zasadniczo od montażu w innych instalacjach.
Zasady montażu instalacji sanitarnych z pompą ciepła:
instalacja powinna być wyposażona w armaturę zabezpieczającą przed nadmiernym wzrostem ciśnienia i temperatury,
instalacja powinna być wyposażona w zawory odpowietrzające ręczne lub automatyczne,
zastosowane w instalacji wyroby muszą spełniać wymagania norm w zakresie korozyjności i ochrony przed korozją,
przewody poziome powinny być prowadzone przy ścianach lub pod stropami na podporach stałych lub uchwytach,
rury przechodzące przez przegrody budowlane muszą być zabezpieczone tulejami ochronnymi,
połączenia rur należy wykonywać zgodnie z rodzajem materiału z jakiego zostały wykonane (np. połączenia klejone i zgrzewane dla rur z tworzyw sztucznych, połączenia lutowane rur miedzianych itd.).
Wykonanie instalacji z pompą ciepła powinno być potwierdzone protokołem odbioru instalacji i rozruchu pompy ciepła. W tym celu instalator wypełnia druk protokołu wprowadzając do niego najważniejsze informacje o urządzeniach i parametrach instalacji.

Powrót do spisu treściPowrót do spisu treści
11. Zasady prawidłowej eksploatacji
Instalację z pompą ciepła niezależnie od jej typu należy użytkować zgodnie z instrukcją dołączoną do urządzenia przez producenta. Wyjaśnione są w niej m.in. funkcje sterowników i ich optymalne ustawienia, a także wskazówki, jak należy postępować w przypadku potencjalnych awarii. Jeśli użytkownik ma wątpliwości, jak w prawidłowy sposób eksploatować urządzenie, powinien skontaktować się z serwisem techniczny.
Możliwe błędy eksploatacyjne:
Niewłaściwa eksploatacja terenu ponad wymiennikiem gruntowym, który nie może być pokryty nawierzchnią utwardzoną i na którym nie można prowadzić upraw. Regeneracji gruntu na tym obszarze sprzyja nasłonecznienie, dlatego błędem eksploatacyjnym jest układanie na nim kostki brukowej lub płyt chodnikowych, a także wylewanie betonu, asfaltu. Wszystkie wymienione nawierzchnie mogą spowodować zbytnie wychłodzenie gruntu.
Brak kontroli tacy ociekowej jednostki zewnętrznej pompy typu split. Przy temperaturach oscylujących około 0 stopni Celsjusza zewnętrzna jednostka pompy ciepła w urządzeniach typu split powietrze–woda może produkować większą ilość kondensatu. Stan zapełnienia tacy należy kontrolować na bieżąco, aby uniknąć sytuacji, gdy dochodzi do jego zamarznięcia wewnątrz jednostki. Innym rozwiązaniem jest zastosowanie grzałki tacy skroplin.
Ustawienie zbyt wysokiej krzywej grzewczej Przy pierwszym uruchomieniu pompy ciepła serwisant ustawia krzywą grzewczą na sterowniku pompy (funkcja regulatora pogodowego) według ustalonego wzoru. Natomiast użytkownicy często sami zmieniają później kąt nachylenia krzywej, co może powodować nieprawidłowe funkcjonowanie instalacji. Przykładowo, ustawienie zbyt wysokiego numeru krzywej (dużego pochylenia) powoduje przegrzanie budynku, zwłaszcza przy niskich temperaturach, a co za tym idzie, duży wzrost zużycia energii do napędu sprężarki.
Brak okresowych kontroli cieczy roboczych w pompach gruntowych. Ciecze robocze (roztwory glikolu) powinny być regularnie sprawdzane pod względem np. stężenia jonów wodorowych (pH), rezerwy alkalicznej i gęstości roztworu. Wraz z eksploatacją parametry cieczy roboczych mogą ulec zmianie z powodu różnych reakcji chemicznych zachodzących w instalacji. Sprawdzanie pH ma istotne znaczenie szczególnie w pompach ciepła, które nie są wyposażone we wziernik umożliwiający wizualną kontrolę stanu cieczy roboczej.
Brak lub złe uzupełnianie ubytków cieczy roboczych. Dla poprawnego działania instalacji ważne jest uzupełnianie ubytków cieczy roboczej, jeśli takie wystąpią. Często przy tej czynności pojawiają się błędy. Jednym z nich jest np. uzupełnianie wodnego roztworu glikolu wodą. Powoduje to zmniejszenie stężenia glikolu w roztworze, a tym samym obniżenie temperatury krzepnięcia cieczy roboczej, co z kolei może doprowadzić do jej zamarznięcia. Jeśli na wzierniku stwierdzi się obecność powietrza w cieczy lub zadziała presostat niskiego ciśnienia, jest to sygnał, że należy uzupełnić ilość cieczy roboczej.
Częstym sygnałem informującym o wystąpieniu błędów eksploatacyjnych są zawyżone rachunki za energię elektryczną. W pierwszym okresie używania pompy ciepła są one normą, gdyż w nowych budynkach występuje spora ilość wilgoci technicznej, czyli wody, która wchodzi w skład użytych materiałów budowlanych, np. zapraw, betonu, tynku. W pierwszym sezonie grzewczym zapotrzebowanie na ciepło dostarczane przez pompę ciepła jest większe, aby można było usunąć nadmiar tej wilgoci. Z tego powodu koszty energii elektrycznej w tym okresie również są większe. Natomiast później, nagły wzrost zużycia energii elektrycznej przez pompę ciepła jest sygnałem informującym o nieprawidłowościach w działaniu urządzenia lub systemu grzewczego. W takiej sytuacji użytkownik powinien skontaktować się z serwisem.
Powrót do spisu treściPowrót do spisu treści
12. Usterki podczas eksploatacji pompy ciepła
Błąd wysokiego ciśnienia skutkujący zadziałaniem presostatu wysokiego ciśnienia, otwarciem zaworu bezpieczeństwa, ewentualnie zatrzymaniem kompresora. Usterka ta może wynikać ze zbyt wysokiego ciśnienia w instalacji hydraulicznej. Należy zredukować ciśnienie. Błąd niskiego ciśnienia skutkujący zadziałaniem presostatu niskiego ciśnienia, ewentualnie zatrzymaniem pompy ciepła. Usterka ta może wynikać ze zbyt niskiego ciśnienia w instalacji hydraulicznej. Należy uzupełnić wodę i odpowietrzyć instalację. Dodatkowo warto skontrolować wartości ciśnienia na manometrze.
Błąd komunikacyjny modułu elektronicznego, na skutek czego pompa ciepła wyłącza się. Należy sprawdzić poprawność podłączenia modułu elektronicznego, odłączyć urządzenie od zasilania i włączyć ponownie. Jeśli usterka nie ustępuje, konieczna może być wymiana modułu elektronicznego.
Błąd czujnika temperatury. Usterka może wynikać z uszkodzenia czujnika pomiaru temperatury zbiornika buforowego/zasobnika c.w.u. Jej skutkiem jest brak podgrzewania wody. Usterka może wynikać też ze zwarcia w obwodzie czujnika lub przerwy w obwodzie. Konieczna może być wymiana czujnika poprzedzona zmierzeniem wartości oporu na przyłączu czujnika NTC do modułu elektronicznego.
Błąd przepływu wody skutkujący zadziałaniem czujnika przepływu wody. Pompa ciepła wyłącza się. Usterka taka może wynikać z braku przepływu objętościowego w obiegu lub uszkodzenia czujnika przepływu objętościowego. Sprawdzenia wymaga pompa obiegu grzewczego oraz czujnik przepływu. Konieczna może być wymiana czujnika przepływu objętościowego.
Powrót do spisu treściPowrót do spisu treści
13. Przykładowe projekty

Schemat przedstawia instalacje monowalentną w której pompa ciepła jest jedynym urządzeniem grzewczym do przygotowania c.w.u i zasilającym obieg wody grzewczej w instalacji ogrzewania podłogowego. Regulator pompy ciepła reguluje temperaturę wody grzewczej na zasilaniu, a wbudowana w urządzenie pompa wtórna tłoczy wodę grzewczą. 3‑drogowy zawór przełącza pracę pompy na obieg grzewczy albo do wbudowanego w pompę pojemnościowego podgrzewacza wody. W stanie fabrycznym podgrzew ciepłej wody użytkowej przez pompę ciepła ma pierwszeństwo przed obiegiem grzewczym. Aby zapewnić optymalną temperaturę wody grzewczej pompa ciepła posiada wbudowany przepływowy podgrzewacz wody grzewczej, który zwiększyć temperaturę wody na zasilaniu do > 65°C.
W tego rodzaju instalacji, gdzie brak podgrzewacza buforowego, zawór spustowy należy zamontować w miejscu najbardziej oddalonym od pompy ciepła, co pozwoli oddawać ciepło wytworzone przy minimalnym czasie pracy pompy ciepła.
W instalacjach bez zasobników na wodę wymagana jest pojemność górnego źródła ciepła minimum 3 litry na 1 kW mocy pompy grzewczej.

Schemat przedstawia instalacje monowalentną w której pompa ciepła jest jedynym urządzeniem grzewczym do przygotowania c.w.u i zasilającym obieg wody grzewczej w instalacji ogrzewania podłogowego. Instalacja wyposażona jest w pojemnościowy podgrzewacz wody. W stanie fabrycznym podgrzew ciepłej wody użytkowej przez pompę ciepła ma pierwszeństwo przed obiegiem grzewczym. Uruchamia się ono w odpowiedzi na sygnał z czujnika temperatury wody w podgrzewaczu. Po osiągnięciu wymaganej wartości temperatury w podgrzewaczu c.w.u. regulator wyłącza pompę obiegu podgrzewacza. pompa wtórna zaczyna zaopatrywać obieg grzewczy.

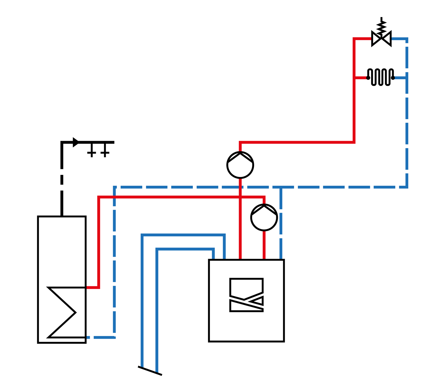
Przykład instalacji dla domu jednorodzinnego w którym znajdują się dwa obiegi grzewcze: ogrzewanie podłogowe niskotemperaturowe oraz kaloryfery. W obiegu dla ogrzewania niskotemperaturowego zamontowany jest mieszacz, umożliwiający osiągnięcie optymalnej dla tego źródła ciepła temperatury. W obwodzie zasilającym kaloryfery mieszacz jest zbędny w związku z faktem, że powinna tam trafiać woda grzewcza o możliwie wysokiej temperaturze.
Pompa ciepła zaopatruje oba obiegi za pośrednictwem podgrzewacza buforowego. Jeśli wymagana jest produkcja wody użytkowej, woda grzewcza tłoczona jest przez 3‑drogowy zawór przełączny do zbiornika c.w.u. W stanie fabrycznym podgrzew ciepłej wody użytkowej przez pompę ciepła ma pierwszeństwo przed obiegiem grzewczym. Uruchamia się ono w odpowiedzi na sygnał z czujnika temperatury wody w podgrzewaczu. Po osiągnięciu wymaganej wartości temperatury w podgrzewaczu c.w.u. regulator wyłącza pompę obiegu podgrzewacza. pompa wtórna zaczyna zaopatrywać obieg grzewczy.

Przykład instalacji dla domu jednorodzinnego w którym znajdują się dwa obiegi grzewcze: ogrzewanie podłogowe niskotemperaturowe oraz kaloryfery. Pompa ciepła zaopatruje oba obiegi za pośrednictwem podgrzewacza buforowego. Jeśli wymagana jest produkcja wody użytkowej, woda grzewcza tłoczona jest przez 3‑drogowy zawór przełączny do zbiornika c.w.u. Zewnętrzna wytwornica ciepła pozwala uzyskać w podgrzewaczu temperaturę > 65°C.
W instalacjach z pompą ciepła i dodatkową wytwornica ciepła, np. solarami lub kotłem na paliwo stałe, wymagane jest zainstalowanie zabezpieczającego ogranicznika temperatury STB, chroniącego pompę ciepła przed wysokim ciśnieniem. Czujnik jest urządzeniem elektrycznym, które po wykryciu temperatury granicznej rozłącza zasilanie podajnika paliwa, rozłącza obwód wentylatora lub w inny sposób zatrzymuje działanie wytwornicy ciepła (w zależności od jej rodzaju).
Powrót do spisu treściPowrót do spisu treści

















