E‑book – Instalacje wentylacyjne i klimatyzacyjne
E‑BOOK Instalacje wentylacyjne i klimatyzacyjne

Spis treści
Oznaczenia i symbole graficzneOznaczenia i symbole graficzne
WentylacjaWentylacja
KlimatyzacjaKlimatyzacja
Hałas a instalacja wentylacji i klimatyzacjiHałas a instalacja wentylacji i klimatyzacji
Bibliografia i netografiaBibliografia i netografia
1. Oznaczenia i symbole graficzne
![Tabela dzieli się na dwie kolumny. Po lewej stronie znajduje się kolumna "nazwa", po prawej zaś "symbole na schematach i rysunkach", które zawierają graficzne oznaczenia. Ogólne oznaczenie zobrazowane jest jako ciągła linia. Sekcja okrągła to linia wraz z równoległą linią, przekreśloną literą "o" i napisem "200". Przekrój prostokątny to linia wraz z równoległą linią i napisem "600x500". Kanał wentylacyjny to prostokąt zbudowany z przerywanej linii wraz z równoległą linią i napisem "K600x400". Instalacja nawiewna to niebieska, ciągła linia. Instalacja wywiewna to czerwona, przerywana linia. Instalacja czerpna to zielona, ciągła linia. Instalacja wyrzutowa to brązowa, ciągła linia. Przepływ powietrza wymiary kratki / nawiewnika [mm] to niebieska, pozioma strzałka skierowana w lewą stronę. Na górze strzałki znajduje się napis "239 m/h", na dole zaś "200x100". Zawór / kratka wywiewna to dwa symbole. Jeden z nich to czerwona, pozioma strzałka skierowana w lewą stronę. Na górze strzałki znajduje się napis "50m3/h", a na dole napis "125". Drugi symbol to kółko i skierowane na nie cztery strzałki. Poniżej znajduje się napis "130m3/h skreślone O 160". Zawór / kratka nawiewna to dwa symbole. Jeden z nich to niebieska, pozioma strzałka skierowana w lewą stronę. Na górze strzałki znajduje się napis "50m3/h", a na dole napis "125". Po prawej stronie strzałki znajduje się mały prostokąt z dwoma strzałkami. Drugi symbol to kółko i skierowane od niego cztery strzałki. Poniżej znajduje się napis "130m3/h skreślone O 160". Wymiary kanału wentylacyjnego prostokątnego [mm] to napis "100 200". Wymiary kanału wentylacyjnego kołowego [mm] to napis "skreślone O 125". Przepustnica regulacyjna okrągła to koło, linia oraz wpisany w koło symbol. Transfer powietrza przez podcięcie drzwi lub kraty transferowe to pionowy prostokąt z liniami wewnątrz i trzy prowadzące do niego z prawej falowane strzałki. Pion wentylacji wymiar przewodu to koło wraz z przecinającą je poziomo linią. W środku koła nad liną znajduje się napis "N1", a poniżej linii "1".
Opisy prezentowanych na grafikach obiektów są załączone w treści.](https://static.zpe.gov.pl/portal/f/res-minimized/R16UG73z2wxym/1703760429/nWmpF2U3KEFmKIkUabQnu9hgWswy2qGN.png)
Wróć do spisu treściWróć do spisu treści
Powrót do materiału głównegoPowrót do materiału głównego
2. Wentylacja
Rodzaje wentylacji i zasada działania
Wentylacja to zespół urządzeń i elementów tworzących system pozwalający na wymianę powietrza w pomieszczeniu i w rezultacie poprawę jego parametrów. Jest to ważne, ponieważ jakość powietrza ma bezpośredni wpływ na zdrowie i samopoczucie ludzi. Skład powietrza w pomieszczeniach powinien być zbliżony do powietrza atmosferycznego na zewnątrz. Temperatura i wilgotność powinny zapewniać komfort cieplny. Zanieczyszczenia (dymy, gazy, cząsteczki i pyły) nie mogą przekraczać wartości szkodliwych dla zdrowia.
W pomieszczeniach stosuje się dwa rodzaje wentylacji – grawitacyjną (naturalną) oraz mechaniczną.
Wentylacja grawitacyjna to tradycyjny sposób wymiany powietrza w pomieszczeniach wykorzystujący kominowe szyby wentylacyjne oraz nieszczelności drzwi i okien lub specjalnie przeznaczone do tego celu nawiewniki.

Powietrze z zewnątrz ma niższą temperaturę i większą gęstość, natomiast powietrze wewnątrz budynku ma wyższą temperaturę i mniejsza gęstość, dlatego unosi się ku górze. W pionowych kanałach wentylacyjnych powstaje ciąg. Powietrze zużyte odprowadzane jest kratkami i kanałami wentylacyjnymi na zewnątrz pod wpływem siły wyporu.

Warunkiem poprawnego działania wentylacji szybowej jest różnica ciśnienia zewnętrznego i wewnętrznego lub powstanie ciśnienia dynamicznego u wlotu kanału wentylacyjnego, np. podczas wietrznej pogody.
Przy niewielkich różnicach temperatur siła ciągu może być za mała, aby zapewnić optymalną wymianę powietrza. Problem ten w szczególności dotyczy nowoczesnych, szczelnych budynków, w których przenikanie powietrza przez nieszczelności jest bardzo ograniczone. Rozwiązaniem jest zastosowanie wentylatora, który wymusza obieg powietrza i pozwala uniezależnić sprawność wentylacji od warunków pogodowych.
W przeciwieństwie do wentylacji grawitacyjnej, w wentylacji mechanicznej warunki atmosferyczne nie mają bezpośredniego wpływu na jej działanie. Do funkcjonowania wentylacji mechanicznej niezbędny jest prąd. Z tego powodu przepisy prawa zabraniają stosowania mechanicznej wentylacji wyciągowej w pomieszczeniu z paleniskami na paliwo stałe, płynne lub z urządzeniami gazowymi pobierającymi do spalania powietrze z pomieszczenia. Powinny one być wyposażone w niezależne grawitacyjne kominy wentylacyjne.
Wyróżnia się trzy podstawowe typy instalacji wentylacyjnej mechanicznej:
nawiewną,
wywiewną,
nawiewno‑wywiewną.
Podział ten uwzględnia kierunek ruchu powietrza względem wentylowanego pomieszczenia.
W systemie nawiewno‑wywiewnym dostarczanie i usuwanie powietrza z budynku jest w pełni regulowane. Świeże powietrze zostaje zassane do systemu przez czerpnię, następnie kanałami wentylacyjnymi trafia do centrali wentylacyjnej, gdzie jest filtrowane. Stamtąd rozprowadzane jest za pomocą anemostatów (nawiewników). Powietrze zużyte zostaje usunięte z pomieszczeń przez wywiewniki, kanały, centralę wentylacyjną i wyrzutnię.

Dobrze zaprojektowana instalacja nawiewno‑wywiewna z odzyskiem ciepła ogranicza starty ciepła o około 30–60% i przyczynie się do oszczędności w ogrzewaniu budynku. Sam budynek powinien być szczelny, pozbawiony nawiewników i otwartych kanałów wentylacji grawitacyjnej. Elementy instalacji wentylacji mechanicznej na odcinku między rekuperatorem a wyrzutnią i czerpnią muszą być odpowiednio zaizolowane. Aby dodatkowo poprawić charakterystykę energetyczną takiego budynku, można zastosować gruntową czerpnię powietrza.
Elementy systemu wentylacyjnego
Centrala wentylacyjna z odzyskiem ciepła jest istotnym elementem systemu wentylacji mechanicznej, odpowiedzialnym za przepływ powietrza w systemie i jego wymianę w budynku. Urządzenia te różnią się budową w zależności od modelu i producenta, ale wszystkie wyposażone są w wentylatory, wymienniki i filtry powietrza.

Wentylator jest maszyną wirnikową o prostej budowie, odpowiedzialną za tłoczenie powietrza przez centralę. Urządzenia te różnią się budową i sprawnością, przy czym ich konstruktorzy dążą do osiągnięcia jak najwyższej sprawności i redukcji ilości energii elektrycznej jaka wymagana jest do napędu. W nowoczesnych centralach wentylacyjnych stosuje się wentylatory z płynną regulacją mocy, możliwą do uzyskania dzięki przemiennikowi częstotliwości.
Wymiennik ciepła to element budowy centrali pozwalający na odzysk ciepła z powietrza zużytego, które opuszcza system wentylacyjny i jest kierowane na zewnątrz przez wyrzutnie. Konstrukcja wymiennika zapobiega mieszaniu się strug powietrza świeżego i zużytego. Ze względu na budowę wyróżnia się wymienniki ciepła krzyżowe, obrotowe i przeciwprądowe. Te ostatnie stosuje się najczęściej. Są one relatywnie tanie w budowie i eksploatacji oraz bardzo wydajne. Sprawność tych wymienników bliska jest 90%. Nie mają one żadnych części ruchomych i nie wymagają dostarczania energii elektrycznej. Odzysk ciepła możliwy jest dzięki krzyżowaniu się w wymienniku strug powietrza nawiewanego i wywiewanego.
Centrale wentylacyjne produkowane są zgodnie z normą PN‑EN 1886 i muszą spełniać wymogi dotyczące wytrzymałości mechanicznej obudowy, szczelności obudowy, szczelności osadzenia filtra i współczynnika przenikania ciepła.
Filtry są obowiązkowym elementem wyposażenia każdej centrali wentylacyjnej. Służą do oczyszczania powietrza pobieranego z zewnątrz i zatrzymywania zanieczyszczeń oraz cząstek stałych. Zapewniają czystość powietrza użytkownikom obiektu, a także chronią centralę wentylacyjną przed zabrudzeniem. Ich budowa może być różna, w sprzedaży dostępne są m.in. filtry harmonijkowe, płaskie lub kasetowe. Parametrem, na który warto zwrócić uwagę jest klasa filtracji opisana na etykiecie w postaci kodu literowego. Klasy filtrów regulowane są normami EN 779:2012 oraz ISO 16890.
Filtry | Klasa | Rodzaj zatrzymywanych zanieczyszczeń |
|---|---|---|
Zgrubne | G3 | owady, włókna, włosy, piasek, gruby pył atmosferyczny |
Dokładne | F5, F6 | pyłki kwiatowe, gruby pył atmosferyczny |
HEPA | H10 | bakterie, dym tytoniowy oraz inne rodzaje dymów i areozoli |
Tab.1. Klasyfikacja filtrów

Niektóre centrale mogą być wyposażone np. w nagrzewnicę wodną lub elektryczną, która dodatkowo podgrzewa powietrze nawiewane do pomieszczeń, bądź też chłodnicę wodną lub freonową chłodzącą powietrze w okresie letnim. Do nawilżania powietrza stosuje się np. komory zraszania i nawilżacze kanałowe. Tłumiki mają zapewniać cichszą pracę instalacji.
Przewody wentylacyjne umożliwiają dostarczanie i usuwanie powietrza z systemu wentylacyjnego. Ze względu na materiał, z jakiego zostały wykonane, wyróżnia się:
przewody sztywne z blachy stalowej lub aluminiowej, blachy stalowej ocynkowanej lub nierdzewnej, blachy kwasoodpornej, o przekroju okrągłym lub prostokątnym,
przewody elastyczne z blachy (stosowane również jako przewody spalinowe),
przewody sztywne z tworzyw sztucznych (PVC, PP, PPs) łączone na wcisk,
przewody elastyczne z tworzyw sztucznych (PE‑HD), w postaci karbowanych rur łączonych na szybkozłączki.
Przewody metalowe mają małe opory powietrza, ale niekorzystne właściwości akustyczne. Przewody z tworzyw sztucznych są pozbawione tej wady, a dodatkowo lekkie, proste w montażu i łatwe do ukrycia np. w suficie podwieszanym lub wylewce.
Przewody wentylacyjne wykonuje się zgodnie z normami PN‑B-03434:1999 Wentylacja. Przewody wentylacyjne. Podstawowe wymagania i badania oraz PN‑B-76001:1996 Wentylacja. Przewody wentylacyjne. Szczelność. Wymagania i badania.
Przekrój kanałów wywiewnych w wentylacji grawitacyjnej zdefiniowany jest w rozporządzeniu o warunkach technicznych, jakim powinny odpowiadać budynki i ich usytuowanie. W przypadku wentylacji mechanicznej przekroje wynikają z obliczeń przepływów powietrza. Podaje je projektant w projekcie instalacji wentylacyjnej. Czołowi producenci wentylacji udostępniają również online własne kalkulatory wentylacyjne pozwalające dobrać optymalną średnicę przewodów.
Anemostaty to elementy znajdujące się na końcu przewodów wentylacyjnych. Ich rolą jest doprowadzenie świeżego powietrza do pomieszczenia i usuwanie powietrza zużytego. Dostępne są w różnych kształtach i wielkościach, do montażu w suficie lub na ścianie, z regulacją lub bez.

Czerpnia jest elementem doprowadzającym świeże powietrze atmosferyczne do systemu wentylacyjnego. Jej budowa musi zapobiegać przedostawaniu się do jej wnętrza opadów atmosferycznych, owadów oraz zanieczyszczeń (np. liści). Ze względu na sposób montażu wyróżnia się trzy podstawowe rodzaje czerpni: wolnostojące gruntowe, ścienne oraz dachowe. Bez względu na rodzaj sposób montażu powinien zapewniać pobieranie przez wentylację jak najczystszego powietrza. Przyjmuje się zatem, że lokalizacja powinna być oddalona o co najmniej 8 metrów w rzucie poziomym od ulic, skupisk samochodów o liczbie większej niż 20, miejsc składowania odpadów stałych, wywiewek kanalizacyjnych i innych źródeł zanieczyszczenia powietrza.
Czerpnie wolnostojące zwykle wykonane są z rury PVC wyprowadzonej na wysokość minimum 60 cm nad powierzchnię gruntu. Stosuje się je dla gruntowych wymienników ciepła.
Czerpnie ścienne mają postać kratek wentylacyjnych z zadaszeniem chroniącym przed opadami atmosferycznymi i siatką lub żaluzją zapobiegającą wnikaniu do budynku owadów. Montuje się je na wysokości co najmniej 2 metrów nad poziomem gruntu, od strony zawietrznej, z dala od kominów, wylotów pionów kanalizacyjnych i wyrzutni; optymalnie – na wystawie północnej.
Czerpnie dachowe są często prostokątne lub koliste i mają wlot nachylony do podłoża pod kątem 90 stopni. Otwory czerpne dla czerpni dachowych powinny znajdować się co najmniej 40 centymetrów powyżej pokrycia dachu.


Wyrzutnia to element odprowadzający zużyte powietrze atmosferyczne z systemu wentylacyjnego na zewnątrz. Jej budowa jest analogiczna do czerpni. Ze względu na sposób montażu wyróżnia się wyrzutnie pionowe i poziome. W przypadku wyrzutni dachowych, pionowych, ich otwory wylotowe powinny znajdować się minimum 40 centymetrów od poszycia dachu i 40 centymetrów powyżej wszelkich wystających ponad dach części budynku. Jeśli na dachu zamontowano zarówno czerpnię, jak i wyrzutnię, należy zachować między nimi odległość minimum 6 metrów, a otwory wylotowe wyrzutni powinny znajdować się o 1 metr wyżej niż otwory czerpne. Dla wyrzutni ściennych należy zachować odległość 8 metrów od ścian sąsiednich budynków bez okien i 10 metrów od ścian budynków z oknami.
Zasady doboru
Aby system wentylacji działał efektywnie i nie generował wysokich kosztów eksploatacyjnych, istotny jest prawidłowy dobór jego elementów, a w szczególności właściwy dobór centrali i poprawne zaprojektowanie sieci przewodów powietrznych. Centrala wentylacyjna powinna być dobrana do obiektu tak, aby usuwać z pomieszczeń ilości powietrza zgodnie z normą PN‑83/B‑03430. W ciągu godziny będzie to objętość powietrza, która jest równa co najmniej kubaturze obiektu, lub 30 mIndeks górny 33 powietrza na każdego lokatora. W pomieszczeniach wymagających intensywnej wentylacji ilość wymiany powietrza powinna być większa i wynosić na godzinę:
w łazience – minimum 50 mIndeks górny 33,
w toalecie – 30 mIndeks górny 33,
w pomieszczeniu bezokiennym (spiżarnia, garderoba) – 15 mIndeks górny 33,
w kuchni z oknem zewnętrznym, wyposażonej w kuchenkę elektryczną – 30 mIndeks górny 33 (3 osoby) lub 50 mIndeks górny 33 (powyżej 3 osób),
w kuchni z oknem zewnętrznym, wyposażonej w kuchenkę gazową lub węglową – 70 mIndeks górny 33,
w kuchni bez okna zewnętrznego, wyposażonej w kuchenkę elektryczną – 50 mIndeks górny 33,
w kuchni bez okna zewnętrznego, wyposażonej w kuchenkę gazową (obowiązkowo z mechaniczną wentylacją wywiewną) – 70 mIndeks górny 33,
w pokoju oddzielonym od pomieszczeń takich jak: kuchnia, łazienka lub toaleta, z więcej niż dwojgiem drzwi lub w pokoju znajdującym się na wyższym poziomie w wielopoziomowym domu jednorodzinnym, lub w wielopoziomowym mieszkaniu domu wielorodzinnego – 30 mIndeks górny 33.
Znając kubaturę obiektu, liczbę korzystających z niego osób i rodzaj pomieszczeń, można zsumować wymaganą ilość powietrza i na tej podstawie dobrać centralę wentylacyjną. Należy przy tym uwzględnić całkowity spadek ciśnienia na instalacji.
Wybór za małej centrali wentylacyjnej będzie powodował niedostateczną wymianę powietrza, objawiającą się dużą wilgotnością w pomieszczeniach. Montaż centrali przewymiarowanej będzie skutkował przesuszeniem pomieszczeń w sezonie grzewczym, nadmiernym zużyciem energii przez wentylatory i nadmiernym hałasem generowanym przez instalację.
Z przedstawionego poniżej projektu można odczytać, jakie ilości powietrza projektant przewidział dla poszczególnych pomieszczeń i jakie średnice kanałów dobrał do tych wartości. Na projekcie podane są również parametry centrali wentylacyjnej.

Montaż instalacji wentylacyjnej
Sposób montażu instalacji wentylacyjnej zależy od:
rodzaju obiektu,
materiałów, z jakich został wykonany,
wielkości instalacji,
rodzaju materiałów instalacyjnych,
wielkości, rodzaju i funkcji centrali wentylacyjnej.
W przypadku systemu wentylacji mechanicznej nawiewno‑wywiewnej dla domu jednorodzinnego o powierzchni 100 mIndeks górny 22 (Rys. 9.) instalacja przebiega w następujących krokach:
Trasowanie, czyli wyznaczenie linii przebiegu instalacji. Przebieg przewodów wentylacyjnych nie może kolidować z elementami konstrukcyjnymi budynku lub innymi instalacjami. Przewody wentylacyjne powinny przebiegać w liniach poziomych i pionowych. Zaleca się, aby przewody wentylacyjne, szczególnie te prowadzące od czerpni i wyrzutni do centrali, były łatwo dostępne i wyposażone w otwory rewizyjne.
Montaż przewodów wentylacyjnych od czerpni i wyrzutni (określane także jako kanały czerpne i wyrzutowe) do miejsca montażu rekuperatora, np. na rurach stalowych spiro o przekroju okrągłym. Rury wymagają docięcia na długość przecinarką kątową. Odcinki rur łączy się za pomocą nypla (lub mufy) i wkrętów samogwintujących, z użyciem zakrętarki. Po ułożeniu odcinki rur między czerpnią i wyrzutnia a centralą wentylacyjną wymagają izolacji termicznej.

Podczas montażu przewodów wentylacyjnych z rur elastycznych wykonanych z tworzywa sztucznego, karbowanych, przewody prowadzące od centrali wentylacyjnej do poszczególnych pomieszczeń mogą być układane w posadzce, pod sufitem podwieszanym lub na nieużytkowym poddaszu. W tym ostatnim przypadku wymagają termoizolacji. Przy prowadzeniu wszystkich przewodów w systemie wentylacyjnym należy przestrzegać dopuszczalnych promieni gięcia. Prowadzenie instalacji pod kątem jest błędem, który powoduje obniżenie wydajności systemu.

Izolacja przewodów wentylacyjnych zapobiega stratom ciepła oraz zjawisku kondensacji, czyli wykraplania się pary wodnej na ściankach rur. Izolację można wykonać samodzielnie lub zastosować gotowe rury preizolowane.
Montażu czerpni ściennej w postaci kratki wentylacyjnej z zadaszeniem dokonuje się na stronie wschodniej budynku, od zawietrznej, z dala od kominów, wylotów pionów kanalizacyjnych i wyrzutni. Niezbędne są do tego kołki dobrane odpowiednio do podłoża. Analogicznie przebiega montaż wyrzutni ściennej.

Anemostaty montowane są wewnątrz budynku na końcach przewodów nawiewnych i wywiewnych. Sposób montażu powinien być zgodny z instrukcją montażową dla danego modelu anemostatu. Zwykle sprowadza się on do dopasowania oprawy do końcówki kanału wentylacyjnego i zamontowania do powierzchni ściany bądź sufitu za pomocą kołków i wkrętów.
Czujniki temperatury zewnętrzny i wewnętrzny montowane są odpowiednio na zewnątrz i wewnątrz budynku, na wysokości nie niższej niż 1,5 metra, w miejscu zacienionym. Są one połączone przewodami UTP i złączem RJ45 ze sterownikiem centrali wentylacyjnej, który należy zamontować w obiekcie.
Montaż centrali wentylacyjnej jest ostatnim etapem montażu instalacji. Zapobiega to przypadkowemu uszkodzeniu lub zabrudzenia urządzenia, gdy w obiekcie trwają jeszcze prace montażowe. Centrale wentylacyjne zwykle montuje się w kotłowni, garażu, na poddaszu nieużytkowym lub w innym pomieszczeniu, w którym temperatura nie spada poniżej 5°C. Wybór lokalizacji powinien zapewniać swobodny dostęp w przypadku konieczności przeprowadzenia czynności serwisowych. Centrala, w zależności od modelu, może stać lub wisieć na ścianie bądź pod sufitem. Podczas montażu należy zadbać o prawidłowe wypoziomowanie urządzenia z zachowaniem spadku minimum 2% umożliwiającego odprowadzenie kondensatu. W tym celu do jednostki należy podłączyć odprowadzenie skroplin do kanalizacji i zastosować na odprowadzeniu syfon (zaleca się syfony kulowe).
Do centrali podłącza się przewody wentylacyjne, dokładnie izolując miejsce połączenia. Jeśli instalacja wykonana jest na rurach sztywnych, to przy samej centrali należy zastosować elastyczne łączniki.
Do miejsca, w którym planowane jest zainstalowanie centrali, należy doprowadzić zasilanie. Po zakończeniu montażu centralę w zależności od modelu należy podłączyć do gniazda zasilającego 1‑fazowego 230 V/50 Hz, ze stykiem ochronnym (PE), lub 3‑fazowego 5P 400 V/50 Hz (gniazdo musi być tak zainstalowane, aby wtyczka była łatwo dostępna dla obsługi). W razie wątpliwości co do sposobu zasilania, należy sprawdzić tabliczkę znamionową na urządzeniu. Znajduje się na niej indywidualny numer fabryczny oraz podstawowe informacje elektryczne.
Pierwsze uruchomienie
Pierwsze uruchomienie centrali wentylacyjnej powinno zostać wykonane przez instalatora. Należy upewnić się, że urządzenie zostało zainstalowane poprawnie, a w szczególności, że:
centrala została zamontowana z zachowaniem odpowiedniego spadku,
instalacja odprowadzania skroplin jest podłączona i drożna,
kanały wentylacyjne i ich połączenia są poprawnie wykonane,
tłumiki, nagrzewnice, przepustnice, anemostaty i inne elementy systemu zostały zamontowane poprawnie,
przewody sterownicze są podłączone i nie grozi przypadkowe wypadnięcie złącz.
Kontroli poprawności działania wymagają też wszelkie dodatkowe elementy, takie jak nagrzewnice i przepustnice.

Przy pierwszym uruchomieniu instalacji należy dokonać regulacji pomiaru, np. za pomocą anemometru wiatraczkowego. W tym celu trzeba zmierzyć przepływy na anemostacie nawiewnym najbardziej oddalonym od centrali wentylacyjnej. Następnie przykręcić lub dokręć talerzyk nawiewnika, tak aby przepływ był optymalny, zgodny z projektem instalacji. Te same czynności wykonuje się dla wszystkich anemostatów nawiewnych w systemie, od najbardziej oddalonego do tego położonego najbliżej centrali. Analogicznie reguluje się anemostaty wywiewne. Następnie należy dokonać pomiaru wszystkich anemostatów jeszcze raz i upewnić się, że otrzymane wartości nawiewu/wywiewu są prawidłowe we wszystkich pomieszczeniach. Jeśli wartości są większe od zamierzonych, można to skorygować na sterowniku centrali.
Sterowanie i automatyka
Po podłączeniu do zasilania praca centrali wentylacyjnej jest praktycznie bezobsługowa. Kieruje nią sterownik – w zależności od modelu: ręczny lub automatyczny, który można programować w okresie dobowym lub godzinowym. Wiele central wyposażonych jest w pełni zintegrowaną automatykę współpracującą z czujnikami powietrza i samodzielnie dostosowującą parametry pracy wentylatora, w zależności od aktualnego odczytu. Taki tryb pracy możliwy jest dzięki zastosowaniu wielu podzespołów, m.in. takich jak:
siłowniki (np. siłownik powietrza wywiewanego sterujący otwarciem przepustnicy),
czujniki typu NTC 10K lub PT1000 (służące do odczytu temperatury zewnętrznej, nawiewu, wywiewu, odzysku),
presostaty różnicy ciśnień (montowane w centrali na nawiewie i wywiewie, podają informację o zabrudzeniu filtra),
przetworniki wilgotności (sterujące pracą nawilżacza).
Naścienny panel sterujący umożliwia użytkownikom sterowanie praca centrali i podgląd parametrów pracy. Jest on połączony z odpowiednio zaprogramowanym sterownikiem PLC.
Eksploatacja systemu wentylacji mechanicznej
W normalnych warunkach eksploatacyjnych praca systemu wentylacyjnego jest bezobsługowa, wymaga od użytkowników jedynie zaprogramowania sterownika lub ręcznego ustawienia poziomu wymiany powietrza w systemie. W sezonie letnim wentylacja powinna być bardziej intensywna, szczególnie w nocy. Umożliwia to schłodzenie budynku i usunięcie nadmiaru wilgoci. W sezonie letnim dopuszczalne jest korzystanie jedynie z wentylatora wywiewu przy otwartych oknach (nie dotyczy to instalacji z gruntowym wymiennikiem ciepła).
W sezonie grzewczym warto wentylować pomieszczenia stale, ale mniej intensywnie, aby uniknąć przesuszenia powietrza.
System wymaga okresowych kontroli, podczas których sprawdza się:
czystość wnętrza centrali i tacy ociekowej,
stan filtrów powietrza (zaleca się wymianę co około 3 miesiące),
stan czerpni i wyrzutni powietrza (w razie konieczności oczyszczenie z zabrudzeń),
stan przewodu zasilającego 230 V i przewodów sterujących (sprawdzenie stanu izolacji i solidności połączeń),
stan przewodów wentylacyjnych i izolacji,
pracę wentylatorów.
Zalecane jest również okresowe sprawdzenie czystości systemu, czego można dokonać przez otwory rewizyjne w przewodach wentylacyjnych. W przypadku starszych instalacji warto wykonać ich czyszczenia, stosując metody suche, np. za pomocą podciśnienia lub sprężonego powietrza, ewentualnie szczotek obrotowych.
Możliwe awarie systemu wentylacji mechanicznej
Oznaka nieprawidłowego wypoziomowania centerali, niedrożnej instalacji odprowadzania skroplin, zanieczyszczonej tacy ociekowej, niepoprawnego zamontowania czerpni (np. bez okapnika).
2.Wyciekanie wody z centrali wentylacyjnej
Oznaka zbyt niskiej temperatury w miejscu zamontowania centrali.
3.Wyciekanie wody z anemostatów
Symptom zjawiska wykraplania wody w przewodach wentylacyjnych, zbyt niska temperatura w pomieszczeniu, w którym zamontowana jest centrala, za słaba izolacja przewodów wentylacyjnych.
4.Zatrzymanie się wentylatora nawiewnego
Może oznaczać uszkodzony lub rozregulowany termostat układu rozmnożeniowego (dotyczy centrali z układem rozmnożeniowym poprzez wyłączenie nawiewu).
5.Zatrzymanie pracy centrali
Uszkodzenie przewodu zasilającego, wysunięcie ze złącza przewodu sterującego, przepalenie bezpiecznika w obwodzie zasilającym lub wyłącznika wewnątrz centrali, przepalenie bezpiecznika automatyki.
6.Niska sprawność instalacji, małe przepływy
Niepoprawne ułożenie przewodów wentylacyjnych (nadmierne promienie gięcia, nieszczelne połączenia), brak regulacji systemu.
Opisy prezentowanych na grafikach obiektów są załączone w treści.
3. Klimatyzacja
Klimatyzacja to proces utrzymywania ściśle określonych parametrów powietrza w danym obiekcie lub pomieszczeniu, niezależnie od warunków zewnętrznych. System ten zapewnia komfort cieplny użytkownikom, co jest szczególnie ważne w okresach letnich, oraz w budynkach, w których wietrzenie jest utrudnione (wysokościowce), a zyski ciepła pochodzące od nasłonecznienia, oświetlenia, ludzi i urządzeń elektrycznych są znaczne.
Zasada działania klimatyzacji
Urządzenia klimatyzacyjne wymuszają przepływ powietrza, filtrują je i utrzymują określoną temperaturę. W przypadku urządzeń klimatyzacji pełnej regulują też wilgotność powietrza.
Warto pamiętać, że warunkiem poprawnego działania systemu klimatyzacyjnego jest sprawny system wentylacyjny, którego funkcją jest usuwanie powietrza zanieczyszczonego i zastępowanie go czystym. Klimatyzacja jedynie obniża temperaturę dostarczonego powietrza i poprawia jego parametry. Wyjątkiem są np. systemy klimatyzacji kanałowej z możliwością dostarczania świeżego powietrza, które mogą pełnić obie wymienione funkcje.
Czynik chłodniczy w jednostce zewnętrznej (nazywanej agregatem sprężarkowo‑skraplającym) trafia do sprężarki, gdzie ulega skropleniu. W tym czasie na skraplaczu oddawane jest ciepło, a wentylator przyspiesza ten proces. Następnie skroplony czynnik roboczy przechodzi przez element dławiący – zawór rozprężny bądź kapilarę. Zaczyna się jego odparowywanie i temperatura gazu się obniża. Schłodzony czynnik trafia do jednostki wewnętrznej, wyposażonej w parownik i wentylator, które umożliwiają oddawanie schłodzonego powietrza do pomieszczenia. Pod wpływem różnicy temperatur na parowniku wytrąca się kondensat. Spływa on na tacę i jest odprowadzany na zewnątrz za pomocą króćca.

Wentylator jednostki wewnętrznej odpowiada za dystrybucję schłodzonego powietrza w pomieszczeniu. Zanim opuści ono jednostkę wewnętrzną, podlega filtrowaniu na filtrach cząstek stałych. Praca układu sterowana jest przez regulatory temperatury. Czujniki regulatorów są usytuowane w klimatyzowanym pomieszczeniu.
Budowa klimatyzatora
Ze względu na budowę wyróżnia się:
klimatyzatory typu kompakt (zwane monoblokowymi),
klimatyzatory typu split (dwuczęściowe),
klimatyzatory typu multisplit (stanowiące rozbudowaną wersję split, obsługującą wiele pomieszczeń),
systemy VRF (złożone z kilku jednostek zewnętrznych i wielu jednostek wewnętrznych, przeznaczone do dużych obiektów).
Mapa myśli. Po środku znajduje się napis „Podział jednostek split i multisplit ze względu na sposób montażu”. Od niego odchodzą następujące dymki: klimatyzatory ścienne, klimatyzatory ścienno‑sufitowe, klimatyzatory kanałowe, klimatyzatory przypodłogowe, klimatyzatory konsolowe.
Opisy prezentowanych na grafikach obiektów są załączone w treści.
Klimatyzatory typu kompakt (monoblock) to najprostsze jednostki klimatyzacyjne, w których parownik i skraplacz zamontowane są w tej samej obudowie. Występują w wersji przenośnej (przenośne klimatyzatory kompaktowe mogą być umieszczone w dowolnym punkcie danego pomieszczenia) oraz w wersji do montażu w otworze okiennym lub murze (kompaktowe klimatyzatory okienne – okienno‑ścienne).

Urządzenia te łatwo się montuje. Należy wykonać w przegrodzie przepust o średnicy 12–15 cm na kanał powietrzny oraz podłączenia do zasilania. Nadają się do pomieszczeń mieszkalnych i biurowych o małej powierzchni oraz wszędzie tam, gdzie ze względów technicznych nie można zamontować systemu split.
Klimatyzatory typu split charakteryzują się dwuczęściową budową, a ich najnowocześniejsze modele mogą pracować w trybie chłodzenia, ogrzewania, a także filtracji pomieszczeń. Typowa instalacja klimatyzacyjna typu split składa się z jednostki wewnętrznej (wraz z wentylatorem) oraz jednostki zewnętrznej, połączonych rurami z czynnikiem roboczym i przewodem komunikacyjnym. Obie jednostki tworzą hermetyczny i niezależny układ.
Jednostka wewnętrzna montowana jest zawsze w pomieszczeniu, za którego chłodzenie odpowiada. Urządzenie wyposażone jest w czujniki temperatury i układ sterowania kierujący pracą jednostki. Na zewnątrz (najczęściej na elewacji budynku) umieszcza się jednostkę zewnętrzną.

Instalacje typu split mają stosunkowo prostą budowę i są łatwe w montażu. Z tego względu często stosowane są w mieszkaniach, małych biurach oraz domach jednorodzinnych.
Obecnie systemy te coraz częściej dostosowane są do pracy w trybie ogrzewania. Oznacza to, że skraplacz i parownik zamieniają się funkcjami. Warto wówczas nazwę skraplacz/parownik zastąpić określeniem: wymiennik. Odwrócenie obiegu czynnika możliwe jest dzięki zastosowaniu zaworu czterodrogowego.

Instalacja multisplit daje możliwość podłączenia do jednej jednostki zewnętrznej większej liczby jednostek wewnętrznych. Dzięki temu system obsługuje większą liczbę pomieszczeń. W zależności od wielkości instalacji w jednostce zewnętrznej w takim systemie mogą być zamontowane jedna lub dwie sprężarki, lub dwucylindrowa sprężarka rotacyjna. W przypadku zastosowania dwóch sprężarek sprężarka szczytowa jest uruchamiana, gdy zapotrzebowanie na moc przekracza moc sprężarki roboczej. Jest to regulacja przemiennikowa, znana też pod nazwą inwerter. Jej zalety to szybki i płynny rozruch, mniejsze wahania temperatury w pomieszczeniu oraz oszczędność energii.
W instalacji klimatyzacyjnej typu multisplit za sprawą odpowiedniego systemu regulacji praca każdej z jednostek może być kontrolowana odrębnie. W najnowocześniejszych systemach możliwa jest równoczesna praca kilku jednostek w różnych trybach, np. grzania i chłodzenia. Tego typu instalacje są chętnie stosowane w niewielkich biurach, małych obiektach handlowych, pensjonatach i domach. System multisplit umożliwia konfigurację jednostki zewnętrznej z wieloma jednostkami wewnętrznymi różnego typu: ściennymi, kasetonowymi, kanałowymi etc.
Klimatyzacja typu VRF (z ang. Variable Refrigerant Flow) wyróżnia się zmiennym przepływem czynnika chłodniczego. Może ona obsługiwać dużą liczbę pomieszczeń i jednostek wewnętrznych, a także pozwala na indywidualne sterowanie parametrami cieplnymi. Zasada działania instalacji typu VRF jest taka sama jak dla pozostałych typów klimatyzacji, odmienny jest natomiast sposób połączenia jednostek wewnętrznych z agregatem. Zastosowany jest tu system trójnikowy, dzięki któremu jedna para rur opuszcza jednostkę zewnętrzną i następnie rozgałęzia się, tak aby doprowadzić czynnik chłodniczy do poszczególnych jednostek wewnętrznych. Każda jednostka ma zawór rozprężny umożliwiający dostosowanie ilości czynnika chłodniczego do potrzeb danego pomieszczenia. W jednostkach zewnętrznych stosuje się sprężarki inwerterowe, które dostosowują wydajność urządzenia do aktualnych potrzeb użytkowników.
Instalacje tego typu mogą obsługiwać duże budynki, a łączna długość orurowania może wynosić do 1000 m. Instalacje VRF są najbardziej zaawansowane pod względem technologicznym. Często używa się ich nie tylko do chłodzenia, ale również ogrzewania pomieszczeń, co jest możliwe za sprawą odwrócenia obiegu chłodniczego. W przypadku gdy niektóre z pomieszczeń są chłodzone, a inne ogrzewane, możliwy jest odzysk ciepła, co znacząco podwyższa efektywność instalacji.
Systemy klimatyzacyjne różnią się budowa, wielkością ilością i rodzajem zastosowanych elementów w zależności od funkcji i wielkości systemu. Nieodzownym elementem każdego z nich jest centrala klimatyzacyjna. Urządzenie to odpowiada za obróbkę termiczną i przepływ powietrza w systemie. Klimatyzatory różnią się budową w zależności od modelu i producenta, ale wszystkie wyposażone są m.in. w sprężarki, wentylatory oraz wymienniki.
Elementy instalacji klimatyzacyjnej
Sprężarka ma największe znaczenie dla przebiegu procesów termodynamicznych w klimatyzatorze. Zasysa czynnik chłodniczy, wprawia go w ruch, a następnie spręża, podnosząc jego ciśnienie z 2–5 barów do ponad 25 barów. W efekcie wzrasta temperatura i maleje objętość czynnika chłodniczego. Po puszczeniu sprężarki czynnik trafia na skraplacz i tam oddaje ciepło.
Sprężarki chłodnicze mają różną budowę i zasady działania.

Sprężarki rotacyjne wyposażone są w wirujący tłok, który przez zawór wlotowy zasysa czynnik chłodniczy. Poruszający się tłok odcina zawór wlotowy i spręża czynnik, a następnie wypycha go do zaworu wylotowego, który otwiera się w kolejnej fazie ruchu.

W sprężarkach spiralnych (typu scroll) wmontowane są dwie spirale – ruchoma i nieruchoma.

Sprężarki śrubowe zbudowane są ze śrubowych wirników wzajemnie się zazębiających. Wirujące elementy stopniowo ograniczają przestrzeń roboczą i w ten sposób sprężają czynnik chłodniczy.

Sprężarki inwerterowe, spotykane m.in. w systemach VRF, wyposażone są w inwerter, czyli przetwornik prądu. Inwerter pozwala płynnie regulować obroty sprężarki, a zarazem jej wydajność. Dzięki temu urządzenie nie musi pracować w trybie ON/OFF, lecz może płynnie zwiększać lub zmniejszać obroty.
Skraplacz jest elementem budowy jednostki zewnętrznej, który odbiera gorący, sprężony czynnik chłodniczy ze sprężarki. Na ożebrowaniu skraplacza przechodzi on w stan ciekły, oddając ciepło do otoczenia, gdy system klimatyzacji pracuje w funkcji chłodzenia.

Wentylator instalowany jest zarówno w jednostkach zewnętrznych, jak i wewnętrznych klimatyzatora. W funkcji chłodzenia wentylator w jednostce zewnętrznej wspomaga proces oddawania ciepła na skraplaczu, a w jednostce wewnętrznej – proces oddawania chłodnego powietrza do pomieszczenia.
Element dławiący (zawór rozprężny lub kapilara) znajduje się w jednostce wewnętrznej klimatyzatora i redukuje ciśnienie czynnika chłodniczego opuszczającego skraplacz. Element dławiący tworzy na drodze czynnika przewężenie i dławi przepływ. Dzięki temu czynnik o wysokiej temperaturze oraz niskim ciśnieniu zostaje przekształcony w czynnik o niskiej temperaturze i wysokim ciśnieniu. W takim stanie kierowany jest do jednostki wewnętrznej.


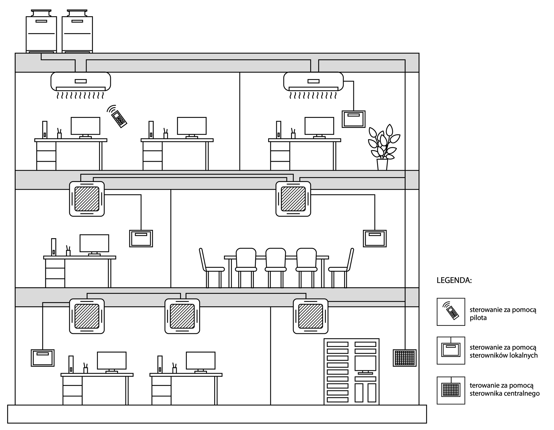
System sterowania umożliwia kierowanie pracą systemu klimatyzacji zgodnie z ustawionymi przez użytkownika temperaturami. Sterowanie działa w połączeniu z czujnikiem temperatury znajdującym się wewnątrz pomieszczenia. W systemach VRF sterowanie może być dodatkowo sprzężone z czujnikiem zewnętrznym lub czujnikami wykrywającymi obecność osób w pomieszczeniu. Rozwiązanie takie pozwala utrzymywać optymalną temperaturę otoczenia w przypadku wykrycia obecności użytkownika. Jeśli czujnik nie wykryje w pomieszczeniu ruchu, automatyczne wyłączy system klimatyzacji, oszczędzając w ten sposób energię. Systemy VRF umożliwiają sterowanie pracą urządzeń z różnych poziomów. Rysunek pokazuje, że sterowanie parametrami powietrza możliwe jest za pomocą pilota lub sterownika umieszczonego w pomieszczeniu, lub za pomocą zmian wprowadzonych do sterownika centralnego.

Parownik jest elementem budowy jednostki wewnętrznej, który pozwala odparować czynnik chłodniczy do stanu gazowego, jednocześnie oddając chłód do pomieszczenia, gdy instalacja pracuje w funkcji chłodzenia.

Filtry mechaniczne (filtry cząstek stałych) należą do standardowego wyposażenia każdej jednostki wewnętrznej w systemie klimatyzacji. Zatrzymują one cząstki kurzu i innych zanieczyszczeń unoszonych przez strugi powietrza. Dostępne są różne rodzaje filtrów poprawiających jakość powietrza i oczyszczających je z zanieczyszczeń. Klasy jakości filtrów regulują normy takie same jak dla instalacji wentylacyjnych.
Żaluzje znajdują się w obudowie jednostki wewnętrznej. Ich konstrukcja może się nieco różnić w zależności od urządzenia, ale wszystkie służą do możliwie równomiernego rozprowadzenia powietrza w pomieszczeniu. Sterowanie ruchem żaluzji odbywa się z poziomu pilota, sterownika znajdującego się w pomieszczeniu lub modułu wi‑fi.
Kanały powietrzne o przekroju okrągłym lub prostokątnym przeznaczone są do dostarczania powietrza do poszczególnych pomieszczeń w systemach klimatyzacji kanałowej i VRF. Zakończone są kratkami wentylacyjnymi. Dzięki takiej budowie instalacja kanałowa jest niewidoczna.
Kanały wykonuje się najczęściej z blachy stalowej ocynkowanej. Dostępne są też droższe kanały aluminiowe lub z tworzyw sztucznych (PVC). Wybór materiału, kształtu i średnicy kanałów musi być zawsze dopasowany do konkretnej inwestycji. Izolacja termiczna i akustyczna jest niezbędna dla minimalizowania strat energii w systemie oraz redukowania hałasu wytwarzanego przez instalację.

Czynniki chłodnicze to związki chemiczne o szczególnych właściwościach termodynamicznych. Podlegają one cyklicznemu sprężaniu i rozprężaniu, które umożliwia wymianę ciepła. Wymaga się, aby cechowały je:
niski punkt wrzenia,
mała objętość pary (po odparowaniu),
nietoksyczność,
niepalność,
niewybuchowość.
Czynniki chłodnicze oznaczane są parametrami ODP i GWP. Potencjał niszczenia ozonu ODP (z ang. Ozone Depletion Potential) opisuje wpływ danego czynnika na rozkładanie ozonu. Stosowane obecnie czynniki chłodnicze zwykle mają ODP równy zero i nie mają potencjału niszczenia ozonu. Globalny potencjał ocieplenia GWP (z ang. Global Warming Potential) opisuje wpływ danego czynnika na potęgowanie efektu cieplarnianego. Współcześnie dąży się do minimalizowania wskaźnika GWP.
Najczęściej wykorzystywane współcześnie czynniki to R290a, R410a i R32. W szczególności popularny jest ten ostatni, ponieważ jest tani, ma niski stopień palności i jest bezpieczny dla środowiska (ODP = 0, GWP = 675).
Czterodrogowy zawór rewersyjny stosowany jest w jednostkach z funkcją grzania. Pozwala odwrócić obieg czynnika roboczego płynącego w instalacji. Dzięki temu instalacja klimatyzująca może zarówno chłodzić, jak i ogrzewać pomieszczenie.
Rury miedziane w otulinie izolacyjnej to rury chłodnicze. W systemie klimatyzacji przewodzą czynnik chłodniczy między skraplaczem a parownikiem. Połączenia rur są spawane lub kielichowe skręcane, a układ poddaje się próbie szczelności. Z punktu widzenia żywotności instalacji klimatyzacyjnej niezwykle ważna jest dbałość o czystość rur i osuszenie instalacji na etapie jej montażu.

Zasady doboru
Przy doborze klimatyzatora należy uwzględnić powierzchnię i kubaturę pomieszczeń. W przypadku pomieszczeń o standardowej wysokości (do 2,8 m) można przyjąć, że na każdy metr kwadratowy powinno przypadać 100 W mocy chłodniczej klimatyzatora. Przykładowo, dla pomieszczenia o powierzchni 25 mIndeks górny 22 potrzeba 2500 W, czyli 2,5 kW mocy chłodniczej.
Moc można też obliczyć, posługując się wzorem uwzględniającym kubaturę pomieszczenia: mIndeks górny 33 x 40 = W (moc chłodnicza)
Należy pamiętać, że oba przedstawione sposoby pozwalają otrzymać jedynie wynik orientacyjny. Dobierając moc urządzenia, trzeba również uwzględnić bilans cieplny danego obiektu, w szczególności zyski ciepła od nasłonecznienia. Wartości, o jakie należy skorygować obliczenia dla rożnych wystaw okiennych, zwykle podawane są w tabelach obliczeniowych ładunku cieplnego.
W obliczeniach należy wziąć pod uwagę m.in.:
liczbę osób przebywających w danym pomieszczeniu i znajdujące się tam urządzenia elektroniczne, które emitują ciepło (np. telewizor, komputer, maszyny w przypadku obiektów przemysłowych),
przeznaczenie pomieszczeń (np. sypialnia, salon z aneksem kuchennym, pracownia komputerowa),
technologię wykonania budynku,
liczbę i wielkość przeszkleń,
usytuowanie względem stron świata.
W dobraniu mocy urządzenia pomocne są kalkulatory, czyli programy obliczeniowe. Większość renomowanych producentów klimatyzacji udostępnia tego typu narzędzia na swoich stronach internetowych.
Znając potrzebną moc klimatyzatora, można przystąpić do wykonania schematu montażowego. Określa on lokalizację jednostek wewnętrznych i zewnętrznych, rozmieszczenie przewodów chłodniczych/powietrznych, miejsca montażu nawiewników, zaworów, filtrów i innych elementów systemu. Na schemacie montażowym określa się też długość i przekrój przewodów chłodniczych/powietrznych potrzebnych do poprawnego podłączenia jednostek wewnętrznych i zewnętrznych.
Grafika przedstawia schemat instalacji klimatyzacyjnej opracowany dla sali konferencyjnej o powierzchni 150 mIndeks górny 22, przeznaczonej dla około 90 osób. Aby zapewnić komfort termiczny przy maksymalnym wypełnieniu sali, w projekcie przewidziano montaż jednostki zewnętrznej o mocy 30 kW z czynnikiem chłodniczym R410A oraz pięciu klimatyzatorów ściennych o mocy 6,1 kW każdy. Instalacja wykonana będzie z rur miedzianych, lutowanych. Skropliny odprowadzać będą rury PVC, kierując kondensat do najbliższego pionu kanalizacyjnego.

Montaż instalacji klimatyzacyjnej
Do montażu instalacji klimatyzacyjnych potrzebna jest odpowiednia wiedza techniczna, umiejętności oraz uprawnienia. Przebiega on w różny sposób w zależności od tego, czy montuje się instalację przeznaczoną dla dużego obiektu handlowego, przemysłowego, czy też mieszkania lub domu jednorodzinnego. Niemniej jednak w każdym przypadku obowiązują pewne wspólne zasady.
Zasady montażu instalacji klimatyzacyjnej
Instalacja powinna być łatwo dostępna w razie konieczności konserwacji, napraw i ewentualnych wymian podzespołów.
2. Estetyka wykonania
Lokalizacja jednostek wewnętrznej i zewnętrznej, a także sposób prowadzenia przewodów wentylacyjnych i chłodniczych nie powinny naruszać estetyki obiektu.
3. Redukcja hałasu
Wybór miejsca dla jednostki zewnętrznej powinien uwzględniać hałas, który ona generuje. Należy wybrać lokalizację oddaloną od pomieszczeń takich jak sypialnie.
4. Wydajność
Przewody i rury powinny być prowadzone w liniach prostych pionowych i poziomych, bez zbędnych promieni gięcia, gwarantując optymalny przepływ powietrza lub cieczy.
5. Bezpieczeństwo
Należy upewnić się, że przewody elektryczne i komunikacyjne są zabezpieczone i nienarażone na uszkodzenia mechaniczne lub niepożądane oddziaływanie innych czynników, takich jak wilgoć, wysoka temperatura czy promieniowanie słoneczne.
Opisy prezentowanych na grafikach obiektów są załączone w treści.
W przypadku klimatyzacji typu split montaż przebiega w następujących krokach:
Trasowanie, czyli wyznaczenie linii przebiegu instalacji. Przebieg przewodów/rur nie może kolidować z elementami konstrukcyjnymi budynku lub innymi instalacjami. Przewody powinny przebiegać w liniach poziomych i pionowych. Miejsce na jednostkę zewnętrzną i wewnętrzną należy wyznaczyć zgodnie ze wskazówkami zawartymi w dokumentacji technicznej, zachowując wymagane odległości od sufitów i ścian w celu zapewnienia cyrkulacji powietrza.
Dobra lokalizacja jednostki wewnętrznej klimatyzatora powinna zapewniać odpowiednią cyrkulację powietrza i zachowanie odległości od urządzeń elektrycznych. Podłoże musi być stabilne i nie przenosić drgań. Należy też upewnić się, czy hałas wywoływany przez jednostkę nie będzie uciążliwy dla innych (np. w pomieszczeniu za ścianą). Nie należy montować jednostki w pobliżu okien i drzwi, źródeł ciepła oraz materiałów palnych.
Montaż jednostki wewnętrznej na dołączonej do urządzenia płycie montażowej. Należy zwrócić uwagę na właściwe wypoziomowanie urządzenia oraz zapewnienie wystarczającej ilości miejsca na poprowadzenie rur chłodniczych przez przepust w ścianie.
Wiercenie przepustu pod rury chłodnicze połączeniowe. Otwór należy wykonać za pomocą wiertnicy z koroną. Powinien mieć średnicę około 65 mm. Wykonać go należy pod kątem, zapewniając spadek w dół, w kierunku na zewnątrz, co ułatwi odprowadzanie wody. Przed przystąpieniem do wiercenia należy się upewnić, czy w wybranym miejscu nie przebiegają przewody elektryczne.
Przygotowanie rur chłodniczych. Rury należy przyciąć na długość, a na ich zakończeniach wykonać kielichy, wykorzystując kielicharkę. Krawędzie rur powinny być gładkie i zaokrąglone, co gwarantuje szczelność instalacji chłodniczej. Na tak wykonane zakończenia rur nakłada się nakrętki i pastę zapobiegającą skręceniu rury w trakcie dokręcania śrubunku.

Podczas montażu rur chłodniczych należy zadbać o suchość i czystość rur. Końcówki rur należy oczyścić z opiłków gratownikiem. Połączenia powinny być gładkie i równe. Wszelkie zanieczyszczenia, które przedostaną się do rur podczas montażu, grożą późniejszym uszkodzeniem instalacji.
Podłączenie do jednostki wewnętrznej rur chłodniczych, węża odpływowego do skroplin oraz przewodów (zgodnie ze schematem okablowania znajdującym się wewnątrz pokrywy na przewody i w dokumentacji technicznej). Uwaga: przewody elektryczne nie mogą stykać się z rurami czynnika chłodniczego, sprężarką ani z innymi elementami ruchomymi klimatyzatora.
Wyprowadzenie rury czynnika, węża odpływowego i kabla sygnałowego przez otwór w ścianie do jednostki zewnętrznej. Zwykle wymienione elementy łączy się w wiązkę i izoluje. Pozwala to zaoszczędzić miejsce. Należy zwrócić uwagę, aby waż na skropliny był w dolnej części wiązki, a nie nad przewodami elektrycznymi.

Montaż jednostki zewnętrznej na cokole lub wsporniku, z zachowaniem odległości od ścian, w miejscu chronionym przed deszczem i działaniem promieni słonecznych.
Podłączenie rur chłodniczych do zaworów na jednostce zewnętrznej. Ręcznie dokręca się nakrętki kielichowe do oporu, a następnie należy użyć klucza dynamometrycznego zgodnie z podanym w dokumentacji momentem obrotowym.

Wykonanie próżni technologicznej to czynność pozwalająca osuszyć instalację i wykryć nieszczelności. Pompa próżniowa i zestaw manometrów umożliwiają usunięcie powietrza z obiegu czynnika chłodniczego, odprowadzając wszelkie gazy nieskraplające się i wilgoć.
Po zakończeniu montażu należy założyć kartę urządzenia i wpisać informacje dotyczące montażu i kontroli szczelności. Urządzenia zawierające więcej niż 3 kg czynnika chłodniczego lub o mocy większej niż 13 kW należy zarejestrować w Centralnym Rejestrze Operatorów.
Uruchomienie i regulacja
Kontrola pomontażowa obejmuje następujące czynności:
Przed uruchomieniem należy sprawdzić, czy wszystkie elementy instalacji zostały poprawnie zamontowane i podłączone zgodnie z projektem oraz instrukcjami producenta.
2. Testowanie urządzeń
Należy uruchomić poszczególne urządzenia klimatyzacyjne i sprawdź ich działanie. Upewnić się, że jednostki zewnętrzne i wewnętrzne działają poprawnie, a wentylatory, sprężarki i inne komponenty pracują bez zakłóceń.
3. Pomiar przepływu powietrza
Za pomocą urządzeń pomiarowych należy sprawdzić, czy przepływ powietrza przez przewody powietrzne jest odpowiedni. Przewody muszą być drożne i szczelne.
4. Kalibracja i regulacja czujników
Czujniki temperatury, wilgotności, przepływów wymagają kalibracji. Należy też upewnić się, że są zamontowane w odpowiednich miejscach i zapewniają dokładne odczyty.
5. Ustawienia temperatury i trybów pracy
Należy skonfigurować ustawienia temperatury i trybów pracy zgodnie z życzeniem użytkowników.
6. Szkolenie użytkowników
Jego celem jest zapoznanie użytkowników z obsługą instalacji klimatyzacyjnej, w tym ze sposobem korzystania z panelu sterującego, regulacji temperatury, sposobu wymiany filtrów powietrza. Należy też poinformować użytkowników o konieczności regularnej konserwacji i przeglądów instalacji klimatyzacyjnej.
Opisy prezentowanych na grafikach obiektów są załączone w treści.
Podczas pierwszego uruchomienia należy upewnić się, że układ chłodniczy klimatyzatora jest szczelny. Można tego dokonać przy użyciu wykrywacza wycieków gazu. Należy sprawdzić, czy po uruchomieniu urządzenie pracuje poprawnie, osiągając zaprogramowane temperatury. Praca jednostek powinna być cicha i równa.
Zasady prawidłowej eksploatacji
Prawidłowo zamontowany klimatyzator to urządzenie niemal bezobsługowe. Użytkownicy jedynie programują sterownik lub ręcznie ustawiają temperatury i prędkości wentylatora. Podczas korzystania z klimatyzacji warto pamiętać o tym, aby ustawiona na sterowniku temperatura nie była dużo niższa niż ta na zewnątrz.
Dla zachowania sprawności urządzenia zalecane jest regularne czyszczenie parownika i skraplacza, wymiana filtrów i kontrola szczelności. Warto też systematycznie sprawdzać drożność przewodu odprowadzającego skropliny. Wszystkich tych czynności powinien dokonywać wykwalifikowany serwisant.
4. Hałas a instalacja wentylacji i klimatyzacji
Elementem generującym hałas w instalacji wentylacyjnej jest wentylator. W instalacji klimatyzacyjnej dodatkowym źródłem dźwięku jest sprężarka, choć warto podkreślić, że nowoczesne sprężarki inwerterowe emitują hałas na poziomie około 20 dB (podobnie jak sprężarka lodówki).
Oceny hałasu emitowanego przez urządzenia klimatyzacyjne i wentylacyjne dokonuje się, mierząc poziom dźwięku z uwzględnieniem poprawki korekcyjnej A, potocznie określanej jako poziom dźwięku A. Normy określają dopuszczalny poziom dźwięku A dla pomieszczeń, a urządzenia klimatyzacyjne oraz wentylacyjne są zaprojektowane i wykonane tak, aby normy te spełniać.
Jeśli jednak instalacja emituje nadmierny hałas, możliwe jest wykonanie jego pomiarów przy użyciu sonometru z wbudowanym modułem korekcyjnym A. Urządzenie to pozwoli odczytać zmierzoną w pomieszczeniach wielkość hałasu, a specjalista na tej podstawie określi dominujące częstotliwości i oceni, co jest jego źródłem (wentylator czy np. nawiewniki).
W przypadku central wentylacyjnych i klimatyzacyjnych norma PN‑EN 13053+A1:2011 Wentylacja budynków – Centrale wentylacyjne i klimatyzacyjne – Klasyfikacja i charakterystyki działania urządzeń, elementów składowych i sekcji określa dopuszczalne wartości mocy akustycznej w pasmach od 125 Hz do 8 kHz. Dopuszczalny poziom hałasu odnosi się do budynków umeblowanych i pozbawionych pogłosu.
Rodzaj budynku | Najwyższy dopuszczalny poziom dźwięku A [dB] |
|---|---|
Budynki jednorodzinne | 25–35 |
Hotele | 25–30 |
Żłobki i przedszkola | 30 |
Szkoły | 30–40 |
Szkoły wyższe | 35 |
Biblioteki | 30 |
Tab. 2. Dopuszczalny poziom dźwięku w pomieszczeniach chronionych
Energia akustyczna wytwarzana przez wentylator zmniejsza się stopniowo, w miarę jak wzrasta odległość od centrali wentylacyjnej. Jest to skutek naturalnego tłumienia przez instalację i jej elementy: przewody wentylacyjne, rozgałęzienia, nawiewniki. Zadaniem projektanta jest takie zaplanowanie instalacji, aby poziom dźwięku A w pomieszczeniach nie przekraczał wartości dopuszczalnych, określonych przez normę.
Praktyki sprzyjające redukcji hałasu w instalacjach klimatyzacyjnych i wentylacyjnych
2. Montaż centrali wentylacyjnej/klimatyzacyjnej z dala od sypialni.
3. Unikanie stosowania ostrych łuków na przewodach wentylacyjnych/klimatyzacyjnych. Zamiast kolanka 90 stopni warto zastosować dwa kolana po 45 stopni.
4. W razie konieczności stosowanie tłumików hałasu na wyjściu z centrali. Zachowanie odległości minimum 3–4 metrów między centralą a anemostatem. Im większa odległość, tym lepsze tłumienie.
Opisy prezentowanych na grafikach obiektów są załączone w treści.
5. Bibliografia i netografia
Bibliografia
Butrymowicz D., Gutkowski K. Chłodnictwo i klimatyzacja, PWN, Warszawa 2016.
Gaziński B., Urządzenia chłodnicze i przepisy prawne. Technika chłodnicza dla praktyków, Systherm, Poznań 2010.
W.P. Jones, Klimatyzacja, Wydawnictwo Arkady, Warszawa 2001.
B. Lipska, Z. Trzeciakiewicz, Projektowanie wentylacji i klimatyzacji. Zagadnienia zaawansowane, Wydawnictwo Politechniki Śląskiej, Katowice 2019.
Owens R., Wentylacja mechaniczna, Edra, Wrocław 2023.
A. Pełech, Wentylacja i klimatyzacja – podstawy, Wydawnictwo Politechniki Wrocławskiej, Wrocław 2008.
Pykacz S., Kostyrko M., Wytyczne projektowania instalacji wentylacyjnych i klimatyzacyjnych pod kątem zabezpieczeń akustycznych, [b.m.] 1995.
Recknagel H., Sprenger E., Honmann W., Schramek E.R., Poradnik: Ogrzewanie + Klimatyzacja, Gdańsk 1994.
Staniszewski D., Targański W., Odzysk ciepła w instalacjach chłodniczych i klimatyzacyjnych, MASTA, Gdańsk 2007.
Warunki techniczne wykonania i odbioru instalacji wentylacyjnych, zeszyt nr 5, oprac. Centralny Ośrodek Badawczo‑Rozwojowy Techniki Instalacyjnej INSTAL, Warszawa 2002.
Netografia
InstalReporter, e‑czasopismo branży instalacyjnej,Archiwum wentylacja i klimatyzacja, https://instalreporter.pl/archiwum-wentylacja-i-klimatyzacja/ (dostęp 13.10.2022).
Klimatyzacja https://www.klimatyzacja.pl/wentylacja/artykuly (dostęp 13.10.2022).
Serwis internetowy branży klimatyzacji, wentylacji oraz chłodnictwa, https://www.klimatyzacja.pl (dostęp: 10.09.2021).
Stowarzyszenie Polska Wentylacja, http://www.wentylacja.org.pl/ (dostęp: 27.05.2022).
Vademecum dla uczniów technikum. Instalacje wentylacji i klimatyzacji, https://instsani.pl/technik-inzynierii-sanitarnej/vademecum-instalacji-sanitarnych/instalacje-wentylacji-i-klimatyzacji/ (dostęp: 23.08.2022).
Wentylacja i klimatyzacja, http://www.instalacjebudowlane.pl (dostęp 13.10.2022)
Wróć do spisu treściWróć do spisu treści
Powrót do materiału głównegoPowrót do materiału głównego