Nadzorowanie przebiegu procesów metalurgicznych
Organizacja i prowadzenie procesów metalurgicznych – Technik przemysłu metalurgicznego
Struktury metalograficzne stopów żelaza, metali nieżelaznych oraz ich stopów
GALERIA ZDJĘĆ
Spis treści
Stanowisko pracy przygotowania próbek metalograficznychStanowisko pracy przygotowania próbek metalograficznych
Badania makro- i mikrooskopoweBadania makro- i mikrooskopowe
Mikrostruktury Fe‑C badane na mikroskopie świeltnymMikrostruktury Fe‑C badane na mikroskopie świeltnym
Mikrostruktury Fe‑C badane na skaningowym mikroskopie elektronowymMikrostruktury Fe‑C badane na skaningowym mikroskopie elektronowym
Mikrostruktura ferrytyczno‑perlitycznaMikrostruktura ferrytyczno‑perlityczna
PerlitPerlit
BainitBainit
MartenzytMartenzyt
Mikrostruktury metali nieżelaznych badane na mikroskopie świetlnymMikrostruktury metali nieżelaznych badane na mikroskopie świetlnym
Mosiądz Mosiądz
Brąz cynowy Brąz cynowy
Silumin modyfikowany Silumin modyfikowany
Silumin niemodyfikowany Silumin niemodyfikowany
Stanowisko pracy przygotowania próbek metalograficznych
Próbki badawcze (zgłady metalograficzne) używane podczas badań mikroskopowych muszą być odpowiednio przygotowane.
Miejsce wycięcia próbki do badań mikroskopowych najczęściej dokonuje się na podstawie badań makroskopowych, zależnych od celu badania i kształtu badanego elementu. W zależności od potrzeb wykonywanych badań (określenie wielkości ziaren, identyfikacja składników struktury itp.) dobiera się odpowiedni odczynnik trawiący. Szlifowanie i polerowanie powinno zapewniać obserwacje powierzchni bez rys pochodzących z procesu przygotowania zgładu.
Poniżej opisano kolejne stanowiska przygotowywania próbek badawczych:
Wycinanie (pobranie próbki), najczęściej przy użyciu piły lub przecinarki metalograficznej, w celu odcięcia obiektu przeznaczonego do badań mikrostrukturalnych.


Galeria przedstawia dwie ilustracje urządzeń.
Przecinarka precyzyjna. Wewnątrz metalowego pudła z przeźroczystą klapą znajduje się na okrągłe ostrze umocowane na ruchomej rączce. Pod ostrzem jest płyta z zamocowaną na niej próbką. Po prawej stronie pudła połączone z nim jest mniejsze wąskie pudło z ukośnie ściętym jednym rogiem, na którym znajduje się ekran. Pod ekranem są trzy pokrętła, a poniżej duże czerwone pokrętło.
Przecinarka ręczna. Ma kształt pudła z podstawą do mocowania próbki oraz zakrzywioną przeźroczystą pokrywą. Na podstawie znajduje się silnik z zamocowanym ostrzem. Na boku przecinarki jest dźwignia do ręcznego pochylania ostrza.
Zatapianie (inkludowanie) w specjalnych masach i żywicach termo i chemoutwardzalnych przez zalewanie na zimno (ręczne) lub przy użyciu specjalnych wysokotemperaturowych pras, celem inkludowania jest uzyskanie odpowiedniego kształtu zgładu metlograficznego umożliwiające dobre mocowanie próbki podczas szlifowania i polerowania,


Galeria przedstawia dwie ilustracje.
Foremki do inkludowania próbek w żywicy. Są to ceramiczne pojemniczki o różnych rozmiarach w kształkie walców lub prostopadłościanów.
Próbka inkludowana. Na obrazku widać zielony półprzeźroczysty walec z żywicy, na którego jednej podstawie widoczne są trzy prostokątne płytki próbek.
Szlifowanie wykonuje się najczęściej przy użyciu wodnych papierów ściernych o gradacji od do dla zgładów przeznaczonych do badań makroskopowych lub do dla zgładów przeznaczonych do badań mikroskopowych. W trakcie szlifowania powierzchnia próbki powinna być obracana, a zmiana gradacji papieru ściernego następuje po usunięciu wcześniejszych rys powstałych podczas szlifowania na papierze o grubszym ścierniwie.
Następnie próbkę poleruje się w celu uzyskania podczas obserwacji zgładu metalograficznego powierzchni bez rys, które utrudniałby obserwacje mikrostruktury. Polerowanie mechaniczne wykonuje się przy użyciu szlifierko‑polerek lub elektrolityczne przy użyciu elektropolerek (anodowe rozpuszczanie powierzchni próbki przy użyciu specjalnie przygotowanego elektrolitu).

Na zdjęciu widoczna jest szlifierka metalurgiczna ręczna. Podstawą urządzenia jest prostopadłościan ze ściętą boczną ścianą. Po lewej stronie przedniej ściany widoczne są dwa pokrętła. W górnej podstawie prostopadłościany znajdują się dwa okrągłe kształty. Nad każdym zamontowana jest wylewka kranu. Przed urządzeniem leżą dwie niebieskie pokrywy. Na środku pokrywy mają uchwyty.
Trawienie wykonuje się przy użyciu odczynników chemicznych i ma na celu między innymi ujawnienie składników strukturalnych czy granic ziaren. Trawienie wykonuje się przez zanurzenie, pocieranie lub trawienie elektrolityczne. Wyniki badań makroskopowych i mikroskopowych zależą głównie od składu chemicznego użytego odczynnika trawiącego, temperatury i czasu trawienia a także od przygotowania powierzchni próbki do badań. Zbyt długi czas trawienia może spowodować pozorne powiększenie wymiarów elementów mikrostruktury, wad czy nieciągłości, zbyt krótki może spowodować ich nieujawnienie. Dla zachowania powtarzalności wyników jest konieczne ścisłe przestrzeganie warunków przygotowania powierzchni do badań i trawienia oraz procedura ich wykonania.


Galeria przedstawia dwie ilustracje.
Trawienie próbki w odczynniku przy użyciu szczypiec. Pokazana jest walcowata miseczka z cieczą, do której z pomocą metalowych szczypiec wkładana jest okrągła czarna próbka z kwadratową płytką.
Gotowe inkludowane próbki. Pokazane jest pięć kolorowych walców z żywicy z zatopionymi w nich próbkami. Próbki są różnych kształtów: jeden duży kwadrat, trzy małe kwadraty, koło, sześciokąt oraz sześciokąt z wyciętym kołem.
Powrót do spisu treściPowrót do spisu treści
Badania makro- i mikroskopowe
Badania makroskopowe przeprowadza się wykonując obserwacje tzw. okiem nieuzbrojonym lub przy użyciu niewielkich powiększeń do ok. krotnych, badania mikroskopowe wykonuje się przy użyciu różnego rodzaju mikroskopów świetlnych (powiększenia do ok. razy) i elektronowych (przy powiększeniach sięgających od kilkuset - razy i więcej).
Badania mikroskopowe metali nazywane także badaniami metalograficznymi wykonuje się przy użyciu mikroskopów świetlnych (światło jest nośnikiem informacji) stosując powiększenia od kilku do ok. razy oraz mikroskopów elektronowych (do obrazowania wykorzystuje się wiązkę elektronów) stosując powiększenia od kilkuset do razy i więcej. Stosowane mikroskopy świetlne nazywane są metalograficznymi (światło odbija się lub jest rozpraszane przez powierzchnię próbki w odróżnienie od mikroskopów biologicznych, gdzie światło przechodzi przez badany preparat). W zależności od odziaływania wiązki elektronów z badaną próbką mikroskopy elektronowe dzieli się na skaningowe mikroskopy elektronowe SEM (wiązka elektronów oddziałuje z powierzchnią badanej próbki) i transmisyjne mikroskopy elektronowe TEM (wiązka elektronów przechodzi przez próbkę).


Galeria przedstawia dwa schematy mikroskopów.
Mikroskop świetlny. Na prostokątnej podstawie znajduje się port świetlny z lampką skierowaną w górę. Do podstawy zamocowana jest rama statywu z okrągłymi pokrętłami, tak zwanymi przesuwami zgrubnym i precyzyjnym, które służą do ustawiania wyostrzenia obrazu. Wyżej jest stolik przedmiotowy. Od dolnej strony stolika jest kondensator ustawiony nad portem świetlnym, oraz przesuw poziomy stolika i kondensatora. Na stoliku są łapki stolika do mocowania próbek. Powyżej stolika, na statywie, znajduje się głowica binokularowa. W dolnej części głowicy jest rewolwer z obiektywami mikroskopowymi. W górnej części głowicy zamontowane sa dwa okulary z pierścieniami dioptryjnymi.
Mikroskop skaningowy. Schemat pokazuje przekrój urządzenia. Dolna część to grubościenne pudło z komorą na próbkę i czujniki. Górna część to kolumna działa elektronowego. Na ścianach pudła znajdują się komora zmiany próbki oraz pudło z pokrętłami do regulacji czujników. Na szczycie kolumny jest cylinder Wenelta oraz katoda, a poniżej anoda. Pod anodą jest soczewka skupiająca z pokrętłem do regulacji skupienia. Pod soczewką jest pokrętło do regulacji obiektywu. Poniżej, już wewnątrz komory, umieszczony jest obiektyw oraz cewki skanujące. Na dole kolumny, nad próbką, znajduje się detektor elektronów. Obok próbki, wewnątrz komory, umieszczony jest drugi sensor elektronów.
Powrót do spisu treściPowrót do spisu treści
Mikrostruktury badane na mikroskopie świeltnym
Ferryt
Fotografie wykonane w technologii: mikroskop świetlny, jasne pole widzenia
Ferryt - roztwór stały jednego lub więcej pierwiastków w żelazie - lub w żelazie - . W przypadku stali węglowych definicja ferrytu przyjmuje postać:
Ferryt () - międzywęzłowy roztwór stały węgla w żelazie a. Rozpuszczalność węgla w jest niewielka i silnie zależy od temperatury, przy wynosi (punkt Q na wykresie) a przy wynosi (punkt S na wykresie), czyli występuje zmienna rozpuszczalność z temperaturą.
Ferryt () - międzywęzłowy roztwór stały węgla w wysokotemperaturowej odmianie żelaza . Wykazuje większą rozpuszczalność węgla niż ferryt (do ) (punkt H na wykresie).
Ferryt z wytrawionymi granicami ziaren - powiększenie 100x
Ilustracja interaktywna przedstawia żelazo Amrco o zawartości węgla mniejszej od dwóch setnych procenta. Na ilustracji oznaczono kolejnymi cyframi poszczególne elementy struktury. Po naciśnięciu danej cyfry rozwija się szczegółowy opis danego elementu wraz z nagraniem audio. Nagranie audio odpowiada tekstowi znajdującemu się w opisie elementu.
Cyfrą oznaczono Ferryt.
Na zdjęciu widoczne są struktury przypominające plastry miodu. Struktury z białym wypełnieniem to ferryt. Na jednej ze struktur widoczna jest cyfra jeden. Pozostałe struktury mają czarno białe wypełnienie. Kolor czarny jest w kształcie małych okręgów.
W prawym dolnym rogu widoczna jest skala. Czerwony odcinek jest równy dwudziestu mikrometrów.

Ferryt z wytrawionymi granicami ziaren - powiększenie 5x

Ferryt z wytrawionymi granicami ziaren - powiększenie 10x

Ferryt z wytrawionymi granicami ziaren - powiększenie 20x

Ferryt z wytrawionymi granicami ziaren - powiększenie 50x
Galeria przedstawia cztery zdjęcia próbek ferrytu w różnych powiększeniach.
Grafika przedstawia żelazo Armco o zawartości węgla mniejszej od dwóch setnych procent. Widoczny jest Ferryt z wytrawionymi granicami ziaren w powiększeniu pięciokrotnym. Powierzchnia ferrytu jest podzielona na ziarna o różnych kształtach i rozmiarach. Ziarna są w odcieniach bieli i beżu. Część ziaren jest jaśniejsza od pozostałych i posiada czarne obwódki.
Grafika przedstawia żelazo Armco o zawartości węgla mniejszej od dwóch setnych procent. Widoczny jest Ferryt z wytrawionymi granicami ziaren w powiększeniu dziesięciokrotnym. Powierzchnia ferrytu jest podzielona na ziarna o różnych kształtach i rozmiarach. Ziarna są w odcieniach bieli i beżu. Część ziaren jest jaśniejsza od pozostałych i posiada czarne obwódki.
Grafika przedstawia żelazo Armco o zawartości węgla mniejszej od dwóch setnych procent. Widoczny jest Ferryt z wytrawionymi granicami ziaren w powiększeniu dwudziestokrotnym. Powierzchnia ferrytu jest podzielona na ziarna o różnych kształtach i rozmiarach. Ziarna są w odcieniach bieli i beżu z czarnymi kropkami. Część ziaren jest jaśniejsza od pozostałych i posiada mniej ciemnych kropek.
Grafika przedstawia żelazo Armco o zawartości węgla mniejszej od dwóch setnych procent. Widoczny jest Ferryt z wytrawionymi granicami ziaren w powiększeniu pięćdziesięciokrotnym. Powierzchnia ferrytu jest podzielona na ziarna o różnych kształtach i rozmiarach. Ziarna są w odcieniach bieli i beżu z czarnymi kropkami. Część ziaren jest jaśniejsza od pozostałych i posiada mniej ciemnych kropek.
Austenit
Fotografie wykonane w technologii: mikroskop świetlny, kontrast Nomarskiego
Austenit - roztwór stały jednego lub więcej pierwiastków w żelazie - . W przypadku stali węglowych definicja austenitu przyjmuje postać:
Austenit () - międzywęzłowy roztwór stały węgla w żelazie. Rozpuszczalność węgla w jest duża i silnie zależy od temperatury, przy wynosi (punkt S na wykresie) a przy wynosi (punkt E na wykresie), czyli występuje zmienna rozpuszczalność z temperaturą. W warunkach równowagowych w stalach węglowych nie istnieje poniżej temperatury
Powiększenie 200x
Ilustracja interaktywna przedstawia mikrostrukturę austenityczną. Na ilustracji oznaczono kolejnymi cyframi poszczególne elementy struktury. Po naciśnięciu danej cyfry rozwija się szczegółowy opis danego elementu wraz z nagraniem audio. Nagranie audio odpowiada tekstowi znajdującemu się w opisie elementu.
Cyfrą oznaczono Austenit.
Na zdjęciu widoczne są wklęsłe i wypukłe struktury koloru białego przypominające ślady na śniegu Struktury są o kształcie wieloboków nieforemnych. Na jednej z wklęsłych struktur znajduje się cyfra jeden. Jest to austenit.
W prawym dolnym rogu widoczna jest skala. Czerwony odcinek jest równy dziesięciu mikrometrów.

Powiększenie 20x

Powiększenie 50x

Powiększenie 100x
Galeria przedstawia trzy zdjęcia próbek mikrostruktur austenitycznych w różnych powiększeniach.
Ilustracja przedstawia mikrostrukturę austenityczną w powiększeniu dwudziestokrotnym. Mikrostruktura jest biała z wielokątnymi nieregularnymi wgłębieniami w jej powierzchni.
Ilustracja przedstawia mikrostrukturę austenityczną w powiększeniu pięćdziesięciokrotnym. Mikrostruktura jest biała z wielokątnymi nieregularnymi wgłębieniami w jej powierzchni.
Ilustracja przedstawia mikrostrukturę austenityczną w powiększeniu stukrotnym. Mikrostruktura jest biała z wielokątnymi nieregularnymi wgłębieniami w jej powierzchni.
Perlit
Fotografie wykonane w technologii: mikroskop świetlny, jasne pole widzenia
Perlit - jest produktem przemiany austenitu w ferryt i cementyt, jest mieszaniną płytek ferrytu i cementytu o stosunku grubości
Struktura perlityczna - powiększenie 100x
Ilustracja interaktywna przedstawia stop o zawartości węgla siedemdziesięciu siedmiu setnych procenta. Na ilustracji oznaczono kolejnymi cyframi poszczególne elementy struktury. Po naciśnięciu danej cyfry rozwija się szczegółowy opis danego elementu wraz z nagraniem audio. Nagranie audio odpowiada tekstowi znajdującemu się w opisie elementu.
Cyfrą oznaczono Perlit.
Na zdjęciu widoczne są szaro‑fioletowe struktury przypominające mozaikę. Struktury o wypełnieniu które ma czarne proste równoległe oznaczone jest cyfra jeden. Jest to perlit. Duże nagromadzenie perlitu znajduje się w dolnej części zdjęcia.
W prawym dolnym rogu widoczna jest skala. Czerwony odcinek jest równy dwudziestu mikrometrów.

Struktura perlityczna - powiększenie 5x

Struktura perlityczna - powiększenie 10x

Struktura perlityczna - powiększenie 50x
Galeria przedstawia trzy zdjęcia próbek struktury perlitycznej w różnych powiększeniach.
Grafika przedstawia zdjęcie próbki stopu o zawartości węgla siedemdziesięciu siedmiu setnych procenta. Pokazana jest struktura perlityczna w powiększeniu pięciokrotnym. Widoczne są mieniące się różnymi kolorami struktury krystaliczne.
Grafika przedstawia zdjęcie próbki stopu o zawartości węgla siedemdziesięciu siedmiu setnych procenta. Pokazana jest struktura perlityczna w powiększeniu dziesięciokrotnym. Widoczne są mieniące się różnymi kolorami struktury krystaliczne.
Grafika przedstawia zdjęcie próbki stopu o zawartości węgla siedemdziesięciu siedmiu setnych procenta. Pokazana jest struktura perlityczna w powiększeniu pięćdziesięciokrotnym. Widoczne są dwa większe obszary, jasny i ciemny. Podzielone są one z kolei na mniejsze ziarna składające się z jeszcze mniejszych, podłużnych struktur, na zmianę jaśniejszych i ciemniejszych.
Martenzyt
Fotografie wykonane w technologii: mikroskop świetlny, jasne pole widzenia
Martenzyt - to metastabilny roztwór stały o przestrzennie centrowanej sieci tetragonalnej, powstaje wskutek bezdyfuzyjnej przemiany austenitu. W przypadku stali węglowych definicja martenzytu przyjmuje postać:
Martenzyt - przesycony roztwór stały węgla w żelazie utworzony podczas bezdyfuzujnej (martenzytycznej) przemiany austenitu.
Powiększenie 50x
Ilustracja interaktywna przedstawia mikrostrukturę martenzytyczną. Na ilustracji oznaczono kolejnymi cyframi poszczególne elementy struktury. Po naciśnięciu danej cyfry rozwija się szczegółowy opis danego elementu wraz z nagraniem audio. Nagranie audio odpowiada tekstowi znajdującemu się w opisie elementu.
Cyfrą oznaczono martenzyt.
Na zdjęciu widoczne są szaro‑granatowe struktury przypominające mozaikę wykonaną z igieł. Na czarnych kształtach widoczna jest cyfra jeden oznaczająca martenzyt.
W prawym dolnym rogu widoczna jest skala. Czerwony odcinek jest równy pięćdziesięciu mikrometrów.

Powiększenie 10x

Powiększenie 20x
Galeria przedstawia dwa zdjęcia mikrostruktury martenzytycznej w różnych powiększeniach.
Zdjęcie przedstawia mikrostrukturę martenzytyczną w powiększeniu dziesięciokrotnym. Widoczne są małe podłużne ziarna w odcieniach szarości, czerni i brązu, przypominające kształtem drzazgi.
Zdjęcie przedstawia mikrostrukturę martenzytyczną w powiększeniu dwudziestokrotnym. Widoczne są małe podłużne ziarna w odcieniach szarości, czerni i brązu, przypominające kształtem drzazgi.
Bainit
Fotografie wykonane w technologii: mikroskop świetlny, jasne pole widzenia
Bainit – produkt przemiany bainitycznej stali składający się z przesyconego ferrytu węglem i węglików. Ze względu na temperaturę powstawania rozróżnia się bainit gorny (ok. ) i bainit dolny (poniżej ).
Powiększenie 100x
Ilustracja interaktywna przedstawia mikrostrukturę bainityczną. Na ilustracji oznaczono kolejnymi cyframi poszczególne elementy struktury. Po naciśnięciu danej cyfry rozwija się szczegółowy opis danego elementu wraz z nagraniem audio. Nagranie audio odpowiada tekstowi znajdującemu się w opisie elementu.
Cyfrą oznaczono bainit.
Na zdjęciu widoczne są czarno‑granatowe struktury przypominające granitową mozaikę. Na czarnych kształtach przypominających igły widoczna jest cyfra jeden oznaczająca bainit.
W prawym dolnym rogu widoczna jest skala. Czerwony odcinek jest równy pięćdziesięciu mikrometrów.

Powiększenie 20x

Powiększenie 50x
Galeria przedstawia dwa zdjęcia mikrostruktury bainitycznej w różnych powiększeniach.
Zdjęcie przedstawia mikrostrukturę bainityczną w powiększeniu dwudziestokrotnym. Widoczne są czarne drobiny ziaren zatopione w beżowej substancji.
Zdjęcie przedstawia mikrostrukturę bainityczną w powiększeniu pięćdziesięciokrotnym. Widoczne są czarne drobiny ziaren z białymi prążkami, zatopione w beżowej substancji.
Mikrostruktura ferrytyczno‑perlityczna
Fotografie wykonane w technologii: mikroskop świetlny, jasne pole widzenia
Struktura ferrytyczno‑perlityczna, siatka jasno trawiących się ziaren ferrytu i ciemne ziarna perlitu - powiększenie 50x
Ilustracja interaktywna przedstawia stop o zawartości węgla sześciu dziesiątych procenta. Na ilustracji oznaczono kolejnymi cyframi poszczególne elementy struktury. Po naciśnięciu danej cyfry rozwija się szczegółowy opis danego elementu wraz z nagraniem audio. Nagranie audio odpowiada tekstowi znajdującemu się w opisie elementu.
Cyfrą oznaczono perlit.
Cyfrą oznaczono ferryt.
Na zdjęciu widoczne są czarno‑brązowo‑białe struktury przypominające granitową mozaikę. Kształty mają nieregularne krawędzie. Na czarnych kształtach widać cyfrę jeden oznaczającą perlit. Na białych kształtach widać cyfrę dwa oznaczającą ferryt. Kształty są równomiernie rozmieszczone.
W prawym dolnym rogu widoczna jest skala. Czerwony odcinek jest równy dwudziestu mikrometrów.

Struktura ferrytyczno‑perlityczna, siatka jasno trawiących się ziaren ferrytu i ciemne ziarna perlitu - powiększenie 5x

Struktura ferrytyczno‑perlityczna, siatka jasno trawiących się ziaren ferrytu i ciemne ziarna perlitu - powiększenie 10x

Struktura ferrytyczno‑perlityczna, siatka jasno trawiących się ziaren ferrytu i ciemne ziarna perlitu - powiększenie 20x
Galeria przedstawia trzy zdjęcia struktur ferrytyczno perlitycznych stopu o zawartości węgla wynoszącej sześć dziesiątych procent w różnych powiększeniach.
Zdjęcie przedstawia stop o zawartości węgla sześć dziesiątych procent. Pokazana jest struktura ferrytyczno perlityczna, jest to siatka jasno trawiących się ziaren ferrytu i ciemne ziarna perlitu, widoczne w powiększeniu pięciokrotnym. Widoczne są wyraźnie odznaczające się od siebie duże i ciemne ziarna perlitu oraz mniejsze białe ziarna ferrytu. Ziarna ferrytu tworzą granice między ziarnami perlitu, oddzielając je od siebie.
Zdjęcie przedstawia stop o zawartości węgla sześć dziesiątych procent. Pokazana jest struktura ferrytyczno perlityczna, jest to siatka jasno trawiących się ziaren ferrytu i ciemne ziarna perlitu, widoczne w powiększeniu dziesięciokrotnym. Widoczne są wyraźnie odznaczające się od siebie duże i ciemne ziarna perlitu oraz mniejsze białe ziarna ferrytu. Ziarna ferrytu tworzą granice między ziarnami perlitu, oddzielając je od siebie.
Zdjęcie przedstawia stop o zawartości węgla sześć dziesiątych procent. Pokazana jest struktura ferrytyczno perlityczna, jest to siatka jasno trawiących się ziaren ferrytu i ciemne ziarna perlitu, widoczne w powiększeniu dwudziestokrotnym. Widoczne są wyraźnie odznaczające się od siebie duże i ciemne ziarna perlitu, na niektórych z nich są widoczne jaśniejsze prążki, oraz mniejsze białe ziarna ferrytu. Ziarna ferrytu tworzą granice między ziarnami perlitu, oddzielając je od siebie.
Grafit
Fotografie wykonane w technologii: mikroskop świetlny, jasne pole widzenia
Grafit – odmiana alotropowa węgla o strukturze heksagonalnej, wytrzymałość grafitu jest bardzo niska i wynosi ok. , ze względu na najczęściej występujący kształt wyróżnia się:
Grafit płatkowy – występuje w żeliwach szarych zwykłych, na obrazach 2 wymiarowych przyjmuje postać grubych nitek,
Grafit sferoidalny – występuje w żeliwach szarych sferoidalnych, powstaje w wyniku dodatku do ciekłego żeliwa stopu magnezu z niklem, miedzią lub krzemem powodując powstanie dużej ilości zarodków grafitu, na obrazach 2 wymiarowych przyjmuje postać kulek.
żeliwo szare zwykłe o osnowie perlitycznej (przykład grafitu płatkowego)
Osnowa perlityczna z grafitem płatkowym - powiększenie 100x
Ilustracja interaktywna przedstawia żeliwo szare zwykłe. Na ilustracji oznaczono kolejnymi cyframi poszczególne elementy struktury. Po naciśnięciu danej cyfry rozwija się szczegółowy opis danego elementu wraz z nagraniem audio. Nagranie audio odpowiada tekstowi znajdującemu się w opisie elementu.
Cyfrą oznaczono grafit płatkowy.
Cyfrą oznaczono perlit
Cyfrą oznaczono ferryt.
Na zdjęciu widoczne są czarno‑białe struktury przypominające fusy znajdujące się na niebiesko‑fioletowym tle. Grubsze szare kreski są oznaczone cyfrą jeden. Jest to grafit płatkowy. Na całej powierzchni zdjęcia widać cienkie czarne proste równoległe. Są one oznaczone cyfrą dwa oznaczającą perlit. Niebiesko‑fioletowe kształty oznaczone cyfrą trzy to ferryt.
W prawym dolnym rogu widoczna jest skala. Czerwony odcinek jest równy dwudziestu mikrometrów.

Osnowa perlityczna z grafitem płatkowym - powiększenie 5x

Osnowa perlityczna z grafitem płatkowym - powiększenie 10x

Osnowa perlityczna z grafitem płatkowym - powiększenie 20x
Galeria przedstawia trzy zdjęcia żeliwa szarego zwykłego w różnych powiększeniach.
Zdjęcie przedstawia żeliwo szare zwykłe. Widoczna jest osnowa perlityczna z grafitem płatkowym w powiększeniu pięciokrotnym. Czarne podłużne paski grafitu płatkowego otoczone są dużymi białymi ziarnami ferrytu, wokół nich widać duże ziarna perlitu, mieniącego się kolorowo.
Zdjęcie przedstawia żeliwo szare zwykłe. Widoczna jest osnowa perlityczna z grafitem płatkowym w powiększeniu dziesięciokrotnym. Czarne podłużne paski grafitu płatkowego otoczone są dużymi ziarnami perlitu mieniącymi się kolorowo. Wokół czarnych płatków grafitu widać również niewielkie frakcje białego ferrytu.
Zdjęcie przedstawia żeliwo szare zwykłe. Widoczna jest osnowa perlityczna z grafitem płatkowym w powiększeniu dwudziestokrotnym. Czarne podłużne paski grafitu płatkowego otoczone są dużymi ziarnami perlitu, przy samych płatkach grafitu widac niewielkie białe wydzielenia ferrytu.
żeliwo szare o osnowie ferrytyczno‑perlitycznej (przykład grafitu sferoidalnego)
Osnowa ferrytyczno‑perlityczna z grafitem sferoidalnym. Grafit sferoidalny jest otoczony ziarnami ferrytu, perliste wydzielenia to perlit - powiększenie 100x
Ilustracja interaktywna przedstawia żeliwo sferoidalne. Na ilustracji oznaczono kolejnymi cyframi poszczególne elementy struktury. Po naciśnięciu danej cyfry rozwija się szczegółowy opis danego elementu wraz z nagraniem audio. Nagranie audio odpowiada tekstowi znajdującemu się w opisie elementu.
Cyfrą oznaczono grafit kulkowy.
Cyfrą oznaczono ferryt.
Cyfrą oznaczono perlit.
Na zdjęciu widoczne są czarno‑białe struktury przypominające mozaikę. W centralnej części zdjęcia oraz z prawej strony zdjęcia widać czarne plamy o kształcie okręgów. Są oznaczone cyfrą jeden oznaczającą grafit kulkowy. Plamy znajdują się na białym tle oznaczonym cyfrą dwa. Jest to ferryt, Z prawej strony zdjęcia widać czarno szarą dużą strukturę oznaczoną cyfrą trzy. Jest to perlit. Na zdjęciu widoczne są na białym zdjęciu czarno szare proste równoległe
W prawym dolnym rogu widoczna jest skala. Czerwony odcinek jest równy dwudziestu mikrometrów.

Osnowa ferrytyczno‑perlityczna z grafitem sferoidalnym. Grafit sferoidalny jest otoczony ziarnami ferrytu, perliste wydzielenia to perlit - powiększenie 5x

Osnowa ferrytyczno‑perlityczna z grafitem sferoidalnym. Grafit sferoidalny jest otoczony ziarnami ferrytu, perliste wydzielenia to perlit - powiększenie 10x

Osnowa ferrytyczno‑perlityczna z grafitem sferoidalnym. Grafit sferoidalny jest otoczony ziarnami ferrytu, perliste wydzielenia to perlit - powiększenie 20x
Galeria pokazuje trzy zdjęcia żeliwa sferoidalnego w różnych powiększeniach.
Zdjęcie pokazuje żeliwo sferoidalne. Widoczna jest osnowa ferrytyczno perlityczna z grafitem sferoidalnym w powiększeniu pięciokrotnym. Czarny grafit sferoidalny jest otoczony białymi ziarnami ferrytu, zatopionymi w ciemnym perlicie.
Zdjęcie pokazuje żeliwo sferoidalne. Widoczna jest osnowa ferrytyczno perlityczna z grafitem sferoidalnym w powiększeniu dziesięciokrotnym. Czarny grafit sferoidalny jest otoczony białymi ziarnami ferrytu, zatopionymi w ciemnym perlicie.
Zdjęcie pokazuje żeliwo sferoidalne. Widoczna jest osnowa ferrytyczno perlityczna z grafitem sferoidalnym w powiększeniu dwudziestokrotnym. Czarny grafit sferoidalny jest otoczony białymi ziarnami ferrytu, zatopionymi w ciemnym perlicie.
Dendryty
Mikrosegregacja lub segregacja dendrytyczna jest związana z mikroobszarami niejednorodności składu chemicznego i jest spowodowana tworzeniem się dendrytów. W obrębie jednego dendrytu występuje zróżnicowanie składu chemicznego. Dendryt, jest kryształem o budowie zbliżonej do drzewiastej, którego schemat przedstawiono na rysunku poniżej.

Na zdjęciu widoczny jest schemat narastania dendrytów. Schemat jest o kształcie ostrosłupa o podstawie kwadratu. Przez środek ostrosłupa odchodzi pionowo w dół czarny cienki prostopadłościan. Od prostopadłościany odchodzą rozgałężenia. Cała struktura przypomina drzewo. Na końcu pionowego najdłuższego prostopadłościanu znajduje się cyfra jeden. Na końcach poziomych prostopadłościanów stanowiących gałęzie znajdują się cyfry dwa. Na końcach pionowych krótkich prostopadłościanów wyrastających z gałęzi znajdują cię cyfry trzy.
Część środkowa dendrytu (rdzeń dendrytu) krzepnąca na początku procesu krystalizacji jest bogata w składnik o wysokiej temperaturze krzepnięcia, natomiast obszary między ramionami dendrytu (obszary międzydendrytyczne) bogate są w składnik o niskiej temperaturze krzepnięcia i tworzą je obszary cieczy krzepnące na samym końcu.
Wlewek
Podczas chłodzenia metali ze stanu ciekłego zachodzi zwykle krystalizacja prowadząca do tworzenia kryształów ciała stałego. Ostateczne kształty wyrobom metalowym są nadawane przez odlanie ciekłego metalu do formy, a uzyskany w ten sposób produkt nazywa się odlewem, lub odlanie elementów o prostych kształtach nazywanych wlewkami, które następnie przerabia się plastycznie na gorąco (walcuje lub kuje).
Krystalizacji wlewka stalowego towarzyszy skurcz, segregacja i powstanie pęcherzy gazowych. Skurcz powoduje powstanie w górnej części wlewka jamy skurczowej (rysunek poniżej). Segregacja występuje w dwóch odmianach tj. makrosegregacji i mikrosegregacji. Makrosegregację na przykładzie siarki (rysunek poniżej) ujawnia się w tzw. próbie Baumanna – brązowe plamki na rysunku.
Ilustracja interaktywna przedstawia odbitkę Baumanna wlewka stalowego z ujawnioną segregacją siarki oraz jamą skurczową. Po naciśnięciu danej cyfry rozwija się szczegółowy opis danego elementu wraz z nagraniem audio. Nagranie audio odpowiada tekstowi znajdującemu się w opisie elementu.
Cyfrą oznaczono jamę skurczową.
Cyfrą oznaczono makrosegregację siarki.
W centralnej części zdjęcia widać białą tkaninę na której widoczne jest szare odbicie. Odbicie jest o kształcie prostokąta z trójkątnym wcięciem po lewej stronie. Na krawędzi wcięcia widoczna jest cyfra jeden. Na szarym tle widać czarne przebarwienia. Są one oznaczone cyfrą dwa.
Struktura (budowa wewnętrzna) metali i stopów decyduje o ich właściwościach chemicznych, fizycznych oraz mechanicznych. Dlatego często są sosowane badania w celu określenia makrostruktury (badania makroskopowe) lub mikrostruktury (badania mikroskopowe). Badania te umożliwiają określenie ocenę wpływu różnych procesów i zabiegów technologicznych, metalurgicznych, obróbki plastycznej, spawania, obróbki cieplnej itp. na zmiany strukturalne. Wyniki badań strukturalnych często uzupełniane są badaniami właściwości mechanicznych, chemicznych, fizycznych i technologicznych. Dlatego bardzo często w badaniach podstawowych czy użytkowych dla zrozumienia zachodzących procesów, budowy wewnętrznej, wyjaśnienia przyczyny uszkodzenia czy awarii wykonuje się jednocześnie badania makroskopowe i mikroskopowe.
Poniżej przedstawiona została struktura pierwotna wlewka stali węglowej (z ciemnotrawionmi osiami dendrytów), ujawniona czynnikiem Oberhoffera.
Ciemne dendryty ledeburytu na tle jasnej osnowy cementytowej - powiększenie 50x
Ilustracja interaktywna przedstawia mikrostrukturę dendryczną. Po naciśnięciu danej cyfry rozwija się szczegółowy opis danego elementu wraz z nagraniem audio. Nagranie audio odpowiada tekstowi znajdującemu się w opisie elementu.
Cyfrą oznaczono rdzenie dendrytów.
Cyfrą oznaczono obszary międzydendryczne.
Na zdjęciu widoczne jest fioletowe tło oznaczone cyfrą jeden. Na fioletowym tle widoczne są niewielkie przebarwienia o kształcie okręgów. Na tle znajdują się czarne kształty przypominające labirynt składający się z prostokątnych korytarzy. Kształty są oznaczone cyfrą dwa.

Ciemne dendryty ledeburytu na tle jasnej osnowy cementytowej - powiększenie 10x

Ciemne dendryty ledeburytu na tle jasnej osnowy cementytowej - powiększenie 10x

Ciemne dendryty ledeburytu na tle jasnej osnowy cementytowej - powiększenie 20x
Galeria przedstawia trzy zdjęcia mikrostruktur dendrytycznych w dwóch różnych powiększeniach.
Zdjęcie przedstawia mikrostrukturę dendrytyczną w powiększeniu dziesięciokrotnym. Widoczne są ciemne dendryty ledeburytu na tle jasnej osnowy cementytowej. Wyraźnie odznaczają się rdzenie dendrytów, czyli ciemne obszary układające się w równoległe i prostopadłe do siebie linie, na których można również zobaczyć jaśniejsze plamki. Obszary międzydendrytyczne są natomiast beżowe. W takim zbliżeniu można również odróżnić obszary w których dendryty wyrastają pod innym kątem niż obszarach sąsiednich.
Zdjęcie przedstawia mikrostrukturę dendrytyczną w powiększeniu dziesięciokrotnym. Widoczne są ciemne dendryty ledeburytu na tle jasnej osnowy cementytowej. Wyraźnie odznaczają się rdzenie dendrytów, czyli ciemne obszary układające się w równoległe i prostopadłe do siebie linie, na których można również zobaczyć jaśniejsze plamki. Obszary międzydendrytyczne są natomiast beżowe. W takim zbliżeniu można również odróżnić obszary w których dendryty wyrastają pod innym kątem niż obszarach sąsiednich.
Zdjęcie przedstawia mikrostrukturę dendrytyczną w powiększeniu dwudziestokrotnym. Widoczne są ciemne dendryty ledeburytu na tle jasnej osnowy cementytowej. Wyraźnie odznaczają się rdzenie dendrytów, czyli ciemne obszary układające się w równoległe i prostopadłe do siebie linie, na których można również zobaczyć jaśniejsze plamki. Obszary międzydendrytyczne są natomiast beżowe. W takim zbliżeniu można również odróżnić obszary w których dendryty wyrastają pod innym kątem niż obszarach sąsiednich.
Powrót do spisu treściPowrót do spisu treści
Mikrostruktury badane na skaningowym mikroskopie elektronowym
Mikrostruktura ferrytyczno‑perlityczna
Fotografie wykonane w technologii: skaningowy mikroskop elektronowy
W strukturze perlitu widoczne płytki cementytu i ferrytu - zdjęcie wykonane na mikroskopie SEM
Ilustracja interaktywna przedstawia stop o zawartości węgla sześć dziesiątych procenta. Po naciśnięciu danej cyfry rozwija się szczegółowy opis danego elementu wraz z nagraniem audio. Nagranie audio odpowiada tekstowi znajdującemu się w opisie elementu.
Cyfrą oznaczono ferryt .
Cyfrą oznaczono perlit.
Na zdjęciu widoczne są kształty przypominające mozaikę zbudowaną z nieregularnych struktur. Elementy mają ostre nieregularne krawędzie. Niektóre z elementów mają czarne wypełnienie. Są one oznaczone cyfrą jeden. Jest to ferryt. Elementy o czarnym wypełnieniu wewnątrz którego widoczne są białe proste równoległe oznaczone są cyfrą dwa. Jest to perlit.
Na dole zdjęcia znajduje się belka z informacją o wykonaniu fotografii pod mikroskopem. W lewym rogu zdjęcia widoczny jest odcinek który obrazuje długość dwóch mikrometrów.

W strukturze perlitu widoczne płytki cementytu i ferrytu - zdjęcie wykonane na mikroskopie SEM

W strukturze perlitu widoczne płytki cementytu i ferrytu - zdjęcie wykonane na mikroskopie SEM
Galeria przedstawia dwa zdjęcia stopu o zawartości węgla sześć dziesiątych procent wykonane na skaningowym mikroskopie elektronowym w różnych przybliżeniach na ten sam obszar.
Zdjęcie w odcieniach szarości wykonane na skaningowym mikroskopie elektronowym przedstawia stop o zawartości węgla sześć dziesiątych procent w powiększeniu pięć tysięcy razy. W strukturze ciemnego perlitu z jasnymi prążkami widoczne są płytki cementytu przypominające ułożeniem rybie łuski oraz gładkie i ciemne ziarna ferrytu.
Zdjęcie w odcieniach szarości wykonane na skaningowym mikroskopie elektronowym przedstawia stop o zawartości węgla sześć dziesiątych procent w powiększeniu dziesięć tysięcy razy. W strukturze ciemnego perlitu z jasnymi prążkami widoczne są płytki cementytu przypominające ułożeniem rybie łuski oraz gładkie i ciemne ziarna ferrytu.
Perlit
Fotografie wykonane w technologii: skaningowy mikroskop elektronowy
W strukturze perlitu widoczne płytki cementytu i ferrytu - zdjęcie wykonane na mikroskopie SEM
Ilustracja interaktywna przedstawia stop o zawartości węgla siedemdziesiąt siedem setnych procenta. Po naciśnięciu danej cyfry rozwija się szczegółowy opis danego elementu wraz z nagraniem audio. Nagranie audio odpowiada tekstowi znajdującemu się w opisie elementu.
Cyfrą oznaczono perlit.
Na zdjęciu widoczne są kształty przypominające mozaikę. Mozaika zbudowana jest z nieregularnych czarnych struktur przypominających łuski. Elementy mają ostre nieregularne krawędzie. Elementy o czarnym wypełnieniu wewnątrz którego widoczne są białe proste równoległe oznaczone są cyfrą jeden. Jest to perlit.
Na dole zdjęcia znajduje się belka z informacją o wykonaniu fotografii pod mikroskopem. W lewym rogu zdjęcia widoczny jest odcinek który obrazuje długość dwóch mikrometrów.

W strukturze perlitu widoczne płytki cementytu i ferrytu - zdjęcie wykonane na mikroskopie SEM

W strukturze perlitu widoczne płytki cementytu i ferrytu - zdjęcie wykonane na mikroskopie SEM

W strukturze perlitu widoczne płytki cementytu i ferrytu - zdjęcie wykonane na mikroskopie SEM
Galeria przedstawia trzy zdjęcia stopu o zawartości węgla siedemdziesiąt siedem setnych procent wykonane na skaningowym mikroskopie elektronowym w dwóch różnych przybliżeniach.
Zdjęcie w odcieniach szarości wykonane na skaningowym mikroskopie elektronowym przedstawia stop o zawartości węgla siedemdziesiąt siedem setnych procent w powiększeniu pięć tysięcy razy. W strukturze ciemnego perlitu z jasnymi prążkami widoczne są płytki cementytu przypominające ułożeniem rybie łuski oraz gładkie i ciemne ziarna ferrytu.
Zdjęcie w odcieniach szarości wykonane na skaningowym mikroskopie elektronowym przedstawia stop o zawartości węgla siedemdziesiąt siedem setnych procent w powiększeniu piętnaście tysięcy razy. W strukturze ciemnego perlitu z jasnymi prążkami widoczne są płytki cementytu przypominające ułożeniem rybie łuski oraz gładkie i ciemne ziarna ferrytu.
Zdjęcie w odcieniach szarości wykonane na skaningowym mikroskopie elektronowym przedstawia stop o zawartości węgla siedemdziesiąt siedem setnych procent w powiększeniu piętnaście tysięcy razy. W strukturze ciemnego perlitu z jasnymi prążkami widoczne są płytki cementytu przypominające ułożeniem rybie łuski oraz gładkie i ciemne ziarna ferrytu.
Bainit
Fotografie wykonane w technologii: skaningowy mikroskop elektronowy
Zdjęcie wykonane na mikroskopie SEM
Ilustracja interaktywna przedstawia mikrostrukturę bainityczną. Po naciśnięciu danej cyfry rozwija się szczegółowy opis danego elementu wraz z nagraniem audio. Nagranie audio odpowiada tekstowi znajdującemu się w opisie elementu.
Cyfrą oznaczono bainit.
Na zdjęciu widoczne są kształty przypominające mozaikę. Mozaika zbudowana jest z nieregularnych czarnych struktur. Elementy mają ostre nieregularne krawędzie. Czarne elementy wypełnienia wyglądają na wklęsłe a szare elementy znajdujące się na mnich na wypukłe. Szare elementy oznaczone są cyfrą jeden. Jest to bainit.
Na dole zdjęcia znajduje się belka z informacją o wykonaniu fotografii pod mikroskopem. W lewym rogu zdjęcia widoczny jest odcinek który obrazuje długość dwóch mikrometrów.

Zdjęcie wykonane na mikroskopie SEM

Zdjęcie wykonane na mikroskopie SEM

Zdjęcie wykonane na mikroskopie SEM
Galeria trzy zdjęcia mikrostruktury bainitycznej wykonane na skaningowym mikroskopie elektronowym w różnych przybliżeniach.
Zdjęcie w odcieniach szarości wykonane na skaningowym mikroskopie elektronowym przedstawia mikrostrukturę bainityczną w powiększeniu dwa tysiące razy. Z wyglądu są to ciemniejsze ziarna z jasnymi postrzępionymi włóknami.
Zdjęcie w odcieniach szarości wykonane na skaningowym mikroskopie elektronowym przedstawia mikrostrukturę bainityczną w powiększeniu pięć tysięcy razy. Z wyglądu są to ciemniejsze ziarna z jasnymi postrzępionymi włóknami.
Zdjęcie w odcieniach szarości wykonane na skaningowym mikroskopie elektronowym przedstawia mikrostrukturę bainityczną w powiększeniu dziesięć tysięcy razy. Z wyglądu są to jasne postrzępione włókna na ciemnym tle.
Martenzyt
Fotografie wykonane w technologii: skaningowy mikroskop elektronowy
Zdjęcie wykonane na mikroskopie SEM
Ilustracja interaktywna przedstawia mikrostrukturę martenzytyczną. Po naciśnięciu danej cyfry rozwija się szczegółowy opis danego elementu wraz z nagraniem audio. Nagranie audio odpowiada tekstowi znajdującemu się w opisie elementu.
Cyfrą oznaczono martenzyt.
Na zdjęciu widoczne są kształty przypominające mozaikę. Mozaika zbudowana jest z nieregularnych struktur przypominających sople lodu. Elementy mają ostre nieregularne krawędzie. Na elemencie widoczna jest cyfra jeden. Jest to martenzyt.
Na dole zdjęcia znajduje się belka z informacją o wykonaniu fotografii pod mikroskopem. W lewym rogu zdjęcia widoczny jest odcinek który obrazuje długość dwóch mikrometrów.

Zdjęcie wykonane na mikroskopie SEM

Zdjęcie wykonane na mikroskopie SEM

Zdjęcie wykonane na mikroskopie SEM
Galeria przedstawia trzy zdjęcia w odcieniach szarości wykonane na skaningowym mikroskopie elektronowym. Pokazują one ten sam obszar mikrostruktury martenzytycznej w trzech powiększeniach: dwa tysiące, pięć tysięcy i osiem tysięcy razy. Są to podłużne szare ziarna z białymi obwódkami.
Powrót do spisu treściPowrót do spisu treści
Mikrostruktury stopów metali nieżelaznych badane na mikroskopie świetlnym
Mosiądz
Fotografie wykonane w technologii: mikroskop świetlny, jasne pole widzenia Widoczna mikrostruktura dwufazowa stopu.
Mosiądz – stop miedzi, którego głównym dodatkiem stopowym jest cynk.
Jasne ziarna miedzi na tle ciemnej osnowy cynkowej - powiększenie 100x
Ilustracja interaktywna przedstawia mikrostrukturę mosiądzu . Po naciśnięciu danej cyfry rozwija się szczegółowy opis danego elementu wraz z nagraniem audio. Nagranie audio odpowiada tekstowi znajdującemu się w opisie elementu.
Cyfrą oznaczono fazę alfa.
Cyfrą oznaczono fazę beta.
Na zdjęciu widoczne są brązowe podłużne kształty oznaczone cyfrą dwa znajdujące się na beżowym tle oznaczonym cyfrą jeden. Kształty sa nieregularne. Krawędzie brązowych elementów są obłe.
Na dole zdjęcia znajduje się belka z informacją o wykonaniu fotografii pod mikroskopem. W lewym rogu zdjęcia widoczny jest odcinek który obrazuje długość dwóch mikrometrów.
W prawym dolnym rogu widoczna jest skala. Czerwony odcinek jest równy dwudziestu mikrometrów.

Jasne ziarna miedzi na tle ciemnej osnowy cynkowej - powiększenie 50x

Jasne ziarna miedzi na tle ciemnej osnowy cynkowej - powiększenie 20x
Galeria przedstawia dwa zdjęcia mikrostruktur mosiądzu ce u zet en czterdzieści w powiększeniach pięćdziesięciokrotnym i dwudziestokrotnym. Widoczne są jasne, żółto pomarańczowe, podłużne ziarna miedzi, czyli faza alfa, na tle ciemnej, brązowej, osnowy cynkowej, czyli fazy beta.
Brąz cynowy
Fotografie wykonane w technologii: mikroskop świetlny, jasne pole widzenia Widoczna mikrostruktura przedstawiająca roztwór cyny w miedzi i eutektoid (wypełniający przestrzenie między dendrytyczne).
Brąz – stop miedzi z pierwiastkami innymi niż cynk i nikiel np. z cyną lub aluminium lub krzemem czy berylem.
Jasny roztwór α cyny w miedzi na tle ciemnego eutektoidu α+δ - powiększenie 100x
Ilustracja interaktywna przedstawia mikrostrukturę mosiądzu . Po naciśnięciu danej cyfry rozwija się szczegółowy opis danego elementu wraz z nagraniem audio. Nagranie audio odpowiada tekstowi znajdującemu się w opisie elementu.
Cyfrą oznaczono roztwór alfa cyny w miedzi.
Cyfrą oznaczono eutektoid alfa plus beta.
Na zdjęciu widoczne są brązowe elementy o kształcie chmurek. Elementy mają obłe kształty. Oznaczone są cyfrą jeden. Pomiędzy elementami przebija niebieskie tło. Oznaczone jest ono cyfrą dwa.

Jasny roztwór α cyny w miedzi na tle ciemnego eutektoidu α+δ - powiększenie 100x

Jasny roztwór α cyny w miedzi na tle ciemnego eutektoidu α+δ - powiększenie 50x
Galeria przedstawia mikrostruktury brązu cynowego ce u es en osiem pe w powiększeniach pięćdziesięciokrotnym i stukrotnym. Widoczny jest jasny, w odcieniach brązu, roztwór alfa cyny w miedzi na tle ciemnego, szaro czarnego, eutektoidu alfa plus delta. Roztwór cyny w miedzi układa się w podłużne równoległe do siebie ziarna.
Silumin modyfikowany
Fotografie wykonane w technologii: mikroskop świetlny, jasne pole widzenia Widoczna mikrostruktura przedstawiającą fazę na tle eutektyki Si.
Silumin – odlewniczy stop aluminium z krzemem
Jasna faza α na tle ciemnej eutektyki α+Si. - powiększenie 100x
Ilustracja interaktywna przedstawia mikrostrukturę siluminu modyfikowanego . Po naciśnięciu danej cyfry rozwija się szczegółowy opis danego elementu wraz z nagraniem audio. Nagranie audio odpowiada tekstowi znajdującemu się w opisie elementu.
Cyfrą oznaczono fazę alfa.
Cyfrą oznaczono eutektyka alfa plus krzem.
Na zdjęciu widoczne jest brązowe tło z czarnymi wtrąceniami. Wtrącenia mają kształt kropek. Na elementach tych znajduje się cyfra jeden. Na tle znajdują się biało‑szare elementy przypominające z góry kształt ptaka. Z boku elementy są zbliżone do okręgów. W centralnej części są podłużne. Na elementach widoczna jest cyfra jeden.
W prawym dolnym rogu widoczna jest skala. Czerwony odcinek jest równy dwudziestu mikrometrów.

Jasna faza α na tle ciemnej eutektyki α+Si. - powiększenie 10x

Jasna faza α na tle ciemnej eutektyki α+Si. - powiększenie 10x
Galeria przedstawia dwa zdjęcia mikrostruktur siluminu modyfikowanego a el es i jedenaście w powiększeniu dziesięciokrotnym. Widoczna jest jasna faza alfa na tle ciemnej eutektyki alfa plus es i. Faza alfa układa się w podłużne ziarna rozrastające się na boki gałęziami lub w podłużne zgrupowania kulistych ziaren.
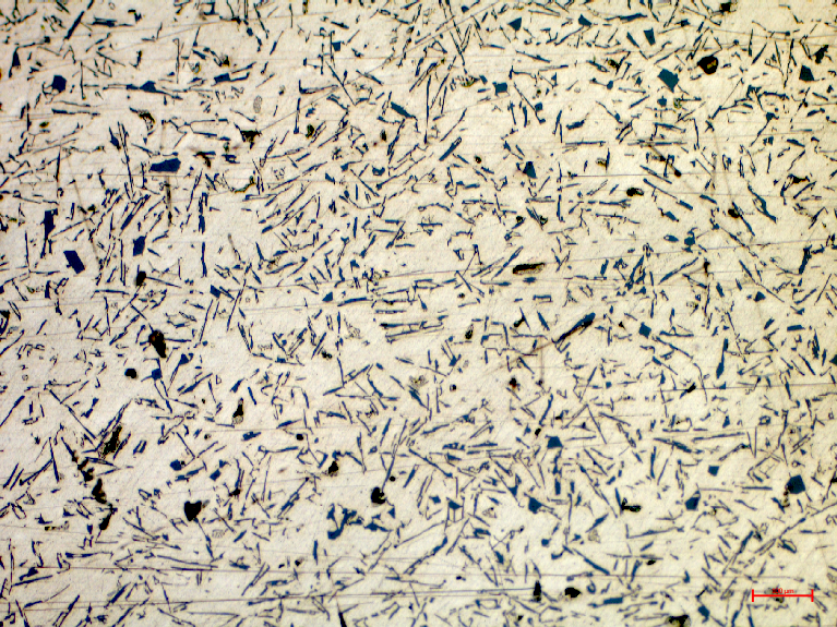
Silumin niemodyfikowany
Fotografie wykonane w technologii: mikroskop świetlny, jasne pole widzenia Widoczna mikrostruktura przedstawiającą fazę na tle eutektyki Si.
Ciemna faza α na tle jasnej eutektyki α+Si. - powiększenie 100x
Ilustracja interaktywna przedstawia mikrostrukturę siluminu niemodyfikowanego . Po naciśnięciu danej cyfry rozwija się szczegółowy opis danego elementu wraz z nagraniem audio. Nagranie audio odpowiada tekstowi znajdującemu się w opisie elementu.
Cyfrą oznaczono fazę alfa.
Cyfrą oznaczono eutektyka alfa plus krzem.
Na zdjęciu widoczne jest beżowe tło oznaczone cyfrą dwa. Na nim znajdują się granatowe wtrącenia o kształcie igieł. Wtrącenia są nieregularnie rozmieszczone. Mają różne zwroty.
W prawym dolnym rogu widoczna jest skala. Czerwony odcinek jest równy dwudziestu mikrometrów.

Ciemna faza α na tle jasnej eutektyki α+Si. - powiększenie 20x

Ciemna faza α na tle jasnej eutektyki α+Si. - powiększenie 50x

Ciemna faza α na tle jasnej eutektyki α+Si. - powiększenie 50x
Galeria przedstawia trzy zdjęcia mikrostruktury siluminu niemodyfikowanego a el es i jedenaście w powiększeniach dwudziestokrotnym i pięćdziesięciokrotnym. Widoczna jest ciemna faza alfa na tle jasnej eutektyki alfa plus es i. Faza alfa układa się w granatowe igły i nieliczne nieregularne płytki rozrzucone na białym tle eutektyki.
Powrót do spisu treściPowrót do spisu treści