RyL61FbBBVpMt

Study of the relationship between the current and the electrical voltage in the circuit

Source: licencja: CC 0.

Badanie zależności między natężeniem prądu a napięciem elektrycznym w obwodzie

You will learn
  • build a simple electrical circuit, measure the voltage,

  • discover the relationship between them in English.

RznJZkjZgjek2
nagranie abstraktu

Prepare answers to introductory questions for the lesson.

  1. What is electric current?

  2. What physical quantity best describes the amount of current flowing?

  3. Define a 1 A unit.

  4. What is electric voltage?

  5. Define a 1 V unit.

  6. To measure what quantity we use ammeterammeterammeter and voltmetervoltmetervoltmeter?

Nowadays it is hard to imagine life without electricity. We use various elements through which electric current flows. Some elements of the devices are very large, which is why we often use schematic symbols.

Thanks to this, even a complicated circuit can be presented on a small sheet.
Rq9Ko0MFlkeYZ1
nagranie abstraktu

The ability to draw diagrams is important when studying the relationship between the quantities describing the electrical circuit.

What are the schematic designations of various elements of electrical circuits?

R17CCn3zrLtsk
Selected symbols of electrical devices (circuit elements)
Source: GroMar, licencja: CC BY 3.0.
RDgnIU1GGsE5m
Pokaz slajdów – elementy obwodu elektrycznego. Instrukcja obsługi z poziomu klawiatury: 1. Uruchomienie aplikacji - ENTER, 2. Na każdym ze slajdów czytany jest automatycznie tekst alternatywny po polsku, 3. Przy pierwszym uruchomieniu na pierwszym slajdzie, czytanie tekstu po angielsku - TAB, 4. Przejście między slajdami: do następnego slajdu - TAB, do poprzedniego slajdu - TAB + SHIFT, 5. Przejście do czytania napisu po angielsku - strzałka w górę + strzałka w dół (czyta tekst po angielsku widoczny na slajdzie).
Elements of the electric circuit
Source: GroMar, licencja: CC BY 3.0.
How to connect an ammeterammeterammeter correctly?
R6IeMdu7BLbw41
nagranie abstraktu

The ammeter must measure the amount of charge that flows through the electrical receiver for one second. It should therefore always be connected in series to the resistor.

R3WAzuSnUDTTt
Properly connected ammeter - in series with the resistor
Source: GroMar, licencja: CC BY 3.0.
How to connect a voltmetervoltmetervoltmeter correctly?
R3ayr1Ecmu1NN1
nagranie abstraktu

The voltmeter measures the voltage between two points. The voltmeter's probes must be in contact with these points.

RqTqO5y9qfFJR
A correctly connected voltmeter measures the voltage across the bulb
Source: GroMar, licencja: CC BY 3.0.
RqG3K3l0LDO6K
In this circuit, the instruments are properly connected. The voltmeter measures the voltage across the bulb and the ammeter measures the current flowing in the circuit
Source: GroMar, licencja: CC BY 3.0.
Experiment 1
Experiment 1
Research problem
R1efW4swvD4TM1
nagranie abstraktu

Study of the relationship between the voltage and the current flowing through the conductor.

Hypothesis
R9GLLwb2LMIFo1
nagranie abstraktu

There is a relationship between the voltage applied to the electric current receiver and the current flowing through the conductor.

UI=const
Instruction

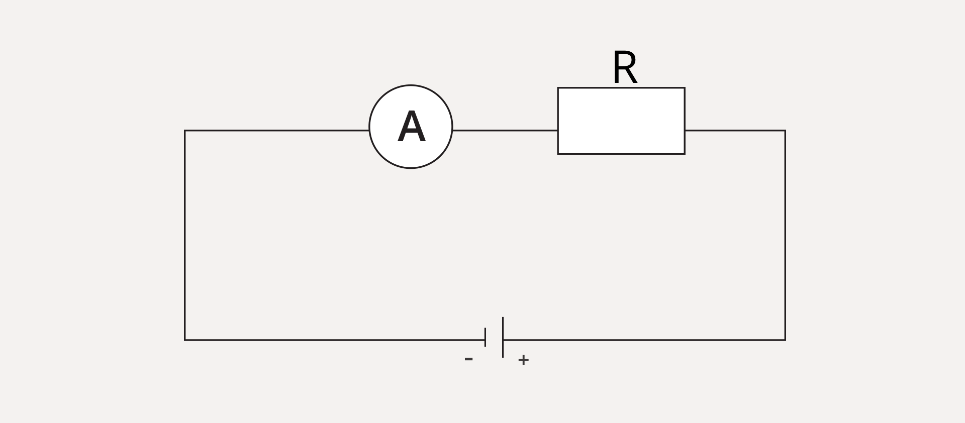
1. Build an electrical circuit as shown in the diagram below.

R1e0ZHEx4fAJc
Electrical circuit
Source: GroMar, licencja: CC BY 3.0.

2. On the power supply, change the supply voltage and read it on a voltmeter.

3. With a given voltage, read out what current flows through the resistor.

4. Record results in the measurement table.

No.

Voltage U (V)

Current I (A)

UI

Notes/conclusions

Elaboration of measurements:

5. Draw a graph of current dependence on the supply voltage.

6. For each measurement, determine the ratio UI and write it in the table.

7. Compare the results of the UI and confirm or disprove the research hypothesis.

Summary
R1WR30Ew2N7Cl1
nagranie abstraktu
  1. Electrical circuits are systems of elements (wires, voltage sources, receivers, switches) connected in such a way as to allow the flow of electric current.

  2. AmmeterammeterAmmeter is a device used for measuring the intensity of electric current; it is connected in series to the circuit.

  3. The voltmetervoltmetervoltmeter is a device used to measure the voltage; it is connected in parallel to the circuit.

  4. The current can only flow in closed electrical circuits.

  5. The electrical circuit diagram is a sketch made with the use of graphic symbols, allowing to represent all elements of the electric circuit and their connections.

  6. The intensity of electric current flowing through the receiver is directly proportional to the electrical voltage measured between its ends.

Exercises

RWGUOUlqJXtsf
Exercise 1
Determine which sentences are true. Możliwe odpowiedzi: 1. For each resistor, the I over U ratio is constant., 2. Increasing the voltage applied to the resistor will reduce the current flowing through it., 3. For some resistor, the U over I ratio is constant. In this case, increasing the voltage supplied to the resistor by 10 V will increase the current by 10 A., 4. To measure the current flowing through the resistor, always connect the ammeter in series to it.
zadanie
Source: GroMar, licencja: CC BY 3.0.
Exercise 2

The dependency of the current flowing through the conductor on the voltage applied to this conductor was measured. The measurement data are collected in the table.

No.

Voltage U (V)

Current I (A)

1

1

1

2

2

1,9

3

3

2,7

4

4

3,6

5

5

4,3

6

6

5

7

7

5.8

8

8

5,9

Perform the appropriate calculations and answer the question if the UI ratio is constant for this conductor. Justify answer.

Exercise 3

In many electrical circuits, so called nonlinear elements are used. Write in English short information about nonlinear elements of the electrical circuit. Explain also the name of such an element.

R1GGqlTHmPkIR
Exercise 4
Wersja alternatywna ćwiczenia: Match English terms with their Polish equivalents. resistor Możliwe odpowiedzi: 1. włącznik, 2. woltomierz, 3. źródło napięcia, 4. opornik voltage source Możliwe odpowiedzi: 1. włącznik, 2. woltomierz, 3. źródło napięcia, 4. opornik switch Możliwe odpowiedzi: 1. włącznik, 2. woltomierz, 3. źródło napięcia, 4. opornik voltmeter Możliwe odpowiedzi: 1. włącznik, 2. woltomierz, 3. źródło napięcia, 4. opornik
R14xVddr2ltRk1
Interaktywna gra, polegająca na łączeniu wyrazów w pary w ciągu jednej minuty. Czas zaczyna upływać wraz z rozpoczęciem gry. Jeden ruch to odkrywanie najpierw jednej potem drugiej karty z wyrazem. Każdy wyraz jest odczytywany. Kolejny ruch to odkrywanie trzeciej i czwartej karty. W ten sposób odsłuchasz wszystkie wyrazy. Nawigacja z poziomu klawiatury za pomocą strzałek, odsłuchiwanie wyrazów enterem lub spacją. Znajdź wszystkie pary wyrazów.
Source: Zespół autorski Politechniki Łódzkiej, licencja: CC BY 3.0.

Glossary

resistor
resistor

opornik

RhfXnKFpjappe1
wymowa w języku angielskim: resistor
switch
switch

włącznik

RjsDtdu3cm1kH1
wymowa w języku angielskim: switch
voltmeter
voltmeter

woltomierz

R6g5t7Rfo0xzK1
wymowa w języku angielskim: voltmeter
ammeter
ammeter

amperomierz

RI6ZGZHwUDdbR1
wymowa w języku angielskim: ammeter
voltage source
voltage source

źródło napięcia

R1GohbtNV2Q0h1
wymowa w języku angielskim: voltage source

Keywords

resistorresistorresistor

switchswitchswitch

voltmetervoltmetervoltmeter