Symulacja interaktywna
Jak działa obwód z diodą Zenera?
Animacja pokazuje, jaką rolę w obwodzie może pełnić dioda Zenera. Jej podstawową cechą jest istnienie fragmentu charakterystyki w kierunku zaporowym w okolicach napięcia przebicia. W tym obszarze bardzo niewielkim zmianom napięcia odpowiadają stosunkowo duże zmiany natężenia prądu płynącego przez diodę. Zmiany te nie powodują jednak, tak jak w przypadku typowych diod, nieodwracalnego uszkodzenia diody. Tę cechę można wykorzystać do ograniczania od góry napięcia podawanego do właściwego obwodu.
Przeznaczenie diody Zenera jest omówione w części Przeczytaj. Przypomnij sobie ten wątek. Zwróć uwagę na schemat podłączenia (rys. 8.) - dioda jest swoistym pośrednikiem pomiędzy właściwym zasilaczem a zasilanym obwodem. Jej rolą jest ochrona tego obwodu przed zbyt wysokim napięciem, mogącym się pojawić wskutek awarii czy ludzkiego błędu.

Zasób interaktywny dostępny pod adresem https://zpe.gov.pl/a/Dr6MElTSh
1. Analiza modułu zasilania
W sterowanej animacji dysponujesz diodą Zenera o napięciu przebicia Natężenie prądu w kierunku zaporowym, które wytrzymuje złącze diody to Dioda jest podłączona do zasilacza napięcia stałego, którego wartość nastawiasz w zakresie od zera do W takim module zasilającym konieczne jest włączenie, pomiędzy zasilacz a diodę, opornika zabezpieczającego który ograniczy natężenie prądu płynącego przez diodę. Wartość jego oporu możesz regulować.
Tak więc moduł zasilania jest szeregowym połączeniem zasilacza, opornika zabezpieczającego oraz diody. Napięcie wyjściowe modułu odpowiada napięciu na diodzie. Taki układ jest nazywany dzielnikiem napięcia.
1. Analiza modułu zasilania
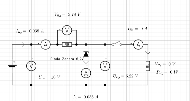
Ekran animacji zawiera schemat układu elektronicznego (zasilacza stabilizowanego), a nad nim – elementy sterowania niektórymi parametrami tego układu. Z lewej strony schematu umieszczono na pionowym odcinku przewodu źródło zasilania prądem stałym, w którym plus (dłuższa kreska) umieszczone jest u góry, a minus (krótsza, grubsza kreska) – u dołu. Napięcie źródła, czyli napięcie wejściowe do zasilacza, można regulować suwakiem w górnej części ekranu, w zakresie od 0 V do 20 V. Oba końce odcinka, z góry i z dołu, łączą się z poziomymi przewodami, które prowadzą w prawo, do dalszych części układu. Pierwszym elementem jest woltomierz, połączony elektrycznie (co obrazują kropki w miejscach połączenia) z górnym i dolnym przewodem. Jest on więc połączony równolegle z opisanym wcześniej źródłem i wskazuje panujące na nim napięcie, oznaczone jako .
Dolny przewód biegnie bezpośrednio do następnego elementu włączonego równolegle między opisane przewody, którym jest układ połączonych szeregowo: diody Zenera i amperomierza, wskazującego natężenie przepływającego przez nią prądu, oznaczone jako . Dioda Zenera oznaczona jest grubą strzałką w kształcie trójkąta, skierowaną ku górze, z krótką poziomą kreską u góry, zakończoną po prawej stronie małym fragmentem kreseczki w dół. Napięcie przebicia diody Zenera wynosi 6,2 V. Natężenie prądu w kierunku zaporowym, które wytrzymuje złącze diody to .
Górny przewód, przed połączeniem z gałęzią diody, zawiera jeszcze dwa elementy połączone szeregowo. Od lewej strony, jest to amperomierz i opór zabezpieczający do którego podłączono równolegle woltomierz. Mierniki wskazują więc: natężenie prądu płynącego przez opornik , oznaczone jako oraz panujące na oporniku napięcie, oznaczone . Wartość tego opornika zabezpieczającego można ustawiać suwakiem umieszczonym u góry ekranu (pod regulacją napięcia) w zakresie od 100 omega do 1000 omega.
Dalszy element schematu, to umieszczony za gałęzią diody woltomierz, podłączony do górnego i dolnego przewodu. Wskazuje on, wobec tego, napięcie panujące na diodzie Zenera, czyli napięcie wyjściowe całego układu, oznaczone jako .
Po prawej stronie schematu umieszczono odbiornik energii elektrycznej, połączony równolegle do górnego i dolnego przewodu, przy czym na górnym przewodzie znajduje się włącznik i amperomierz. Moduł odbiornika wykorzystuje się wyłącznie w zaawansowanej wersji animacji, a dalsze jego szczegóły zostaną opisane później.
Podsumowując, moduł zasilania jest szeregowym połączeniem zasilacza, opornika zabezpieczającego oraz diody. Napięcie wyjściowe modułu odpowiada napięciu na diodzie. Taki układ jest nazywany dzielnikiem napięcia.
Uruchom animację na poziomie podstawowym, wybierz najmniejszą wartość oporu i zmieniaj napięcie wejściowe (podawane przez zasilacz) w pełnym dostępnym zakresie. Obserwuj zmiany wskazań woltomierza pokazującego napięcie - na wyjściu z modułu zasilania.
Opisz te zmiany. Naszkicuj odręcznie zależność w pełnym zakresie napięcia wejściowego. Zwróć uwagę na natężenie prądu . Czy jego zmiany są skorelowane ze zmianami któregokolwiek z napięć?
Powtórz obserwacje dla dwóch różnych wartości oporu zabezpieczającego o istotnie różnych wartościach. Opisz stwierdzone podobieństwa i różnice. Czy różnice zależności byłyby widoczne na odręcznym szkicu?
Objaśnij swoje spostrzeżenia. Wykorzystaj przy tym charakterystykę diody w obszarze napięć przyłożonych w kierunku zaporowym.
Animację uruchomiono na poziomie podstawowym i wybrano najmniejszą wartość oporu . Zmieniano napięcie wejściowe (podawane przez zasilacz) w pełnym dostępnym zakresie. Wskazania woltomierza pokazującego napięcie (na wyjściu z modułu zasilania) oraz wartości natężenia prądu zestawiono w tabeli poniżej. Następnie wybrano największą dostępną wartość oporu i powtórzono pomiary, a wyniki zapisano w dwóch ostatnich kolumnach tabeli.
UIndeks dolny wewe (V) | ||||
|---|---|---|---|---|
UIndeks dolny wywy (V) | IIndeks dolny dd (A) | UIndeks dolny wywy (V) | IIndeks dolny dd (A) | |
0 | 0 | 0 | 0 | 0 |
1 | 1 | 0 | 1 | 0 |
2 | 2 | 0 | 2 | 0 |
3 | 3 | 0 | 3 | 0 |
4 | 4 | 0 | 4 | 0 |
5 | 5 | 0 | 5 | 0 |
6 | 6 | 0 | 6 | 0 |
7 | 6,2 | 0,008 | 6,16 | 0,001 |
8 | 6,21 | 0,018 | 6,18 | 0,002 |
9 | 6,22 | 0,028 | 6,18 | 0,003 |
10 | 6,22 | 0,038 | 6,19 | 0,004 |
11 | 6,23 | 0,048 | 6,19 | 0,005 |
12 | 6,23 | 0,058 | 6,19 | 0,006 |
13 | 6,23 | 0,068 | 6,2 | 0,007 |
14 | 6,23 | 0,078 | 6,2 | 0,008 |
15 | 6,24 | 0,088 | 6,2 | 0,009 |
16 | 6,24 | 0,098 | 6,2 | 0,01 |
17 | 6,24 | 0,108 | 6,2 | 0,011 |
18 | 6,24 | 0,118 | 6,21 | 0,012 |
19 | 6,24 | 0,128 | 6,21 | 0,013 |
20 | 6,24 | 0,138 | 6,21 | 0,014 |
Opisz zależność w pełnym zakresie napięcia wejściowego. Zwróć uwagę na natężenie prądu Czy jego zmiany są skorelowane ze zmianami któregokolwiek z napięć?
Opisz stwierdzone podobieństwa i różnice powyższych zależności dla większej wartości oporu zabezpieczającego . Czy różnice zależności byłyby widoczne na odręcznym szkicu?
Objaśnij swoje spostrzeżenia. Wykorzystaj przy tym charakterystykę diody w obszarze napięć przyłożonych w kierunku zaporowym.
2. Obciążenie modułu zasilania
Animacja pozwala dołączyć do modułu zasilania fragment obwodu z opornikiem Taki odbiornik energii elektrycznej stanowi obciążenie dla zasilacza. Jest ono tym większe, im moc pobierana z zasilacza jest większa. Do wyboru masz cztery wartości tego oporu, każdy o rząd wielkości większy od poprzedniego. Zbadaj, czy i w jaki sposób obciążenie zasilacza zależy od wartości
W praktyce do takiego modułu zasilania podłącza się układ elektroniczny. Jego działanie jest uwarunkowane ograniczeniem napięcia zasilającego do określonej wartości. Do tej właśnie wartości dobiera się diodę Zenera określonego typu.
W animacji taki układ elektroniczny został przedstawiony - dla uproszczenia - przez pojedynczy opornik.
Uruchom animację na poziomie zaawansowanym. Ustaw wartość możliwie małą. Zaprojektuj odpowiednie nastawienia parametrów i wykonaj pomiary, które pozwolą zweryfikować dwie hipotezy:
Moc pobierana z zasilacza jest tym większa, im mniejsza jest wartość oporu obciążającego moduł zasilający.
Moc wydzielana na oporniku jest tym większa, im wartość tego oporu jest mniejsza.
- Każdą hipotezę zweryfikuj dwukrotnie: raz dla obszaru napięć wejściowych i drugi raz dla obszaru .
- Zapisz uzyskane wskazania przyrządów i porównywane moce.
- Ujawnij argumenty za przyjęciem bądź odrzuceniem hipotezy.
- Skomentuj ewentualną sytuację, w której stwierdzisz niezgodność wyników z którąkolwiek z hipotez.
- Pamiętaj o odłączeniu oporu od modułu zasilania przed dokonaniem zmiany parametrów w obwodzie. Jeszcze lepszym postępowaniem jest wyzerowanie napięcia przed każdą zmianą parametru. To dobry obyczaj, który podnosi poziom bezpieczeństwa pracy z obwodami elektrycznymi.
Animację uruchomiono na poziomie zaawansowanym. Ustawiono najmniejszą możliwą wartość . Animacja umożliwia wybranie jednej z czterech wartości oporu zasilanego odbiornika : 10 omega, 100 omega, 1 k omega i 10 k omega oraz odczytanie wartości napięcia na tym odbiorniku i pobieranej przez niego mocy . Zamierzano zweryfikować dwie hipotezy:
Moc pobierana z zasilacza jest tym większa, im mniejsza jest wartość oporu obciążającego moduł zasilający.
Moc wydzielana na oporniku jest tym większa, im wartość tego oporu jest mniejsza.
Uzyskane wyniki pomiarów zamieszczono w tabeli nad formularzem.
- Zweryfikuj każdą z powyższych hipotez dwukrotnie: raz dla obszaru napięć wejściowych i drugi raz dla obszaru .
- Ujawnij argumenty za przyjęciem bądź odrzuceniem hipotezy.
- Skomentuj ewentualną sytuację, w której stwierdzisz niezgodność wyników z którąkolwiek z hipotez.
UIndeks dolny wewe (V) | ||||||
|---|---|---|---|---|---|---|
UIndeks dolny wywy (V) | IIndeks dolny RIndeks dolny bb Indeks dolny koniecRIndeks dolny bb (A) | PIndeks dolny RIndeks dolny LL Indeks dolny koniecRIndeks dolny LL (W) | UIndeks dolny wywy (V) | IIndeks dolny RIndeks dolny bb Indeks dolny koniecRIndeks dolny bb (A) | PIndeks dolny RIndeks dolny LL Indeks dolny koniecRIndeks dolny LL (W) | |
0 | 0 | 0 | 0 | 0 | 0 | 0 |
1 | 0,09 | 0,009 | 0,001 | 0,91 | 0,001 | 0,001 |
2 | 0,18 | 0,018 | 0,003 | 1,82 | 0,002 | 0,003 |
3 | 0,27 | 0,027 | 0,007 | 2,73 | 0,003 | 0,007 |
4 | 0,36 | 0,036 | 0,013 | 3,64 | 0,004 | 0,013 |
5 | 0,45 | 0,045 | 0,021 | 4,55 | 0,005 | 0,021 |
6 | 0,55 | 0,055 | 0,03 | 5,45 | 0,005 | 0,03 |
7 | 0,64 | 0,064 | 0,04 | 6,18 | 0,008 | 0,038 |
8 | 0,73 | 0,073 | 0,053 | 6,21 | 0,018 | 0,039 |
9 | 0,82 | 0,082 | 0,067 | 6,21 | 0,028 | 0,039 |
10 | 0,91 | 0,091 | 0,083 | 6,22 | 0,038 | 0,039 |
11 | 1 | 0,1 | 0,1 | 6,23 | 0,048 | 0,039 |
12 | 1,09 | 0,109 | 0,119 | 6,23 | 0,058 | 0,039 |
13 | 1,18 | 0,118 | 0,14 | 6,23 | 0,068 | 0,039 |
14 | 1,27 | 0,127 | 0,162 | 6,23 | 0,078 | 0,039 |
15 | 1,36 | 0,136 | 0,186 | 6,24 | 0,088 | 0,039 |
16 | 1,45 | 0,145 | 0,212 | 6,24 | 0,098 | 0,039 |
17 | 1,55 | 0,155 | 0,239 | 6,24 | 0,108 | 0,039 |
18 | 1,64 | 0,164 | 0,268 | 6,24 | 0,118 | 0,039 |
19 | 1,73 | 0,173 | 0,298 | 6,24 | 0,128 | 0,039 |
20 | 1,82 | 0,182 | 0,331 | 6,24 | 0,138 | 0,039 |
3. Charakterystyka prądowo‑napięciowa
Przypomnij sobie, czym jest charakterystyka prądowo‑napięciowa elementu obwodu (jest o tym mowa m.in. w e‑materiale „Jak doświadczalnie wyznaczyć charakterystykę prądowo‑napięciową elementu obwodu?”). Za pomocą animacji wykreślisz naraz dwie charakterystyki tego samego elementu - opornika .
Uruchom animację na poziomie zaawansowanym. Ustaw dowolne wartości oporów oraz . Zaplanuj odpowiednie postępowanie i wykonaj pomiary, które pozwolą wypełnić tabelę dwóch zależności natężenia prądu :
a) od regulowanego przez Ciebie napięcia
b) od napięcia wynikającego z nastawionego napięcia oraz z przyjętych wartości dwóch oporów.
Wyniki wpisz do tabeli i na ich podstawie sporządź wykresy obu zależności. Skorzystaj z arkusza kalkulacyjnego lub innego oprogramowania.
Opisz przebieg każdej z charakterystyk. Zwróć uwagę na następujące ich aspekty:
- Czy na każdej z nich widoczne jest przejście od obszaru napięć wejściowych do obszaru
- Czy któraś z nich wykazuje odstępstwa od liniowości w którymkolwiek z tych obszarów?
Przypomnij sobie, czym jest charakterystyka prądowo‑napięciowa elementu obwodu (jest o tym mowa m.in. w e‑materiale „Jak doświadczalnie wyznaczyć charakterystykę prądowo‑napięciową elementu obwodu?”). Za pomocą animacji można otrzymać naraz dwie charakterystyki tego samego elementu - opornika .
Ponownie uruchomiono animację na poziomie zaawansowanym i ustawiono wartości oporów omega oraz komega. Wykonano pomiary pozwalające otrzymać dwie zależności natężenia prądu płynącego przez odbiornik :
a) od regulowanego w animacji napięcia ;
b) od napięcia wynikającego z nastawionego napięcia oraz z przyjętych wartości dwóch oporów.
Wyniki zapisane w poniższej tabeli pozwalają na utworzenie charakterystyk prądowo‑napięciowyck, o których mowa we wstępie.
UIndeks dolny wewe (V) | UIndeks dolny wywy (V) | IIndeks dolny RIndeks dolny LL Indeks dolny koniecRIndeks dolny LL (A) |
|---|---|---|
0 | 0 | 0 |
1 | 0,91 | 0,001 |
2 | 1,82 | 0,002 |
3 | 2,73 | 0,003 |
4 | 3,64 | 0,004 |
5 | 4,55 | 0,005 |
6 | 5,45 | 0,005 |
7 | 6,18 | 0,006 |
8 | 6,21 | 0,006 |
9 | 6,21 | 0,006 |
10 | 6,22 | 0,006 |
11 | 6,23 | 0,006 |
12 | 6,23 | 0,006 |
13 | 6,23 | 0,006 |
14 | 6,23 | 0,006 |
15 | 6,24 | 0,006 |
16 | 6,24 | 0,006 |
17 | 6,24 | 0,006 |
18 | 6,24 | 0,006 |
19 | 6,24 | 0,006 |
20 | 6,24 | 0,006 |
Opisz przebieg każdej z charakterystyk. Zwróć uwagę na następujące ich aspekty:
- Czy na każdej z nich widoczne jest przejście od obszaru napięć wejściowych do obszaru
- Czy któraś z nich wykazuje odstępstwa od liniowości w którymkolwiek z tych obszarów?
4. Punkt pracy diody Zenera
Zapoznaj się pokrótce z animacją w wersji wzbogaconej o wykres. Na jego osiach odłożono napięcie oraz natężenie prądu. Linia czerwona prezentuje modelowy przebieg charakterystyki diody Zenera, czyli zależności Przebieg tej linii jest ustalony - wynika on jednoznacznie z właściwości użytej diody. Skoncentruj się na obszarze napięć ujemnych - odpowiadają one kierunkowi zaporowemu. Cały ten fragment linii czerwonej to zbiór możliwych punktów pracy diody, czyli par (napięcie panujące na diodzie; natężenie prądu płynącego przez diodę), w skrócie par Wartości współrzędnych tego punktu są wyświetlane w animacji.

Zasób interaktywny dostępny pod adresem https://zpe.gov.pl/a/Dr6MElTSh
Który z punktów pracy zostaje wykorzystany? Przy zadanym połączeniu diody zależy to od wartości parametrów pozostałych elementów obwodu. Określa to tzw. linia prądu diody - prosta pokazana na niebiesko. Aktualny punkt pracy diody to punkt przecięcia tych dwóch linii. Zanim poznasz definicję oraz równanie linii prądu, zbadaj i opisz możliwe jej przebiegi.
Uruchom animację na poziomie podstawowym, ustaw możliwie małą wartość Na przemian zwiększaj i zmniejszaj napięcie Opisz wpływ tych zmian na położenie punktu pracy. Opisz także wpływ tych zmian na nachylenie niebieskiej prostej i na punkty jej przecięcia z osiami wykresu.
Ustaw niezerową wartość napięcia w obszarze poniżej napięcia przebicia Na przemian zwiększaj i zmniejszaj opór Opisz wpływ tych zmian na położenie punktu pracy. Opisz także wpływ tych zmian na nachylenie niebieskiej prostej i na punkty jej przecięcia z osiami wykresu.
Ustaw napięcie i powtórz czynności opisane w punkcie b).
Uruchom animację na poziomie zaawansowanym i wykonaj czynności opisane w poleceniu 4. po wkomponowaniu w nie badanie wpływu opornika na stromiznę linii prądu diody oraz na punkty jej przecięcia z osiami. Zaprojektuj, we własnym zakresie, kolejność dokonywania zmian każdego z trzech parametrów.
Wyprowadź samodzielnie równanie linii prądu diody. W razie potrzeby korzystaj kolejno z każdej wskazówki.
Nawet jeśli nie uda Ci się wyprowadzić tego równania, to skorzystaj z Rozwiązania i sprawdź, czy zmiany przebiegu niebieskiej funkcji, stwierdzone podczas Twojego badania, były zgodne z przewidywaniami równania linii prądu.