Budowa i działanie urządzeń bezpieczeństwa ruchu pojazdów trakcyjnych
Montaż i eksploatacja środków transportu szynowego — Technik elektroenergetyk transportu szynowego
Urządzenia bezpieczeństwa ruchu pojazdów trakcyjnych
ATLAS INTERAKTYWNY
Informacja: |
Informacja:
W poniższym materiale dodano nagrania dźwiękowe tożsame z tekstem znajdującym się pod nimi. Możesz więc zarówno odsłuchać, jak i przeczytać tę część materiału.
SHP (Samoczynne Hamowanie Pociągu) — jest to urządzenie, którego głównym zadaniem jest zapewnienie bezpieczeństwa poruszania się pociągu oraz innych uczestników ruchu kolejowego. Odpowiada za kontrolę czujności maszynisty i jego reakcji przy zbliżaniu się do sygnalizatorów przytorowych.
Składa się ono z części przytorowej oraz z części pojazdowej. Część przytorowa zawiera rezonator torowy, który znajduje się w odległości przed tarczą ostrzegawczą lub semaforem. Część pojazdowa zawiera przekaźniki wyzwalające pracę sygnałów dźwiękowych i świetlnych, oraz przekaźnik czasowy i przekaźnik sterujący zaworem elektropneumatycznym hamulca pneumatycznego, układ kluczujący, wzmacniacz mocy. Wszystkie te elementy współpracują ze sobą. Zasadza współdziałania urządzeń samoczynnego hamowania: po przejechaniu pojazdu z napędem wyposażonego w urządzenia SHP nad rezonatorem torowym następuje zablokowanie generatora SHP i zapalenie lampki sygnalizacyjnej SHP na pulpicie pojazdu trakcyjnego. Maszynista powinien potwierdzić czujność poprzez przyciśnięcie przez czas poniżej sekundy przycisku czujności, co powoduje odblokowanie generatora systemu SHP i przejście urządzenia w stan czuwania. W przypadku dłuższego przyciśnięcia przycisku czujności następuje rozpoczęcie procedury hamowania nagłego, zabezpieczenie to ma na celu konieczność zwalniania przycisku i ponownego potwierdzenia czujności w miejscach oddziaływania elektromagnesów torowych. W przypadku braku potwierdzenia czujności, po upływie następuje włączenie buczka ostrzegawczego, a przy dalszym braku reakcji maszynisty, po upływie kolejnych następuje wyłączenie zasilania zaworu elektropneumatycznego SHP, opróżnienie przewodu głównego i wdrożenie hamowania nagłego. Nie ma możliwości przerwania nagłego hamowania aż do czasu zatrzymania pojazdu. Ponowne uruchomienie pojazdu i wznowienie jazdy jest możliwe po odblokowaniu urządzenia przyciskiem czujności, oraz napełnieniu przewodu głównego hamulca pneumatycznego.

Opis działania:
Rezonator torowy jest obwodem biernym, nie jest zasilany z żadnego źródła prądu. Współpracuje z elektromagnesem zainstalowanym na pojeździe i zasilanym z generatora prądu o częstotliwości . W czasie jazdy, gdy elektromagnes pokładowy przesuwa się nad rezonatorem torowym, następuje między nimi sprzężenie wskutek czego napięcie na zaciskach generatora gwałtownie maleje, a co za tym idzie zmniejsza się wysterowanie układu kluczującego i generator przechodzi w stan blokowania, powodując wyzwolenie pracy przekaźników sterujących sygnałem świetlnym, a następnie dźwiękowym. W przypadku braku reakcji maszynisty wdrożone jest hamowanie nagłe. Kiedy lokomotywa całkowicie się zatrzyma oraz maszynista świadomie ponownie włączy napęd, może ponownie rozpocząć jazdę.

Nagranie dostępne pod adresem https://zpe.gov.pl/a/D3EBtHlCv
Nagranie dźwiękowe przedstawiające samoczynne hamowanie pociągu. Jest to przeciągłe brzęczenie urządzenia zwanego buczkiem.
Generator SHP — urządzenie elektroniczne, które wchodzi w skład części pojazdowej samoczynnego hamowania pociągu (SHP).
Generator SHP zawiera następujące elementy: generator przebiegu o częstotliwości (analogicznej do rezonatora torowego), wzmacniacz oraz przekaźnik elektroniczny.
Generator SHP jest odpowiedzialny za działanie systemu bezpieczeństwa, sprawdzającego czujność maszynisty. Odpowiada on za zasilanie elektromagnesu zainstalowanego na pojeździe trakcyjnym. W chwili gdy elektromagnes pokładowy przejeżdża nad rezonatorem torowym, następuje sprzężenie wskutek czego napięcie na zaciskach generatora gwałtownie maleje, a co za tym idzie zmniejsza się wysterowanie układu kluczującego. Następuje zablokowanie generatora SHP i zapalenie lampki sygnalizacyjnej SHP na pulpicie pojazdu trakcyjnego. Maszynista powinien potwierdzić czujność poprzez przyciśnięcie przez czas poniżej sekundy przycisku czujności, co powoduje odblokowanie generatora systemu SHP i przejście urządzenia w stan czuwania. W przypadku braku odpowiedzi maszynisty aktywuje nagłe hamowanie pojazdu szynowego.
Opis sposobu działania SHP:
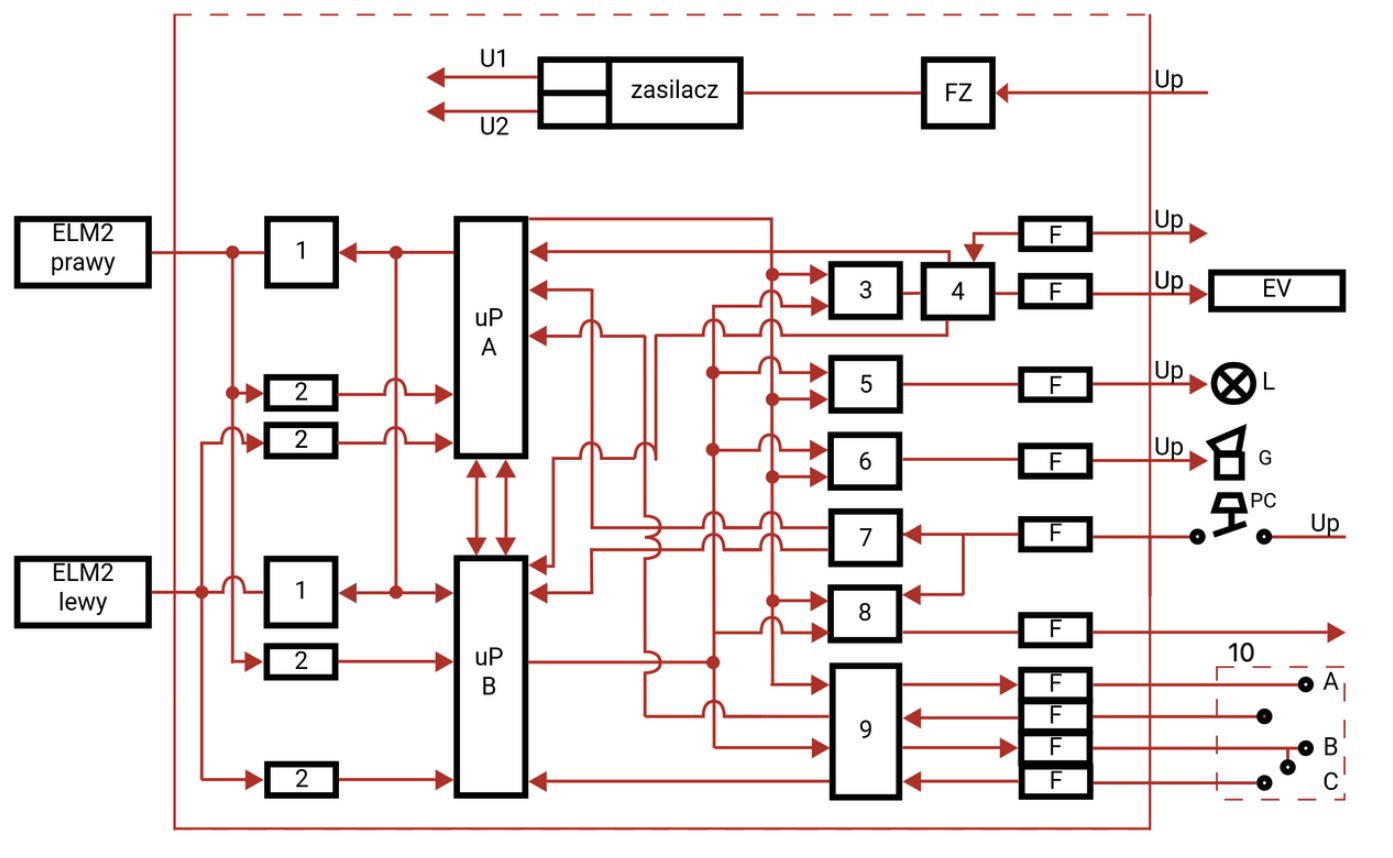
Obwód SHP (Samoczynnego Hamowania Pociągu) składa się z dwóch elektromagnesów, które są czujnikami SHP: ELM‑2 lewy oraz ELM‑2 prawy. Elektromagnesy są połączone z dwoma wzmacniaczami selektywnymi oraz dwoma detektorami napięcia dla jednego elektromagnesu. Detektory są z kolei połączone z mikrokontrolerami. Dla detektora wychodzącego od ELM‑2 jest to uP‑A prawy, a dla detektora wychodzącego od ELM‑2 lewy jest to uP‑B. Są połączone w taki sposób, że mikrokontrolery mają informację o napięciu na obydwu czujnikach. Mikrokontrolery wysyłają sygnał sterujący do przetwornicy elektrycznej, która zasila zestaw przekaźnikowy. Zestaw przekaźnikowy jest zasilany poprzez filtr oraz grupę zestyków pojazdu szynowego. Zestyki te odpowiadają za wymianę informacji między nastawnikiem jazdy, szybkościomierzem a SHP. Gdy detektor napięcia wykryje obniżenie napięcia poniżej określonego progu na jednym z elektromagnesów, mikrokontrolery wysyłają sygnał do układów przekazujących sygnał, który włącza lampkę sygnalizacyjną. Jeśli maszynista po włączeniu lampki sygnalizacyjnej naciśnie przycisk czujności w ciągu 2,5 sekundy, urządzenie powraca do stanu zasadniczego. W przypadku braku naciśnięcia przycisku czujności mikrokontrolery wysyłają sygnał do układu przekazującego sygnał, który włącza buczek. Jeśli maszynista naciśnie przycisk czujności w czasie krótszym niż 2 sekundy po włączeniu buczka, urządzenie powraca do stanu zasadniczego. Jeśli maszynista nie naciśnie przycisku czujności, mikrokontrolery przestają wysyłać sygnał do przetwornicy elektrycznej, zestyk czynny zestawu przekaźnikowego przestaje być zasilany, a napięcie na elektrozaworze znika. Spowoduje to automatyczne nagłe hamowanie pociągu. Zasilanie SHP pochodzi z pojazdu szynowego poprzez filtr FZ i zasilacz.

- U1/U2 - odizolowane galwaniczne od siebie napięcia stabilizowane,
- FZ - filtr i zasilacz,
- ELM2 prawy/lewy - czujniki,
- [1] - wzmacniacz selektywny,
- [2] - detektory napięcia,
- uP A/uP B - mikrokontrolery,
- [3] - przetwornica elektryczna,
- [4] - zestyk czynny zestawu przekaźnikowego,
- [5], [6] - układ przekazujący sygnał,
- [7], [8] - moduły przetwarzające sygnał,
- [9] - moduł kontroli zestyków,
- F - filtr,
- [10] - grupa zestyków,
- A, B - zestyki nastawnika kierunku jazdy,
- C - zestyk szybkościomierza,
- EV - elektrozawór,
- L - lampka sygnalizacyjna,
- G - buczek,
- PC - przycisk czujności,
Rezonator torowy — element przytorowego systemu SHP. Jest umieszczony przy prawej szynie patrząc dla kierunku ruchu pojazdu szynowego. Rezonator jest elementem biernym, nie wymaga zasilania. Jest dostrojony do częstotliwości (analogicznie do obwodu rezonansowego czujnika na pojeździe).
Rezonatory są rozmieszczone w następujących miejscach:
przy torze w odległości przed tarczą ostrzegawczą, semaforami wjazdowymi,
przy stacji na wysokości semafora,
przed miejscami niebezpiecznymi,
dodatkowo, w przypadku gdy odległość pomiędzy sąsiednimi rezonatorami wynosi więcej niż .
Rezonator torowy to elektromagnes, który współpracuje z generatorem SHP znajdującym się w pojeździe trakcyjnym. W momencie przejazdu pociągu nad rezonatorem torowym następuje sprzężenie w skutek czego napięcie na zaciskach generatora gwałtownie maleje, a co za tym idzie zmniejsza się wysterowanie układu kluczującego. Następuje zablokowanie generatora SHP i zaświecenie lampki sygnalizacyjnej na pulpicie pojazdu trakcyjnego. Maszynista powinien potwierdzić czujność poprzez przyciśnięcie przez czas poniżej sekundy przycisku czujności, co powoduje odblokowanie generatora systemu SHP i przejście urządzenia w stan czuwania. W przypadku braku odpowiedzi maszynisty aktywuje się nagłe hamowanie pojazdu szynowego.

Prędkościomierz — jest używany do pomiaru prędkości pojazdu szynowego, szczególnie bieżącego czasu i drogi przebytej przez pojazd szynowy. Ponadto prędkościomierz rejestruje sygnały dwustanowe. Jest urządzeniem, które zapewnia bezpieczeństwo ruchu pojazdu i dostarcza niezbędne informacje w przypadku dochodzeń służbowych. Prędkościomierze wskazująco‑rejestrujące stosowane w pojazdach dwukabinowych pozwalają wskazać prędkość pojazdu, oraz zapisać istotne parametry jazdy.
Składają się ze współpracujących ze sobą i zależnych od siebie mechanizmów takich jak:
Napęd szybkościomierza — w postaci linki szybkościomierza przenoszącej mechanicznie moment obrotowy z zestawu kołowego lub silnika elektrycznego zamontowanego pod obudową prędkościomierza
Mechanizmu posuwu taśmy na której rejestrowane są parametry jazdy jak prędkość, czas przejazdu, kierunek jazdy
Mechanizmu pomiarowego umożliwiającego pomiar i wskazania prędkości pojazdu rejestrowane na taśmie, obliczanie i wskazywanie ilości przebytych kilometrów, zmiany ruchu dwukierunkowego na jednokierunkowy
Mechanizmu zegarowego informującego o dokładnym czasie w trakcie jazdy oraz postoju
Mechanizmu pomiaru ciśnienia lub jego regulacji rejestrującego hamowanie pojazdu.
Rejestrator prędkości w pojeździe kolejowym ma za zadanie zapisanie parametrów, takich jak prędkość, czas, droga, ale również jazda z poborem prądu i działanie urządzeń bezpieczeństwa, np. czuwaka czy SHP. Analogowe prędkościomierze typu Hasler zapisują wszystkie te parametry na taśmie prędkościomierza zamocowanej tuż pod samą jego tarczą. W elektronicznych rejestratorach liczba zapisywanych parametrów jest większa. Poza wcześniej wymienionymi rejestrowane są również parametry ciśnienia w cylindrach hamulcowych, przewodzie głównym, napięcie baterii pojazdu, działanie klimatyzacji, otwarcie drzwi oraz inne.
Nagranie dostępne pod adresem https://zpe.gov.pl/a/D3EBtHlCv
Nagranie dźwiękowe przedstawiające dźwięk prędkościomierza. Przypomina szybkie tykanie zegara.


Czuwak aktywny — jest to urządzenie, które wchodzi w skład automatyki bezpieczeństwa pociągu (ABP). Urządzenie służy do okresowej kontroli czujności maszynisty.
Głównym zadaniem czuwaka jest okresowa, co sekund kontrola czujności maszynisty. Maszynista w momencie otrzymania sygnału wzrokowego jest zobowiązany do zareagowania i użycia przycisku czujności tzw. „czuwaka”. W przypadku braku reakcji po upływie sekundy następuje kolejny sygnał, tym razem dźwiękowy, a ostatecznie nagłe hamowanie pojazdu. Awaryjne hamowanie pojazdu z maksymalną siłą hamowania jest wyzwalane automatycznie przez sterownik i ma zapobiegać negatywnym skutkom niekontrolowanego poruszania się pojazdu szynowego w przypadku np. zasłabnięcia pracownika obsługującego pojazd.
Warto dodać, że urządzenie CA (Czuwaka Aktywnego), jest automatycznie załączane od prędkości maksymalnej pojazdu, tak więc w zakresu prędkości, praca i czujność maszynisty jest kontrolowana przez system. Nie zależy więc bezpośrednio od wartości prędkości.



Nagranie dostępne pod adresem https://zpe.gov.pl/a/D3EBtHlCv
Nagranie dźwiękowe przedstawiające czuwak aktywny. Jest to przeciągłe brzęczenie.
Urządzenie Radiostop (RS) — jest kolejnym urządzeniem zabezpieczającm ruch kolejowy na sieci PKP Polskich Linii Kolejowych. Wchodzi w skład automatyki bezpieczeństwa pociągu (ABP). Przycisk „Radiostop” powinien być użyty tylko w sytuacji niebezpieczeństwa i zagrożenia w ruchu kolejowym.
Opis działania:
Użycie przycisku wskazane jest tylko i wyłącznie w sytuacji bezpośredniego zagrożenia ruchu kolegowego. Wciśnięcie przycisku ALARM powoduje włączenie sygnału alarmowego, jak również automatyczne wdrożenie hamowania wszystkich pociągów we wszystkich kierunkach w danym promieniu od urządzenia nadającego sygnał alarmowy. Dotyczy to pojazdów, które komunikują się na tym samym kanale radiowym – paśmie częstotliwości. Odebranie sygnału „ALARM” nadanego automatycznie zobowiązuje wszystkich użytkowników, którzy go odebrali do przełączenia radiotelefonu na kanał ratunkowy (kanał nr ) w celu wyjaśnienia przyczyny nadania tego sygnału z najbliższym dyżurnym ruchu. Zasięg działania urządzenia zawiera się w przedziale kilometrów.

Nagranie dostępne pod adresem https://zpe.gov.pl/a/D3EBtHlCv
Nagranie audio przedstawiające sygnał dźwiękowy urządzenie radiostopu. Są to trzy krótkie nuty następujące zaraz po sobie w tonacji rosnącej, powtarzane kilkukrotnie.
Communications‑based train control (CBTC) — system lokalizacji pojazdów szynowych wykorzystujący łączność pomiędzy pojazdem a urządzeniami przytorowymi zarządzającymi ruchem i sterowaniem infrastrukturą. Dzięki zastosowaniu tego systemu położenie pociągu określane jest dokładniej niż w tradycyjnych systemach. Daje to możliwość wydajniejszego i bezpieczniejszego zarządzania ruchem kolejowym. Infrastruktura kolejowa może osiągnąć maksymalną przepustowość między pociągami, zachowując przy tym samym wymogi bezpieczeństwa.
Opis działania:
Za pomocą centralnego komputera zarządza się zespołami trakcyjnymi poprzez wymianę informacji z komputerem pokładowym każdego pociągu. Komputer pokładowy w czasie rzeczywistym wylicza i przekazuje dane do przytorowych urządzeń sieciowych. Do zakomunikowanego stanu pociągu należy m.in. dokładna pozycja, kierunek jazdy, prędkość poruszania i minimalna droga hamowania. Działanie systemu CBTC opiera się na koncepcji odkształconego ruchomego bloku. Na bloki składają się: obszary zajmowane przez pociąg, w tym z bezpiecznego marginesu zarówno z przodu jak i z tyłu zestawu oraz z odległości wyhamowania obliczanej w czasie rzeczywistym. Umożliwia to zmniejszenie odstępu między pociągami i zwiększenie przepustowości linii. System może być wykorzystywany do automatyzacji już funkcjonującego systemu oraz podczas budowy nowego systemu transportowego.
- Beacon. Nadajnik torowy przekazujący sygnał do pojazdu.
- Beacon reader. Odczytuje informacje z Beacon reader.
- ATP (automatic train protection). System automatycznego ograniczania prędkości pociągu. Jego podstawowym zadaniem jest zapewnienie bezpiecznej jazdy pociągu przez ciągłe porównywanie prędkości rzeczywistej z prędkością bezpieczną.
- ATO (automatic train operation). Automatyczny system sterowania przejazdem pociągu. Pozwala na prowadzenie pociągu racjonalnie i zgodnie z planem. Umożliwia energooszczędną jazdę, hamowanie itp.
- ATS (automatic train supervision). System automatycznego nadzoru. System ten zapewnia środki, które umożliwiają kontrolę i ograniczenie zezwolenia na jazdę dla pociągów, które znajdują się w obszarze wyposażonym w CBTC.
- Beacon. Nadajnik torowy przekazujący sygnał do pojazdu.
- Beacon reader. Odczytuje informacje z Beacon reader.
- ATP (automatic train protection). System automatycznego ograniczania prędkości pociągu. Jego podstawowym zadaniem jest zapewnienie bezpiecznej jazdy pociągu przez ciągłe porównywanie prędkości rzeczywistej z prędkością bezpieczną.
- ATO (automatic train operation). Automatyczny system sterowania przejazdem pociągu. Pozwala na prowadzenie pociągu racjonalnie i zgodnie z planem. Umożliwia energooszczędną jazdę, hamowanie itp.
- ATS (automatic train supervision). System automatycznego nadzoru. System ten zapewnia środki, które umożliwiają kontrolę i ograniczenie zezwolenia na jazdę dla pociągów, które znajdują się w obszarze wyposażonym w CBTC.
Ilustracja interaktywna przedstawia schematyczny rysunek systemu lokalizacji pojazdów szynowych. Na ilustracji znajduje się pięć punktów interaktywnych, po kliknięciu, w które pojawia się ramka z tekstem oraz nagraniem dźwiękowym z nim tożsamym. Na ilustracji widać wagon pociągu jadący po torze. Na wagonie widoczne są cztery białe prostokąty z napisami, połączone ze sobą czarnymi strzałkami. Z lewej jest podpis Beacon Reader, połączony z prostokątami A Te Pe i A Te O na środku, z którymi z prawej połączony jest prostokąt Radio, od którego odchodzi symbol anteny. Za wagonem na torze widać niebieski prostokąt podpisany Beacon. Dalej z tyłu widoczny jest kolejny wagon. Między wagonami jest strzałka podpisana Distance Control. Wzdłuż toru widać kolejną część schematu. Równolegle do toru biegnie linia, z której wystają dwa prostokąty podpisane Radio, od których odchodzą symbole anten. Wzdłuż tej linii biegnie druga, krótsza. Również równolegle do obu linii są ustawione dwa szare prostokąty. Na pierwszym jest obrazek postaci przed rzędem ekranów podpisany A Te eS, a cały szary prostokąt jest podpisany Operation Control Center. Strzałka łączy A Te Es z drugą linią. Na drugim szarym prostokącie jest trzecia linia, która łączy się dwoma strzałkami z pozostałymi dwoma liniami. Z jednej strony tej trzeciej linii jest prostokąt z napisem A Te Pe ukośnik A Te O połączony z nią strzałką. Z prawej strony linii jest drugi prostokąt połączony z nią strzałką, podpisany Interlocking. Cały szary prostokąt podpisany jest jako Signaling Equipment Room. Od podpisu Interlocking biegnie strzałka do toru, który w tym miejscu się rozdziela na dwa. Przy końcu strzałki jest podpis Point Machine. Między rozwidleniem toru a wagonem pociągu na torze widnieje symbol żółtej błyskawicy.
Elementy systemu podpisano punktami interaktywnymi od jeden do pięć.
Beacon. Nadajnik umieszczony na torze. Na schemacie jako niebieski prostokąt między wagonami.
Tekst: Nadajnik torowy przekazujący sygnał do pojazdu.Beacon reader. Czytnik nadajnika, element wyposażenia pociągu.
Tekst: Odczytuje informacje z Beacon’u.A Te Pe (automatic train protection). Element wyposażenia pociągu.
Tekst: System automatycznego ograniczania prędkości pociągu. Jego podstawowym zadaniem jest zapewnienie bezpiecznej jazdy pociągu przez ciągłe porównywanie prędkości rzeczywistej z prędkością bezpieczną.A Te O (automatic train operation). Element wyposażenia pociągu.
Tekst: Automatyczny system sterowania przejazdem pociągu. Pozwala na prowadzenie pociągu racjonalnie i zgodnie z planem. Umożliwia energooszczędną jazdę, hamowanie itp.A Te eS (automatic train supervision). System zewnętrzny.
Tekst: System automatycznego nadzoru. System ten zapewnia środki, które umożliwiają kontrolę i ograniczenie zezwolenia na jazdę dla pociągów, które znajdują się w obszarze wyposażonym w Ce Be Te Ce.
1. BTM jest częścią systemu punktowej transmisji danych istotnych dla bezpieczeństwa między pojazdami kolejowymi a urządzeniami linii sygnalizacyjnej.
2. HMI (Human Machine Interface) panel sterowania umożliwiający kontrolę nad innymi urządzeniami elektrycznymi.
3. TIU (Transponder Interrogation Unit) działają poprzez wysyłanie sygnałów o częstotliwości radiowej między anteną a transponderami, które są przymocowane do obiektów lub w określonych miejscach.
4. ODO (Odometer System) komponent zawiera czujniki używane do określania prędkości i lokalizacji pociągu.
5. TWC - (Train‑to‑wayside communications) odbiornik używany do bezprzewodowej wymiany informacji między pociągiem a innymi lokalizacjami.
6. LEU (Lineside Electronics Unit) kontroluje balisy aktywne (AB), aby nadać odpowiedni sygnał (np. czerwony, zielony, żółty). Informacje na sygnału aspekt sygnału są odbierane z IXL.
7. IXL (Interlocking system) zapewnia funkcje blokowania tras. Gdy ATS wymaga trasy, trasa jest przekazywana przez przydrożny ATP do IXL. IXL weryfikuje, czy na trasie nie ma innych pociągów i czy nie koliduje z innymi trasami. W takim przypadku IXL blokuje i ustawia miejsca przynależące do trasy i odpowiednio ustawia sygnalizatory przydrożne.
1. BTM jest częścią systemu punktowej transmisji danych istotnych dla bezpieczeństwa między pojazdami kolejowymi a urządzeniami linii sygnalizacyjnej.
2. HMI (Human Machine Interface) panel sterowania umożliwiający kontrolę nad innymi urządzeniami elektrycznymi.
3. TIU (Transponder Interrogation Unit) działają poprzez wysyłanie sygnałów o częstotliwości radiowej między anteną a transponderami, które są przymocowane do obiektów lub w określonych miejscach.
4. ODO (Odometer System) komponent zawiera czujniki używane do określania prędkości i lokalizacji pociągu.
5. TWC - (Train‑to‑wayside communications) odbiornik używany do bezprzewodowej wymiany informacji między pociągiem a innymi lokalizacjami.
6. LEU (Lineside Electronics Unit) kontroluje balisy aktywne (AB), aby nadać odpowiedni sygnał (np. czerwony, zielony, żółty). Informacje na sygnału aspekt sygnału są odbierane z IXL.
7. IXL (Interlocking system) zapewnia funkcje blokowania tras. Gdy ATS wymaga trasy, trasa jest przekazywana przez przydrożny ATP do IXL. IXL weryfikuje, czy na trasie nie ma innych pociągów i czy nie koliduje z innymi trasami. W takim przypadku IXL blokuje i ustawia miejsca przynależące do trasy i odpowiednio ustawia sygnalizatory przydrożne.
Ilustracja interaktywna przedstawia schematyczny rysunek systemu lokalizacji pojazdów szynowych. Na ilustracji znajduje się osiem punktów interaktywnych, po kliknięciu, w które pojawia się ramka z tekstem oraz nagraniem dźwiękowym z nim tożsamym. Na rysunku widoczny jest schemat przekroju bocznego lokomotywy jadącej po torze. Z przodu widać sylwetkę motorniczego siedzącego przy konsoli podpisanej Ha Em I. Od konsoli biegnie strzałka do prostokąta znajdującego się za motorniczym, podpisanego Onboard A Te Pe, do której biegną kolejne cztery strzałki. Jedna z nich biegnie od koła znajdującego się za maszynistą, przez prostokąt podpisany O De O, druga biegnie od prostokąta znajdującego się w dolnej części lokomotywy, podpisanego jako antena, przez prostokąt podpisany Be Te eM. kolejna biegnie od następnego koła ze schematem hamulca, przez prostokąt podpisany Te I U. Ostatnia biegnie od ustawionego na dachu rysunku anteny, przez prostokąt podpisany Te Wu Ce. Za schematem lokomotywy na torze widoczne są dwa małe prostokąty po dwóch stronach sygnalizatora świetlnego z czerwonym, żółtym i zielonym światłem. Nad prostokątami widać żółte symbole błyskawic. Poniżej nich, pod torem, jest napis Active Balise. Dwa szare prostokąty, podpisane Passive Balise, widnieją pod torem, poniżej kół lokomotywy. W górnej części rysunku widać linię z prostokątem podpisanym Local Area Network, od której w górę biegnie krótki odcinek zakończony podpisem A Te Es a w dół podobny, podpisany Wireless Communication System, który znajduje się nad lokomotywą. Między tym prostokątem a lokomotywą widać dwa żółte symbole błyskawic. Również od linii w górnej części obrazka biegnie w dół odcinek przez prostokąt opisany Wayside A Te Pe, który zakończony jest prostokątem podpisanym I X eL. Od niego biegną dwie strzałki, jedna do sygnalizatora świetlnego a druga do aktywnych balis poniżej, przez prostokąt podpisany eL E U.
Elementy systemu podpisano punktami interaktywnymi od jeden do osiem.
Be Te eM.
Tekst: Jest częścią systemu punktowej transmisji danych istotnych dla bezpieczeństwa między pojazdami kolejowymi a urządzeniami linii sygnalizacyjnej.Ha eM I (Human Machine Interface).
Tekst: Panel sterowania umożliwiający kontrolę nad innymi urządzeniami elektrycznymi.Te I U (Transponder Interrogation Unit).
Tekst: Działają poprzez wysyłanie sygnałów o częstotliwości radiowej między anteną a transponderami, które są przymocowane do obiektów lub w określonych miejscach.O De O (Odometer System). Komponent zawiera czujniki używane do określania prędkości i lokalizacji pociągu.
Te Wu Ce (Train‑to‑wayside communications).
Tekst: Odbiornik używany do bezprzewodowej wymiany informacji między pociągiem a innymi lokalizacjami.eL A eN () sieć komputerowa łącząca komputery na określonym obszarze.
eL E U (Lineside Electronics Unit).
Tekst: Kontroluje balisy aktywne (A Be), aby nadać odpowiedni sygnał (np. czerwony, zielony, żółty). Informacje na sygnału aspekt sygnału są odbierane z I X eL.I X eL (Interlocking system).
Tekst: Zapewnia funkcje blokowania tras. Gdy A Te eS wymaga trasy, trasa jest przekazywana przez przydrożny A Te Pe do I X eL. I X eL weryfikuje, czy na trasie nie ma innych pociągów i czy nie koliduje z innymi trasami. W takim przypadku I X eL blokuje i ustawia miejsca przynależące do trasy i odpowiednio ustawia sygnalizatory przydrożne.
ETCS (European Train Control System) — system zapewniający sygnalizację kabinową oraz kontrolę pracy maszynisty w zakresie bezpieczeństwa ruchu. Ma za zadanie zapewnić, że maszynista nie minie semafora wskazującego sygnał “STÓJ” na semaforze oraz nie przekroczy dopuszczalnej prędkości. Jeśli pociąg prowadzony jest niezgodnie z wskazaniami ETCS, na początku system sygnalizuje tę niezgodność, a w razie potrzeby rozpoczyna samoczynne hamowanie. System do transmisji danych wykorzystuje cyfrową łączność GSM‑R jako nośnik danych oraz komunikacji głosowej.
System ETCS posiada 3 poziomy kontroli:
Poziom bez uaktualnienia — oparty jest na przekazywaniu do jadącego pojazdu zezwoleń na jazdę wydawanych przez sygnalizatory świetlne za pośrednictwem przełączalnej balisy zainstalowanej w torze. Sygnał z balisy odbierany jest przez antenę pojazdu i przetwarzany przez komputer pokładowy EVC. Komputer na podstawie informacji odebranych z balis oraz innych podzespołów i systemów, oblicza profil prędkości i przekazuje informację o sposobie prowadzenia jazdy na pulpit maszynisty.
Poziom z uaktualnieniem przez dodatkowe balisy — w porównaniu do poziomu bez uaktualnień wyposażony jest w dodatkowe balisy instalowane w drodze dojazdu do semafora, które aktualizują informację o jego wskazaniach. Ma to na celu zwiększenie przepustowości linii kolejowej.
Poziom z uaktualnieniem przez pętlę — w porównaniu do poziomu bez uaktualnień wyposażony jest w ułożoną w torze europętlę (kabel promieniujący), która umożliwia ciągłą aktualizację informacji o wskazaniach semafora. Ma to na celu zwiększenie przepustowości linii kolejowej oraz ograniczenie zużycia energii.
RROpuglQPXT22 Grafika przedstawia poziom pierwszy systemu E Te Ce eS . Na grafice znajduje się przekrój lokomotywy poruszającej się po torze. Na przodzie lokomotywy znajduje się pulpit zaznaczony na zielono, przy którym siedzi maszynista. Pulpit ten jest podpisany: Eurokabina, komputer E Te Ce eS, pulpit maszynisty i odbiornik. Na dachu lokomotywy znajduje się symbol anteny w kolorze zielonym, jest on podpisany antena Gie eS eM myślnik R. Przed lokomotywą znajduje się semafor, mruga czerwone i żółte światło. Przed semaforem zaznaczono na zielono fragment toru, fragment ten podpisano Eurobalise. Za semaforem zaznaczono jeszcze dwie eurobalisy. Z eurobalisy znajdującej się dalej od semafora wychodzi strzałka do napisu: powiadomienie o zwolnieniu toru, następna strzałka wskazuje na napis blokowanie, następna idzie do napisu sygnał kontrolny, a ta strzałka prowadzi do zielonego prostokąta znajdującego się nad torem w miejscu, gdzie znajduje się druga eurobalisa. Z tego fragmentu prowadzi strzałka do eurobalisy znajdującej się przed semaforem.
Poziom systemu ETCSŹródło: Englishsquare.pl Sp. z o.o., licencja: CC BY-SA 3.0.Sygnały przytorowe są niezbędne. Wykrywanie pociągu oraz sprawdzenie, czy pociąg nie został rozerwany, są wykrywane przez urządzenia przytorowe.
Poziom
R1XDGm87of0LX Grafika przedstawia poziom drugi systemu E Te Ce eS . Na grafice znajduje się przekrój lokomotywy poruszającej się po torze. Na przodzie lokomotywy znajduje się pulpit zaznaczony na zielono, przy którym siedzi maszynista. Pulpit ten jest podpisany: Eurokabina, komputer E Te Ce eS, pulpit maszynisty i odbiornik. Na dachu lokomotywy znajduje się symbol anteny w kolorze zielonym, jest on podpisany antena Gie eS eM myślnik R. Z anteny widoczna jest rozchodząca się w prawo fala dźwiękowa. Przed lokomotywą zaznaczono na zielono fragment toru, fragment ten podpisano Eurobalise. Dalej zaznaczono drugą eurobalisę. Wychodzi z niej strzałka do góry do napisu: powiadomienie o zwolnieniu toru, następna strzałka wskazuje na napis blokowanie, a następna idzie do napisu eR Be Ce. Pomiędzy lokomotywą a strzałkami z napisami znajdują się dwie strzałki. Pierwsza skierowana w lewo z podpisem dane dotyczące trasy i druga skierowana w prawo z podpisem raportowanie.
Poziom systemu ETCSŹródło: Englishsquare.pl Sp. z o.o., licencja: CC BY-SA 3.0.Poziom polega na ciągłym nadzorze ruchu pociągu ze stałą komunikacją poprzez GSM‑R. Sygnalizacja przytorowa jest opcjonalna. Wykrywanie pociągu, oraz sprawdzenie czy pociąg nie został rozerwany są wykrywane przez urządzenia przytorowe — liczniki osi poza zakresem działania ERTMS.
Poziom
RLX852G5aZ9t4 Grafika przedstawia poziom trzeci systemu E Te Ce eS . Na grafice znajduje się przekrój lokomotywy poruszającej się po torze. Na przodzie lokomotywy znajduje się pulpit zaznaczony na zielono, przy którym siedzi maszynista. Pulpit ten jest podpisany: Eurokabina, komputer E Te Ce eS, konsola kierowcy i odbiornik. Na dachu lokomotywy znajduje się symbol anteny w kolorze zielonym, jest on podpisany antena Gie eS eM myślnik R. Z anteny widoczna jest rozchodząca się w prawo fala dźwiękowa. Przed lokomotywą zaznaczono na zielono fragment toru, fragment ten podpisano Eurobalise. Dalej zaznaczono drugą eurobalisę. Nad nią znajduje się napis: centrala. Pomiędzy lokomotywą a napisem centrala znajdują się dwie strzałki. Pierwsza skierowana w lewo z podpisem dane dotyczące trasy i druga skierowana w prawo z podpisem raportowanie.
Poziom systemu ETCSŹródło: Englishsquare.pl Sp. z o.o., licencja: CC BY-SA 3.0.Poziom obejmuje ciągły nadzór pociągu z ciągłą komunikacją między pociągiem a urządzeniami przytorowymi. Główna różnica między pomiędzy poziomem 2 polega na tym że lokalizacja i integralność pociągu są zarządzane w ramach systemu ETCS. Nie ma potrzeby stosowania sygnalizacji przytorowej, oraz systemów detekcji pociągu innych niż eurobalisy. Integralność pociągu jest nadzorowana przez system.
Opis działania poziom I:
W momencie zbliżania się pociągu, balisa otrzymuje informacje odnośnie światła znajdującego się na semaforze bądź maksymalnej dopuszczalnej prędkości i przekazuje ją do anteny znajdującej się pod lokomotywą, którą odczytuje system ETCS.
urządzenia zależnościoweoraz
kontrola sygnałów. Żółte prostokąty podpisane są
informacja o niezajętości toru.
1. Antena GSM‑R znajduje się na dachu pociągu.
2. Eurokabina Komputer ETCS - pulpit maszynisty i odbiornik
3. Eurobalisa raportuje lokalizację i przekazuje informację o stanie sygnalizatorów
urządzenia zależnościoweoraz
kontrola sygnałów. Żółte prostokąty podpisane są
informacja o niezajętości toru.
1. Antena GSM‑R znajduje się na dachu pociągu.
2. Eurokabina Komputer ETCS - pulpit maszynisty i odbiornik
3. Eurobalisa raportuje lokalizację i przekazuje informację o stanie sygnalizatorów
Ilustracja interaktywna przedstawia schematyczny rysunek europejskiego systemu kontroli pociągów. Na dachu pociągu znajduje się szara półkula. Wewnątrz pociągu widać siedzącą przy panelu postać kierującą pociągiem. Pod postacią, po spodniej stronie pociągu przy torach zawieszony jest żółty prostokąt eurobalisy. Drugi prostokąt widoczny jest pod torami tuż pod końcem pociągu. Po prawej stronie ilustracji widać sygnalizację świetlną z czerwonym i żółtym światłem i czarną skrzynię na ziemi do której od napisu urządzenia zależnościowe biegnie strzałka podpisana kontrola sygnałów. Od trzeciego żółtego prostokątu eurobalisy, umieszczonego za sygnalizatorem świetlnym, biegnie strzałka w górę, podpisana informacja o niezajętości toru, do napisu urządzenia zależnościowe.
Elementy systemu podpisano punktami interaktywnymi od jeden do trzy. Po kliknięciu punktu pojawia się podpis elementu wraz z opisem i nagraniem dźwiękowym tożsamym z tekstem.
Antena Gie eS eM eR.
Tekst: Znajduje się na dachu pociągu.Eurokabina Komputer E Te Ce eS.
Tekst: Pulpit maszynisty i odbiornikEurobalisa.
Tekst: Raportuje lokalizację i przekazuje informację o stanie sygnalizatorówurządzenia zależnościowe
Piasecznice — zespół urządzeń systemu przeciwpoślizgowego pojazdu trakcyjnego. Wykorzystywane są do przywrócenia przyczepności kół zestawów napędowych poprzez posypywanie szyn piaskiem. Takie działanie zwiększa tarcie między szyną a kołem i umożliwia eliminację zjawiska poślizgu.
W skład systemu wchodzą:
zbiorniki na piasek znajdujące się w nadwoziu lub ramie wózka, z nich wychodzą węże lub rury zakończone dyszami,
dysze zamontowane bezpośrednio przed powierzchniami tocznymi kół,
aparaty pneumatyczne.
Opis działania:
W momencie wykrycia przez system poślizgu lub ręcznego załączenia systemu przez maszynistę, za pomocą sprężonego powietrza z układu pneumatycznego pojazdu piasek ze zbiorników wydmuchiwany jest wprost pod koła zestawów napędowych.
Bardzo ważne jest, aby wydmuchiwany piasek był suchy. Mokry piasek będzie się zbrylał i zatykał instalację. Zapewnienie odpowiednich warunków przechowywania piasku jest możliwe dzięki podgrzewaniu dysz wysypowych i stosowaniu układów przedmuchiwania piasku w zbiorniku, które na bieżąco go osuszają.
1. Zbiornik piasku.
2. Podłączenie sprężonego powietrza w celu wydmuchania piasku przez rurę.
3. Rura piasecznicy.
4. Dysza przy kole.
1. Zbiornik piasku.
2. Podłączenie sprężonego powietrza w celu wydmuchania piasku przez rurę.
3. Rura piasecznicy.
4. Dysza przy kole.
Ilustracja interaktywna przedstawia grafikę piasecznicy. Elementy konstrukcyjne piasecznicy podpisano punktami interaktywnymi od jeden do cztery. Po kliknięciu punktu pojawia się podpis elementu wraz z nagraniem dźwiękowym tożsamym z podpisem.
Zbiornik piasku. Sześcienny metalowy zbiornik z lejem w dolnej części, od którego odchodzi rura prowadząca w stronę koła.
Podłączenie sprężonego powietrza w celu wydmuchania piasku przez rurę. Rurka biegnie od zbiornika wzdłuż rury piasecznicy i łączy się z nią niedaleko jej wylotu.
Rura piasecznicy. Wychodzi z dolnej części zbiornika i skierowana jest w miejsce styku koła z szyną.
Dysza przy kole. Umieszczona na końcu rury piasecznicy i skierowana w miejsce styku koła z szyną.


Do ochrony urządzeń montowanych w podstacjach trakcyjnych, elektrycznych pojazdach trakcyjnych i zasilaczy kablowych stosuje się odgromniki zaworowe, ponieważ mają mniejsze statyczne napięcie zapłonu.
Opis działania:
W porcelanowej obudowie izolatora znajdują iskiernik i rezystor. Na zmianę rezystancji rezystora wpływa natężenie prądu. W przypadku przepięcia osiągającego wartości, które zagrażają izolacji urządzeń chronionych, napięcie przeskakuje na iskierniku i za pomocą odgromnika prąd jest skierowany do ziemi. Takie zjawisko jest możliwe dzięki temu, że na początku rezystancja rezystora jest mała i tworzy się droga, przez którą fala przepięciowa jest w bardzo szybki sposób odprowadzona. Następnie przez urządzenie zaczyna płynąć prąd następczy o znacznie mniejszym natężeniu od natężenia prądu dostarczonego z atmosfery. Po wcześniejszym przepuszczeniu fali do ziemi, rezystor odgromnika ma dużo większą rezystancję i ogranicza prąd następczy do wartości umożliwiających przerwanie go przez iskiernik. Bieguny iskiernika znajdują się pomiędzy biegunami magnesu trwałego, więc pole magnetyczne oddziałujące na palący się łuk może skutecznie rozpraszać płynący prąd następczy. Wydłuża to drogę łuku, co znacznie ułatwia zgaszenie tego łuku i przerwanie obwodu.
kapeluszem.
1. Zacisk uszyniający - Miejsce połączenia z szyną - celowo połączony z siecią powrotną na wypadek pokonania izolatora wsporczego (między konstrukcją wsporczą, a wysięgnikiem).
2. Obudowa porcelanowa – obudowa pełni funkcję izolatora porcelanowego, w którym znajdują się w iskiernik i rezystor. Rezystor odgromnika składa się z kilku zespojonych ze sobą płytek, wykonanych z karbonitu. Na zmianę rezystancji rezystora wpływa natężenie prądu.
3. Zacisk do połączenia z siecią jezdną - Miejsce połączenia z siecią jezdną sieci trakcyjnej.
4. Podstawa - W podstawie odgromnika zamontowany jest element (membrana) mający na celu kontrolę i niedopuszczenie do wzrostu ciśnienia w przypadku przeciążenia.
kapeluszem.
1. Zacisk uszyniający - Miejsce połączenia z szyną - celowo połączony z siecią powrotną na wypadek pokonania izolatora wsporczego (między konstrukcją wsporczą, a wysięgnikiem).
2. Obudowa porcelanowa – obudowa pełni funkcję izolatora porcelanowego, w którym znajdują się w iskiernik i rezystor. Rezystor odgromnika składa się z kilku zespojonych ze sobą płytek, wykonanych z karbonitu. Na zmianę rezystancji rezystora wpływa natężenie prądu.
3. Zacisk do połączenia z siecią jezdną - Miejsce połączenia z siecią jezdną sieci trakcyjnej.
4. Podstawa - W podstawie odgromnika zamontowany jest element (membrana) mający na celu kontrolę i niedopuszczenie do wzrostu ciśnienia w przypadku przeciążenia.
Ilustracja interaktywna przedstawia schematyczny rysunek odgromnika zaworowego. Obudowa porcelanowa odgromnika ma kształt dzwonu, na szczycie którego umieszczona jest spłaszczona półkula, na której z kolei zamontowany jest zacisk uszyniający. Elementy konstrukcyjne odgromnika podpisano punktami interaktywnymi od jeden do cztery. Po kliknięciu punktu pojawia się podpis elementu wraz z opisem i nagraniem dźwiękowym tożsamym z tekstem.
Zacisk uszyniający. Znajduje się na szczycie obudowy odgromnika.
Tekst: Miejsce połączenia z szyną. Celowo połączony z siecią powrotną na wypadek pokonania izolatora wsporczego (między konstrukcją wsporczą, a wysięgnikiem).Obudowa porcelanowa. Ma kształt dzwona, przymocowana jest do podstawy.
Tekst: Pełni funkcję izolatora porcelanowego, w którym znajdują się w iskiernik i rezystor. Rezystor odgromnika składa się z kilku zespojonych ze sobą płytek, wykonanych z karbonitu. Na zmianę rezystancji rezystora wpływa natężenie prądu.Zacisk do połączenia z siecią jezdną. Umieszczony na podstawie obok obudowy odgromnika.
Tekst: Miejsce połączenia z siecią jezdną sieci trakcyjnej.Podstawa. Dolny element odgromnika, na podstawie umieszczona jest obudowa.
Tekst: W dnie podstawy odgromnika jest umieszczona membrana, jej zadaniem jest niedopuszczenie do nadmiernego wzrostu ciśnienia w odgromniku w przypadku przeciążenia, a tym samym zabezpieczenie przed wybuchem.

Odgromnik zaworowy jest to urządzenie zabezpieczające przed przepięciami powstałymi podczas wyładowań atmosferycznych.
Odgromnik zaworowy zbudowany jest z kolumny iskiernika wieloprzerwowego, oraz stosu warystorów, a w przypadku większej liczby elektrod iskiernikowych – również z elementów sterujących rozkładem napięcia. Elementy te umieszczone są w szczelnej obudowie.
Odgromnik
Jest urządzeniem służącym do ochrony pojazdu szynowego przed przepięciami pochodzenia atmosferycznego. Przystosowany jest do pracy w warunkach suchych i mokrych, czyli wewnątrz, jak i na zewnątrz pojazdu. Odgromnik magnetyczno- zaworowy składa się ze słupa zmiennooporowego, iskiernika rożkowego i magnesu trwałego z nabiegunnikami. Obudowę odgromnika stanowi izolator porcelanowy. Całość zamknięta jest od góry metalową puszką. Maksymalne napięcie robocze odgromnika wynosi natomiast znamionowy prąd wyładowczy to ().

Kondensator ochronny
Urządzenie służące do ochrony urządzeń na pojeździe trakcyjnym. Działanie kondensatora łagodzi fale udarowe napięcia z sieci trakcyjnej lub wyładowań atmosferycznych, chroniąc przy tym obwody wysokiego napięcia lokomotywy czy zespołu trakcyjnego.
Urządzenia bezpieczeństwa elektrycznego lokomotywy przedstawiono na poniższym schemacie:
- Elastyczne podłączenie kablowe odłącznika z ramą pantografu.
- Odłącznik Nożowy pantografu.
- Szyna WN (Szyna prądowa).
- Odgromnik.
- Przepust (przejście) WN do szały WN i odłączników nadprądowych.

- Elastyczne podłączenie kablowe odłącznika z ramą pantografu.
- Odłącznik Nożowy pantografu.
- Szyna WN (Szyna prądowa).
- Odgromnik.
- Przepust (przejście) WN do szały WN i odłączników nadprądowych.

Na schemacie wyszczególniono pantografy, które odpowiedzialne są za pobór prądu z sieci trakcyjnej, połączenia kablowe, odłączniki nożowe czy kondensator ochronny. Do zabezpieczeń przed przepięciami służy odgromnik oraz kondensator ochronny. Na schemacie pokazano także szynę prądową, która doprowadza wysokie napięcie z pantografów do urządzeń zasilanych energią elektryczną np. silników trakcyjnych. Izolatory wykorzystywane są do odseparowania urządzeń odbiorczych będących pod napięciem od reszty lokomotywy.
Powiązane ćwiczenia
- Ćwiczenie 2. - System ETCSWstaw w tekstĆwiczenie 2. - System ETCS
RPF2nhVJm9C8j1 Twoim zadaniem jest uzupełnienie 6 luk odpowiednimi stwierdzeniami. Poziom pierwszy - monitorowanie parametrów jazdy pociągu ogarnicza się do 1. nastawnia sterująca ruchem, 2. kontroli trzeźwości, 3. Train Integrity Unit, 4. lokomotywy bez konieczności instalowania semaforów, 5. wyposażenie pojazdu, 6. Train Control System, 7. e er te em es, nadajniki sygnałów, 8. tylko z użyciem semaforów, 9. kontroli prędkości, 10. e fał ce (European Vital Computer), 11. anteny. Podczas korzystania z pierwszego poziomu zaawansowania systemu, lokomotywa jest wyposażona w bezpieczny komputer 1. nastawnia sterująca ruchem, 2. kontroli trzeźwości, 3. Train Integrity Unit, 4. lokomotywy bez konieczności instalowania semaforów, 5. wyposażenie pojazdu, 6. Train Control System, 7. e er te em es, nadajniki sygnałów, 8. tylko z użyciem semaforów, 9. kontroli prędkości, 10. e fał ce (European Vital Computer), 11. anteny, komputer sterujący (Maintenance Computer), komputer do komunikacji z maszynistą em em i (Man Machine Interface), drogomierz oraz 1. nastawnia sterująca ruchem, 2. kontroli trzeźwości, 3. Train Integrity Unit, 4. lokomotywy bez konieczności instalowania semaforów, 5. wyposażenie pojazdu, 6. Train Control System, 7. e er te em es, nadajniki sygnałów, 8. tylko z użyciem semaforów, 9. kontroli prędkości, 10. e fał ce (European Vital Computer), 11. anteny.Twoim zadaniem jest uzupełnienie 6 luk odpowiednimi stwierdzeniami. Poziom pierwszy - monitorowanie parametrów jazdy pociągu ogarnicza się do 1. nastawnia sterująca ruchem, 2. kontroli trzeźwości, 3. Train Integrity Unit, 4. lokomotywy bez konieczności instalowania semaforów, 5. wyposażenie pojazdu, 6. Train Control System, 7. e er te em es, nadajniki sygnałów, 8. tylko z użyciem semaforów, 9. kontroli prędkości, 10. e fał ce (European Vital Computer), 11. anteny. Podczas korzystania z pierwszego poziomu zaawansowania systemu, lokomotywa jest wyposażona w bezpieczny komputer 1. nastawnia sterująca ruchem, 2. kontroli trzeźwości, 3. Train Integrity Unit, 4. lokomotywy bez konieczności instalowania semaforów, 5. wyposażenie pojazdu, 6. Train Control System, 7. e er te em es, nadajniki sygnałów, 8. tylko z użyciem semaforów, 9. kontroli prędkości, 10. e fał ce (European Vital Computer), 11. anteny, komputer sterujący (Maintenance Computer), komputer do komunikacji z maszynistą em em i (Man Machine Interface), drogomierz oraz 1. nastawnia sterująca ruchem, 2. kontroli trzeźwości, 3. Train Integrity Unit, 4. lokomotywy bez konieczności instalowania semaforów, 5. wyposażenie pojazdu, 6. Train Control System, 7. e er te em es, nadajniki sygnałów, 8. tylko z użyciem semaforów, 9. kontroli prędkości, 10. e fał ce (European Vital Computer), 11. anteny.
Poziom drugi – informacja o zajętości toru i maksymalnej dopuszczalnej prędkości przekazywana jest do obwodów 1. nastawnia sterująca ruchem, 2. kontroli trzeźwości, 3. Train Integrity Unit, 4. lokomotywy bez konieczności instalowania semaforów, 5. wyposażenie pojazdu, 6. Train Control System, 7. e er te em es, nadajniki sygnałów, 8. tylko z użyciem semaforów, 9. kontroli prędkości, 10. e fał ce (European Vital Computer), 11. anteny, o ile wszystkie pociągi poruszają się po określonej linii wyposażonej w e te ce es
Poziom trzeci – Na tym poziomie za kontrolę zajętości toru odpowiada 1. nastawnia sterująca ruchem, 2. kontroli trzeźwości, 3. Train Integrity Unit, 4. lokomotywy bez konieczności instalowania semaforów, 5. wyposażenie pojazdu, 6. Train Control System, 7. e er te em es, nadajniki sygnałów, 8. tylko z użyciem semaforów, 9. kontroli prędkości, 10. e fał ce (European Vital Computer), 11. anteny, a nie zwykłe urządzenie drogowe. Takie rozwiązanie pozwala na uniezależnienie się od odcinków blokowych i umożliwia rezygnację z obwodów torowych i liczników osi. Lokomotywa poziomu trzeciego musi zostać wyposażona w system kontroli całości składu: 1. nastawnia sterująca ruchem, 2. kontroli trzeźwości, 3. Train Integrity Unit, 4. lokomotywy bez konieczności instalowania semaforów, 5. wyposażenie pojazdu, 6. Train Control System, 7. e er te em es, nadajniki sygnałów, 8. tylko z użyciem semaforów, 9. kontroli prędkości, 10. e fał ce (European Vital Computer), 11. anteny.
Poziom drugi – informacja o zajętości toru i maksymalnej dopuszczalnej prędkości przekazywana jest do obwodów 1. nastawnia sterująca ruchem, 2. kontroli trzeźwości, 3. Train Integrity Unit, 4. lokomotywy bez konieczności instalowania semaforów, 5. wyposażenie pojazdu, 6. Train Control System, 7. e er te em es, nadajniki sygnałów, 8. tylko z użyciem semaforów, 9. kontroli prędkości, 10. e fał ce (European Vital Computer), 11. anteny, o ile wszystkie pociągi poruszają się po określonej linii wyposażonej w e te ce es
Poziom trzeci – Na tym poziomie za kontrolę zajętości toru odpowiada 1. nastawnia sterująca ruchem, 2. kontroli trzeźwości, 3. Train Integrity Unit, 4. lokomotywy bez konieczności instalowania semaforów, 5. wyposażenie pojazdu, 6. Train Control System, 7. e er te em es, nadajniki sygnałów, 8. tylko z użyciem semaforów, 9. kontroli prędkości, 10. e fał ce (European Vital Computer), 11. anteny, a nie zwykłe urządzenie drogowe. Takie rozwiązanie pozwala na uniezależnienie się od odcinków blokowych i umożliwia rezygnację z obwodów torowych i liczników osi. Lokomotywa poziomu trzeciego musi zostać wyposażona w system kontroli całości składu: 1. nastawnia sterująca ruchem, 2. kontroli trzeźwości, 3. Train Integrity Unit, 4. lokomotywy bez konieczności instalowania semaforów, 5. wyposażenie pojazdu, 6. Train Control System, 7. e er te em es, nadajniki sygnałów, 8. tylko z użyciem semaforów, 9. kontroli prędkości, 10. e fał ce (European Vital Computer), 11. anteny. - Ćwiczenie 5. - System SHPZaznaczanie komórek tabeliĆwiczenie 5. - System SHP
REOOPwjTJFQL52