Układy pneumatyczne
MEC.03. Montaż i obsługa maszyn i urządzeń - Mechanik- Monter maszyn i urządzeń i Technik mechanik
Zawory
ATLAS INTERAKTYWNY

Zawory rozdzielające (sterujące kierunkiem przepływu)
Zawory rozdzielające są elementami, które wpływają na drogę przepływu powietrza, otwierają, zamykają lub zmieniają kierunek. Symbole zaworów informują o liczbie przyłączy, położeniach i sposobie działania.
Cechy i właściwości zaworów rozdzielających:
Liczba sterowanych położeń elementu sterującego
Najczęściej są zawory dwu i trzypołożeniowe. Położenia oznaczane są na schematach za pomocą kwadratów
Tabela 32. Podział zaworów ze względu na liczbę sterowanych położeń elementu sterującego Symbol graficzny
Objaśnienie symbolu
R11ISTjhRx3ts 
Zawór dwupołożeniowy
RnqVtDEyE2Dzk 
Zawór trzypołożeniowy
Liczba dróg przepływu
Liczba przyłączy do zaworu. Występują zawory dwudrogowe, trzydrogowe, czterodrogowe i pięciodrogowe.
Tabela 33. Podział zaworów ze względu na liczbę dróg przepływu Symbol graficzny
Objaśnienie symbolu
Rl9CvdEYKlR4T 
Zawór dwudrogowy
R1L4FuhfSfyds 
Zawór trójdrogowy
R13FNsuyMR6W9 
Zawór czterodrogowy
RFO1jhB4zf1W0 
Zawór pięciodrogowy
Wielkość zaworu
Wielkością zaworu nazywamy potocznie rozmiar gwintów przyłączeniowych znajdujących się w korpusie zaworu, lub niekiedy w płytach przyłączeniowych i elementach wyspy zaworowej na których może być montowany zawór. Wielkość zaworu identyfikowana jest z wielkością natężenia przepływu czynnika roboczego przez zawór rozdzielający.
R12T2w3XuWoTd
Wielkości zaworówŹródło: Englishsquare.pl Sp. z o.o., licencja: CC BY-SA 3.0.
Sposób sterowania
Sposób sterowania określa metodę przemieszczenie elementu rozdzielającego (zwykle suwaka) realizującego zmianę położeń dróg przepływu wewnątrz zaworu rozdzielającego. Wyróżnia się następujące sposoby sterowania zaworami rozdzielającymi:
sterowanie siłą mięśni,
sterowanie mechaniczne,
sterowanie pneumatyczne (poprzez wzrost lub spadek ciśnienia),
sterowanie elektromagnetyczne (elektryczne),
sterowanie w sposób mieszany.
Sterowanie siłą mięśni
Tabela 34. Sterowanie siłą mięśni (ręczne) Symbol graficzny
Objaśnienie symbolu
RyH7OfdevXbrR 
Symbol ogólny, bez wskazania sposobu sterowania. Nieokreślona liczba kierunków działania
R1GRfPitRKBon 
Przycisk wciskany (jeden kierunek działania)
RjjDr7TdJuymh 
Przycisk wyciągany (jeden kierunek działania)
RPjUE97moWwqT 
Przycisk wciskany i wyciągany (dwa kierunki działania)
RouJwL32eNSa3 
Dźwignia
R1arpE8kN4Ul5 
Pedał (jeden kierunek działania)
RqKj0Io8IRwvn 
Pedał dwukierunkowy (dwa kierunki działania)
R2wlCnkXzSyZH
Zawory sterowane ręcznieŹródło: Englishsquare.pl Sp. z o.o., licencja: CC BY-SA 3.0.
Sterowanie mechaniczne
Symbol graficzny | Objaśnienie symbolu |
|---|---|
![]() | Popychacz lub trzpień (jeden kierunek działania) |
![]() | Popychacz z nastawną długością (jeden kierunek działania) |
![]() | Sprężyna (dwa kierunki działania) |
![]() | Rolka (dwa kierunki działania) |
![]() | Rolka (jeden kierunek działania) |

Sterowane ciśnieniem
Symbol graficzny | Objaśnienie symbolu |
|---|---|
![]() | Sterowanie przez wzrost ciśnienia |
![]() | Sterowanie przez spadek ciśnienia |
![]() | Sterowanie ze wspomaganiem przez wzrost ciśnienia |
![]() | Sterowanie ze wspomaganiem przez spadek ciśnienia |
Symbol graficzny | Objaśnienie symbolu |
|---|---|
![]() | Sterowanie z wykorzystaniem wzrostu ciśnienia w sterowaniu jednostopniowym (z wewnętrznym zasilaniem sterowania, bez sterowania wstępnego) |
![]() | Sterowanie z wykorzystaniem spadku ciśnienia w sterowaniu jednostopniowym (z wewnętrznym zasilaniem sterowania, bez sterowania wstępnego) |
![]() | Sterowanie dwustopniowe (np.: elektromagnes i ciśnienie), wewnętrzne zasilanie sterowania |
Sterowanie elektryczne
Symbol graficzny | Objaśnienie symbolu |
|---|---|
![]() | Element elektryczny liniowy, (np. elektromagnes) z jedną cewką (jeden kierunek działania) |
![]() | Element elektryczny liniowy, (np. elektromagnes) z dwoma cewkami w jednym zespole, działającymi w kierunkach przeciwnych |
![]() | Element elektryczny liniowy, (np. silnik momentowy) z dwoma cewkami o zmiennych charakterystykach w jednym zespole (dwa kierunki działania) działającymi w kierunkach przeciwnych |



Odmiany sterowania
W zaworach sterowanych bezpośrednio (ze sterowaniem elektromagnetycznym) ruch roboczy suwaka jest wymuszany przez trzpień elektromagnesu, który połączony jest z suwakiem. Sterowanie bezpośrednie dotyczy zwykle zaworów rozdzielających o małych wielkościach przepływu oraz zaworów odcinających sterowanych elektromagnetycznie do niskich ciśnień.
Sterowanie pośrednie zaworami rozdzielającymi realizowane jest z wykorzystaniem dodatkowego zaworu pomocniczego nazywanego często „pilotem” (sterowanego w sposób bezpośredni), który to po przesterowaniu sygnałem elektrycznym podaje ciśnienie czynnika roboczego na powierzchnię czynną suwaka zaworu podstawowego, powodując jego przemieszczenie. Zwykle stosowane jest również dodatkowe sterowanie mechaniczne w formie przycisku zaworem pomocniczym pozwalające na przesterowanie zaworu bez podawania sygnału elektrycznego.
R1HFyJ2m8h9pF Sterowanie bezpośrednie i pośrednie zaworówŹródło: Englishsquare.pl Sp. z o.o., licencja: CC BY-SA 3.0.Symbole graficzne zaworów
RCFf5bDxIFvBM
Symbole graficzne zaworówŹródło: Englishsquare.pl Sp. z o.o., licencja: CC BY-SA 3.0.Oznaczenia przyłączy
Tabela 39. Oznaczenie przyłączy roboczych System literowy
Przyłącza
Przyłącze zasilania
Przyłącza robocze
Odpowietrzenia
Tabela 40. Oznaczenie przyłączy sterujących System literowy
Przyłącza
Sygnał zamyka przepływ od przyłącza do przyłącza
Sygnał łączy przyłącze z przyłączem
Sygnał łączy przyłącze z przyłączem
R7BFn9FuMlGeD
Oznaczenia przyłączyŹródło: Englishsquare.pl Sp. z o.o., licencja: CC BY-SA 3.0.Zawór rozdzielający ma dwa przyłącza i dwa położenia (otwarte, zamknięte). W położeniach zamkniętych tych zaworów nie jest przewidziane odpowietrzanie (w przeciwieństwie do zaworów rozdzielających ). Najczęściej spotykanym rodzajem budowy jest zawór kulkowy.
Zawór rozdzielający jest uruchamiany ręcznie, mechanicznie lub pneumatycznie.
Tabela 41. Symbole zaworów rozdzielających - zaworów odcinających Symbol graficzny
Objaśnienie symbolu
Rmk1YlEunIt98 
Symbol zaworu rozdzielającego (odcinającego) monostabilnego normalnie otwartego
R1eAcgUY8eFbx 
Symbol zaworu rozdzielającego (odcinającego) monostabilnego normalnie zamkniętego
R604Wb5mwOK1y 
Symbol uproszczony zaworu odcinającego
R1a1oqyjBfZhA
Zawór odcinający kulowyŹródło: Englishsquare.pl Sp. z o.o., licencja: CC BY-SA 3.0.R1cjeVwr7JnQD
Zawór odcinający kulowyŹródło: Englishsquare.pl Sp. z o.o., licencja: CC BY-SA 3.0.Za pomocą zaworu rozdzielającego sygnały mogą być podawane i usuwane. Zawór rozdzielający ma trzy przyłącza i dwa położenia. Przez trzecie przyłącze może zostać odpowietrzony przewód sterujący.
Zawory rozdzielające są stosowane do sterowania siłownikami jednostronnego działania lub do przesterowania elementów sterujących.
Tabela 42. Symbole zaworów rozdzielających Symbol graficzny
Objaśnienie symbolu
R1FicyQ3QIzXe 
Symbol zaworu rozdzielającego monostabilnego normalnie otwartego
R1cvYaUDeWeVt 
Symbol zaworu rozdzielającego monostabilnego normalnie zamkniętego
Zawór trójdrogowy zapewnia ścieżkę wlotową i wylotową i jest używany do sterowania siłownika jednostronnego działania.
W normalnym położeniu wytwarzanym przez sprężynę zawór jest zamknięty.
Po wciśnięciu przycisku zawór się otwiera i łączy przyłącze i , dzięki czemu siłownik się wysuwa.
Po zwolnieniu przycisku przyłącze jest łączone z i następuje wypływ powietrza do atmosfery, a siłownik powraca do pozycji początkowej.
R1broMbT4wnJS
Sterowanie siłowników jednostronnego działania zaworem rozdzielającymŹródło: Englishsquare.pl Sp. z o.o., licencja: CC BY-SA 3.0.Zawór rozdzielający ma pięć przyłączy roboczych i dwa położenia. Jest stosowany głownie jako element do sterowania siłownikami dwustronnego działania.
Zawór rozdzielający spełnia taką samą funkcję jak kombinacja dwóch zaworów rozdzielających , przy czym jeden zawór w położeniu zerowym jest zamknięty, a drugi otwarty.Zawory rozdzielające są stosowane do sterowania siłownikami jednostronnego działania lub do przesterowania elementów sterujących.
Przykładem zaworu rozdzielającego jest zawór suwakowy. Jako element sterujący posiada on zawór tłoczkowy, który wskutek przesunięcia łączy ze sobą ewentualnie odcina odpowiednie przyłącza. Siła konieczna do przesterownia zaworu jest tutaj mniejsza niż przy zaworach grzybowych lub talerzowych, ponieważ oddziaływanie sprężonego powietrza na powierzchnię suwaka wzajemnie się równoważy.
W zaworze suwakowym stosuje się wszystkie rodzaje sterowań – ręczne, mechaniczne, elektryczne lub pneumatyczne.
Przykład zaworu bistabilnego sterowanego ciśnieniem przedstawiono na poniższym rysunku.
RuQmzTypEHHfk
Przykład zaworu rozdzielającego bistabilnego sterowanego ciśnieniemŹródło: Englishsquare.pl Sp. z o.o., licencja: CC BY-SA 3.0.W zaworze suwakowym sterowanym pneumatycznie, gdy podawany jest sygnał na złącze , przyłącze ze sprężonym powietrzem połączone jest z przyłączem odbiornika , natomiast przyłącze odbiornika jest odpowietrzone przez przyłącze .
Gdy zostanie podany sygnał pneumatyczny na , to droga łączy się z , a z .
Tabela 43. Symbole zaworów rozdzielających Symbol graficzny
Objaśnienie symbolu
RP172JGMGEsuV 
Symbol zaworu rozdzielającego monostabilnego sterowanego mechanicznie
R13VUZiy4x6zV 
Symbol zaworu rozdzielającego bistabilnego sterowanego elektrycznie
RS067m5mkUeba
Sterowanie siłowników dwustronnego działania zaworem rozdzielającymŹródło: Englishsquare.pl Sp. z o.o., licencja: CC BY-SA 3.0.W przypadku siłownika dwustronnego działania drogi sprężonego powietrza i odpowietrzenia są jednocześnie przełączane.
Po naciśnięciu przycisku zasilanie w złączu zostaje podłączone do złącza , a złącze do złącza odpowietrzającego . Siłownik porusza się w stronę plusa (wysuwa się).
Po zwolnieniu przycisku złącze jest podłączone do , a do złącza odpowietrzającego . Siłownik przemieszcza się w stronę minusa (cofa się).
Zawór rozdzielający ma pięć przyłączy roboczych i trzy położenia. Za pomocą tych zaworów siłowniki dwustronnego działania można zatrzymać w dowolnym położeniu, jeżeli rozdzielacz ustawimy w pozycji środkowej (zerowej)
Zawór w pozycji środkowej utrzymywany jest zazwyczaj przez sprężyny.
R1HVdncZJhny7
Przykład zaworu rozdzielającegoŹródło: Englishsquare.pl Sp. z o.o., licencja: CC BY-SA 3.0.Przykład zaworu sterowanego ciśnieniem przedstawiono na poniższym rysunku.
R1QzuPQEfMFjn
Przykład zaworu rozdzielającego 5/3 z położeniem środkowym odciętym sterowanym pneumatycznieŹródło: Englishsquare.pl Sp. z o.o., licencja: CC BY-SA 3.0.W zaworze suwakowym sterowanym pneumatycznie, gdy nie jest podawany żaden sygnał sterujący, jest on w pozycji środkowej i są odcięte wszystkie drogi.
Gdy podawany jest sygnał na złącze , przyłącze ze sprężonym powietrzem połączone jest z przyłączem odbiornika , natomiast przyłącze odbiornika jest odpowietrzone przez przyłącze .
Gdy podawany jest sygnał na złącze , przyłącze ze sprężonym powietrzem połączone jest z przyłączem odbiornika , natomiast przyłącze odbiornika jest odpowietrzone przez przyłącze .
R1QCriSw0Aa5v
Przykłady symboli rozdzielaczyŹródło: Englishsquare.pl Sp. z o.o., licencja: CC BY-SA 3.0.RSkVsDWSeH9HZ
Sterowanie siłowników dwustronnego działania zaworem rozdzielającymŹródło: Englishsquare.pl Sp. z o.o., licencja: CC BY-SA 3.0.Zawory zwrotne mogą całkowicie zamknąć przepływ w jednym kierunku, natomiast przepływ w kierunku przeciwnym może się odbywać z możliwie małą stratą ciśnienia. Elementem zamykającym przepływ w tych zaworach może być kulka, stożek lub płytka.
REpjprEBcrsaI
Budowa zaworu zwrotnegoŹródło: Englishsquare.pl Sp. z o.o., licencja: CC BY-SA 3.0.Tabela 44. Symbole zaworu zwrotnego Symbol graficzny
Objaśnienie symbolu
R1SrOhPj0VKzg 
R13J3IhWldI2P 
Symbole zaworu zwrotnego
Zawory zwrotne sterowane umożliwiają przepływ powietrza w jednym kierunku, ale gdy poda się pneumatyczny sygnał sterujący, to przepływ może odbywać się w dwóch kierunkach.
RFg14niGjgPDG
Przykłady zaworów zwrotnych sterowanychTabela 45. Symbol zaworu zwrotnego sterowanego Symbol graficzny
Objaśnienie symbolu
R1AziTjHnQ6h2 
Symbol zaworu zwrotnego sterowanego
Zawory szybkiego spustu służą do szybkiego opróżniania komór siłownika pneumatycznego bez konieczności ich odpowietrzania przez zawory rozdzielające. Pozwalają na znaczne przyspieszenie pracy układów pneumatycznych. Powietrze zostaje odprowadzone przez relatywnie duży otwór wylotowy. Zawór ten posiada odcinane przyłącze robocze, odcinane odpowietrzenie i wyjście.
R1eqNNa18CFZy
Zasada działania zaworu szybkiego spustuŹródło: Englishsquare.pl Sp. z o.o., licencja: CC BY-SA 3.0.Tabela 46. Symbol zaworu szybkiego spustu Symbol graficzny
Objaśnienie symbolu
R1JBuiySEFc1m 
Symbol zaworu szybkiego spustu
R5Ow5CExsKlwV
Sposoby wykorzystania zaworu szybkiego spustuŹródło: Englishsquare.pl Sp. z o.o., licencja: CC BY-SA 3.0.Są to zawory służące w układach pneumatycznych sterujących i regulacyjnych do realizacji funkcji logicznych. Najczęściej stosuje się zawory iloczynu i zawory sumy, które pozwalają na konstruowanie pneumatycznych układów kombinacyjnych i sekwencyjnych.
Zawór koniunkcji (iloczyn logiczny
) zwany jest zaworem podwójnego sygnału. Podaje sygnał wyjściowy do układu sterowania, gdy obydwa sygnały wejściowe mają wartość (podane jest powietrze pod ciśnieniem na każdym z nich)
Zawór alternatywy (suma logiczna
) zwany jest zaworem przełącznika obiegu. Podaje sygnał wyjściowy do układu sterowania, gdy co najmniej jeden z sygnałów wejściowych przyjmuje wartość .
R9T07EpB0yyon
Zasada działania zaworu logicznego „”Źródło: Englishsquare.pl Sp. z o.o., licencja: CC BY-SA 3.0.Tabela 47. Symbol zaworu logicznego Symbol graficzny
Objaśnienie symbolu
RrygCXZEPZiob 
Symbol zaworu logicznego
R1RrwKyCrDj5s
Zastosowanie funkcji logicznej „”Źródło: Englishsquare.pl Sp. z o.o., licencja: CC BY-SA 3.0.R17Ly4Wi1sHwh
Zasada działania zaworu logicznegoŹródło: Englishsquare.pl Sp. z o.o., licencja: CC BY-SA 3.0.Tabela 48. Symbol zaworu logicznego Symbol graficzny
Objaśnienie symbolu
R12Acf5GkBpxl 
Symbol zaworu logicznego
R19QWSVjAl0vo
Zastosowanie funkcji logicznejŹródło: Englishsquare.pl Sp. z o.o., licencja: CC BY-SA 3.0.Zawór redukcyjny ciśnienia (reduktor) został już omówiony podczas opisywania zespołu przygotowania powietrza. Reduktor umożliwia utrzymywanie stałego ciśnienia roboczego, niezależnie od wahań ciśnienia w sieci i zużycia powietrza.
R1LSi0QnixedZ Budowa reduktora trójdrogowegoŹródło: Englishsquare.pl Sp. z o.o., licencja: CC BY-SA 3.0.Tabela 49. Symbole zaworu redukcyjnego Symbol graficzny
Objaśnienie symbolu
R16dXiAjDhCZu 
Symbol zaworu redukcyjnego dwudrogowego
RKy6Hsr9tf5mc 
Symbol zaworu redukcyjnego trójdrogowego (z odpowietrzeniem
Do zaworów sterujących ciśnieniem zalicza się też zawory bezpieczeństwa, czyli tak zwane zawory maksymalne. Działają one na podobnej zadzie co reduktory, ale otwierają się tylko wtedy, gdy zostanie przekroczone ciśnienie na zaworze. Stosowane np. w zbiornikach ciśnieniowych.
Tabela 50. Symbol zaworu bezpieczeństwa Symbol graficzny
Objaśnienie symbolu
R2JCVp9qHxIbR 
Symbol zaworu bezpieczeństwa
Zawory te zwane są też przepływowymi regulują natężenie przepływu sprężonego powietrza w obu kierunkach. Do zaworów tego typu należy dławik. Zawory dławiące są z reguły regulowane. Zawory dławiące są stosowane do regulacji prędkości siłowników. Należy zwrócić uwagę, aby zawór dławiący nigdy nie był całkowicie zamknięty.
R8tPP2bX6sOad
Budowa zaworu dławiącegoŹródło: Englishsquare.pl Sp. z o.o., licencja: CC BY-SA 3.0.Tabela 51. Symbol zaworu dławiącego Symbol graficzny
Objaśnienie symbolu
R2UePQHGxi6Bc 
Symbol zaworu dławiącego
Zawory dławiąco‑zwrotne są połączeniem zaworu sterującego kierunkiem i natężeniem przepływu. Pozwalają one na swobodny przepływ w jednym kierunku i dławienie w drugim.
R7zel6vZYJn3p Budowa i zasada działania zaworu dławiąco‑zwrotnegoŹródło: Englishsquare.pl Sp. z o.o., licencja: CC BY-SA 3.0.Tabela 52. Symbol zaworu dławiąco‑zwrotnego Symbol graficzny
Objaśnienie symbolu
R1tye9fhmlY3T 
Symbol zaworu dławiąco‑zwrotnego
Zasadniczo są dwa rodzaje dławienia w siłownikach dwustronnego działania:
dławienie na wlocie,
dławienie na wylocie.
Przy dławieniu na wlocie zawory dławiąco‑zwrotne są tak montowane, że dławią powietrze dopływające do siłownika. Drobne zmiany obciążenia na tłoczysku, spowodowane np. oporem krańcówki, powodują duże zmiany prędkości ruchu tłoka.
Dlatego dławienie na wlocie stosuje się przy siłownikach jednostronnego działania o małej pojemności komór roboczych.
Przy dławieniu na wylocie powietrze zasilające przepływa swobodnie do siłownika, a dławienie stawia opór wypływającemu powietrzu. Tłok przesuwa się między dwiema poduszkami powietrznymi, które wytwarzają się przez ciśnienie na wlocie i przez ciśnienie spowodowane dławieniem.
Dławienie na wylocie powoduje istotne polepszenie równomierności prędkości tłoka siłownika. Przy siłownikach dwustronnego działania powinno się dlatego stosować dławienia na wylocie.
Przy małych siłownikach ze względu na niewielką objętość przestrzeni roboczej można stosować dławienie na wlocie jak i wylocie.
R68XPbJItodZs
Sterowanie szybkością ruchu tłoczyska siłownika jednostronnego działaniaŹródło: Englishsquare.pl Sp. z o.o., licencja: CC BY-SA 3.0.R1dP63XHkz8eO
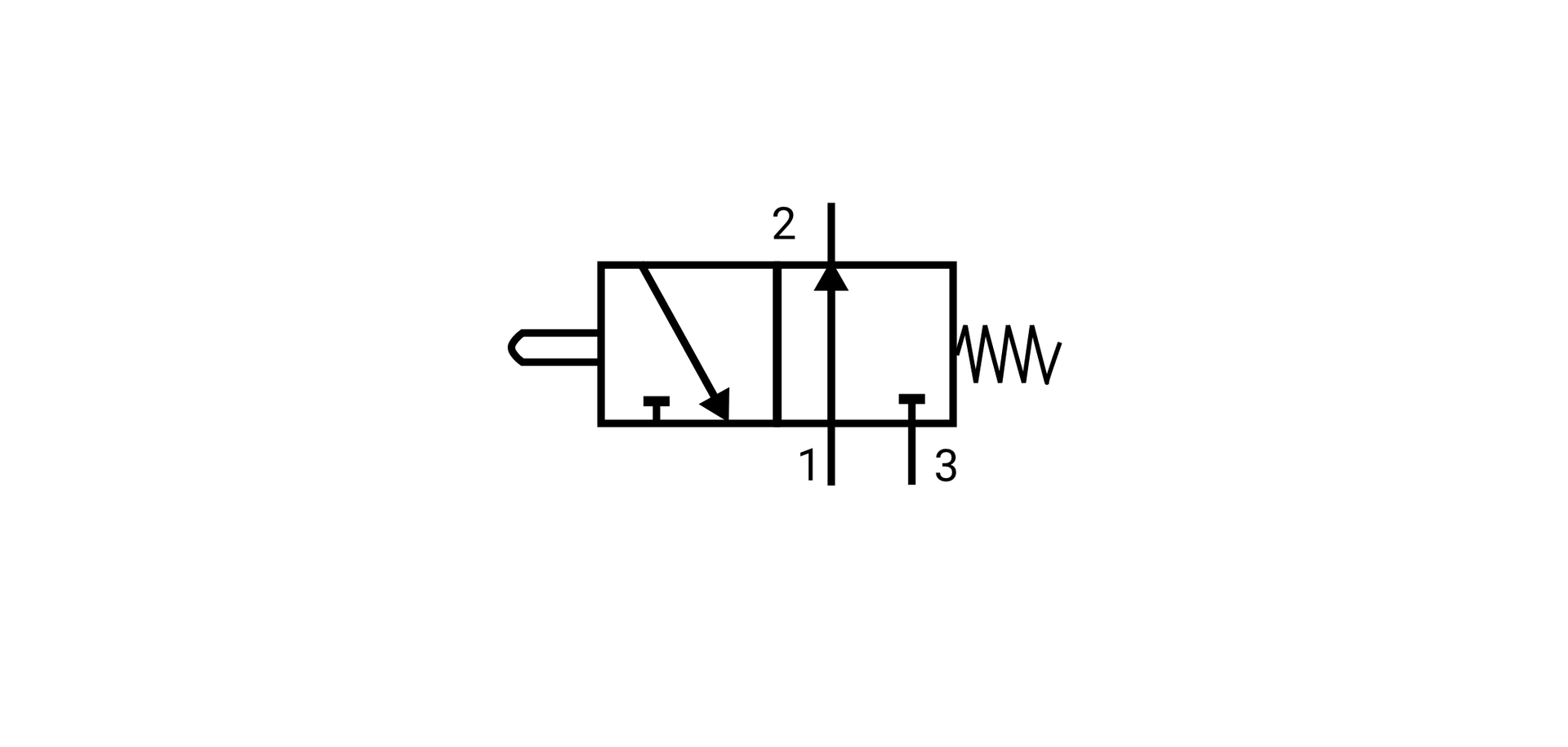
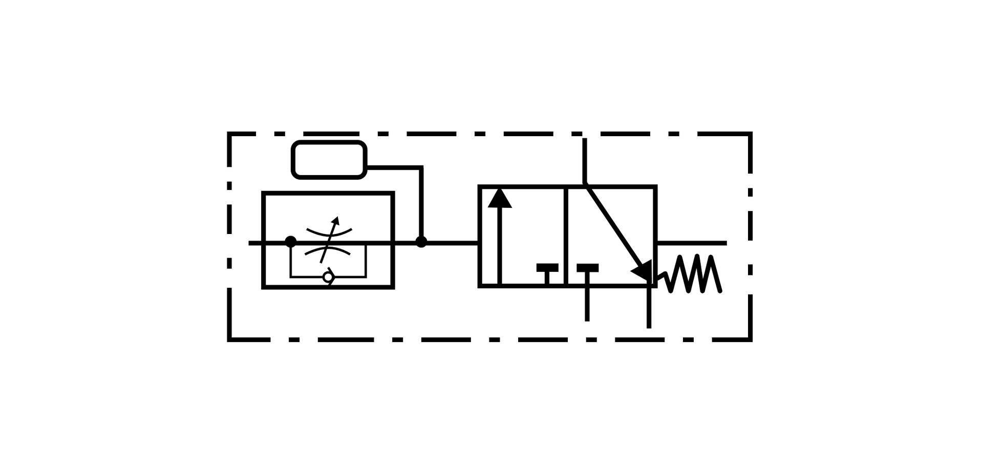
Sterowanie szybkością ruchu tłoczyska siłownika dwustronnego działaniaŹródło: Englishsquare.pl Sp. z o.o., licencja: CC BY-SA 3.0.Zawór czasowy składa się z zaworu rozdzielającego sterowanego pneumatycznie, zaworu dławiąco–zwrotnego i małego zbiornika pojemności pneumatycznej. Zawór rozdzielający może być normalnie zamknięty lub normalnie otwarty. Opóźnienie (czas zwłoki) wynosi normalnie do sekund w różnych rodzajach zaworów. Regulację czasu opóźnienia ustawia się za pomocą pokrętła dławika.
Sprężone powietrze zostaje doprowadzone do przyłącza zaworu. Powietrze sterujące wpływa przez wejście i przez zawór dławiąco–zwrotny do zaworu. W zależności od ustawienia śruby dławiącej w jednostce czasu płynie mniej lub więcej powietrza do zamontowanego zbiornika powietrza. Jeśli w zbiorniku ciśnienie osiągnie określoną wartość, następuje przesterowanie zaworu . Zostaje wtedy zamknięty przelot z do . Talerz zaworu zostaje odsunięty od gniazda i powietrze może przepłynąć z do . Czas potrzebny do zwiększenia ciśnienia w zbiorniku powietrza jest czasem opóźnienia.
RDPHGUdGrGxIT
Sposób działania zaworu czasowego opóźniającegoŹródło: Englishsquare.pl Sp. z o.o., licencja: CC BY-SA 3.0.Tabela 53. Symbol zaworu czasowego Symbol graficzny
Objaśnienie symbolu
RcNAQJ4O3b1hU 
Symbol zaworu czasowego
R19phQvg8UJnE
Odpowiedzi czasowe zaworów opóźniających w zależności od ich budowyŹródło: Englishsquare.pl Sp. z o.o., licencja: CC BY-SA 3.0.Zawór ma położenie zerowe przepływowe, zawór ma położenie zerowe zamknięte. Po naciśnięciu włącznika startu zostaje podany sygnał na zawór i stąd dalej na wejście zaworu . Siłownik wysuwa się. Zawór opóźniający jest nastawiony na krótki czas zwłoki np. sekundy. Po tym czasie sygnał na wejściu zostaje natychmiast wygaszony przez sygnał sterujący zaworu opóźniającego.
Tłoczysko uruchamia łącznik krańcowy . Na zawór opóźniający zostaje podany sygnał sterujący, który po upływie wcześniej nastawionego czasu otwiera zawór. Człon czasowy podaje teraz sygnał na wejście zaworu . Zawór włącza się i siłownik cofa się. Nowy cykl może wystartować tylko po zwolnieniu i ponownym uruchomieniu zaworu .
RSzCR0t5Merhr
Przykład zastosowania zaworów czasowych w układzie sterowaniaŹródło: Englishsquare.pl Sp. z o.o., licencja: CC BY-SA 3.0.Powrót do spisu treściPowrót do spisu treści














