Połączenia i złącza
BUD.02. Wykonywanie robót ciesielskich - cieśla 711501
Klasyfikacja połączeń
GALERIA ZDJĘĆ
Spis treści
1. Połączenia równoległe1. Połączenia równoległe
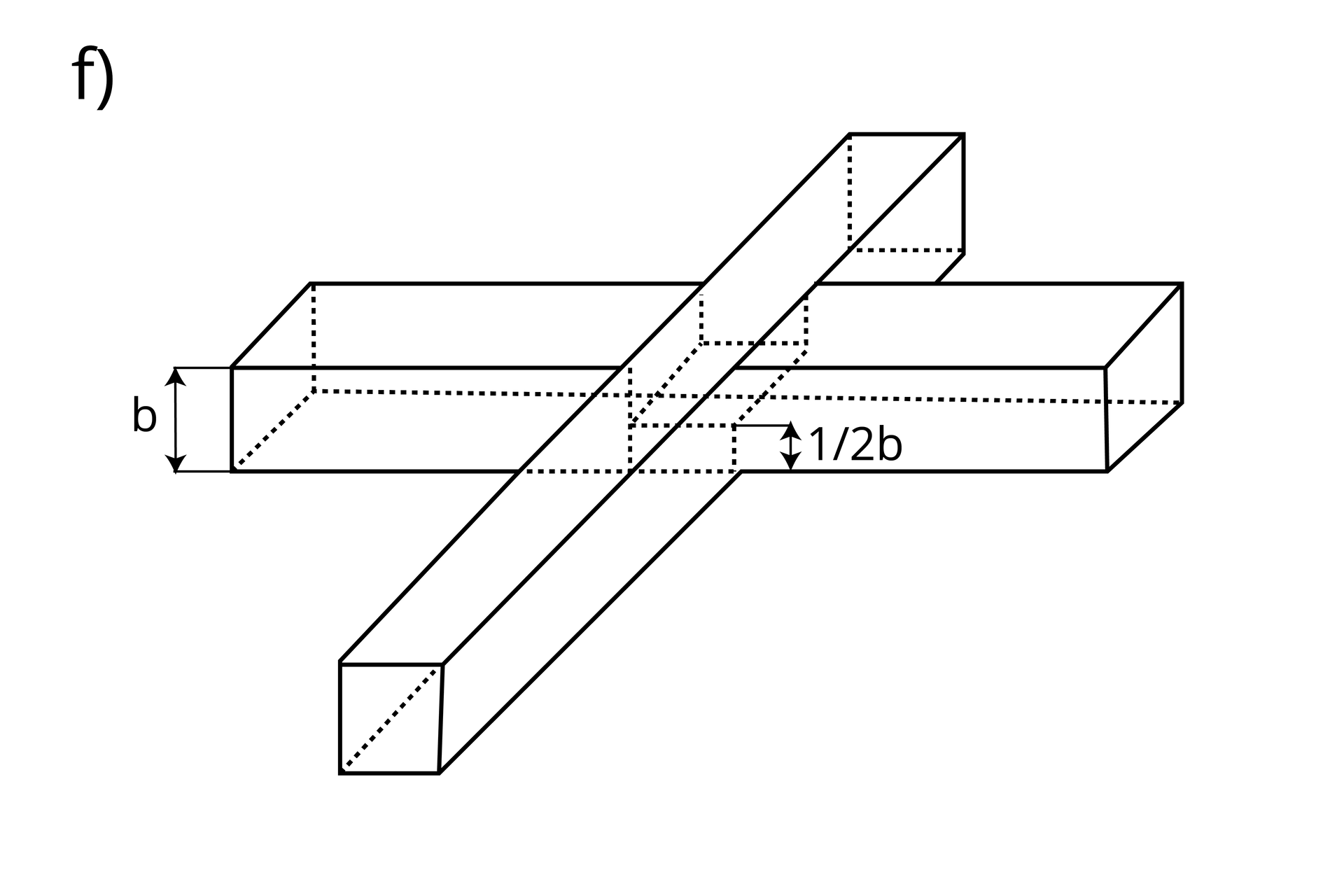
2. Połączenia kątowe2. Połączenia kątowe
3. Podział ze względu na sposób wykonania3. Podział ze względu na sposób wykonania
1. Połączenia równoległe
Wzdłużne:





Czołowe:























Narożnikowe ścienne:










Półkrzyżowe:






Powrót do spisu treściPowrót do spisu treści
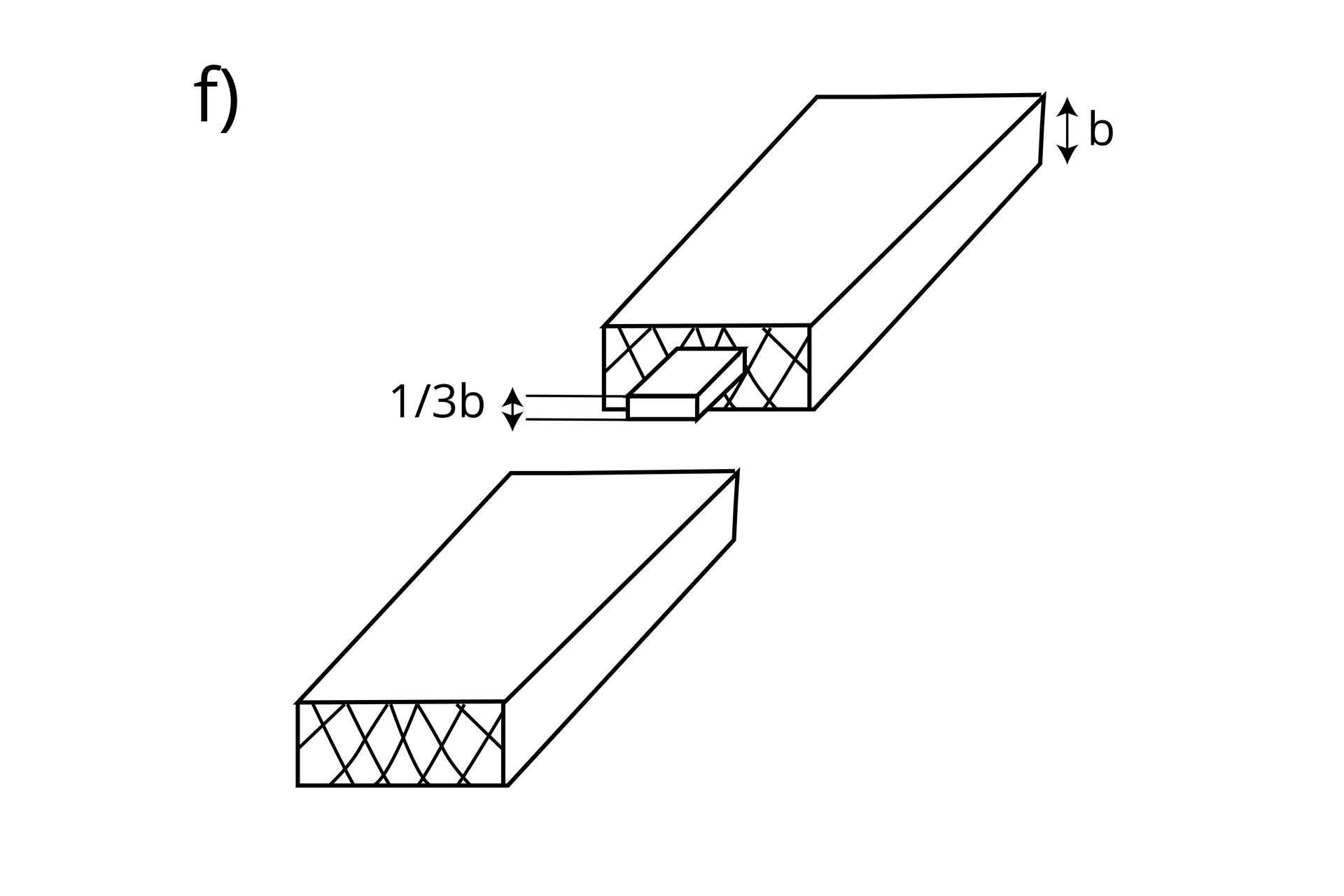
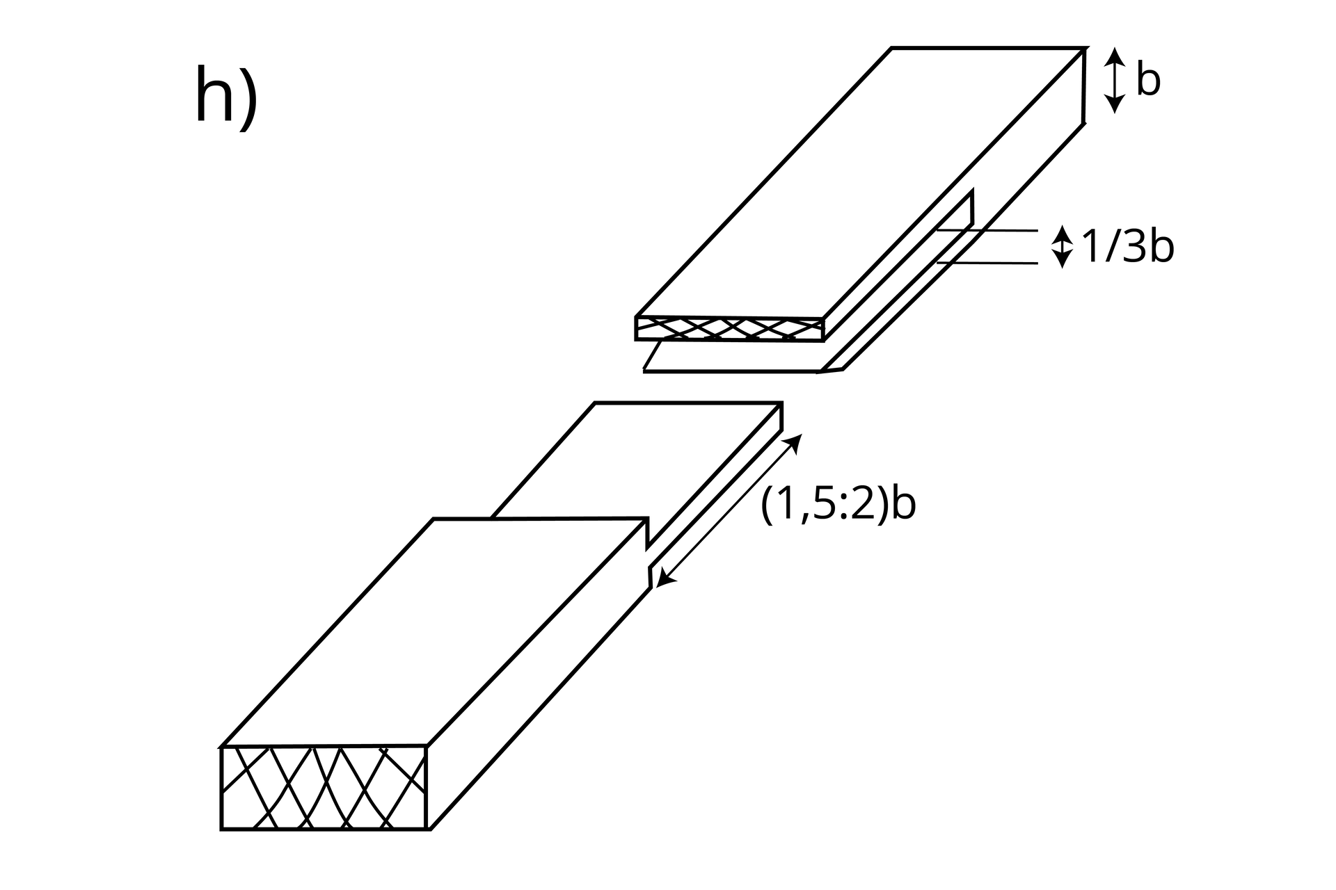
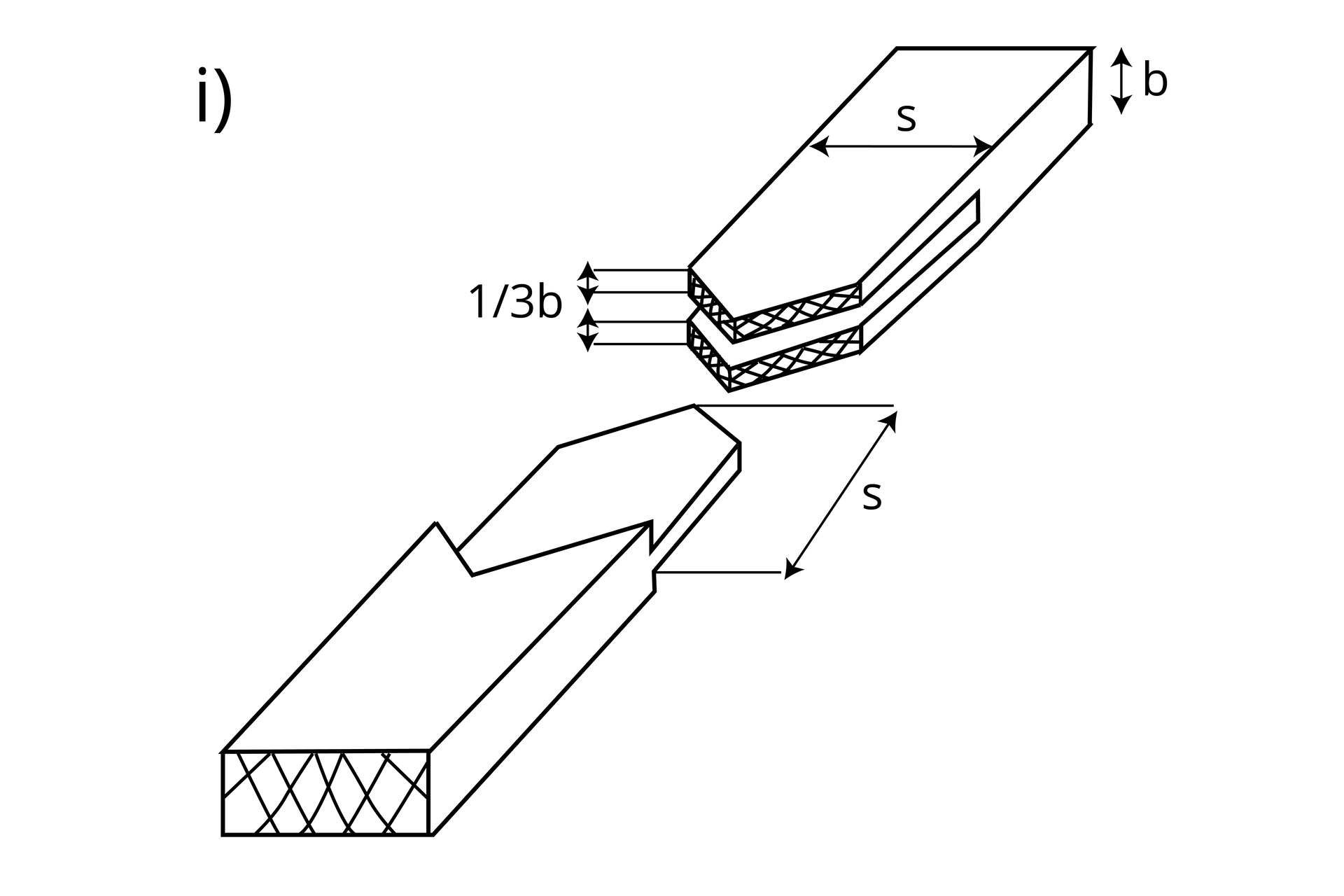
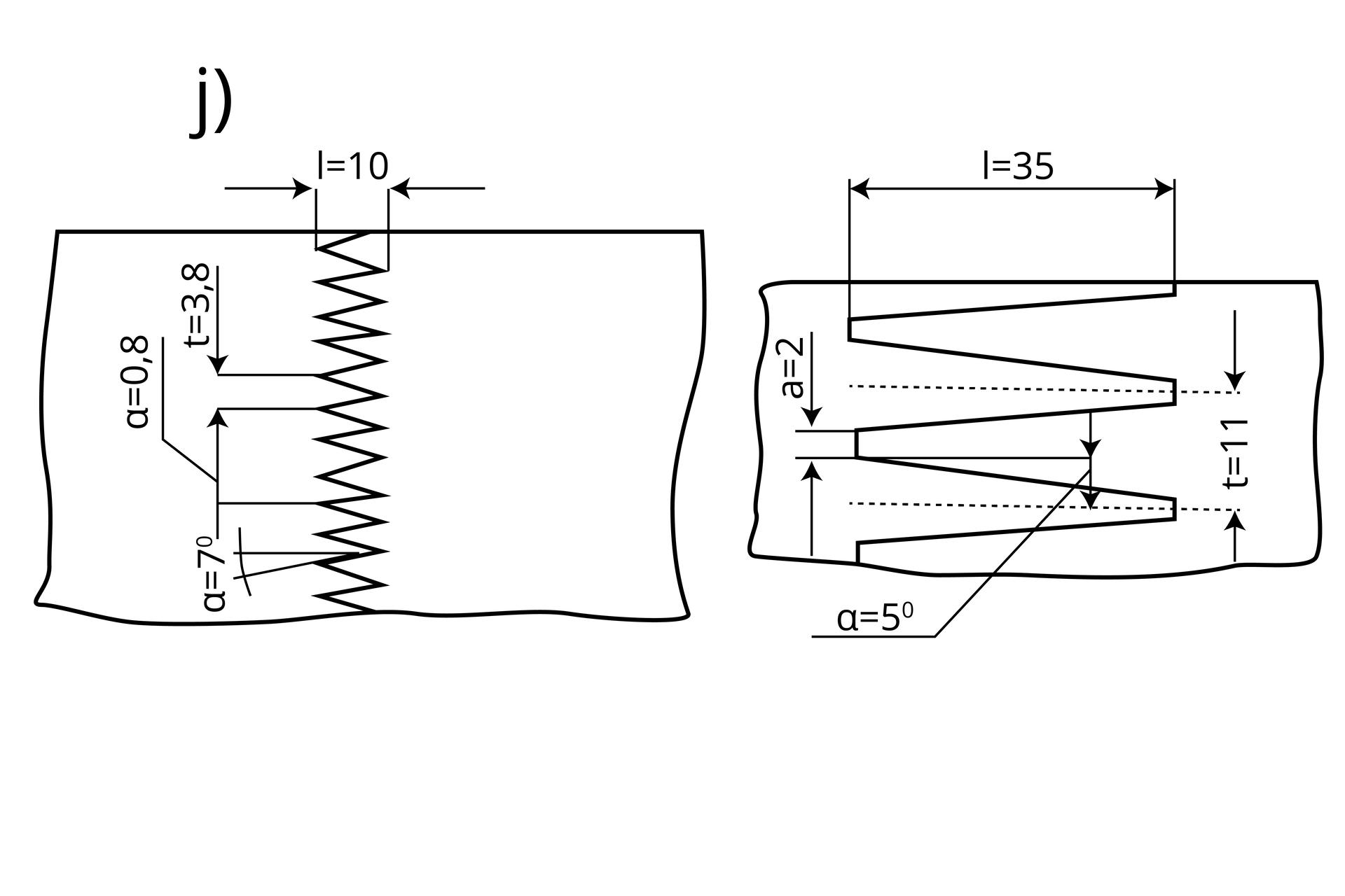
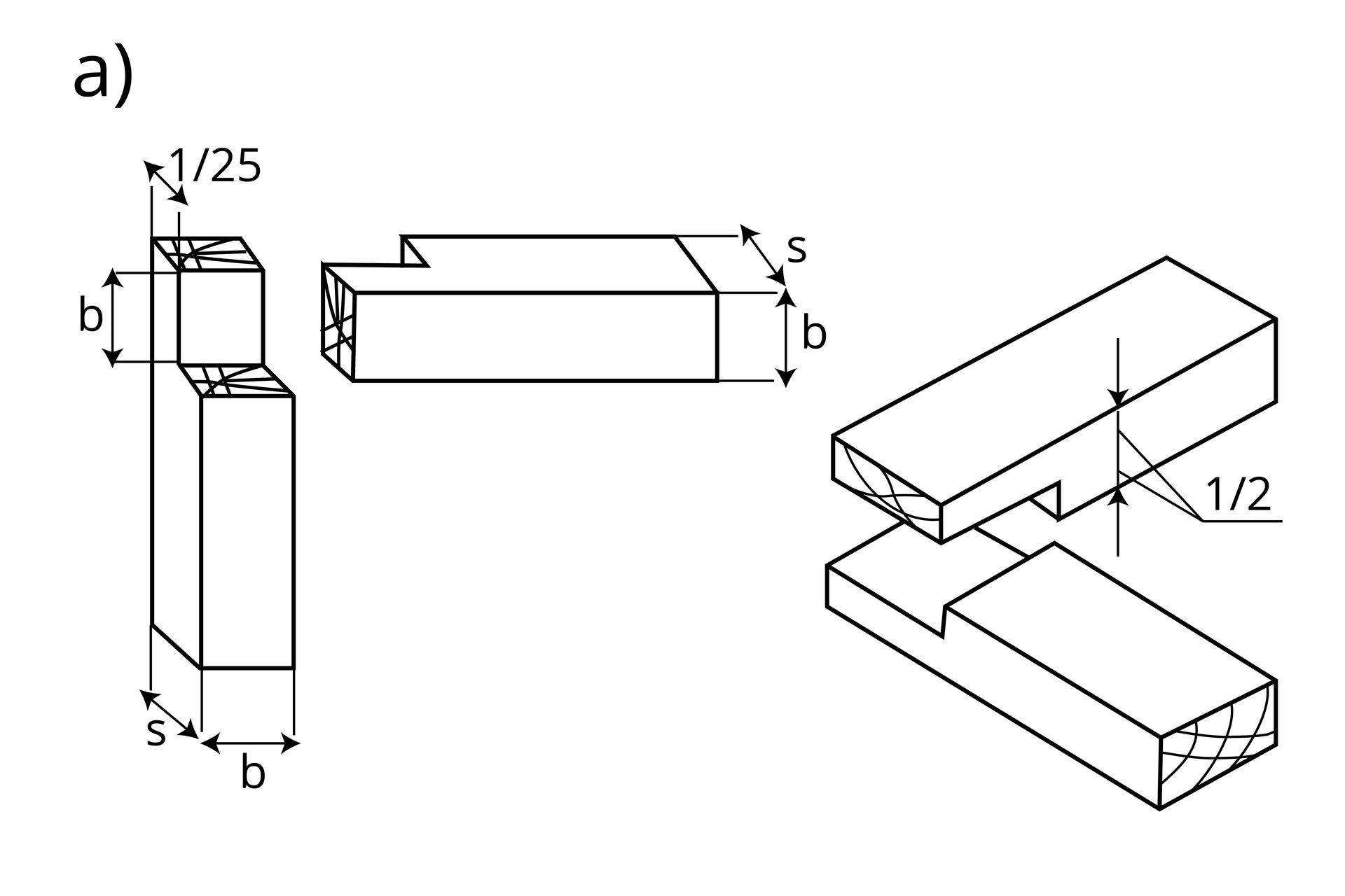
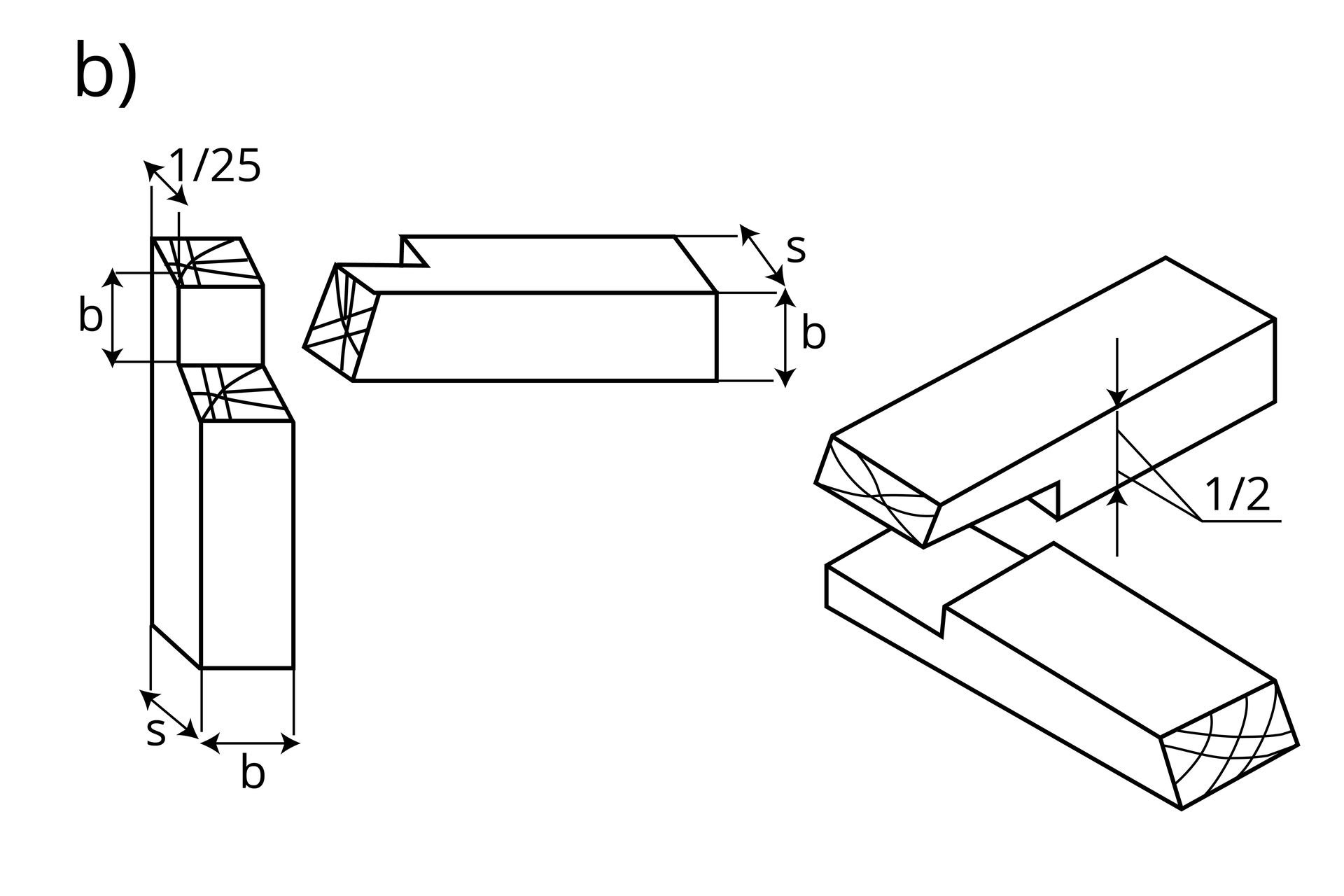
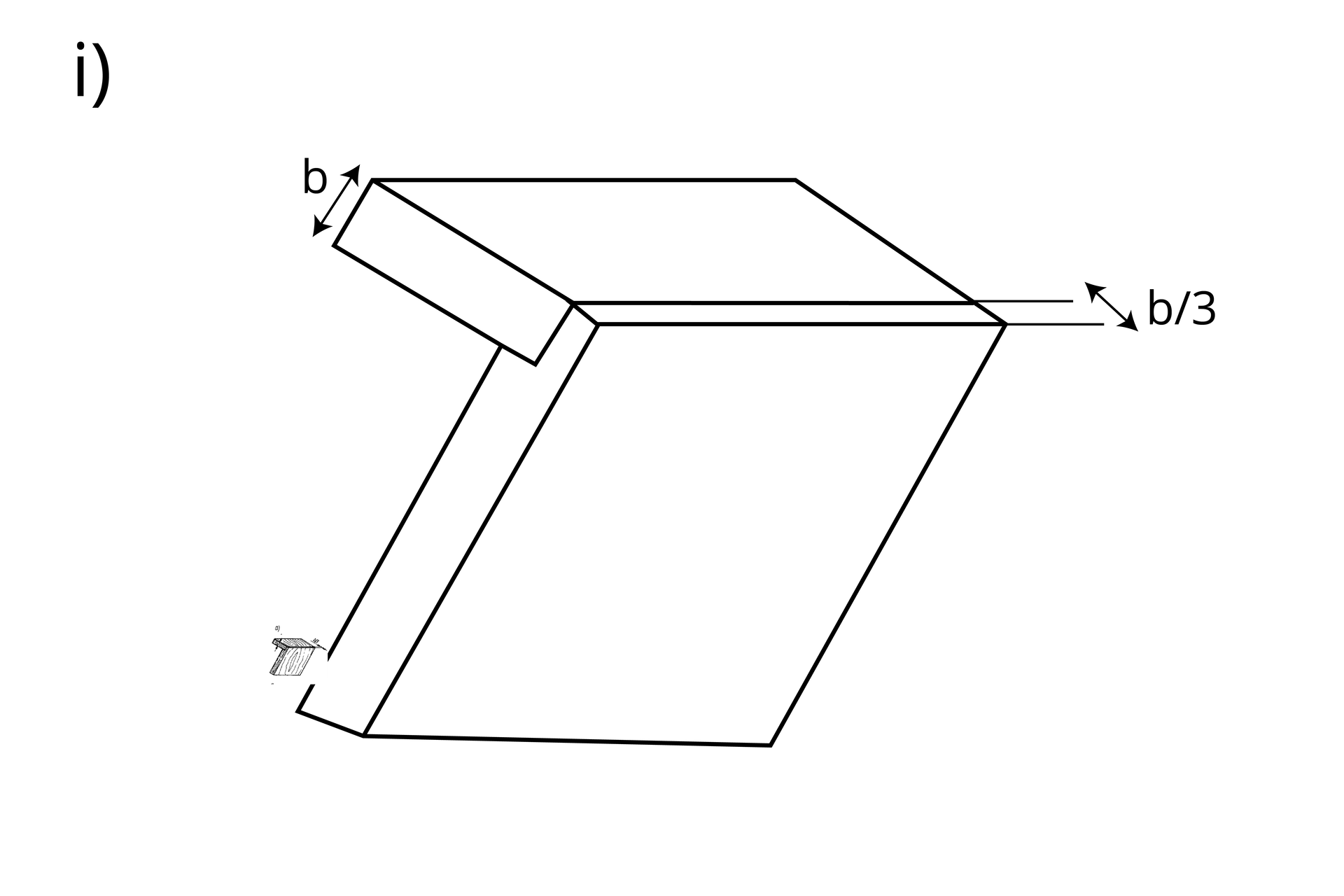
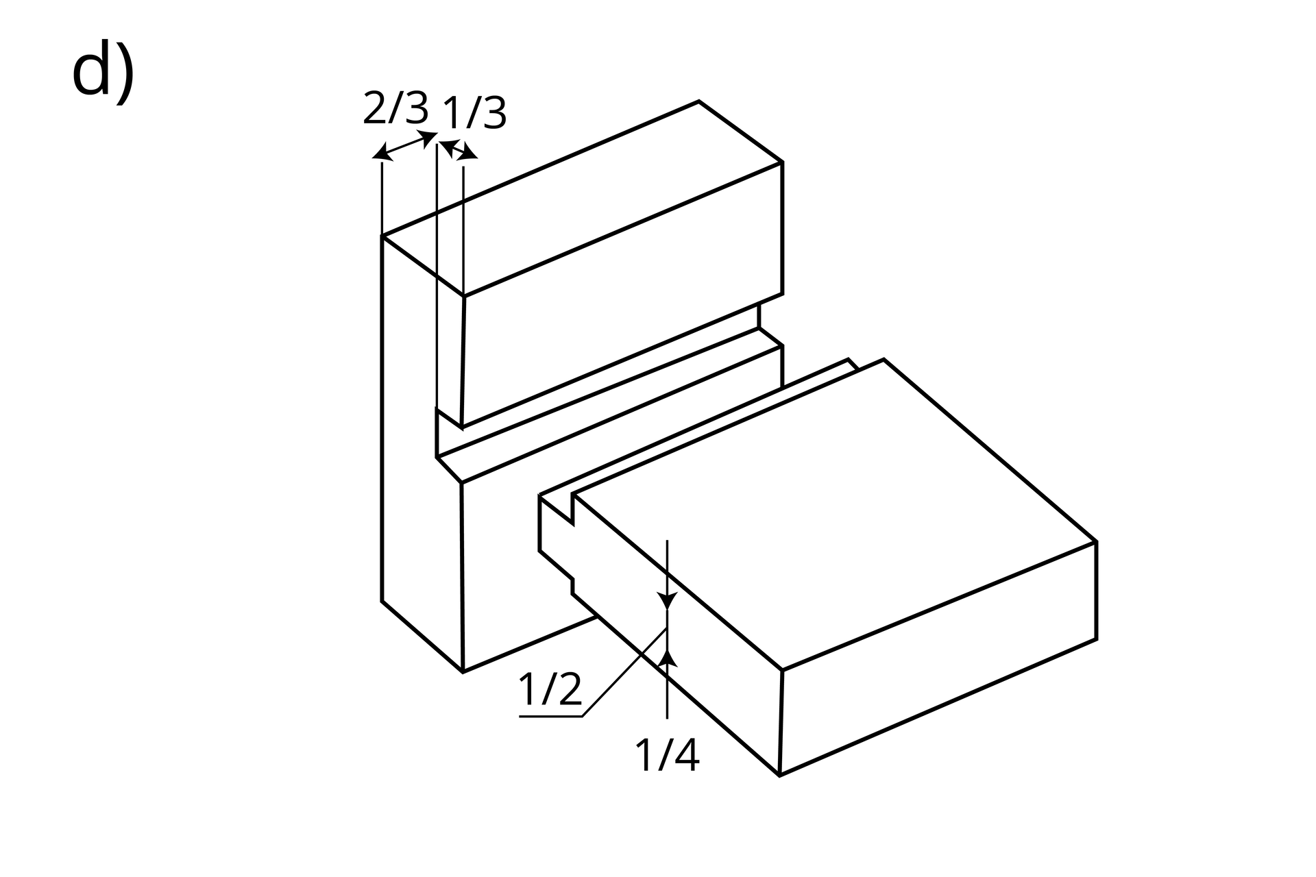
3. Podział ze względu na sposób wykonania
Połączenia czopowe:


Nagranie dostępne pod adresem https://zpe.gov.pl/a/D1HNqlKlQ
Nagranie z treścią opisu zamieszczonego poniżej.
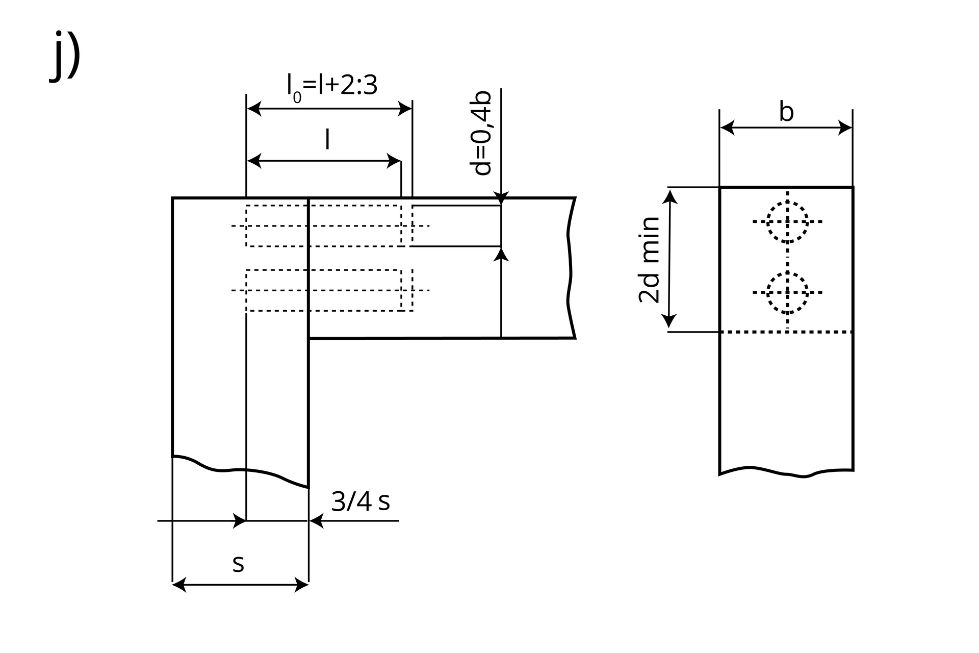
Połączenia łącznikowe – połączenia, w których wykorzystuje się łączniki mechaniczne, takie jak: wkręty, śruby, zszywki, gwoździe, kliny, mimośrody. Ich użycie wymaga precyzji podczas wykonywania otworów, gdyż wszelkie przesunięcia mogą doprowadzić do deformacji budowanej konstrukcji.
Wkręty – służą do łączenia elementów z drewna poprzez dopasowanie ich i połączenie wkrętem wkręconym w przygotowany otwór. By zapewnić stabilność tych połączeń, należy zachować następujące wymiary otworów: w drewnie litym twardym i płytach wiórowych od 0,6 do 0,8 średnicy wkrętu, natomiast w drewnie miękkim od 0,4 do 0,7 średnicy wkrętu.

Nagranie dostępne pod adresem https://zpe.gov.pl/a/D1HNqlKlQ
Nagranie z treścią opisu zamieszczonego poniżej.
Śruby – nie mają ostrego zakończenia jak wkręty, zakończone są gwintem, na który zakręca się nakrętki.
Połączenia na wkręty i śruby są odwracalne, tzn. łączone elementy można zdemontować.
Gwoździe – stosowane głównie w tapicerstwie oraz przy wytwarzaniu drobnych wyrobów, jak np. skrzynki. Połączenia z użyciem gwoździ są nieodwracalne, a ich trwałość jest słabsza niż w przypadku połączeń na wkręty i śruby.

Nagranie dostępne pod adresem https://zpe.gov.pl/a/D1HNqlKlQ
Nagranie z treścią opisu zamieszczonego poniżej.
Zszywki – mocuje się przy użyciu zszywacza pneumatycznego. Używa się ich w tapicerstwie, a także do mocowania tylnych ścian mebli skrzyniowych.

Powrót do spisu treściPowrót do spisu treści