Jeśli w samochodzie przepali się jeden z reflektorów, to czy pozostałe światła będą działać bez zarzutu? Jeśli chcesz poznać odpowiedź na to pytanie, czytaj dalej.
RfbXX844yS4ln
Na zdjęciu widocznych jest mnóstwo wiszących lamp o zbliżonych kształtach. Lampy mają szklany, kulisty klosz, wewnątrz którego widoczna jest zaświecona żarówka. Wszystkie lampy są zaświecone, więc są jasnymi punktami na prawie czarnym tle.
System połączeń równoległych stosuje się m.in. w układach oświetleniowych. Ma on liczne zalety, m.in. zapewnia każdej lampie takie samo napięcie niezależnie od ich liczby, a awaria jednej żarówki nie powoduje przerwania obwodu.
Źródło: Sebastian Ziebell, dostępny w internecie: https://www.flickr.com, licencja: CC BY-ND 2.0.
Przed przystąpieniem do zapoznania się z tematem, należy znać poniższe zagadnienia
Przed przystąpieniem do zapoznania się z tematem, należy znać poniższe zagadnienia
rozpoznawać połączenie równoległe odbiorników (na schematach i w praktyce);
posługiwać się zależnościami między natężeniem, napięciem a oporem elektrycznym w połączeniu równoległym odbiorników;
rozwiązywać problemy i zadania dotyczące połączenia równoległego odbiorników prądu elektrycznego.
Połączenie równoległe – podstawy teoretyczne
Natężenie prądu płynącego przez przewodnik podłączony do stałego źródła napięcia ma jednakową wartość w każdym miejscu przewodnika. Co się jednak stanie, jeśli nastąpi rozgałęzienie przewodnika, czyli gdy będzie on doprowadzał prąd do urządzeń połączonych równolegle? Czy natężenie prądu również będzie miało identyczną wartość?
RrMTbiH3gG768
Ilustracja przedstawia prawo Kirchhoffa. Na białym tle znajduje się przewód, po którym płynie prąd o natężeniu I, na środku poprzez węzeł (czerwona kropka) rozdziela się na 2 przewodu w których płynie prąd o różnym natężeniu I1 oraz I2.
Przez przewodnik płynie prąd o natężeniu . Za węzłem przewodnik rozgałęzia się na dwie części, natężenie prądu rozdziela się na i
Źródło: Uniwersytet Przyrodniczy we Wrocławiu, licencja: CC BY 3.0.
Punkt, w którym następuje rozgałęzienie, nazywany jest węzłem. Przepływ prądu oznacza, że do węzła dopływa jakiś ładunek w jednostce czasu. Natężenie prądu dopływającego do węzła jest równe , a ładunek . Z węzła wychodzą dwa przewody, w których natężenia prądu są różne. Oznaczmy je oraz , przy czym ładunki wypływające w jednostce czasu z węzła muszą w sumie być równe ładunkowi q wpływającemu do węzła (zasada zachowania ładunku). Wynika z tego, że suma natężeń prądów wypływających z węzła jest równa natężeniu prądu dopływającego do tego węzła, czyli:
Tę zależność nazywamy pierwszym prawem KirchhoffaGustaw Robert KirchhoffKirchhoffa.
pierwsze prawo Kirchhoffa
Prawo: pierwsze prawo Kirchhoffa
Suma natężeń prądów wpływających do dowolnego węzła jest równa sumie natężeń prądów wypływających z tego węzła.
Jeśli odbiorniki są połączone równoległe, oznacza to, że są one połączone za pomocą przewodów z dwóch stron, a napięcie jest przyłożone do pary połączonych końcówek. Napięcie zmierzone między końcami oporników jest jednakowe i równe napięciu elektrycznemu źródła. To samo dotyczy natężenia prądu.
RyMurlVgS84Fs
Ilustracja przedstawia schemat połączenia równoległego dwóch oporników o oporze er. Ich wyjścia są połączone za pomocą przewodów z dwóch stron (lewe z lewym, prawe z prawym), a napięcie jest przyłożone do połączonych końcówek (jeden biegun do jednej, drugi biegun do drugiej).
Schemat połączenia równoległego oporników.
Źródło: GroMar Sp. z o.o., licencja: CC BY 3.0.
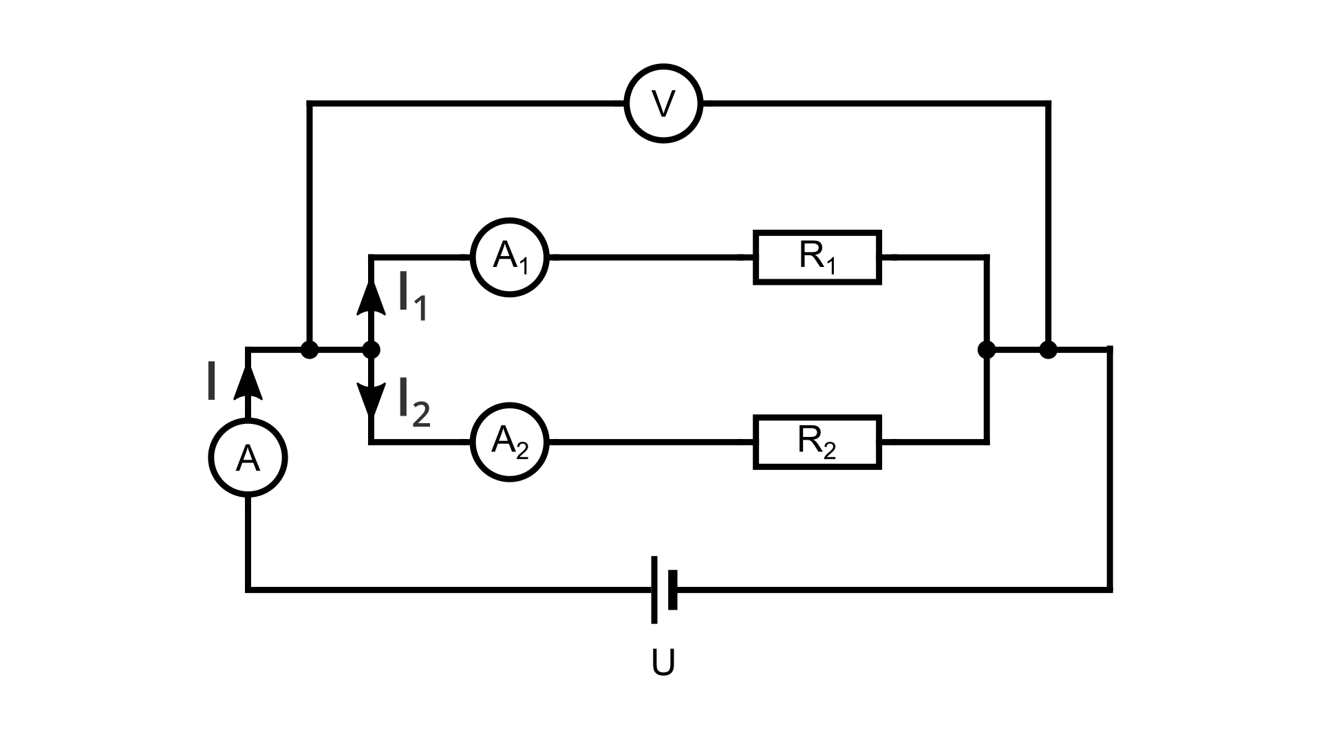
Oporniki połączone równolegle można zastąpić jednym równoważnym opornikiem, do którego końców przyłożone zostanie napięcie i przez który będzie przepływał prąd o natężeniu . Natężenie tego prądu będzie równe sumie natężeń prądów w opornikach połączonych równolegle. Aby wyznaczyć wartość oporu zastępczego, posłużymy się schematem i poznanymi zależnościami między napięciem, natężeniem a oporem elektrycznym.
R1SY0ONlMeqGP
Połączenie równoległe oporników. Od źródła prądu, prąd I płynie przewodem przez podłączony ampieromierz A, po czym rozpływa się na dwie gałęzie połączenia równoległego. Prąd I z indeksem dolnym jeden przepływa przez amperomierz A z indeksem dolnym jeden i opornik R z indeksem dolnym jeden. Prąd I z indeksem dolnym dwa przepływa przez amperomierz A z indeksem dolnym dwa i opornik R z indeksem dolnym dwa. Za oporikami przewody łączą się i poprowadzone są do drugiego bieguna źródła. Przed rozgałęzieniem oraz za ponownym połączeniem podłączone są wyjścia woltomierza.
Wyznaczanie wartości oporu zastępczego odbiorników prądu elektrycznego.
Źródło: Uniwersytet Przyrodniczy we Wrocławiu, licencja: CC BY 3.0.
Korzystamy z pierwszego prawa Kirchhoffa:
Uwzględniamy zależność między napięciem a natężeniem i otrzymujemy:
Przekształcamy wzór , aby wyznaczyć natężenie: ()
Do równania podstawiamy zależność :
Równanie dzielimy przez napięcie :
Ze wzoru wynika, że suma odwrotności oporów poszczególnych elementów jest równa odwrotności oporu zastępczego.
Przykład 1
Dwa oporniki o oporach i połączono równolegle. Oblicz opór zastępczy tych oporników.
Zależność:
Dane:
Szukane:
Obliczenia:
Ułamki sprowadzamy do wspólnego mianownika:
Aby obliczyć opór zastępczy, należy skorzystać z proporcji:
Odpowiedź: Opór zastępczy układu oporników wynosi .
1
Ćwiczenie 1
Korzystając z poniższego schematu obwodu elektrycznego, oblicz natężenie .
RUAFwpDxb8OT6
Na schemacie cztery przewody, połączone w punkcie nazywanym węzłem. Od jednego z przewodów, w stronę węzła, płynie prąd o natężeniu I równym czterem amperom. Prąd ten, w węźle, rozpływa się na pozostałe trzy przewody. Przez jeden z przewodów płynie prąd I z indeksem dolnym jeden równy jednemu i pół ampera. Przez drugi płynie prąd I z indeksem dolnym dwa. Przez trzecie płynie prąd I z indeksem dolnym trzy równy siedemdziesięciu pięciu setnym ampera.
Źródło: Uniwersytet Przyrodniczy we Wrocławiu, licencja: CC BY 3.0.
Korzystając z powyższego schematu obwodu elektrycznego, oblicz opór zastępczy i wskaż prawidłową odpowiedź.
3,6 Ω
0,28 Ω
7,5 Ω
15 Ω
Następnie korzystamy z proporcji i otrzymujemy, że: .
Połączenie równoległe – rozwiązywanie zadań
Przykład 2
Dwa oporniki o oporach i połączono równolegle. Oblicz natężenie prądu płynącego przez każdy opornik, jeśli podłączono je do źródła stałego napięcia równego .
Wzór:
Dane:
Szukane:
Obliczenia:
Odpowiedź: Przez opornik płynął prąd o natężeniu , a przez opornik – prąd o natężeniu .
RMmF8FNb5HS5n11
Ćwiczenie 3
Dwa oporniki o oporach i połączono równolegle i przyłożono napięcie . Oblicz natężenie prądu płynącego przez każdy opornik. Uzupełnij poniższe luki, wpisując odpowiednie wartości. Zależności:
Dane: Tu uzupełnij Tu uzupełnij Tu uzupełnij
Szukane: ? ?
Obliczenia: Tu uzupełnij : Tu uzupełnij = Tu uzupełnij
Tu uzupełnij : Tu uzupełnij = Tu uzupełnij
Odpowiedź: Natężenia prądu są równe Tu uzupełnij i Tu uzupełnij.
Dwa oporniki o oporach i połączono równolegle i przyłożono napięcie . Oblicz natężenie prądu płynącego przez każdy opornik. Uzupełnij poniższe luki, wpisując odpowiednie wartości. Zależności:
Dane: Tu uzupełnij Tu uzupełnij Tu uzupełnij
Szukane: ? ?
Obliczenia: Tu uzupełnij : Tu uzupełnij = Tu uzupełnij
Tu uzupełnij : Tu uzupełnij = Tu uzupełnij
Odpowiedź: Natężenia prądu są równe Tu uzupełnij i Tu uzupełnij.
Dwa oporniki o oporach i połączono równolegle i przyłożono napięcie . Oblicz natężenie prądu płynącego przez każdy opornik. Uzupełnij puste miejsca.
Odpowiedź: Natężenia prądu są równe ............ i .............
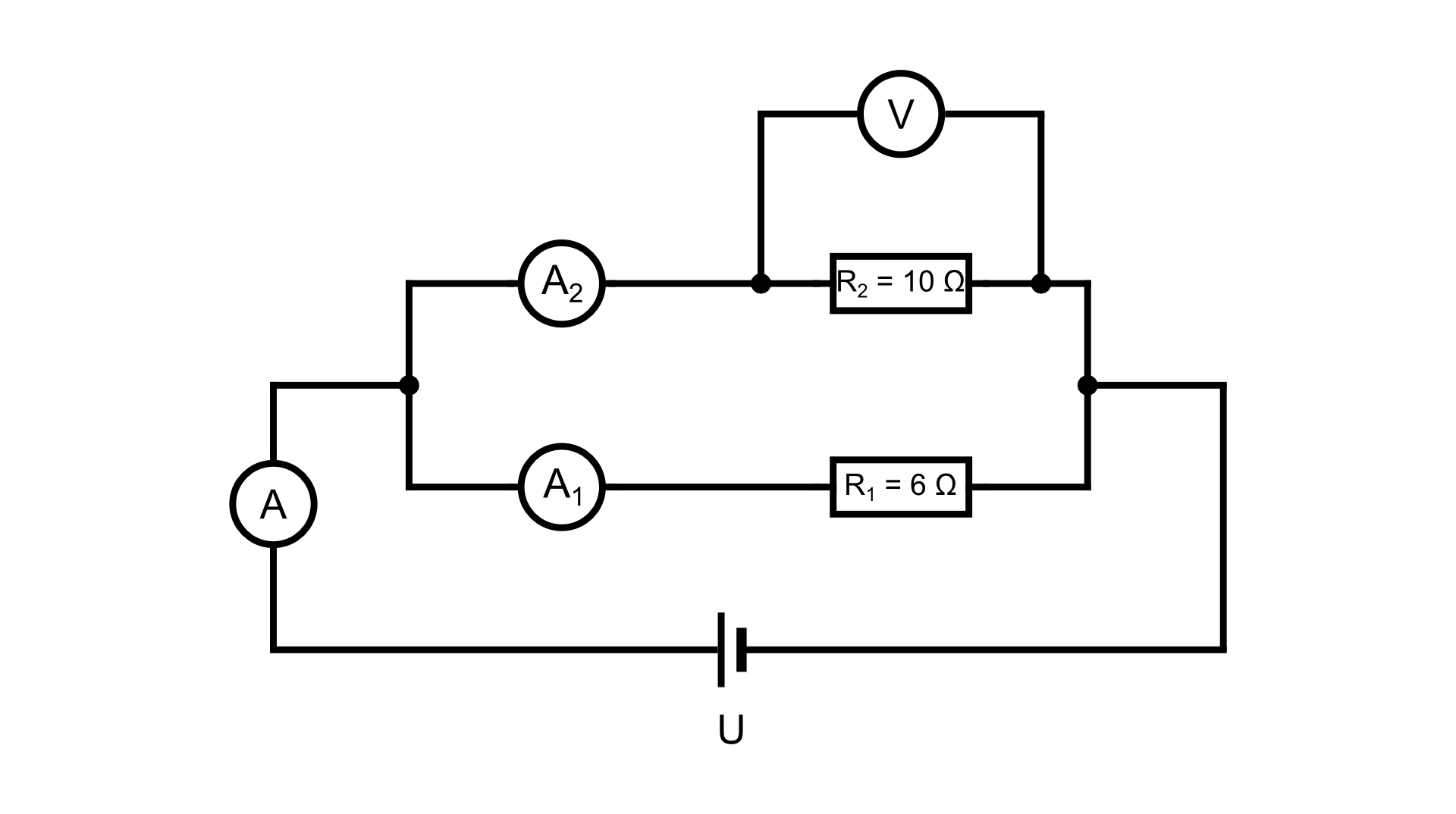
Przykład 3
Na podstawie danych zawartych na schemacie oblicz, jakie będą wskazania mierników w obwodzie elektrycznym. Amperomierz wskazuje .
RQht2D2dVb8b4
Na schemacie znajduje się obwód elektryczny. Od źródła prądu wychodzi przewód, na którym znajduje się amperomierz, następnie przewód poprzez węzeł rozdziela się na dwa przewody biegnące równolegle do siebie. Na pierwszym takim przewodzie znajduje się amperomierz A z indeksem dolnym 1 oraz opornik R z indeksem dolnym 1 o oporze sześciu omów. Na drugim przewodzie znajduje się amperomierz A z indeksem dolnym 2 oraz opornik R z indeksem dolnym 2 o oporze dziesięciu omów do którego równolegle przypięty jest woltomierz. Następnie obydwa przewody łączą się ze sobą i wracają do źródła zasilania.
Źródło: Uniwersytet Przyrodniczy we Wrocławiu, licencja: CC BY 3.0.
Wzór:
Dane:
Szukane:
Obliczenia:
Odpowiedź: Woltomierz wskazuje , amperomierz – , natomiast amperomierz – .
1
Ćwiczenie 4
Na podstawie danych zawartych na schemacie obwodu elektrycznego, oblicz wskazania mierników. Amperomierz wskazuje .
RLRGQUn53lJzt
Na schemacie znajduje się obwód elektryczny. Od źródła prądu wychodzi przewód, na którym znajduje się amperomierz, następnie przewód poprzez węzeł rozdziela się na dwa przewody biegnące równolegle do siebie. Na pierwszym takim przewodzie znajduje się amperomierz A z indeksem dolnym jeden oraz opornik R z indeksem dolnym 1 o oporze sześćdziesięciu omów. Na drugim przewodzie znajduje się amperomierz A z indeksem dolnym 2 oraz opornik R z indeksem dolnym 2 o oporze trzydziestu omów, na całym tym przewodzie przypięty równolegle jest woltomierz. Następnie obydwa przewody łączą się ze sobą i wracają do źródła zasilania.
Źródło: Uniwersytet Przyrodniczy we Wrocławiu, licencja: CC BY 3.0.
R15vvb4lDolWa
Zaznacz poprawne odpowiedzi. Możliwe odpowiedzi: 1. Amperomierz wskazuje wartość ., 2. Amperomierz wskazuje wartość ., 3. Woltomierz wskazuje wartość ., 4. Amperomierz wskazuje wartość ., 5. Woltomierz wskazuje wartość ., 6. Amperomierz wskazuje wartość .
Na podstawie danych zawartych na schemacie obwodu elektrycznego oblicz wskazania mierników. Amperomierz wskazuje 0,1 A. Wskaż prawidłowe odpowiedzi.
Amperomierz wskazuje wartość 0,05 A.
Amperomierz wskazuje wartość 0,15 A.
Woltomierz wskazuje wartość 6 V.
Amperomierz wskazuje wartość 0,5 A.
Najpierw oblicz napięcie, bazując na odczycie amperomierza : . Następnie, znając już napięcie, możesz obliczyć prąd płynący przez opornik i amperomierz : . Prąd płynący przez amperomierz obliczysz korzystając z pierwszego prawa Kirchoffa: .
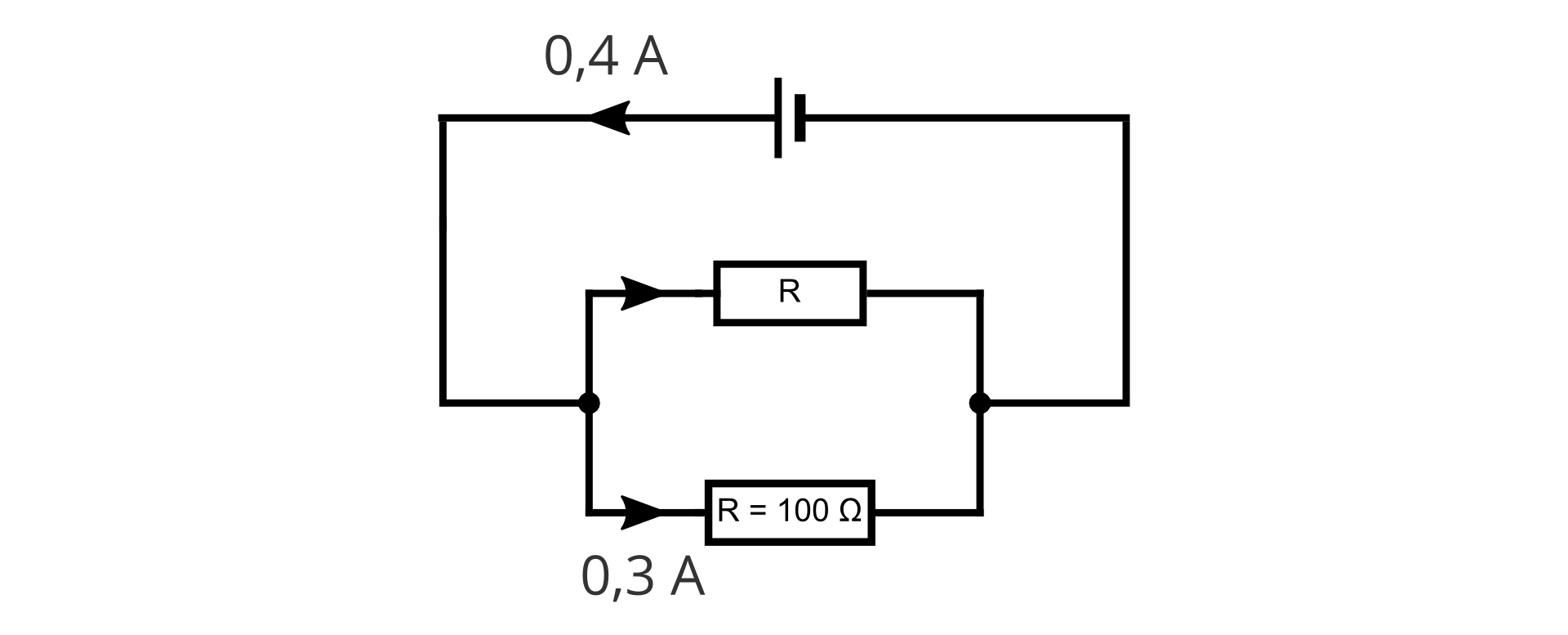
Przykład 4
Na podstawie schematu obwodu elektrycznego oblicz:
napięcie wytwarzane przez baterię;
natężenie prądu płynącego przez opornik;
opór opornika .
R1M0FzOqZiVlx
Ilustracja przedstawia schemat obwodu, w którym natężenie płynące od baterii wynosi 0,4 ampera, a 2 oporniki są połączone równolegle. Przez pierwszy opornik o oporze 100 omów, przepływa prąd o natężeniu 0,3 ampera. Nie znamy natomiast oporu i natężenia jakie przepływa przez drugi opornik
Źródło: Uniwersytet Przyrodniczy we Wrocławiu, licencja: CC BY 3.0.
Zależności:
Dane:
Szukane:
Obliczenia:
Odpowiedź: Bateria wytwarza napięcie . Natężenie prądu płynącego przez opornik jest równe . Opór opornika wynosi .
1
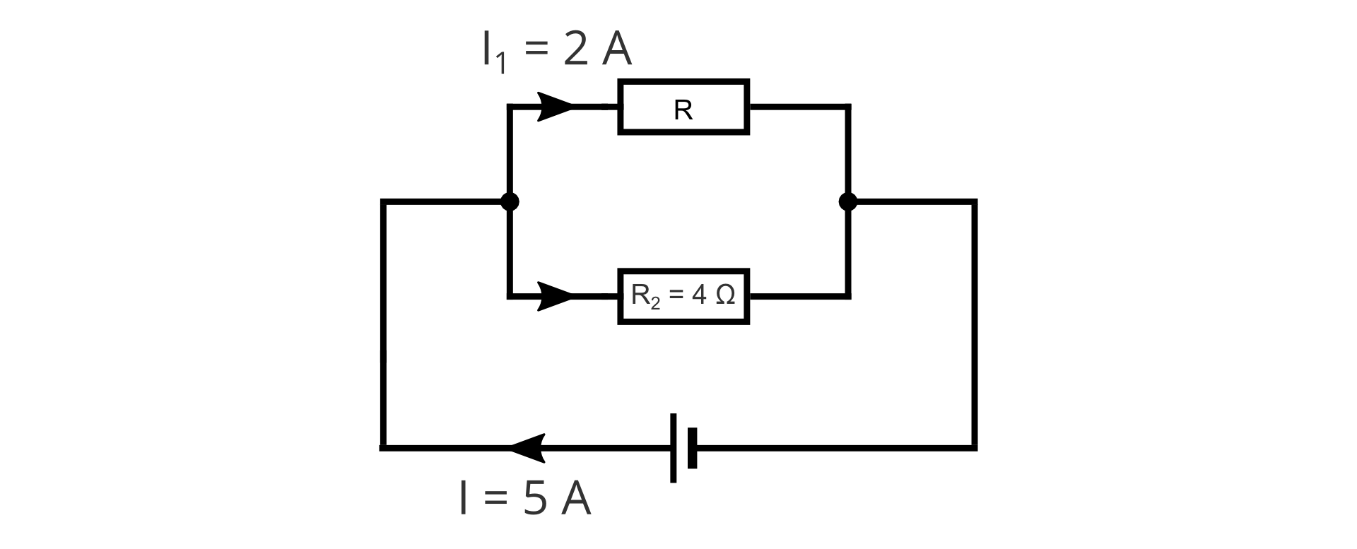
Ćwiczenie 5
Na poniższym rysunku przedstawiono schemat obwodu elektrycznego.
R1G8Ez1tyTqxo
Ilustracja przedstawia połączenie równoległe dwóch oporników. Pierwszy opornik ma nieznany opór R, natomiast znamy natężenie prądu przepływającego przez niego I jeden równe 2 ampery. Drugi opornik ma opór równy 4 omom. Natężenie prądu przepływającego przez ten obwód wynosi 5 amperów
Źródło: Uniwersytet Przyrodniczy we Wrocławiu, licencja: CC BY 3.0.
Aby obliczyć natężenie prądu płynącego przez opornik skorzystaj z pierwszego prawa Kirchoffa: . Napięcie baterii obliczysz wykorzystując wartość opornika i przepływającego przez niego prądu : . Wartość oporu opornika obliczysz, znając wartość napięcia baterii i prądu przepływającego przez ten opornik: . Opór zastępczy obliczysz sumując odwrotności wartości oporów na opornikach połączonych równolegle: .
Podsumowanie:
Pierwsze prawo Kirchhoffa: suma natężeń prądów wpływających do węzła i suma natężeń prądów z niego wypływających są sobie równe:
Napięcie przyłożone do oporników połączonych równolegle i napięcie w poszczególnych opornikach mają taką samą wartość;
Aby obliczyć odwrotność oporu całkowitego (zastępczego ) odbiorników połączonych równolegle należy dodać do siebie odwrotności oporu poszczególnych odbiorników .
Zadania podsumowujące lekcję
RA7gBSELdwFh511
Ćwiczenie 6
Uzupełnij luki w zdaniach, przeciągając w nie odpowiednie wyrażenia lub kliknij w lukę i wybierz odpowiedź z listy rozwijalnej. Samochodowa instalacja elektryczna może być zasilana akumulatorem o napięciu (głównie auta osobowe) lub (niektóre auta ciężarowe). Żarówki znajdujące się w reflektorach są połączone 1. równolegle, 2. nie może doprowadzić, 3. może doprowadzić, 4. szeregowo . Usunięcie lub przepalenie się jednej z nich 1. równolegle, 2. nie może doprowadzić, 3. może doprowadzić, 4. szeregowo do zgaśnięcia pozostałych.
Uzupełnij luki w zdaniach, przeciągając w nie odpowiednie wyrażenia lub kliknij w lukę i wybierz odpowiedź z listy rozwijalnej. Samochodowa instalacja elektryczna może być zasilana akumulatorem o napięciu (głównie auta osobowe) lub (niektóre auta ciężarowe). Żarówki znajdujące się w reflektorach są połączone 1. równolegle, 2. nie może doprowadzić, 3. może doprowadzić, 4. szeregowo . Usunięcie lub przepalenie się jednej z nich 1. równolegle, 2. nie może doprowadzić, 3. może doprowadzić, 4. szeregowo do zgaśnięcia pozostałych.
Uzupełnij puste miejsca wybierając brakujące elementy z listy.
szeregowo, równolegle, może doprowadzić, nie może doprowadzić
Samochodowa instalacja elektryczna może być zasilana akumulatorem o napięciu 12 V (głównie auta osobowe) lub 24 V (niektóre auta ciężarowe). Żarówki znajdujące się w reflektorach są połączone ............................................ . Usunięcie lub przepalenie się jednej z nich ............................................ do zgaśnięcia pozostałych.
1
Ćwiczenie 7
Na poniższym rysunku przedstawiono schemat obwodu elektrycznego.
RxWIftAFUNI8Q
Ilustracja przedstawia obwód elektryczny. Natężenie prądu płynącego przez ten obwód wynosi I. Sam obwód wychodzi z jedego bieguna źródła, a dalej rozdziela się na dwa równoległe przewody. Na pierwszym przewodzie płynie prąd o natężeniu I z indeksem dolnym jeden oraz znajdują się na nim 2 następujące po sobie oporniki R z indeksem dolnym jeden i R z indeksem dolnym dwa. Na drugim przewodzie płynie prąd o natężeniu I z indeksem dolnym trzy i znajduję się na nim opornik R z indeksem dolnym trzy. Za opornikami przewód znowu się łączy i podłączony jest do drugiego bieguna źródła.
Źródło: Uniwersytet Przyrodniczy we Wrocławiu, licencja: CC BY 3.0.
R7qzTdREUNS0y
Łączenie par. Oceń prawdziwość poniższych zdań. Przy każdym zdaniu w tabeli zaznacz „Prawda” albo „Fałsz”.. Oporniki i są połączone z opornikiem równolegle.. Możliwe odpowiedzi: Prawda, Fałsz. Napięcie przyłożone do końców opornika jest równe napięciu ogniwa.. Możliwe odpowiedzi: Prawda, Fałsz. Wszystkie oporniki są połączone równolegle.. Możliwe odpowiedzi: Prawda, Fałsz. Dla tego obwodu prawdziwa jest zależność: .. Możliwe odpowiedzi: Prawda, Fałsz
Łączenie par. Oceń prawdziwość poniższych zdań. Przy każdym zdaniu w tabeli zaznacz „Prawda” albo „Fałsz”.. Oporniki i są połączone z opornikiem równolegle.. Możliwe odpowiedzi: Prawda, Fałsz. Napięcie przyłożone do końców opornika jest równe napięciu ogniwa.. Możliwe odpowiedzi: Prawda, Fałsz. Wszystkie oporniki są połączone równolegle.. Możliwe odpowiedzi: Prawda, Fałsz. Dla tego obwodu prawdziwa jest zależność: .. Możliwe odpowiedzi: Prawda, Fałsz
Oceń prawdziwość poniżśzych zdań.
Prawda
Fałsz
Oporniki i są połączone z opornikiem równolegle.
□
□
Napięcie przyłożone do końców opornika jest równe napięciu ogniwa.
□
□
Wszystkie oporniki są połączone równolegle.
□
□
Dla tego obwodu prawdziwa jest zależność: .
□
□
RZX17cNYmZ9nv21
Ćwiczenie 8
Opornik o oporach i połączono równolegle i podłączono pod napięcie . Oblicz opór zastępczy i natężenie prądu płynącego przez każdy opornik. Zaznacz poprawną odpowiedź. Możliwe odpowiedzi: 1. , , , 2. , , , 3. , , , 4. , ,
Opornik o oporach i połączono równolegle i podłączono pod napięcie . Oblicz opór zastępczy () i natężenie prądu płynącego przez każdy opornik.
, ,
, ,
, ,
, ,
R13w0y2IvrHYO11
Ćwiczenie 9
W obwodzie elektrycznym znajduje się dziesięć żarówek o oporze każda oraz bateria o napięciu . Żarówki połączone są równolegle. Zaznacz prawidłowe stwierdzenia. Możliwe odpowiedzi: 1. Opór całkowity wynosi ., 2. Napięcie na każdej żarówce jest równe ., 3. Natężenie prądu płynącego przez każdą żarówkę jest mniejsze niż .
W obwodzie elektrycznym znajduje się dziesięć żarówek o oporze R = 10 Ω każda oraz bateria o napięciu U = 4,5 V. Żarówki połączone są równolegle. Wybierz prawidłowe stwierdzenia.
Opór całkowity wynosi 100 Ω.
Napięcie na każdej żarówce jest równe 4,5 V.
Natężenie prądu płynącego przez każdą żarówkę jest mniejsze niż 0,5 A.
Biogram
Gustaw Robert Kirchhoff17.10.1887Berlin12.03.1824Królewiec
R1G50OJf1TjbU
Portret mężczyzny, ubranego w ciemną marynarkę i jasną koszulę. Pod postawionym kołnierzem koszuli mucha. Mężczyzna ma półdługie, proste włosy, zakręcone na końcach, wąsy i brodę sięgającą muchy. Na czole ma głębokie, poziome zmarszczki.
Gustaw Robert Kirchhoff
Źródło: QWerk, dostępny w internecie: http://commons.wikimedia.org.
Gustaw Robert Kirchhoff
Niemiecki fizyk o szerokich zainteresowaniach badawczych. Współtwórca analizy spektralnej, czyli określania składu chemicznego (np. mieszaniny pierwiastków) za pomocą analizy światła emitowanego przez substancje o wysokiej temperaturze. W r. opublikował prawa dotyczące przepływu prądu elektrycznego i tym samym poszerzył odkrycia Georga Ohma.
Słownik
opornik zastępczy
opornik zastępczy
opornik zastępujący oporniki połączone równolegle. Do końców opornika zastępczego przyłożone jest napięcie ; płynie przez niego prąd o natężeniu będący sumą natężeń prądów w opornikach połączonych równolegle. Opór zastępczy w połączeniu równoległym oblicza się za pomocą wzoru:
gdzie opór – tego opornika, – opór zastępczy.
Gustaw Robert Kirchhoff17.10.1887Berlin12.03.1824Królewiec
R1G50OJf1TjbU
Portret mężczyzny, ubranego w ciemną marynarkę i jasną koszulę. Pod postawionym kołnierzem koszuli mucha. Mężczyzna ma półdługie, proste włosy, zakręcone na końcach, wąsy i brodę sięgającą muchy. Na czole ma głębokie, poziome zmarszczki.
Gustaw Robert Kirchhoff
Źródło: QWerk, dostępny w internecie: http://commons.wikimedia.org.
Gustaw Robert Kirchhoff
Niemiecki fizyk o szerokich zainteresowaniach badawczych. Współtwórca analizy spektralnej, czyli określania składu chemicznego (np. mieszaniny pierwiastków) za pomocą analizy światła emitowanego przez substancje o wysokiej temperaturze. W r. opublikował prawa dotyczące przepływu prądu elektrycznego i tym samym poszerzył odkrycia Georga Ohma.