Elektrotechnika
MEC.03. Montaż i obsługa maszyn i urządzeń - Mechanik - Monter maszyn i urządzeń 723310
Słownik pojęć dla e‑materiału
przyrząd pomiarowy, którym mierzy się pomiar natężenia prądu elektrycznego. Zamiennie, w zależności od zakresu amperomierza, używa się również innych nazw: kiloamperomierz, miliamperomierz, mikroamperomierz.

FILM EDUKACYJNY „Podstawowe prawa elektrotechniki w obwodach prądu stałego i przemiennego”FILM EDUKACYJNY „Podstawowe prawa elektrotechniki w obwodach prądu stałego i przemiennego”
specjalny transformator, w którym jest tylko jedno uzwojenie spełniające jednocześnie rolę pierwotnego i wtórnego i w odróżnieniu od klasycznego transformatora nie zapewnia izolacji galwanicznej (odseparowanie elektryczne części zasilającej od części wyjściowej). Energia przenoszona jest nie tylko na drodze transformacji magnetycznej, ale również na drodze przewodzenia elektrycznego.

FILM EDUKACYJNY „Podstawowe prawa elektrotechniki w obwodach prądu stałego i przemiennego”FILM EDUKACYJNY „Podstawowe prawa elektrotechniki w obwodach prądu stałego i przemiennego”
część lub całość obwodu stworzona z jednego lub wielu elementów, które połączone są szeregowo i płynie przez nie ten sam prąd elektryczny.

I - natężenie prądu elektrycznego,
U - napięcie,
R - opór przewodnika elektrycznego.
ATLAS INTERAKTYWNY „Podstawy elektrotechniki dla mechaników”ATLAS INTERAKTYWNY „Podstawy elektrotechniki dla mechaników”
zastosowanie działań i urządzeń, które redukują zbędne koszty mocy biernejmocy biernej. Obwód prądu charakteryzuje się posiadaniem trzech rodzajów mocy: czynną, która jest zamieniana na pracę użytkową, bierną, znajdującą się między źródłem a odbiornikiem, oraz pozorną, czyli geometryczną sumę mocy czynnej i biernej. Energię tę dzieli się na pobraną (indukcyjną), łączoną np. z silnikami, piecami oraz energię oddaną (pojemnościową), która pojawia się przy kondensatorach i długich odcinkach kabli pod napięciem.
ATLAS INTERAKTYWNY „Podstawy elektrotechniki dla mechaników”ATLAS INTERAKTYWNY „Podstawy elektrotechniki dla mechaników”
FILM EDUKACYJNY „Podstawowe prawa elektrotechniki w obwodach prądu stałego i przemiennego”FILM EDUKACYJNY „Podstawowe prawa elektrotechniki w obwodach prądu stałego i przemiennego”
wielkość opisująca pulsowanie energii elektrycznej między elementami obwodu elektrycznego (źródłem i odbiornikiem). Energia ta nie jest zamieniana na użyteczną pracę lub ciepło, jest ona jednak konieczna do funkcjonowania maszyn elektrycznych. Dzięki energii biernej odbiorniki pracują prawidłowo.
ATLAS INTERAKTYWNY „Podstawy elektrotechniki dla mechaników”ATLAS INTERAKTYWNY „Podstawy elektrotechniki dla mechaników”
FILM EDUKACYJNY „Podstawowe prawa elektrotechniki w obwodach prądu stałego i przemiennego”FILM EDUKACYJNY „Podstawowe prawa elektrotechniki w obwodach prądu stałego i przemiennego”
w układach prądu przemiennego jest to część mocy pobierana ze źródła przez odbiornik, która jest przez niego zamieniana na pracę lub ciepło. W układach prądu stałego mocą czynną jest cała moc. Jednostką, w której podaje się moc czynną, jest wat.
ATLAS INTERAKTYWNY „Podstawy elektrotechniki dla mechaników”ATLAS INTERAKTYWNY „Podstawy elektrotechniki dla mechaników”
FILM EDUKACYJNY „Podstawowe prawa elektrotechniki w obwodach prądu stałego i przemiennego”FILM EDUKACYJNY „Podstawowe prawa elektrotechniki w obwodach prądu stałego i przemiennego”
iloraz pracy , którą wykonuje ładunek, przemieszczając się pomiędzy określonymi punktami oraz , które są wyrażone jako potencjały oraz , i wartości tego ładunku . Jednostką napięcia elektrycznego jest wolt [].
ATLAS INTERAKTYWNY „Podstawy elektrotechniki dla mechaników”ATLAS INTERAKTYWNY „Podstawy elektrotechniki dla mechaników”
FILM EDUKACYJNY „Podstawowe prawa elektrotechniki w obwodach prądu stałego i przemiennego”FILM EDUKACYJNY „Podstawowe prawa elektrotechniki w obwodach prądu stałego i przemiennego”
napięcie, które występuje między zaciskiem poszczególnej fazy układu a punktem neutralnym.
ATLAS INTERAKTYWNY „Podstawy elektrotechniki dla mechaników”ATLAS INTERAKTYWNY „Podstawy elektrotechniki dla mechaników”
napięcie, które występuje między dwoma zaciskami poszczególnych faz układu.
ATLAS INTERAKTYWNY „Podstawy elektrotechniki dla mechaników”ATLAS INTERAKTYWNY „Podstawy elektrotechniki dla mechaników”
układ elementów połączonych ze sobą; tworzą one minimum jedną zamkniętą drogę dla przepływu prądu.

I - natężenie prądu elektrycznego,
U - napięcie,
R - opór przewodnika elektrycznego,
1 - źródło napięcia,
2 - gałąź z rezystorem R1 przez którą płynie prąd I1,
3 - gałąź z rezystorem R2 przez którą płynie prąd I2.
ATLAS INTERAKTYWNY „Podstawy elektrotechniki dla mechaników”ATLAS INTERAKTYWNY „Podstawy elektrotechniki dla mechaników”
zespół połączonych ze sobą gałęzi obwodu, które tworzą zamkniętą drogę dla przepływu prądu. Cechą charakterystyczną oczka jest to, że gdy usunie się jej dowolną gałąź, pozostałe nie tworzą zamkniętej drogi obwodu.
ATLAS INTERAKTYWNY „Podstawy elektrotechniki dla mechaników”ATLAS INTERAKTYWNY „Podstawy elektrotechniki dla mechaników”
element bierny obwodu elektrycznego, który jest wykorzystywany do ograniczenia płynącego w nim prądu. Jest elementem liniowym: spadek napięcia na nim występujący jest wprost proporcjonalny do prądu, który płynie przez opornik. Podczas przepływu prądu opornik zamienia energię elektryczną w ciepło.

ATLAS INTERAKTYWNY „Podstawy elektrotechniki dla mechaników”ATLAS INTERAKTYWNY „Podstawy elektrotechniki dla mechaników”
stan przestrzeni, w której siła działa wyłącznie na ruchome ładunki elektryczne.
ATLAS INTERAKTYWNY „Podstawy elektrotechniki dla mechaników”ATLAS INTERAKTYWNY „Podstawy elektrotechniki dla mechaników”
sposób łączenia elementów źródłowych i odbiornikowych, w którym wszystkie elementy włączone w obwód tworzą parę zacisków; każdy z jego końców ma ten sam potencjał. Napięcie na wszystkich elementach obwodu jest takie samo i przyjmuje wartość napięcia zasilającego.

ATLAS INTERAKTYWNY „Podstawy elektrotechniki dla mechaników”ATLAS INTERAKTYWNY „Podstawy elektrotechniki dla mechaników”
metoda łączenia elementów źródłowych i odbiornikowych kolejno po sobie, co tworzy połączenie o jednej gałęzi obwodu. Przez wszystkie jej elementy przepływa ten sam prąd.

ATLAS INTERAKTYWNY „Podstawy elektrotechniki dla mechaników”ATLAS INTERAKTYWNY „Podstawy elektrotechniki dla mechaników”
rodzaj połączenia w układach trójfazowych, oznaczane symbolem . W tym połączeniu napięcie na elementach jest wypadkową wartością, która wynika z symetryczności, a prądy płynące przez te elementy są równe prądom fazowym.
ATLAS INTERAKTYWNY „Podstawy elektrotechniki dla mechaników”ATLAS INTERAKTYWNY „Podstawy elektrotechniki dla mechaników”
rodzaj połączenia w układach trójfazowych, oznaczane symbolem . W połączeniu tego typu napięcie na elementach jest równe napięciu międzyfazowemu, z kolei prądy płynące przez te elementy są wypadkową odpowiednich prądów fazowych.
ATLAS INTERAKTYWNY „Podstawy elektrotechniki dla mechaników”ATLAS INTERAKTYWNY „Podstawy elektrotechniki dla mechaników”
suma natężeń prądów wpływających do węzła jest równa sumie natężeń prądów wypływających z tego węzła. Prawo to sformułował niemiecki fizyk Gustav Kirchhoff w roku 1845; jest autorem również innych praw, w tym praw z zakresu chemii.
ATLAS INTERAKTYWNY „Podstawy elektrotechniki dla mechaników”ATLAS INTERAKTYWNY „Podstawy elektrotechniki dla mechaników”
prawo fizyki, które głosi proporcjonalność natężenia prądu płynącego przez przewodnik do napięcia panującego między jego końcami. Prawidłowość ta została odkryta przez niemieckiego nauczyciela matematyki, późniejszego fizyka, profesora politechniki w Norymberdze oraz uniwersytetu w Monachium, Georga Simona Ohma, w latach 1825–1826.
ATLAS INTERAKTYWNY „Podstawy elektrotechniki dla mechaników”ATLAS INTERAKTYWNY „Podstawy elektrotechniki dla mechaników”
wywołany działaniem pola elektrycznego uporządkowany ruch ładunków elektrycznych, jaki występuje w przekroju poprzecznym przewodnika.
ATLAS INTERAKTYWNY „Podstawy elektrotechniki dla mechaników”ATLAS INTERAKTYWNY „Podstawy elektrotechniki dla mechaników”
rodzaj prądu zmiennego, w którym oprócz zmiany jego natężenia w funkcji czasu następuje okresowa zmiana jego wartości na przeciwny.
ATLAS INTERAKTYWNY „Podstawy elektrotechniki dla mechaników”ATLAS INTERAKTYWNY „Podstawy elektrotechniki dla mechaników”
występuje w momencie, gdy natężenie prądu elektrycznego przepływającego przez przewodnik nie zmienia się w funkcji czasu.
ATLAS INTERAKTYWNY „Podstawy elektrotechniki dla mechaników”ATLAS INTERAKTYWNY „Podstawy elektrotechniki dla mechaników”
stosunek napięcia wejściowego do wyjściowego równy ilości zwojów po stronie wejściowej do ilości zwojów po stronie wyjściowej.
Wyróżniamy autotransformatory o stałej przekładni oraz o zmiennej przekładni. Zmienną przekładnię uzyskuje się za pomocą odczepów jak na rysunku powyżej (rozwiązanie najczęściej stosowane w energetyce) lub płynnie np. przesuwając węglową elektrodę po uzwojeniu (rozwiązanie stosowane w autotransformatorach laboratoryjnych – w celu uzyskania płynnej regulacji napięcia wyjściowego). Fakt wykorzystania jednego uzwojenia pozwala na zmniejszenie gabarytów względem klasycznego transformatora oraz oszczędność materiałów. Dla małych przekładni jest to rozwiązanie uzasadnione ekonomicznie. Wadą tego rozwiązania jest brak separacji galwanicznej, dlatego w układach wrażliwych na zakłócenia bezpieczniejszym rozwiązaniem jest transformator.
FILM EDUKACYJNY „Podstawowe prawa elektrotechniki w obwodach prądu stałego i przemiennego”FILM EDUKACYJNY „Podstawowe prawa elektrotechniki w obwodach prądu stałego i przemiennego”
układ obwodów elektrycznych, który składa się z trzech obwodów elektrycznych prądu przemiennego; napięcia przemienne źródeł o jednakowej wartości i częstotliwości w tych trzech obwodach są przesunięte względem siebie w fazie o jedną trzecią okresu.
ATLAS INTERAKTYWNY „Podstawy elektrotechniki dla mechaników”ATLAS INTERAKTYWNY „Podstawy elektrotechniki dla mechaników”
FILM EDUKACYJNY „Podstawowe prawa elektrotechniki w obwodach prądu stałego i przemiennego”FILM EDUKACYJNY „Podstawowe prawa elektrotechniki w obwodach prądu stałego i przemiennego”
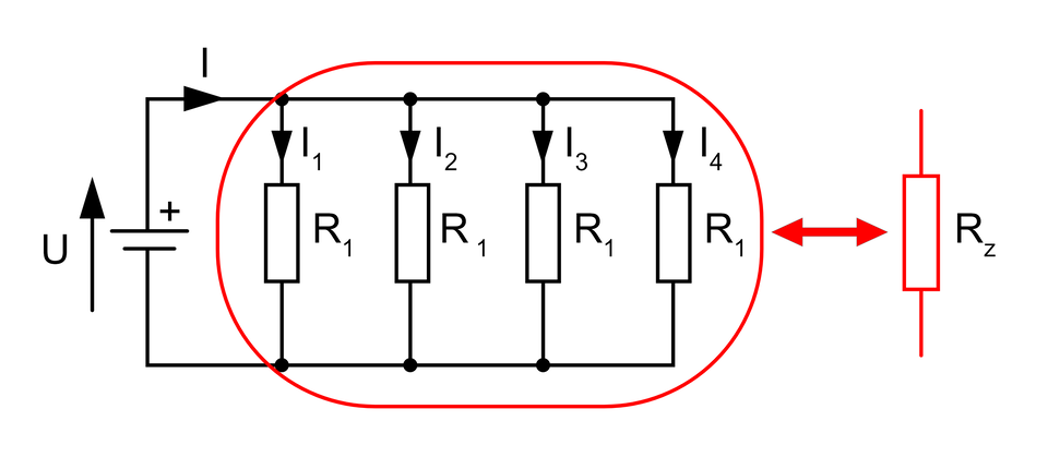
połączenie równoległe (obwód równoległy) – rodzaj połączenia elementów elektrycznych, w którym połączone są wszystkie ich końce oraz początki. Połączenie to tworzy odpowiednią liczbę gałęzi, w których mogą płynąć różne, zasilane takim samym napięciem elektrycznym, prądy.
FILM EDUKACYJNY „Podstawowe prawa elektrotechniki w obwodach prądu stałego i przemiennego”FILM EDUKACYJNY „Podstawowe prawa elektrotechniki w obwodach prądu stałego i przemiennego”
połączenie szeregowe – rodzaj połączenia elementów elektrycznych, w którym koniec jednego łączy się z początkiem kolejnego elementu. Połączenie to tworzy łańcuch elementów, w którym prąd elektryczny musi przepływać przez wszystkie elementy kolejno.
FILM EDUKACYJNY „Podstawowe prawa elektrotechniki w obwodach prądu stałego i przemiennego”FILM EDUKACYJNY „Podstawowe prawa elektrotechniki w obwodach prądu stałego i przemiennego”
przyrząd mierzący moc czynną. Watomierze budowane są jako mierniki: indukcyjne, elektrodynamiczne, ferrodynamiczne. Najczęściej spotykanym rodzajem miernika jest watomierz elektrodynamiczny, który przeznaczony jest do pomiaru mocy w obwodach prądu stałego i przemiennego.
ATLAS INTERAKTYWNY „Podstawy elektrotechniki dla mechaników”ATLAS INTERAKTYWNY „Podstawy elektrotechniki dla mechaników”
FILM EDUKACYJNY „Podstawowe prawa elektrotechniki w obwodach prądu stałego i przemiennego”FILM EDUKACYJNY „Podstawowe prawa elektrotechniki w obwodach prądu stałego i przemiennego”
punkt w obwodzie, w którym łączą się co minimum trzy gałęzie.
ATLAS INTERAKTYWNY „Podstawy elektrotechniki dla mechaników”ATLAS INTERAKTYWNY „Podstawy elektrotechniki dla mechaników”
przyrząd pomiarowy służący do mierzenia napięcia elektrycznego. Włączany jest równolegle do obwodu elektrycznego. Najlepszy woltomierz posiada nieskończenie dużą rezystancję wewnętrzną, w związku z czym oczekuje się pomijalnie małego poboru prądu przez cewkę pomiarową.

FILM EDUKACYJNY „Podstawowe prawa elektrotechniki w obwodach prądu stałego i przemiennego”FILM EDUKACYJNY „Podstawowe prawa elektrotechniki w obwodach prądu stałego i przemiennego”
urządzenie, które służy do dopasowania dostępnego napięcia do wymagań zasilanego urządzenia.
FILM EDUKACYJNY „Podstawowe prawa elektrotechniki w obwodach prądu stałego i przemiennego”FILM EDUKACYJNY „Podstawowe prawa elektrotechniki w obwodach prądu stałego i przemiennego”