Urządzenia związane z bezpieczeństwem ruchu pociągów
Urządzenia samoczynnego hamowania pociągu (SHP)Urządzenia samoczynnego hamowania pociągu (SHP)
Informacje ogólne o SHPInformacje ogólne o SHP
Zasada współdziałania urządzeń SHPZasada współdziałania urządzeń SHP
Zasada współdziałania urządzeń samoczynnego hamowaniaZasada współdziałania urządzeń samoczynnego hamowania
Sposób rozmieszczenia punktów oddziaływania wzdłuż torówSposób rozmieszczenia punktów oddziaływania wzdłuż torów
Techniczna zasada działaniaTechniczna zasada działania
Urządzenia na pojeździe kolejowymUrządzenia na pojeździe kolejowym
Informacje dotyczące SHP na pojeździe kolejowymInformacje dotyczące SHP na pojeździe kolejowym
Schemat urządzeń pokładowych systemu kontroli hamowania pociągów KHPSchemat urządzeń pokładowych systemu kontroli hamowania pociągów KHP
Urządzenia oddziaływania ciągłego z sygnalizacją kabinowąUrządzenia oddziaływania ciągłego z sygnalizacją kabinową
PrędkościomierzePrędkościomierze
Informacje ogólne o SHPInformacje ogólne o SHP
Wykres na taśmie prędkościomierza rejestrującego w lokomotywie serii SM42Wykres na taśmie prędkościomierza rejestrującego w lokomotywie serii SM42
Przykład elektronicznego wskaźnika prędkościPrzykład elektronicznego wskaźnika prędkości
Czuwak aktywnyCzuwak aktywny
Radio StopRadio Stop
System ETCS — European Train Control SystemSystem ETCS — European Train Control System
Poziom 1. systemu ETCS bez funkcji uaktualnia informacjiPoziom 1. systemu ETCS bez funkcji uaktualnia informacji
Poziom 1. systemu ETCS z uaktualnianiem przez pętlęPoziom 1. systemu ETCS z uaktualnianiem przez pętlę
Urządzenia Samoczynnego Hamowania Pociągu (SHP)
Urządzenia sterownia ruchem kolejowym, które kontrolują czujność maszynisty oraz monitorują jazdę z odpowiednią prędkością, dzielimy zasadniczo na:
urządzenia punktowego oddziaływania,
urządzenia odcinkowego/ciągłego oddziaływania.
Urządzenia punktowego oddziaływania charakteryzują się tym, że są niezależne od wskazań semaforów.
Do urządzeń odcinkowego/ciągłego oddziaływania sygnał wysyłany jest na fragmencie (odcinku) toru podlegającego kontroli albo na całej jego długości.
Powrót na górę stronyPowrót na górę strony
Informacje ogólne o SHP
SHP jest to system punktowego oddziaływania. Jego głównym zadaniem jest zapewnienie bezpieczeństwa poruszania się pociągu w obszarze szczególnie niebezpiecznych miejsc.
Urządzenie składa się z części przytorowej oraz pojazdowej. Część przytorowa zawiera rezonator torowy, który umieszczany jest w szczególnie ważnych miejscach, np. na wysokości semafora wyjazdowego. Część pojazdowa zawiera elektromagnes systemu SHP oraz układ sterujący.
SHP stosuje się w celu zwrócenia szczególnej uwagi maszynisty na wskazania sygnalizatorów przytorowych, sprawdzania jego czujności podczas przejeżdżania obok sygnalizatorów oraz wdrożenia nagłego hamowania w przypadku braku reakcji na sygnały świetlne i dźwiękowe systemu SHP. Urządzenia pokładowe SHP obejmują:
aparat główny SHP, określany mianem generatora,
elektromagnesy pojazdowe,
oporniki redukcyjne w układach zasilania,
lampki sygnalizacyjne,
buczki,
przyciski czujności,
zawór elektropneumatyczny,
wyłącznik główny.
System SHP współpracuje ponadto z:
nastawnikiem kierunku jazdy,
układem hamulcowym,
szybkościomierzem rejestrującym.
Powrót na górę stronyPowrót na górę strony
Zasada współdziałania urządzeń SHP

a) transformator nieobciążony,
b) transformator obciążony.
Każda jednostka trakcyjna jest wyposażona w dwa czujniki umieszczone po obu stronach pojazdu, aby oddziaływać na czujniki jadące w obu kierunkach. Źródłem zasilania obwodów czujnika jest wzmacniacz tranzystorowy. Wraz ze wzrostem obciążenia spada napięcie wyjściowe wzmacniacza. Aby osiągnąć największą możliwą zmianę napięcia na czujniku podczas przejeżdżania nad nim, zastosowano kondensator C do dostrojenia obwodów pierwotnych i wtórnych do rezonansu oraz nabiegunniki poprawiające charakterystykę sprzężenia. Sprzęt zainstalowany w pojeździe obejmuje: źródło zasilania prądem zmiennym do zasilania obwodu rezonansowego czujnika, przekaźnik odbierający impulsy, przekaźnik wyzwalający dźwięk i przekaźnik sterujący, sterowanie zaworem elektromagnetycznym, a także wzmacniacz.
Przemieszczanie się lokomotywy nad punktem oddziaływania odbywa się zwykle przez bardzo krótki czas (zaledwie ułamek sekundy), więc zmiany elektryczne w obwodzie czujnika podczas sprzężenia magnetycznego są impulsem krótkotrwałym. Jednak już impuls o określonej wartości i określonym czasie pracy uruchomi urządzenie SHP w pojeździe kolejowym. W sieci PKP PLK często stosuje się system jednopunktowy, tzn. punkty oddziaływania umieszcza się pojedynczo na każdym odcinku między dwoma semaforami, po prawej stronie dla obu kierunków jazdy na danym torze.
Powrót na górę stronyPowrót na górę strony
Zasada współdziałania urządzeń samoczynnego hamowania
Po przejechaniu pojazdu z napędem wyposażonego w urządzenia SHP nad rezonatorem torowym następuje zablokowanie generatora SHP i zapalenie lampki sygnalizacyjnej SHP na pulpicie pojazdu trakcyjnego. Maszynista powinien potwierdzić czujność poprzez przyciśnięcie przez czas poniżej 1 sekundy przycisku czujności, co powoduje odblokowanie generatora systemu SHP i przejście urządzenia w stan czuwania. W przypadku dłuższego przyciśnięcia przycisku czujności następuje rozpoczęcie procedury nagłego hamowania. Celem tego zabezpieczenia jest konieczność zwalniania przycisku i ponownego potwierdzania czujności w miejscach oddziaływania elektromagnesów torowych. W przypadku braku potwierdzenia czujności po upływie 2,5 sekundy włącza się buczek ostrzegawczy, a po upływie kolejnych 2 sekund następuje włączenie zasilania zaworu elektropneumatycznego SHP, opróżnienie przewodu głównego i wdrożenie nagłego hamowania. Nie ma możliwości przerwania nagłego hamowania aż do czasu zatrzymania pojazdu. Ponowne uruchomienie pojazdu i wznowienie jazdy jest możliwe po odblokowaniu urządzenia przyciskiem czujności oraz napełnieniu przewodu głównego hamulca pneumatycznego.
Powrót na górę stronyPowrót na górę strony
Sposób rozmieszczenia punktów oddziaływania wzdłuż torów
Torowe urządzenia kontroli czujności maszynisty lokalizuje się przed tarczami ostrzegawczymi, semaforami z funkcją tarczy ostrzegawczej i tarczami ostrzegawczymi przejazdowymi według poniższych zasad:
Urządzenia kontroli, które odnoszą się do sygnalizatorów na szlaku, jak również semaforów wjazdowych, tarcz ostrzegawczych i tarcz ostrzegawczych przejazdowych, umieszcza się w odległości 200 m ( 5 m) przed sygnalizatorem.
W obrębie stacji i innych posterunków ruchu urządzenia torowe umieszcza się na wysokości semaforów ( 5 m), jeżeli pełnią one również funkcję tarczy ostrzegawczej. W przypadku zastosowania semaforów grupowych wyjazdowych na szlaku z SBL urządzenia torowe punktowego oddziaływania umieszcza się na wysokości tych semaforów.
W sieci PKP PLK często stosuje się system jednopunktowy, tzn. punkty oddziaływania umieszcza się pojedynczo na każdym odcinku między dwoma semaforami, po prawej stronie dla obu kierunków jazdy na danym torze.

Powrót na górę stronyPowrót na górę strony
Techniczna zasada działania
Rezonator torowy oraz obwód rezonansowy czujnika zamontowanego na pojeździe są dostrojone do tej samej częstotliwości 1000 Hz. W chwili gdy elektromagnes pokładowy przesuwa się nad rezonatorem torowym, następuje między nimi sprzężenie, wskutek czego napięcie na zaciskach generatora gwałtownie maleje, a potem zmniejsza się wysterowanie układu kluczującego. Następuje zablokowanie generatora SHP i zapalenie lampki sygnalizacyjnej SHP na pulpicie pojazdu trakcyjnego. Maszynista powinien potwierdzić czujność poprzez przyciśnięcie przez czas poniżej 1 s przycisku czujności, co powoduje odblokowanie generatora systemu SHP i przejście urządzenia w stan czuwania.
Powrót na górę stronyPowrót na górę strony
Urządzenia na pojeździe kolejowym

Ilustracja przedstawia czujnik ELM. Takie czujniki znajdują się przy szynie oraz na pojeździe kolejowym. Ich zadaniem jest przekazanie informacji do pojazdu kolejowego, a dokładniej – do systemu SHP – o zbliżaniu się do semafora. Typ ELM 1 najczęściej spotykany jest w pociągach spalinowych oraz w szynobusach, a typ ELM 2 zwykle jest wykorzystywany w elektrycznych zespołach trakcyjnych. Poza zewnętrzną budową oba typy różnią się także wewnętrzną budową: w typie ELM 2 układ posiada rezystor, podczas gdy typ ELM 1 go nie posiada.
Powrót na górę stronyPowrót na górę strony
Informacje dotyczące SHP na pojeździe kolejowym
Czujnik lokomotywy stanowiący obwód rezonansowy 1000 Hz zasilany z generatora tranzystorowego.
Lampka sygnalizacyjna i sygnał dźwiękowy, informujący maszynistę o przejechaniu pojazdu nad rezonatorem torowym. Gdy zaświeci się lampka lub rozlegnie sygnał dźwiękowy, należy wcisnąć przycisk czujności oraz zwrócić szczególną uwagę na sygnały podawane na tarczy ostrzegawczej lub semaforze przytorowym.
Przycisk czujności służy do potwierdzenia przyjęcia do wiadomości sygnału wyświetlanego na sygnalizatorach przytorowych oraz gotowości do hamowania.
Prędkościomierz typu RT9 rejestruje prawidłowość działania urządzeń SHP i naciskania dźwigni czujności przez maszynistę.
Przełącznik kabin służy do wyłączenia urządzenia, gdy pociąg jedzie po linii kolejowej niewyposażonej w urządzenia SHP. Służy także do wyłączania urządzenia w kabinie, z której nie jest prowadzony pojazd.
Zarówno generatory zamontowane na pojazdach, jak i elektromagnesy podlegają regularnym przeglądom. Te drugie poddaje się regulacji poprzez sprawdzenie zawieszenia nad główką szyny. Osoba dokonująca takich czynności musi posiadać odpowiednie kwalifikacje — wypełnia właściwy protokół z dokumentacji przeglądowej.
Powrót na górę stronyPowrót na górę strony
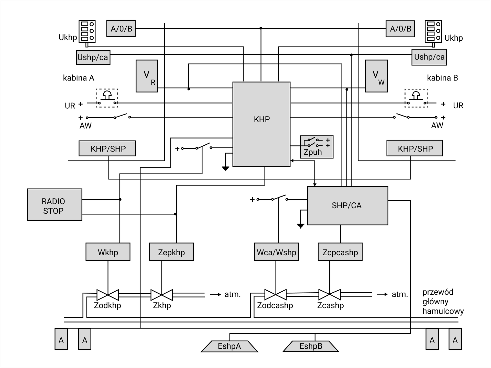
Schemat urządzeń pokładowych systemu kontroli hamowania pociągów KHP
System kontroli hamowania pociągów (KHP) kontroluje jazdę pociągu. Jest to rozwinięta wersja systemu SHP. System KHP informuje maszynistę o wskazaniach semaforów przytorowych za pomocą tak zwanej sygnalizacji kabinowej oraz kontroluje prędkość jazdy pociągu i zatrzymanie go przed sygnałem Stój
.

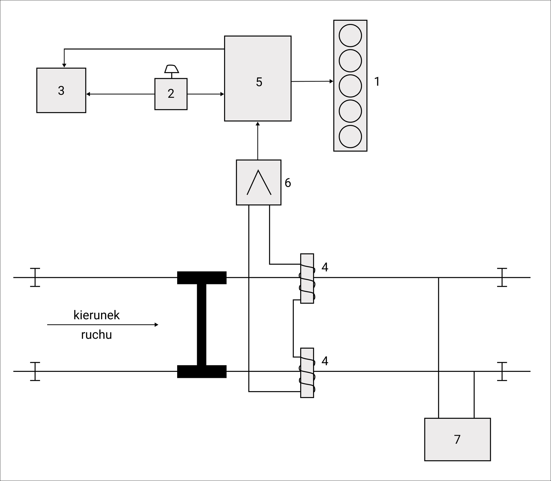
System kontroli hamowania pociągów (KHP) składa się z elektromagnesów torowych. Elektromagnesy umieszczone są na wysokości semaforów (w przypadku semaforów wyjazdowych) oraz 200 metrów przed semaforem (w przypadku semafora wjazdowego lub semafora samoczynnej blokady liniowej).

Ilustracja przedstawia rozmieszczenie elektromagnesów systemu kontroli hamowania pociągów. Schemat informuje o tym, że elektromagnesy systemu rozmieszczone są 200 metrów przed semaforem wjazdowym oraz semaforem samoczynnej blokady liniowej. Natomiast w przypadku semaforów wyjazdowych elektromagnesy znajdują się na wysokości semaforów.
Elektromagnesy torowe KHP są urządzeniami elektronicznymi działającymi w stosunkowo prosty sposób, dlatego charakteryzują się dużą niezawodnością działania. Urządzenia te wymagają jednak regulacji w zakresie na przykład pasma częstotliwości. Okresowej kontroli podlega stan zamocowania do szyny, rezystancja izolacji (w rezonatorach nowej generacji niektórych producentów pomiar nie jest wymagany) oraz dobrostan obwodu rezonansowego.
Powrót na górę stronyPowrót na górę strony
Urządzenia oddziaływania ciągłego z sygnalizacją kabinową
Urządzenia oddziaływania ciągłego z sygnalizacją kabinową przekazują do kabiny obrazy wskazań sygnalizatorów, wdrażają samoczynne hamowanie pociągu w przypadku niewykazania przez maszynistę czujności i interweniują w sytuacji przekroczenia przez pojazd dopuszczalnej prędkości. Przykładem takiego systemu jest system kontroli hamowania pociągów.
Zasada działania tych urządzeń sprowadza się do przekazywania zakodowanych sygnałów z obwodów torowych do przesuwających się nad szynami czujników lokomotywy. Sygnały te po wzmocnieniu są odczytywane w dekoderze i powodują włączenie odpowiedniej lampki w sygnalizatorze kabinowym.
Urządzenia o oddziaływaniu ciągłym umożliwiają stały przekaz informacji do pojazdu trakcyjnego na pewnym odcinku oddziaływania. Odcinki oddziaływania zazwyczaj pokrywają się z odstępami samoczynnej blokady liniowej i przekazują informacje o sygnale na następnym semaforze, które są wyświetlane na sygnalizatorze kabinowym.

Powrót na górę stronyPowrót na górę strony
Prędkościomierze
Prędkościomierze to urządzenia informujące maszynistę o prędkości jazdy pojazdu, ale także zawierające w sobie moduły, które zapisują parametry pracy pojazdu. Liczba zapisywanych parametrów i sposób zapisu zależą od typu urządzenia.
Powrót na górę stronyPowrót na górę strony
Informacje ogóle
Rodzaje prędkościomierzy stosowanych w pojazdach trakcyjnych:
mechaniczno‑elektryczne, w których nośnikiem zapisu jest taśma papierowa,
elektroniczne (tachograf), w których określone przez użytkownika informacje zapisywane są w pamięci elektronicznej urządzenia z możliwością przeniesienia ich na inne nośniki, np. płyty CD lub inne.
Parametry rejestrowane przez prędkościomierz:
parametry pracy pojazdu trakcyjnego (prędkość pojazdu w czasie),
stany urządzeń automatyki bezpieczeństwa pociągu (ABP), takie jak system Samoczynnego Hamowania Pociągu czy czuwak aktywny, informacja o odebranych impulsach z nadajników torowych,
określone czynności maszynisty wykonywane w pojeździe trakcyjnym podczas pracy pociągowej i pozapociągowej.
Objaśnienia do rejestracji dodatkowych:
użycie przycisku czujności CA,
hamowanie pneumatyczne lokomotywy — ciśnienie w cylindrach hamulcowych.
Powrót na górę stronyPowrót na górę strony
Wykres na taśmie prędkościomierza rejestrującego w lokomotywie serii SM42

Stan techniczny prędkościomierzy w czasie pracy pojazdu trakcyjnego musi zapewniać rejestrację odpowiednich parametrów jazdy i pracy pojazdu. W przypadku stwierdzenia nieprawidłowości w działaniu prędkościomierza taki pojazd trakcyjny należy wycofać z ruchu.
Prędkościomierze wskazująco‑rejestrujące składają się ze współpracujących ze sobą i zależnych od siebie mechanizmów, takich jak:
napęd szybkościomierza w postaci linki szybkościomierza przenoszącej mechanicznie moment obrotowy z zestawu kołowego lub silnika elektrycznego zamontowanego pod obudową prędkościomierza,
mechanizm posuwu taśmy, na której rejestrowane są parametry jazdy, takie jak prędkość, czas przejazdu, kierunek jazdy,
mechanizm pomiarowy umożliwiający pomiar i wskazanie prędkości pojazdu rejestrowane na taśmie, obliczanie i wskazywanie liczby przebytych kilometrów, zmiany ruchu dwukierunkowego na jednokierunkowy,
mechanizm zegarowy informujący o dokładnym czasie w trakcie jazdy oraz postoju,
mechanizm pomiaru ciśnienia lub jego regulacji rejestrujący hamowanie pojazdu.
Maszynista w zakresie przygotowania i obsługi prędkościomierza podczas rozpoczynania pracy w pojeździe trakcyjnym powinien sprawdzić, czy taśma w prędkościomierzu rejestrującym jest właściwie założona, oraz ocenić, czy długość taśmy jest odpowiednia do zakresu przewidywanej pracy pojazdu trakcyjnego. W przypadku niewystarczającej długości konieczne jest założenie nowej taśmy.
Po zakończeniu pracy w pojeździe trakcyjnym maszynista powinien wyciągnąć z prędkościomierza odcinek taśmy z zapisanymi danymi, a następnie prawidłowo ją opisać z podaniem danych określonych w przepisach wewnętrznych przewoźnika. W przypadku rozpoczęcia pracy w pojeździe trakcyjnym wyposażonym w prędkościomierz elektroniczny należy dokonać wpisu danych do pamięci prędkościomierza zgodnie z postanowieniami instrukcji obsługi tego prędkościomierza.
Powrót na górę stronyPowrót na górę strony
Przykład elektronicznego wskaźnika prędkości

Na wyświetlaczu wskaźnika znajdują się informacje dotyczące daty, czasu oraz rozwijane menu. Wyświetlacz i klawiatura służą do wprowadzania niezbędnych danych, np. numeru maszynisty, numeru zakładu macierzystego maszynisty, numeru pociągu, prędkości maksymalnej pociągu, długości pociągu, trybu pracy hamulca, ciężaru pociągu, procentu hamowania. Urządzenie to rejestruje parametry jazdy na taśmach. Tarcza wskazuje za pomocą wskaźnika obecną prędkość jazdy. Elektroniczny wskaźnik prędkości w nowoczesnych pojazdach najczęściej jest wbudowany w kokpit.
Po zaistnieniu wydarzenia, wypadku lub katastrofy kolejowej należy bezwzględnie przestrzegać wyznaczonego toku postępowania z taśmami prędkościomierzy lub z nośnikami elektronicznymi zawierającymi dane zapisane przez prędkościomierz elektroniczny.
Maszynista zobowiązany jest wyciągnąć taśmę z prędkościomierza w obecności uprawnionego członka komisji powypadkowej, dokonując na niej następujących zapisów: data i godzina wyciągnięcia taśmy z prędkościomierza, numer pociągu lub jazdy luzem, imię i nazwisko maszynisty oraz miejsce zatrudnienia, imię i nazwisko członka komisji powypadkowej, zakres rejestrowanej prędkości przez urządzenia rejestrujące, podpis maszynisty.
W przypadku uszkodzenia urządzeń SHP i radiołączności pociągowej zabronione jest wyłączanie podczas jazdy w czynnych kabinach maszynisty pojazdów trakcyjnych sprawnych urządzeń kontroli prowadzenia pociągu, czuwaka aktywnego, SHP i urządzeń radiołączności pociągowej. W przypadku jazdy pociągiem przy dwuosobowej obsadzie trakcyjnej fakt uszkodzenia urządzenia czujności należy odnotować w książce pokładowej pojazdu z napędem i kontynuować jazdę do stacji docelowej.
W przypadku uszkodzenia SHP i czuwaka aktywnego w pojeździe trakcyjnym maszynista obsługujący go jednoosobowo powinien wezwać do kabiny sterowniczej kierownika pociągu. W sytuacji uszkodzenia w pojeździe trakcyjnym radiołączności pociągowej lub wszystkich urządzeń kontrolujących czujność maszynisty (SHP, czuwak aktywny) w czasie jazdy pociągiem bez drużyny konduktorskiej maszynista obsługujący jednoosobowo pojazd trakcyjny może doprowadzić pociąg tylko do najbliższej stacji.
Powrót na górę stronyPowrót na górę strony
Czuwak aktywny
Czuwak aktywny wchodzi w skład automatyki bezpieczeństwa pociągu (ABP). Należy do urządzeń odpowiedzialnych za utrzymywanie bezpieczeństwa jazdy pociągu w ruchu kolejowym. Jego rolą jest regularna kontrola czujności maszynisty poprzez wzbudzanie alarmu wzrokowego (czerwona kontrolka) oraz dźwiękowego (buczek). Kontrola odbywa się niezależenie od prędkości jazdy pojazdu.
Po załączeniu napięcia pokładowego i naciśnięciu przycisku czujności system rozpoczyna pracę w cyklu postojowym krótszym niż 16 s. W czasie postoju i podczas jazdy z prędkością mniejszą niż 10% prędkości maksymalnej pociągu maszynista nie musi obsługiwać przycisku czujności. Lampka sygnalizacyjna i buczek pozostają wyłączone.
W momencie przekroczenia tej prędkości głównym zadaniem czuwaka jest okresowa (60 s) kontrola czujności maszynisty. W momencie otrzymania sygnału (świetlnego) prowadzący pojazd jest zobowiązany do użycia przycisku czujności, który potwierdza jego skupienie. Brak reakcji (po 3 s) będzie skutkował kolejnymi sygnałem (tym razem dźwiękowym — buczek), a na końcu nagłym, awaryjnym hamowaniem pojazdu.
Powrót na górę stronyPowrót na górę strony
Radio‑Stop
Urządzenie Radio‑Stop (RS) jest kolejnym urządzeniem wymaganym jako zabezpieczenie ruchu kolejowego w sieci zarządzanej przez PKP Polskie Linie Kolejowe. RS wchodzi w skład urządzeń automatyki bezpieczeństwa pociągu.
W przypadku wystąpienia nieprzewidzianego zdarzenia na torach dyżurny ruchu może nadać sygnał Radio‑Stop, aby uniknąć niebezpiecznego zdarzenia bądź zmniejszyć jego skutki. Sygnał wysyłany jest do wszystkich pojazdów odbierających sygnał na danym kanale radiowym o zakresie lokalizacyjnym w przedziale 20–30 km i powoduje ich zatrzymanie. Kierujący pojazdem ma również możliwość użycia tego urządzenia na przykład w celu zatrzymania pociągu znajdującego się na drugim torze, aby zaalarmować go o zbliżaniu się do przeszkody.
Charakterystyka | Cecha |
|---|---|
Częstotliwości | Pociąg—ziemia i ziemia—pociąg: 150 MHz ... 156 MHz. Odstęp częstotliwości: 25 kHz (ma być zmieniony na 12,5 kHz). |
Czułość | mu0,8muV przy współczynniku sygnał/szum > 20 dB. |
Moc nadajnika | 6 W (pokładowe i przytorowe). |
Charakterystyka anteny | lambda4 wielokierunkowa (radio pokładowe) lambda2 wielokierunkowa (radio przytorowe), w tunelach kable stratne (radio przytorowe) zakończenie rezystorem 50 omega. |
Polaryzacja | Pionowa, w tunelach dowolna. |
Tryby pracy | Tryb simpleks. |
Przełączanie kanałów | Ręczne, przez wybranie numeru kanału. |
Zakres częstotliwości audio | 300−3000 Hz dla głosu (będzie zmniejszony poniżej 2700 Hz po wprowadzeniu odstępu 12,5 kHz). |
Tony robocze dla wywołań selektywnych | Pociągi (pojazdy), liczba nieparzysta: f1 = 1160 Hz, pociągi (pojazdy), liczba parzysta: f2 = 1400 Hz, sprzęt przytorowy (stałe posterunki): f3 = 1670 Hz. |
Odchylenie częstotliwości | Powyżej 5 kHz dla głosu. |
Selektywne wywołanie grupy | Jeden ton roboczy dłuższy niż 1 s. |
Funkcja Radio‑Stop |
|
Powrót na górę stronyPowrót na górę strony
System ETCS — European Train Control System
ETCS (ang. European Train Control System — Europejski System Sterowania Pociągiem) to system zapewniający wyświetlanie na pulpicie maszynisty informacji dotyczących prędkości i parametrów statycznych i dynamicznych jazdy oraz kontrolujący pracę maszynisty w zakresie sposobu prowadzenia pojazdu szynowego. ETCS ma sprawić, by maszynista nie przejechał obok sygnalizatora wskazującego sygnał Stój
oraz nie przekroczył dopuszczalnej prędkości na danym szlaku. Jeśli pociąg prowadzony jest niezgodnie z poleceniem ETCS, na początku system sygnalizuje tę niezgodność, a w razie potrzeby rozpoczyna hamowanie. System do transmisji danych wykorzystuje eurobalisy, europętle i cyfrową łączność GSM‑R jako nośnik danych oraz sposób komunikacji głosowej.
W projekcie ETCS wyróżnia się trzy poziomy zaawansowania systemu:
Poziom 1. Zabezpieczenie pociągu ogranicza się do kontroli prędkości pojazdu kolejowego oraz pilnuje, aby maszynista nie przejechał miejsca wyznaczonego zatrzymania. Podczas korzystania z pierwszego poziomu zaawansowania systemu lokomotywa jest wyposażona w bezpieczny komputer EVC (ang. European Vital Computer), komputer sterujący (ang. Maintenance Computer), komputer do komunikacji z maszynistą MMI (ang. Man Machine Interface), drogomierz oraz anteny.
Poziom 2. Informacja o zajętości toru i maksymalnej dopuszczalnej prędkości przekazywana jest do obwodów lokomotywy bez konieczności instalowania semaforów, o ile wszystkie pociągi poruszające się po określonej linii wyposażone są w urządzenia ETCS poziomu drugiego do obsługi cyfrowego kanału radiowego GSM‑R. Łączność GSM‑R wykorzystywana jest do wydawania zezwoleń na jazdę z nastawni do pojazdu szynowego. W poziomie drugim obowiązują tradycyjne metody kontroli zajętości torów w celu przygotowania tych zezwoleń. Balisy przekazują do pojazdu informacje stałe w celu lokalizacji.
Poziom 3. Na tym poziomie za kontrolę zajętości toru odpowiada wyposażenie pojazdu, a nie zwykłe urządzenie torowe. Takie rozwiązanie pozwala na uniezależnienie się od odcinków blokowych i umożliwia rezygnację z obwodów torowych oraz liczników osi. Lokomotywa poziomu trzeciego musi zostać wyposażona w system kontroli ciągłości składu (ang. Train Integrity Unit). W zakresie sterowania wykorzystywana jest łączność GSM‑R do wydawania zezwoleń na jazdę. Do kontroli położenia pociągów wykorzystywane są informacje przekazywane przez stacje bazowe GSM‑R. Ruch można prowadzić zgodnie z ideą ruchomego odstępu blokowego.
Poziom 1. bez uaktualnienia opiera się na transmisji do pojazdu zezwoleń na jazdę wydawaną przez sygnalizatory świetlne. Do sygnalizatora za pośrednictwem interfejsu dołączana jest przełączalna balisa znajdująca się w torze, która przekazuje zezwolenie na jazdę zależnie od wskazania sygnalizatora. Sygnał transmitowany przez balisę jest odbierany przez anteny pojazdu i przetwarzany w kabinie w celu wizualizowania informacji o sposobie jazdy maszynisty i nadzorowania jego pracy.
Powrót na górę stronyPowrót na górę strony
Poziom 1. systemu ETCS bez funkcji uaktualnia informacji

Poziom 1. z aktualizacją przez dodatkowe sygnalizatory różni się od poprzedniej konfiguracji tym, że na drodze dojazdu do semafora instaluje się dodatkowe balisy jako punkty uaktualniania informacji o trybie jazdy. Daje to możliwość zwiększenia wydajności i oszczędności zużycia energii poprzez aktualizację informacji dokładniejszej niż wzrok maszynisty. Wadą tego rozwiązania jest wzrost wyposażenia, w szczególności liczby kabli układanych wzdłuż linii.
Poziom 1. z aktualizacją przez dodatkowo umieszczoną pętlę w szynie pozwala na ciągłą aktualizację informacji o zbliżaniu się do sygnalizatora. Taka konfiguracja powoduje dalsze zwiększenie wydajności linii i zmniejszenie zużycia energii, zapewniając lepszą aktualizację niż percepcja maszynisty na długich dystansach. Daje również szansę na rezygnację z naziemnych urządzeń sygnalizacyjnych.
Powrót na górę stronyPowrót na górę strony
Poziom 1. systemu ETCS z uaktualnianiem przez pętlę

System | Funkcjonalności systemu sterowania |
|---|---|
— Kontrola Hamowania Pojazdów |
|
— Samoczynne Hamowanie Pociągu | Automatyczne hamowanie pociągów, np. gdyby maszynista zasnął, a pociąg zbliżał się do semafora. |
– poziom . |
|
– poziom . |
|
– poziom . |
|
Powrót na górę stronyPowrót na górę strony
Powrót do spisu treściPowrót do spisu treści
Powiązane materiały multimedialne
Animacja
Praca urządzeń bezpieczeństwa ruchu pojazdów trakcyjnych
AnimacjaPraca urządzeń bezpieczeństwa ruchu pojazdów trakcyjnych
Atlas interaktywny
Urządzenia bezpieczeństwa ruchu pojazdów trakcyjnych
Atlas interaktywnyUrządzenia bezpieczeństwa ruchu pojazdów trakcyjnych