Urządzenia związane z ogólną pracą pojazdów
Zabezpieczenia i urządzenia przeciwpoślizgoweZabezpieczenia i urządzenia przeciwpoślizgowe
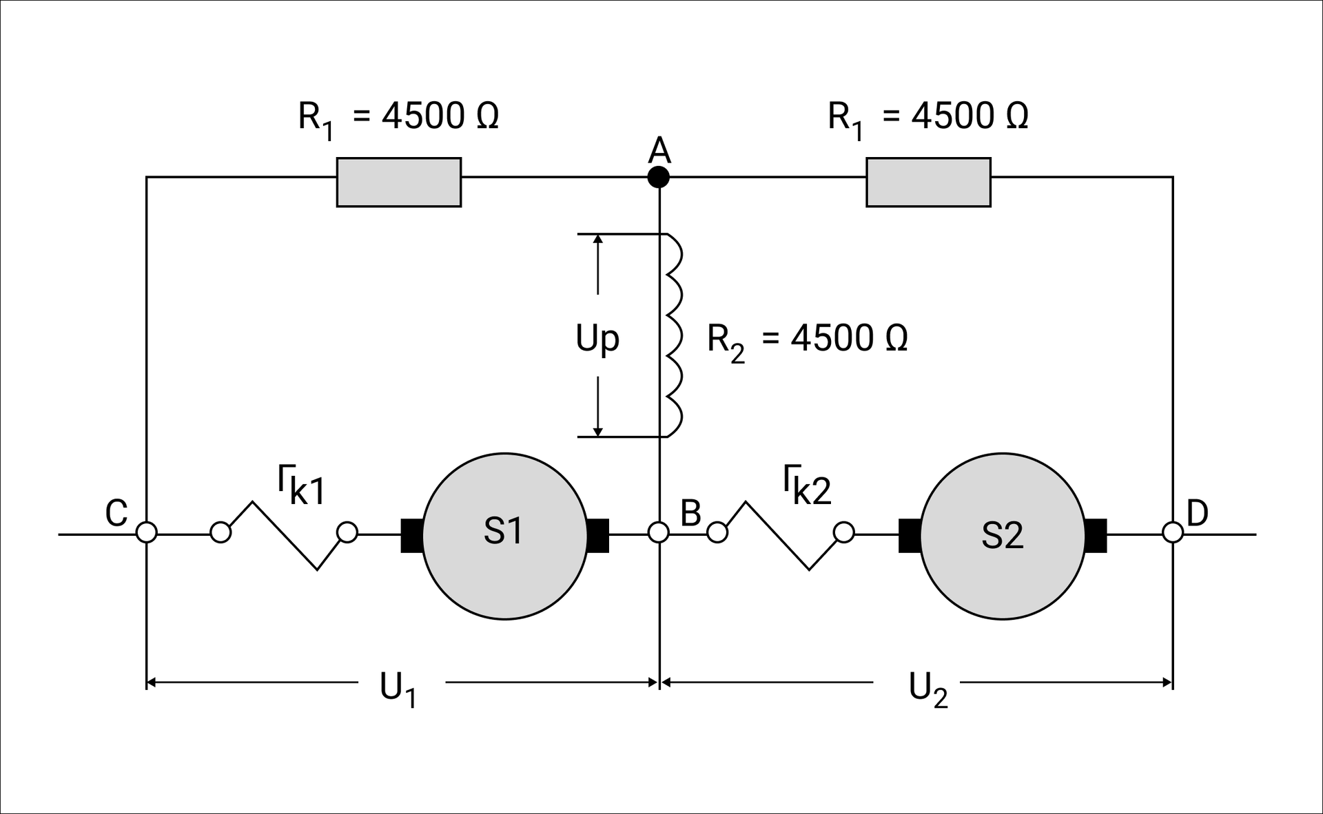
Układ połączeń przekaźnika przeciwpoślizgowego PVP‑20Układ połączeń przekaźnika przeciwpoślizgowego PVP‑20
Schemat połączeń przekaźnika przeciwpoślizgowego w układzie różnicowymSchemat połączeń przekaźnika przeciwpoślizgowego w układzie różnicowym
PiasecznicePiasecznice
Składowe systemuSkładowe systemu
Przykładowa instalacja piasecznicyPrzykładowa instalacja piasecznicy
Zabezpieczenia i urządzenia przeciwpoślizgowe
W nowoczesnych pojazdach elektrycznych stosuje się duże przyśpieszenie, co wymaga prowadzenia ruchu przy użyciu znaczącej siły pociągowej aż do granicy siły przyczepności. Taki stan bardzo często tworzy warunki do przekroczenia tej granicy, tzn. siła pociągowa może stać się większa niż siła przyczepności i koła pojazdu zaczną się ślizgać. Poślizg może powodować wiele awarii, nie tylko w postaci powszechnych, głębokich wytarć szyn, ale także uszkodzenia silników trakcyjnych.
W celu zapobiegania poślizgowi lub jego skutkom stosuje się różne środki zaradcze:
lekkie przyhamowywanie lokomotywy podczas rozruchu za pomocą dodatkowego sterowania hamulcowego,
stosowanie różnych wartości największego prądu rozruchowego przy różnych połączeniach silników trakcyjnych,
uruchamianie piasecznic podczas rozruchu,
ostrożny rozruch.
Ponieważ warunki startowe są dostosowane do przeciętnego stanu toru, przy chwilowym pogorszeniu się warunków przyczepności lub chwilowym obciążeniu na oś napędową istnieje duże prawdopodobieństwo powstania poślizgu kół. Z tego względu uzasadnione i konieczne jest używanie w pojeździe urządzenia, które natychmiast sygnalizuje maszyniście początek poślizgu, a nawet automatycznie go ogranicza.
Najprostszym układem sygnalizującym poślizg, stosowanym również w elektrycznych pojazdach trakcyjnych , jest przekaźnik przeciwpoślizgowy włączony w układ mostkowy.
Powrót na górę stronyPowrót na górę strony
Układ połączeń przekaźnika przeciwpoślizgowego PVP‑20

Podczas normalnej pracy silników trakcyjnych punkty i pokazane na powyższym rysunku są ekwipotencjalne. W przypadku poślizgu na przykład pierwszej osi to prędkość obrotowa silnika tej osi będzie większa niż prędkość obrotowa drugiego silnika. Wtedy napięcie i siła elektromotoryczna pierwszego silnika wzrosną ze względu na wzrost jego obrotów. W ten sposób różnica potencjałów między dwoma punktami i będzie mniejsza niż różnica potencjałów między dwoma punktami i , a więc potencjał punktu zmniejszy się w porównaniu z punktem . Jednak potencjał punktu prawie się nie zmieni — różnica na potencjałach punktu i punktu spowoduje przepływ prądu w cewce przekaźnika przeciwpoślizgowego. Przy odpowiednio dużej różnicy potencjałów przekaźnik zostanie uruchomiony, a jego styki załączą lampkę lub brzęczyk, sygnalizując maszyniście wystąpienie poślizgu. Może również przełączyć się na niższy prąd rozruchowy cewki przekaźnika samoczynnego rozruchu lub wyzwolić zawór piasecznicy.
W innych lokomotywach czasami występuje przekaźnik różnicowy, który sygnalizuje poślizg. W tym układzie przekaźnik różnicowy sygnalizujący poślizg składa się z dwóch równoległych uzwojeń przeciwsobnych. Jeśli silnik pracuje prawidłowo, w dwóch uzwojeniach płynie ten sam prąd. Generowane przez cewki strumienie magnetyczne kompensują się, a zwora przekaźnika pozostaje w spoczynku. Jeśli jeden wał się ślizga, równowaga zostaje zakłócona, a przekaźnik przyciąga zworę, co powoduje załączenie obwodu lampki sygnalizującej poślizg.
Powrót na górę stronyPowrót na górę strony
Schemat połączeń przekaźnika przeciwpoślizgowego w układzie różnicowym

Powrót na górę stronyPowrót na górę strony
Piasecznice
Piasecznice to zespół urządzeń systemu przeciwpoślizgowego pojazdu trakcyjnego. Wykorzystywane są do przywrócenia przyczepności kół zestawów napędowych poprzez posypywanie szyn piaskiem. Takie działanie zwiększa tarcie między szyną a kołem i umożliwia eliminację zjawiska poślizgu.
Powrót na górę stronyPowrót na górę strony
Składowe systemu
W skład systemu wchodzą:
zbiorniki na piasek (w nadwoziu lub ramie wózka), z których wychodzą węże lub rury zakończone dyszami,
dysze zamontowane bezpośrednio przed powierzchniami tocznymi kół,
aparaty pneumatyczne.
Powrót na górę stronyPowrót na górę strony
Przykładowa instalacja piasecznicy


W momencie wykrycia przez system poślizgu lub ręcznego załączenia systemu przez maszynistę ze zbiorników jest wydmuchiwany piasek (za pomocą sprężonego powietrza z układu pneumatycznego pojazdu) wprost pod koła zestawów napędowych.
Bardzo ważne jest, aby wydmuchiwany piasek był suchy. Wilgotny piasek może zatkać dyszę piasecznicy, co w konsekwencji spowoduje awarię systemu. Zapewnienie odpowiednich warunków przechowywania piasku jest możliwe dzięki podgrzewaniu dysz wysypowych i stosowaniu układów przedmuchiwania piasku w zbiorniku, które na bieżąco go osuszają.
Powrót na górę stronyPowrót na górę strony
Powrót do spisu treściPowrót do spisu treści
Powiązane materiały multimedialne
Animacja
Praca urządzeń bezpieczeństwa ruchu pojazdów trakcyjnych
AnimacjaPraca urządzeń bezpieczeństwa ruchu pojazdów trakcyjnych
Atlas interaktywny
Urządzenia bezpieczeństwa ruchu pojazdów trakcyjnych
Atlas interaktywnyUrządzenia bezpieczeństwa ruchu pojazdów trakcyjnych