Działanie zabezpieczeń drzwi urządzeń dźwigowych
ELE.09. Obsługa i konserwacja urządzeń dźwigowych – Technik urządzeń dźwigowych 311940
Zabezpieczenia drzwi urządzeń dźwigowych
WIZUALIZACJA 3D

Zasób interaktywny dostępny pod adresem https://zpe.gov.pl/a/DKsV8WQh0
Zabezpieczenia drzwi urządzeń dźwigowych - wizualizacje 3D
Zamek bezpieczeństwa drzwi wychylnych ka trzy sześć zero jeden
Model: Widoczna jest zamknięta kabina dźwigu osobowego, sześciennego kształtu. Po prawej stronie widoczny jest okrągły, gałkowatego kształtu uchwyt do otwarcia drzwi. Styka się on z zamkiem bezpieczeństwa prostokątnego kształtu z dwoma śrubami po prawej stronie. Znajduje się on we wgłębieniu ściany obok drzwi na wysokości uchwytu. Poniżej prostokątnego zamka znajduje się połączenie elementów płaskich płozy z wystającym wałkiem rygla ze środka ściany. Jest on walcowatego kształtu.
Na modelu znajduje się znacznik. Pod znacznikiem znajduje się nagranie o treści tożsamej z poniższą.
Zamek bezpieczeństwa drzwi wychylnych ka trzy sześć zero jeden jest oznaczony znacznikiem i opisany jako: Zamek bezpieczeństwa drzwi wychylnych półautomatycznych zamontowany w bocznej ościeżnicy drzwi, wyposażony w sworzeń ryglujący wprowadzany do gniazda umieszczonego w skrzydle drzwi dźwigu.
Zasada działania zamka bezpieczeństwa drzwi wychylnych ka trzy sześć zero jeden - drzwi zamknięte
Model: Widoczny jest płaski, prostokątny element z dwoma śrubami z prawej strony, oznaczony znacznikiem trzecim. Poniżej prostokątnego zamka znajduje się połączenie płaskich elementów płozy z wystającym wałkiem rygla walcowatego kształtu oznaczonego znacznikiem drugim. Z przodu widoczna jest zagięta rurka - krzywka ruchoma.
Na modelu, na cienkiej zakrzywionej rurce, znajduje się znacznik numer jeden. Pod znacznikiem znajduje się nagranie o treści tożsamej z poniższą.
Krzywka ruchoma.
Krzywka ruchoma jest elementem oddziałującym na rolkę zamka bezpieczeństwa. Gdy winda znajduje się poza przystankiem, krzywka ruchoma jest złożona i nie wywiera nacisku na wałek rygla.
Wałek rygla.
Na elemencie o kształcie walca umiejscowionym u dołu modelu znajduje się znacznik numer dwa.
Pod znacznikiem znajduje się nagranie o treści tożsamej z poniższą.
Wałek rygla jest elementem reagującym na zmianę położenia krzywki. Gdy krzywka jest złożona, wałek nie ma z nią kontaktu i nie dochodzi do odblokowania rygla.
Rygiel.
Znacznik znajduje się na prostokątnym, poziomo zorientowanym elemencie, umieszczonym na połowie długości korpusu przyrządu.
Pod znacznikiem znajduje się nagranie o treści tożsamej z poniższą.
Rygiel jest elementem połączonym z wałkiem bezpośrednio (osadzonym, jak pokazano na modelu, na korpusie rygla) lub pośrednio za pomocą układu dźwigniowego. Gdy w trakcie jazdy kabiny cewka sterująca położeniem krzywki jest zasilana, jej płoza pozostaje złożona, a rygiel – zamknięty. Przyjmuje się, że do prawidłowego zamknięcia rygiel powinien wejść w gniazdo na głębokość minimum 10 milimetrów.
Zasada działania zamka bezpieczeństwa drzwi wychylnych ka trzy sześć zero jeden - drzwi otwarte
Model: Widoczny jest płaski, prostokątny element z dwoma śrubami z prawej strony. Poniżej prostokątnego zamka znajduje się połączenie płaskich elementów płozy z wystającym wałkiem rygla walcowatego kształtu. Z tyłu widoczna jest zagięta rurka i jest to krzywka ruchoma.
Zasada działania zamka
Pierwszy znacznik umieszczony jest na górze modelu.
Pod znacznikiem kryje się nagranie o treści tożsamej z poniższą.
W trakcie jazdy kabiny płoza utrzymywana jest w stanie złożonym – otwarcie drzwi nie jest możliwe. Gdy kabina zatrzymuje się na przystanku, płoza jest rozłożona. Zmianę pozycji płozy wywołuje zdjęcie napięcia z cewki sterującej położeniem płozy. Rozłożona płoza naciska na rolkę rygla, powodując odryglowanie drzwi. Drugi przypadek, w którym krzywka ruchoma jest rozłożona, to brak zasilania.
Krzywka ruchoma.
Znacznik drugi zlokalizowany jest na rurce.
Pod znacznikiem z cyfrą dwa znajduje się nagranie o treści tożsamej z poniższą.
Gdy winda znajduje się na przystanku, zdjęte zostaje napięcie na cewce sterującej położeniem płozy krzywki. Płoza krzywki jest rozłożona i wywiera nacisk na wałek rygla, powodując przesunięcie dźwigni i zmianę położenia rygla. Taki sam mechanizm zadziała w przypadku awarii zasilania.
Wałek rygla.
Na dole modelu, na elemencie o kształcie walca, znajduje się znacznik z cyfrą trzy.
Pod znacznikiem znajduje się nagranie o treści tożsamej z poniższą.
Nacisk płozy krzywki na wałek rygla powoduje wysunięcie się sworznia z gniazda rygla.
Rygiel.
Czwarty znacznik znajduje się na prostokątnym, poziomo zorientowanym elemencie, umieszczonym na połowie długości korpusu przyrządu.
Pod znacznikiem z cyfrą cztery znajduje się nagranie o treści tożsamej z poniższą.
Rygiel zbudowany jest w taki sposób, że nacisk krzywki na wałek powoduje jego przesunięcie i usunięcie z gniazda rygla, co w efekcie umożliwia otwarcie drzwi.
Dźwięk działania zamka
Ostatni znacznik umieszczony jest na środku modelu.
Pod znacznikiem kryje się pasek odtwarzania z nagraniem przedstawiającym dźwięk działania zamka. Dźwięk przywodzi na myśl przesuwanie metalowej zasuwy.
Zamek do drzwi wychylnych de el ef jeden
Model: Widoczny jest prostokątny, płaski element, z górną obudową przezroczystą, pod którą widoczny jest czerwony, prostokątny włącznik mechanizmu bezpieczeństwa z przedłużeniem na objęcie walcowatego rygla, którego część jest w środku, a część na zewnątrz. Rygiel również jest trzymany przez szary, płaski element, który styka się z okrągłym walcowatym elementem oznaczonym jako gniazdo zamka bezpieczeństwa i styka się z układem dźwigowym. Gniazdo bezpieczeństwa ma wgłębienie w kształcie trójkąta. W dalszej części widoczny jest przełącznik pomocniczy i jest to mniejszy prostokąt z czterema śrubami, od którego odchodzą cztery cienkie kable, które wchodzą w białą ściankę z wypustkami i wgłębieniami. Poniżej tego znajduje się dziura a w niej duży walec i jest to miejsce na przewód zasilający. Na modelu znajdują się znaczniki.
Zamek do drzwi wychylnych de el ef jeden.
Znacznik numer jeden umieszczony jest na korpusie urządzenia.
Pod znacznikiem numer jeden znajduje się nagranie o treści tożsamej z poniższą.
Zamek bezpieczeństwa do drzwi wyposażony jest w układ kontroli poprawności zaryglowania. Służą do tego kontakty elektryczne – iglica zamyka obwód bezpieczeństwa, gdy sworzeń jest w gnieździe. Rozwiązanie takie zapobiega ruchowi kabiny z otwartymi drzwiami przystankowymi.
Układ dźwigniowy.
Znacznik drugi umieszczony jest na dźwigni połączonej z gniazdem bezpieczeństwa (walcowatym elementem w środku urządzenia).
Pod znacznikiem kryje się pasek z nagraniem o treści tożsamej z treścią: Układ dźwigniowy oddziałuje na rygiel mechanicznie i pozwala na zmianę jego pozycji, np. wysunięcie z gniazda zamka. Otwarcie drzwi jest wówczas możliwe. Układ dźwigniowy współpracuje z płozą krzywki ruchomej.
Gniazdo zamka bezpieczeństwa. Znacznik trzeci znajduje się na walcowatym elemencie zlokalizowanym w środku urządzenia. Pod znacznikiem kryje się pasek z nagraniem o treści tożsamej z treścią: W razie konieczności awaryjnego otwarcia drzwi należy posłużyć się gniazdem zamka bezpieczeństwa. Otwarcie zamka umożliwia specjalny klucz dopasowany kształtem do gniazda. Klucz należy umieścić w gnieździe bezpieczeństwa i wykonać obrót w kierunku przeciwnym do wskazówek zegara. Czynność ta pozwoli na wysunięcie rygla z zamka dzięki mechanicznemu zwolnieniu układu dźwigniowego.
Rygiel
Znacznik czwarty umieszczony został na drobnym elemencie o kształcie walca, wystającym z połowy wysokości korpusu urządzenia.
Pod znacznikiem kryje się pasek z nagraniem o treści tożsamej z treścią:
Znajdujący się w zamku sworzeń ryglujący wyposażony jest w ruchomy popychacz. Współpracuje on z iglicą gniazda zamka. Gdy sworzeń znajduje się w gnieździe, iglica i popychacz umożliwiają zamknięcie obwodu bezpieczeństwa. Kabina może ruszyć bez ryzyka otwarcia się drzwi.
Włącznik mechanizmu bezpieczeństwa.
Znacznik piąty umieszczony na czerwonym elemencie przylegającym do szarego, płaskiego elementu. Połączony jest z elementem prostokątnym z czterema śrubami, ulokowanym na ryglu. Pod znacznikiem kryje się pasek z nagraniem o treści tożsamej z treścią:
Włącznik mechanizmu bezpieczeństwa to element zamka, który pod wpływem podanego napięcia blokuje układ dźwigniowy, uniemożliwiając podniesienie sworznia rygla, gdy kabina porusza się. Włącznik gwarantuje wówczas, że iglica i popychacz będą zamykać obwód bezpieczeństwa.
Wejście na przewód zasilający.
Znacznik szósty znajduje się na białym elemencie o kształcie walca przymocowanym jedną z podstaw do ściany korpusu urządzenia. Pod znacznikiem kryje się pasek z nagraniem o treści tożsamej z treścią: Wejście na przewód zasilający umożliwia wprowadzenie do zamka przewodu wielożyłowego i podłączenie go przy pomocy śrub.
Gniazdo rygla zamka ka trzy sześć zero jeden.
Model: Prostopadłościan bez jednej z większych ścian. Pozostałe ściany grube. Przez brak jednej z nich widoczne jest, że element jest pusty w środku. Na modelu znajduje się znacznik.
Gniazdo rygla
Pod znacznikiem kryje się pasek z nagraniem o treści tożsamej z treścią:
Gniazdo rygla umieszczone jest w skrzydle drzwi dźwigu. Jeśli sworzeń zostanie w nim umieszczony na głębokość 10 mm, obwód bezpieczeństwa zamknie się.
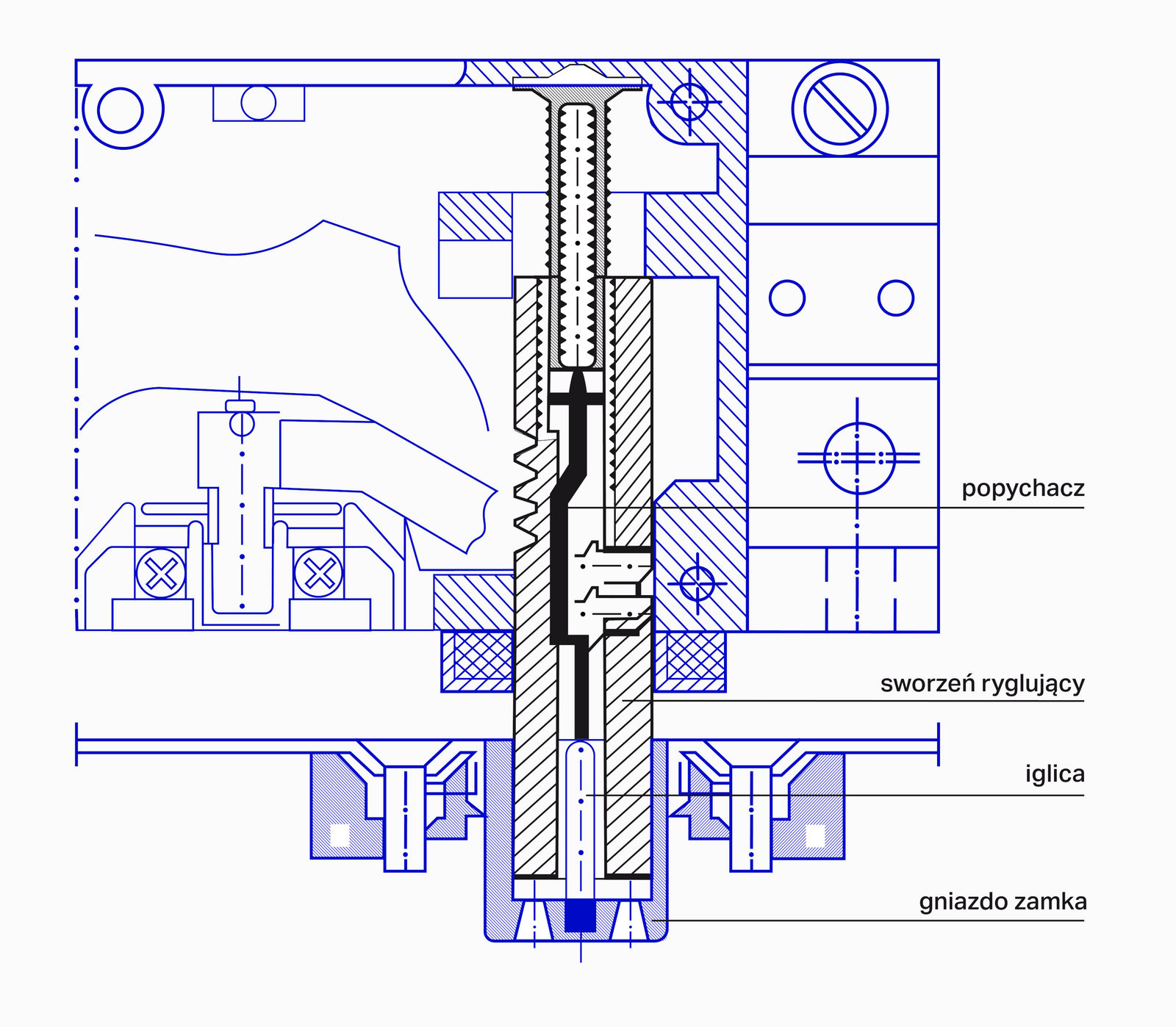
Gniazdo rygla de el ef jeden.
Model: Widoczny jest prostokątny element podłużnego kształtu. Pośrodku korpusu widoczne jest okrągłe wgłębienie z wystającym, umiejscowionym centralnie bolcem. Po obydwóch stronach od wgłębienia znajdują się na korpusie płaskie okręgi. W środku mają małe sześciokątne wgłębienie. Na dwóch końcach korpusu znajdują się otwory w kształcie okręgów. Z drugiej strony elementu widoczny jest wystający walec (widok na część z bolcem w środku od drugiej strony). Zaczyna się od największej do najmniejszej.
Na modelu znajduje się znacznik.
Pod znacznikiem kryje się pasek z nagraniem o treści tożsamej z tekstem:
Gniazdo rygla DLF1 ma kształt dopasowany do sworznia rygla. Wewnątrz gniazda znajduje się iglica, która jest elementem współpracującym z ruchomym popychaczem umieszczonym wewnątrz sworznia ryglującego. Podczas ryglowania iglica i popychacz zamykają obwód bezpieczeństwa. Poniżej znajduje się grafika. Opis grafiki: Ilustracja przedstawia zamek w przekroju. W środku urządzenie znajduje sie podłużny otwór przechodzący przez jego całą długość w pionie. Na dole znajduje się gniazdo zamka, wyżej na tej samej linii sworzeń regulujący. Nad nim widoczny jest popychacz oznaczony pionową strzałką w górę. Na samej górze znajduje się podłużna iglica o karbowanych ściankach bocznych.
Zasada działania zamka bezpieczeństwa drzwi automatycznych - drzwi otwarte
Model: Widoczne są dwie równolegle ułożone względem siebie, w małym odstępie płozy. Są małej szerokości. Przecina je prostopadle stalowy element, kształtem przypominający wąską deskę z przymocowanymi dwiema śrubami. Dźwignia zamka znajduje się pod przylegającą do krzywej ruchomej deską. Ma hakowaty kształt. Jest skierowany w dół. Na mechaniźmie regulującym (przytwierdzonym prostopadle do korpusu elemencie) znajdują się dwie części, o kształcie spłaszczonego walca, z lewej strony i jedna z prawej – są to rolki dźwigni. Przylegający do końca korpusu podłużny element z dwoma śrubami u góry to zestyk kontaktu.
Płozy krzywki ruchomej
Znacznik pierwszy znajduje się na dwóch płozach. Pod znacznikiem znajduje się nagranie o treści tożsamej z poniższą.
Krzywka zainstalowana jest na napędzie drzwi kabinowych i otwiera się, kiedy kabina znajduje się na przystanku. Uruchamia to rolkę dźwigni zamka drzwi, powodując jej obrót. Drzwi zostają odryglowane. Mechanizm ten działa w opisany sposób jedynie w strefie odryglowania, to jest około dwie dziesiąte metra od poziomu przystanku do poziomu kabiny.
Mechanizm ryglujący.
Znacznik drugi znajduje się na przytwierdzonym prostopadle do korpusu elemencie, do którego po obydwóch stronach przymocowane są wałki.
Pod znacznikiem znajduje się nagranie o treści tożsamej z poniższą.
Gdy kabina znajduje się na przystanku, płozy krzywki naciskają na rolki dźwigni wchodzącej w skład mechanizmu ryglującego. Dźwignia zostaje przesunięta, a hak opuszcza zaczep znajdujący się w belce górnej drzwi kabinowych. Następuje otwarcie drzwi.
Zestyki kontaktu.
Znacznik trzeci znajduje się na małych, wystających elementach umiejscowionych na korpusie na górnej ścianie, od drugiej strony nad dźwignią.
Pod znacznikiem znajduje się nagranie o treści tożsamej z poniższą.
Zestyki kontaktu elektrycznego znajdują się na haku. Gdy podczas postoju kabiny na przystanku hak opuszcza zaczep znajdujący się w górnej belce drzwi kabinowych, zestyki umożliwiają otwarcie obwodu. Wyklucza to ruch kabiny w przypadku, gdy drzwi są otwarte.
Rolki dźwigni zamka.
Ostatni znacznik umiejscowiony został na elementach o kształcie walca, ulokowanych na części przytwierdzonej prostopadle do korpusu.
Pod znacznikiem znajduje się nagranie o treści tożsamej z poniższą.
Gdy kabina znajduje się w strefie przystanku, płozy krzywki oddziałują na rolki zamka. Mechanizm ryglujący zmienia swoje położenie, a drzwi zostają otwarte.
Zasada działania zamka bezpieczeństwa drzwi automatycznych - drzwi zamknięte
Model: Widoczne są dwie płozy o małej szerokości, równolegle stykające ze sobą. Tworzą one krzywą ruchomą. Przymocowane są do korpusu w połowie jego długości. Przylegający do końca korpusu podłużny element przymocowany od góry dwiema śrubami u góry to dźwignia. Jest zakończona hakiem i przytwierdzona jest do dolnej ściany korpusu. Jest zestyk kontaktu oznaczony podstawą innego elementu, który się tam znalazł pod wpływem zamknięcia drzwi. Na mechaniźmie regulującym (przytwierdzonym prostopadle do korpusu elemencie) znajdują się dwie części, o kształcie spłaszczonego walca, z lewej strony i jedna z prawej są to rolki dźwigni.
Zamek bezpieczeństwa w drzwiach automatycznych
Pod znacznikiem kryje się pasek odtwarzania o treści tożsamej z poniższą.
Zamek bezpieczeństwa w drzwiach automatycznych dopasowany do konstrukcji danego producenta. Zamek automatycznych drzwi przystankowych montowany jest zwykle na wózku panelu szybkiego. Jego budowa i zastosowane rozwiązania różnią się w zależności od producenta, niemniej pewne elementy są stałe, m.in. ruchoma dźwignia zakończona hakiem, zaczep nieruchomy i otwór na hak w górnej belce drzwi. Znajdująca się na haku para zestyków kontaktu elektrycznego rozłącza obwód, uniemożliwiając ruch windy. Rygiel współpracuje z krzywką zainstalowaną na napędzie drzwi kabinowych.
Dźwignia zamka
Znacznik drugi umieszony jest na elemencie zakończonym hakiem.
Pod znacznikiem kryje się pasek odtwarzania o treści tożsamej z poniższą.
Ruchoma dźwignia zamka zakończona hakiem (zaczepem) współpracuje z krzywką. W trakcie jazdy kabiny płozy krzywki są złożone i przemieszczają się między rolkami zamka. Drzwi pozostają zaryglowane.
Hak
Znacznik trzeci znajduje się na haku, którym zakończona jest dźwignia.
Pod znacznikiem kryje się pasek odtwarzania o treści tożsamej z poniższą.
Hak znajdujący się na końcu dźwigni wyposażony jest w parę zestyków kontaktu elektrycznego. Dzięki temu funkcja zamknięcia realizowana jest nie tylko mechanicznie (poprzez umieszczenie haka w zaczepie nieruchomym), ale również elektromechanicznie (przez zamknięcie obwodu).
Rolki dźwigni zamka
Kolejny znacznik umieszczony jest na rolkach dżwigni.
Pod znacznikiem kryje się pasek odtwarzania o treści tożsamej z poniższą.
Gdy kabina znajduje się poza strefą zaryglowania, płozy krzywki nie oddziałują na rolki zamka. Drzwi pozostają zamknięte.
Dźwięk ryglowania
Pod ostatnim znacznikiem znajduje się pasek odtwarzania z nagraniem zamykania zasuwy.