Rodzaje i zastosowanie instalacji elektrycznych i elektroenergetycznych i ich zabezpieczeń
ELE.06. Montaż, uruchamianie oraz eksploatacja instalacji i jednostek przesyłowych w systemach energetycznych – Technik energetyk 311307
Energetyczne złącza kablowe
GALERIA ZDJĘĆ
Spis treści
Rodzaje przyłączy napowietrznych i kablowychRodzaje przyłączy napowietrznych i kablowych
Elektroenergetyczne złącza kabloweElektroenergetyczne złącza kablowe
Uproszczony schemat zasilania budynku jednorodzinnegoUproszczony schemat zasilania budynku jednorodzinnego
1. Rodzaje przyłączy napowietrznych i kablowych
1. Przyłącze typu Pe en 1
Ilustracja przedstawia dom. Obok domu stoi słup elektryczny. Na słupie oznaczona jest osłona rury, do wysokości uszczelnienia zlokalizowanego na wysokości dwustu pięćdziesięciu centymetrów. Na rurze zamontowany jest licznik, obok widoczne jest oznaczenie, że górna krawędź licznika powinna być na wysokości stu dwudziestu do stu osiemdziesięciu centymetrów. Od uszczelnienia do góry ciągnie się przewód a es iks es en cztery razy minimum szesnaście. Na górze słupa znajduje się ukośny element. Na jego górnej części znajduje się napis: zaciski prądowe, na dolnej: istniejąca linia napowietrzna en en przewody gołe lub izolowane. Od słupa pod ziemią ciągnie się przerywana linia podpisana wu el zet. Linia kończy bieg na ścianie budynku, tam znajduje się napis: do rozdzielnicy odbiorcy.
Obok na białej planszy znajduje się schemat drogi przewodu. Na górze poziomo na wysokości słupa znajduje się przerywana linia oznaczająca linię napowietrzną. Od słupa do dołu ciągnie się pionowa czerwona linia, na niej napis a es iks es en cztery razy minimum szesnaście w rurze ochronnej, na końcu czerwonej linii znajduje się prostokąt z napisem: zestaw złączy pomiarowych. Od prostokąta biegnie w dół przerywana strzałka z opisem wu el zet.
Opis pod grafiką: Przyłącza napowietrzne i kablowe eneN powinny być budowane z wykorzystaniem:
- zestawów złączowo‑pomiarowych eneN,
- linii napowietrznych eneN,
- linii kablowych eneN.
Przyłącze typu Pe eN jeden. By zrealizować przyłącze PN1, instaluje się zestaw złączowo‑pomiarowy na słupie linii napowietrznej, na jego pionowej lub pochyłej żerdzi. Należy go zabudować tak, by liczydło licznika znajdowało się jeden przecinek dwa do jeden przecinek osiem metra od poziomu gruntu. Na jednym słupie można umieścić maksymalnie dwa zestawy złączowo‑pomiarowe. Zestaw jest zasilany za pomocą przewodu A es iks eS en o przekroju co najmniej szesnaście metrów kwadratowych, bezpośrednio z linii napowietrznej. W wykonaniu linii kablowej Wu eL Zet przyłącza się bezpośrednio do zacisków prądowych aparatu zalicznikowego zestawu. Linię zasilającą zestaw, znajdującą się na wysokości co najmniej dwa i pół metra, licząc od poziomu gruntu, należy osłonić odporną na promienie U fał rurą z tworzywa sztucznego. Średnicę rury dostosowuje się do przekroju przewodu zasilającego z uwzględnieniem jego swobodnej wymiany. Rurę ochronną należy zabezpieczyć przed wnikaniem wody do jej wnętrza (trzeba wprowadzić przewody Aes iks eS en do rury ochronnej za pośrednictwem termokurczliwych palczatek). Miejsce dostarczania energii oraz granicę własności i eksploatacji urządzeń wyznaczają zaciski prądowe wyjściowe (skierowane ku odbiorcy) aparatu zalicznikowego.
Poniżej znajduje się pasek odtwarzania z nagraniem o treści tożsamej.
2. Przyłącze typu pe en 2
Ilustracja przedstawia dom. Obok domu stoi słup elektryczny. Na górze przez słup przechodzi ukośna linia. Na jej części położonej wyżej znajduje się napis: istniejąca linia napowietrzna enen przewody gołe lub izolowane. Na części ukośnej linii położonej niżej znajduje się napis: zaciski prądowe. Od dolnej części biegnie czerwona linia, przechodząc przez zawiesie odciągowe zlokalizowane na słupie. Czerwona linia, czyli przyłącze przewód aesiksesen cztery razy minimum szesnaście dociera do zawiesia odciągowego umieszczonego na górnej części ściany budynku. Linia zmienia kolor na czarny i biegnie po ścianie budynku w dół. Obok od góry napisy: zaciski prądowe wuelzet, osłona rury. Linia dociera do licznika położonego na wysokości stu dwudziestu plus stu osiemdziesięciu, obok znacznika napis zestaw złączy pomiarowych na przykład Zet ka jeden e myślnik jeden pe myślnik es lub zet ka jeden e myślnik jeden pe wu myślnik es.
Obok słupa znajduje się białe pole ze schematem drogi przewodu. Na górze poziomo słupa ciągnie się przerywana linia oznaczająca linię napowietrzną. Od słupa do dołu ciągnie się pionowa czerwona linia, na niej napis a es iks es en cztery razy minimum szesnaście maksymalnie trzydzieści pięć metrów, od końca czerwonej linii biegnie przerywana linia z opisem wu el zet. Na jej końcu znajduje się prostokąt z napisem: zestaw złączy pomiarowych.
Opis pod grafiką: Przyłącze typu ePeN dwa Przyłącze typu Pe eN dwa Realizację przyłącza pe en dwa dopuszcza się wtedy, gdy nie można wykonać go jako PN1 oraz gdy długość przyłącza nie przekracza trzydzieści pięć metrów. Zasilanie odbiorcy odbywa się bezpośrednio z linii napowietrznej przewodem A es iks eS en o przekroju co najmniej szesnaście milimetrów kwadratowych. Przewód ten mocuje się do haka wieszakowego (śruba hakowa lub hak płytowy) zabudowanego na ścianie budynku i łączy w tym miejscu z przewodem WLZ za pomocą zacisków prądowych osłoniętych obudową izolacyjną. W zależności od zastosowanego typu kabla lub przewodu Wu eL Zet (Ael/Ceu) należy stosować zaciski prądowe w wykonaniu Ael‑Ael lub Ael‑Ceu. Gdyby nastąpiły trudności z zachowaniem wymaganych odległości przewodów przyłącza od elementów budynku bądź innych obiektów, dopuszcza się zastosowanie wysięgnika rurowego. Zestaw złączowo‑pomiarowy należy wykonać tak samo jak dla przyłącza PN1 oraz zabudować go na ścianie budynku, najlepiej od strony głównego ciągu komunikacyjnego. Przewód Wu eL Zet, umieszczony na ścianie budynku, należy osłonić rurą odporną na promienie U fał. Jej średnicę należy dostosować do przekroju przewodu, uwzględniając konieczność jego swobodnej wymiany. Miejsce dostarczania energii oraz granicę własności i eksploatacji urządzeń stanowią zaciski prądowe przewodu przy haku, wysięgniku, konstrukcji wsporczej na wyjściu skierowane ku instalacji odbiorcy.
Poniżej znajduje się pasek odtwarzania z nagraniem o treści tożsamej.
3. Przyłącze typu Pe eN trzy
Ilustracja przedstawia dom. Obok domu stoją słupy elektryczne. Na górze przez słup, położony dalej od domu, przechodzi ukośna linia. Na jej części położonej wyżej znajduje się napis: istniejąca linia napowietrzna enen przewody gołe lub izolowane. Na części ukośnej linii położonej niżej znajduje się napis: zaciski prądowe. Od dolnej części biegnie czerwona linia, przechodząc przez zawiesie odciągowe zlokalizowane na słupie. Linia biegnie do drugiego słupa, nad linią znajduje się napis: przęsło nad drogą. Czerwona linia opisana jest a es iks es en cztery razy minimum dwadzieścia pięć. Linia przechodzi przez zawiesie odciągowe, zlokalizowane na słupie znajdującym się bliżej domu. Czerwona linia biegnie od góry przez słup do uszczelnienia, umieszczonego na wysokości minimum dwustu pięćdziesięciu centymetrów. Od poniższej uszczelki opisana jest osłona rury. Na wysokości stu dwudziestu plus stu osiemdziesięciu centymetrów znajduje się licznik, obok napis: zestaw złączowo‑pomiarowy na przykład zet ka jeden e myślnik jeden pe myślnik es. Od dołu, od słupa ciągnie się pod ziemią przerywana linia opisana wu el zet. Następnie biegnie do góry po ścianie budynku, obok napis: do rozdzielnicy odbiorcy.
Obok na białej planszy znajduje się schemat drogi kabla. Na górze poziomo na wysokości słupa ciągnie się przerywana linia oznaczająca linię napowietrzną. Od słupa do dołu ciągnie się pionowa czerwona linia, na niej napis przęsło nad drogą. czerwona linia a es iks es en cztery razy minimum dwadzieścia pięć przechodzi przez biały punkt opisany jako nowy słup. Czerwona linia biegnie dalej w dół, obok niej napis: w rurze ochronnej. Linia prowadzi do prostokąta z treścią: zestaw złączowo‑pomiarowy. Od prostokąta biegnie w dół linia opisana wu el zet.
Opis pod grafiką: Przyłącze typu Pe eN trzy Przyłącze typu Pe eN trzy Realizacja przyłącza Pe eN trzy wymaga: a) ustawienia dodatkowego słupa po przeciwnej stronie drogi, w granicy posesji przyłączanego podmiotu, be) zainstalowania na nowym słupie zestawu złączowo‑pomiarowego. Zestaw należy zabudować tak, by liczydło licznika znajdowało się na wysokości jeden przecinek dwa do jeden przecinek osiem metra od poziomu gruntu. Na jednym słupie można umieścić maksymalnie dwa zestawy złączowo‑pomiarowe, ce) wykonania za pomocą przewodu A es iks eS en o przekroju co najmniej dwadzieścia pięć milimetrów kwadratowych przęsła nad drogą – idącego od istniejącego słupa napowietrznej linii eneN do nowo postawionego i dalej do zestawu. Linię zasilającą zestaw znajdującą się na wysokości co najmniej dwa i pół metra, licząc od poziomu gruntu, należy osłonić rurą z tworzywa sztucznego odporną na promienie U fał. Jej średnicę dostosowuje się do przekroju przewodu zasilającego z uwzględnieniem jego swobodnej wymiany. Rurę ochronną należy zabezpieczyć przed wnikaniem wody do jej wnętrza (trzeba wprowadzić przewody A es iks eS en do rury ochronnej za pośrednictwem termokurczliwych palczatek). W wykonaniu linii kablowej Wu eL Zet przyłącza się bezpośrednio do zacisków prądowych aparatu zalicznikowego zestawu.
Poniżej znajduje się pasek odtwarzania z nagraniem o treści tożsamej.
4. Przyłącze typu Pe eN cztery
Ilustracja przedstawia dom. Obok domu stoi słup elektryczny. Na górze przez słup przechodzi ukośna linia. Na jej części położonej wyżej znajduje się napis: istniejąca linia napowietrzna enen przewody gołe lub izolowane. Na części ukośnej linii położonej niżej znajduje się napis: zaciski prądowe. Od dolnej części biegnie czerwona linia, przechodząc przez zawiesie odciągowe zlokalizowane na słupie. Czerwona linia, czyli przyłącze przewód aesiksesen cztery razy minimum szesnaście dociera do zawiesia odciągowego umieszczonego na górnej części ściany budynku. Linia zmienia kolor na czarny i biegnie po ścianie budynku w dół. Obok od góry napisy: zaciski prądowe wuelzet, osłona rury. Linia dociera do licznika położonego na wysokości stu dwudziestu plus stu osiemdziesięciu, obok znacznika napis zestaw złączowo‑pomiarowy na przykład Zet ka jeden e myślnik jeden pe myślnik es lub zet ka jeden e myślnik jeden pe eu myślnik es.
Obok słupa znajduje się białe pole ze schematem drogi przewodu. Na górze poziomo od wysokości słupa znajduje się przerywana linia oznaczająca linię napowietrzną. Od słupa do dołu ciągnie się pionowa czerwona linia na niej napis a es iks es en cztery razy minimum szesnaście maksymalnie trzydzieści pięć metrów, od końca czerwonej linii biegnie przerywana linia z opisem wu el zet. Na jej końcu znajduje się prostokąt z napisem: zestaw złączy pomiarowych.
Opis pod grafiką:
Przyłącze typu Pe eN cztery
Realizację przyłącza Pe eN cztery dopuszcza się wtedy, gdy jego długość nie przekracza trzydzieści pięć m. Zasilanie odbiorcy odbywa się bezpośrednio z linii napowietrznej przewodem A es iks eS en o przekroju co najmniej dwadzieścia pięć milimetrów kwadratowych. Przewód ten mocuje się do haka wieszakowego (śruba hakowa lub hak płytowy) zabudowanego na ścianie budynku i łączy w tym miejscu z przewodem Wu eL Zet za pomocą zacisków prądowych osłoniętych obudową izolacyjną. W zależności od zastosowanego typu kabla lub przewodu Wu eL Zet (Ael/Ceu) należy stosować zaciski prądowe w wykonaniu Ael‑Ael lub Ael‑Ceu. W razie trudności z zachowaniem wymaganych odległości przewodów przyłącza od elementów budynku bądź innych obiektów można zastosować wysięgnik rurowy. Zestaw złączowo‑pomiarowy należy wykonać tak samo jak dla przyłącza PN1 oraz zabudować go na ścianie budynku, najlepiej od strony głównego ciągu komunikacyjnego. Przewód Wu eL Zet, umieszczony na ścianie budynku, należy osłonić rurą odporną na promienie U fał. Jej średnicę należy dostosować do przekroju przewodu, uwzględniając konieczność jego swobodnej wymiany.
Poniżej znajduje się pasek odtwarzania z nagraniem o treści tożsamej.
5. Przyłącze typu Pe eN pięć
Ilustracja przedstawia dom. Obok domu stoją słupy elektryczne. Na górze przez słup, położony dalej od domu, przechodzi ukośna linia. Na jej części położonej wyżej znajduje się napis: istniejąca linia napowietrzna enen przewody gołe lub izolowane. Na części ukośnej linii położonej niżej znajduje się napis: zaciski prądowe. Od dolnej części biegnie czerwona linia, przechodząc przez zawiesie odciągowe zlokalizowane na słupie. Linia biegnie do drugiego słupa, nad linią znajduje się napis: przęsło nad drogą. Czerwona linia opisana jest a es iks es en cztery razy minimum dwadzieścia pięć. Linia przechodzi przez zawiesie odciągowe, zlokalizowane na słupie znajdującym się bliżej domu. Kawałek przewodu zwisa luźno między zawisami na słupie, ten fragment opisany jest jako zapas przewodu. Przewód a es iks es en cztery razy minimum dwadzieścia pięć centymetrów. Przewód przechodzi przez zawiesie odciągowe umieszczone na domu, i zmienia kolor na szary, powyżej znajduje się napis wu el zet. Następnie linia zmienia się na czarny i biegnie w dół po ścianie domu, obok napis: osłona z rury. Czarna linia prowadzi do licznika umieszczonego na wysokości sto dwadzieścia plus sto osiemdziesiąt centymetrów. Obok licznika znajduje się napis: zestaw złączowo‑pomiarowy na przykład zet ka jeden e myślnik jeden pe myślnik es lub zet ka jeden w myślnik jeden pe wu myślnik es.
Obok na białej planszy znajduje się schemat drogi kabla. Na górze poziomo od wysokości słupa biegnie przerywana linia oznaczająca linię napowietrzną. Od słupa do dołu ciągnie się pionowa czerwona linia, na niej napis przęsło nad drogą. czerwona linia a es iks es en cztery razy minimum dwadzieścia pięć przechodzi przez biały punkt opisany jako nowy słup. Czerwona linia biegnie dalej w dół, obok niej napis: max trzydzieści pięć metrów. Linia biegnie w dół linia opisana wu el zet i prowadzi do prostokąta z treścią: zestaw złączowo‑pomiarowy.
Opis pod grafiką:
Przyłącze typu Pe eN pięć
Realizację przyłącza Pe eN pięć dopuszcza się wtedy, gdy nie można wykonać go jako Pe eN trzy lub Pe eN cztery. Realizacja ta wymaga: a) ustawienia dodatkowego słupa po przeciwnej stronie drogi, w granicy posesji przyłączanego podmiotu, be) wykonania za pomocą przewodu A es iks eS en o przekroju minimum dwadzieścia pięć milimetrów kwadratowych przesyła nad drogą od istniejącego słupa napowietrznej linii eneN do nowo posadowionego słupa. Obiekt zasila się dzięki przewodowi A esiks eS en o przekroju minimum dwadzieścia pięć milimwtrów kwadratowych, który stanowi przedłużenie przęsła. Przewód ten mocuje się do haka wieszakowego (śruba hakowa lub hak płytowy) zabudowanego na ścianie budynku i łączy w tym miejscu z przewodem WueLZet za pomocą zacisków prądowych osłoniętych obudową izolacyjną. W zależności od zastosowanego typu kabla lub przewodu WueLZet (Ael/Ceu) należy stosować zaciski prądowe w wykonaniu Ael‑Ael lub Ael‑Ceu. W razie trudności z zachowaniem wymaganych odległości przewodów przyłącza od elementów budynku bądź innych obiektów można zastosować wysięgnik rurowy. Zestaw złączowo‑pomiarowy należy wykonać tak samo jak dla przyłącza PN1 oraz zabudować go na ścianie budynku, najlepiej od strony głównego ciągu komunikacyjnego. Przewód WueLZet, umieszczony na ścianie budynku, należy osłonić rurą odporną na promienie Ufał. Jej średnicę dostosowuje się do przekroju przewodu, uwzględniając konieczność jego swobodnej wymiany.
Poniżej znajduje się pasek odtwarzania z nagraniem o treści tożsamej.
6. Przyłącze typu PeKa jeden
Ilustracja przedstawia dom, obok którego stoją dwie skrzynki. Dalsza skrzynka opisana jest jako zestaw złączowo‑pomiarowy lub rozdzielnica enen. Od niej pod ziemią biegnie, do skrzynki bliższej domu, kabel opisany kabel enen. Druga skrzynka podpisana jest: zestaw złączowo‑pomiarowy. Od tej skrzynki biegnie w dół kabel biegnący z stronę budynku, opisany kabel enen. Od skrzynki umieszczonej bliżej domu biegnie pod ziemią linia przerywana, która pod domem skręca w górę i biegnie po ścianie budynku. Na końcu linii znajduje się napis: do rozdzielnicy odbiorcy.
Obok znajduje się biała plansza ze schematem drogi przewodu. Na dole schematu znajdują się ułożone dwie, pionowe, położone równolegle do siebie linie opisane jako kabel enen. Prowadzą do prostokąta podpisanego zestaw złączowo‑pomiarowy. Od prostokąta biegnie w górę przerywana strzałka podpisana wu zet.
Opis pod grafiką:
Przyłącze typu PeKa jeden
Przyłącza kablowe nN powinny być budowane z wykorzystaniem: zestawów złączowo‑pomiarowych eneN, napowietrznych eneN, linii kablowych eneN. Przyłącze typu PeKa jeden By zrealizować tego typu przyłącze, należy zabudować zestaw złączowo‑pomiarowy zgodnie z planowanym rozwojem sieci kablowej eneN i jego lokalizacją. Obiekt zasila się dzięki kablowi nN bezpośrednio z innego zestawu złączowego lub rozdzielnicy nN za pośrednictwem zestawu złączowo‑pomiarowego. W wykonaniu linii kablowej WueLZet przyłącza się bezpośrednio do zacisków prądowych aparatu zalicznikowego zestawu.
Poniżej znajduje się pasek odtwarzania z nagraniem o treści tożsamej.
7. Przyłącze typu PeKa dwa
Ilustracja przedstawia dom, obok którego stoi skrzynka a dalej słup. Na górze przez słup przechodzi ukośna linia. Na jej części położonej wyżej znajduje się napis: zaciski prądowe. Na części ukośnej linii położonej niżej znajduje się napis: istniejąca linia napowietrzna enen przewody gołe lub izolowane. Od górnej części biegnie czerwona linia opisana kabel en en minimum trzydzieści pięć milimetrów kwadratowych. Na wysokości minimum dwustu pięćdziesięciu centymetrów znajduje się uszczelnienie. Niżej na słupie oznaczona jest osłona z rury. Od dołu słupa pod ziemią biegnie kabel do skrzynki opisanej jako zestaw złączowo‑pomiarowy. Od skrzynki biegnie do domu przerywana linia opisana wuelzet, skręca w górę i biegnie po ścianie budynku. Na końcu linii znajduje się napis: do rozdzielnicy odbiorcy.
Obok znajduje się biała plansza ukazująca schemat biegu kabla. Na górze poziomo od wysokości słupa znajduje się przerywana linia oznaczająca linię napowietrzną. Od słupa do dołu ciągnie się pionowa czerwona linia na niej napis kabel enen minimum trzydzieści pięć metrów kwadratowych w rurze ochronnej, na końcu czerwonej linii znajduje się prostokąt z napisem: zestaw złączy pomiarowych. Od prostokąta biegnie w dół przerywana strzałka z opisem wu el zet.
Opis pod grafiką:
Przyłącze typu PeKa dwa
By zrealizować tego typu przyłącze, należy zabudować zestaw złączowo‑pomiarowy zgodnie z planowanym rozwojem sieci kablowej eneN i jego lokalizacją. Obiekt zasila się za pomocą kabla nN o przekroju minimum trzydzieści pięć milimetrów kwadratowych, bezpośrednio z linii napowietrznej za pośrednictwem zestawu złączowo‑pomiarowego. Przekroje sto dwadzieścia lub dwieście czterdzieści milimetrów kwadratowych należy stosować dla terenów rozwojowych, gdzie istnieje prawdopodobieństwo rozbudowy sieci i przyłączenia nowych odbiorców energii. W wykonaniu linii kablowej Wu eL Zet przyłącza się bezpośrednio do zacisków prądowych aparatu zalicznikowego zestawu. Linię zasilającą zestaw, na słupie, do wysokości min. 2,5 m, licząc od poziomu gruntu oraz 0,5 m poniżej poziomu gruntu, należy osłonić rurą z tworzywa sztucznego odporną na promienie U fał. Jej średnicę należy dostosować do przekroju przewodu, uwzględniając konieczność jego swobodnej wymiany. Rurę ochronną należy zabezpieczyć przed wnikaniem wody do jej wnętrza (wprowadzenie kabla eneN do rury ochronnej trzeba wykonać za pośrednictwem rury termokurczliwej).
Poniżej znajduje się pasek odtwarzania z nagraniem o treści tożsamej.
8. Przyłącze typu PeKa trzy
Ilustracja przedstawia dom, obok którego znajduje się skrzynka a dalej słup. Na górze przez słup przechodzi ukośna linia. Na jej części położonej wyżej znajduje się napis: zaciski prądowe. Na części ukośnej linii położonej niżej znajduje się napis: istniejąca linia napowietrzna enen przewody gołe lub izolowane. Od górnej części biegnie czerwona linia opisana kabel en en minimum trzydzieści pięć milimetrów kwadratowych. Na wysokości minimum dwustu pięćdziesięciu centymetrów znajduje się uszczelnienie. Niżej na słupie oznaczona jest osłona z rury. Od dołu słupa pod ziemią biegnie kabel do skrzynki opisanej zestaw złączowo‑pomiarowy. Na kablu zaznaczona jest grubą czarną linią osłona rury. Od skrzynki biegnie, pod ziemią przerywana linia opisana wu el zet. Następnie przerywana linia biegnie do góry po ścianie budynku do napisu: do rozdzielnicy odbiorcy.
Obok znajduje się biała plansza ukazująca schemat biegu kabla. Na górze poziomo od wysokości słupa znajduje się przerywana linia oznaczająca linię napowietrzną. Od słupa do dołu ciągnie się pionowa czerwona linia, na niej napis kabel enen minimum trzydzieści pięć metrów kwadratowych w rurze ochronnej, na końcu czerwonej linii znajduje się prostokąt z napisem: zestaw złączy pomiarowych. Od prostokąta biegnie w dół przerywana strzałka z opisem wu el zet.
Opis pod grafiką:
Przyłącze typu PeKa trzy
By zrealizować tego typu przyłącze, należy zabudować zestaw złączowo‑pomiarowy zgodnie z planowanym rozwojem sieci kablowej eneN i jego lokalizacją. Obiekt zasila się za pomocą kabla eneN o przekroju minimum trzydzieści pięć milimetrów kwadratowych, bezpośrednio z linii napowietrznej za pośrednictwem zestawu złączowo‑pomiarowego. Przekroje sto dwadzieścia lub dwieście czterdzieści milimetrów kwadratowych należy stosować dla terenów rozwojowych, gdzie istnieje prawdopodobieństwo rozbudowy sieci i przyłączenia nowych odbiorców energii. W wykonaniu linii kablowej Wu eL Zet przyłącza się bezpośrednio do zacisków prądowych aparatu zalicznikowego zestawu. Linię zasilającą zestaw, na słupie, do wysokości minimum dwa i pół metra, licząc od poziomu gruntu oraz pół metra poniżej poziomu gruntu, należy osłonić rurą z tworzywa sztucznego odporną na promienie U fał. Jej średnicę dostosowuje się do przekroju przewodu, uwzględniając konieczność jego swobodnej wymiany. Rurę ochronną należy zabezpieczyć przed wnikaniem wody do jej wnętrza (wprowadzenie kabla eneN do rury ochronnej trzeba wykonać za pośrednictwem rury termokurczliwej).
Poniżej znajduje się pasek odtwarzania z nagraniem o treści tożsamej.
1. Elektroenergetyczne złącza kablowe stosowane w instalacjach napowietrznych
Ilustracja przedstawia dwie części przyrządu o kształcie prostopadłościanu. Pierwsza część przedstawia wnętrze urządzenia. Druga część jest zdjętą obudową. Dolna podstawa przedmiotu jest czarna. Z górnej wystają dwa elementy o kształcie stożka. Do jednego z nich podłączony jest kabel. Na połowie wysokości przedmiotu znajdują się ułożone obok siebie cztery płytki. Umiejscowione są tak, że widać ich krawędzie. Powyżej na wewnętrznym panelu znajdują się trzy okrągłe elementy wyglądające jak pokrętła. Wyżej znajduje się prostokątny panel, na którym widać wiele okrągłych i prostokątnych otworów. Nad trzema prostokątnymi otworami znajdują się symbole kolejno: el jeden, el dwa oraz el trzy. Korpus od zewnątrz jest gładki.
Opis pod grafiką:
Elektroenergetyczne złącza kablowe stosowane w instalacjach napowietrznych
Złącza kablowe stosowane w instalacjach napowietrznych mają zastosowanie jako wyposażenie słupowych stacji transformatorowych do zasilania odbiorców miejskich, wiejskich oraz przemysłowo‑usługowych. Dzięki temu złączu możliwe jest rozprowadzenie energii elektrycznej do budynków z wykorzystaniem sieci eneN napowietrznej lub kablowej. Złącze kablowe należy zamontować na słupie. Powinno składać się z: rozłącznika głównego, obwodów odpływowych, przekładników prądowych, układu pomiarowego, oświetlenia terenu, wodoszczelnej obudowy wykonanej z blachy aluminiowej lub tworzywa trudnopalnego, samogasnącego. Powinno być wyposażone w drzwi z wewnętrznymi zawiasami oraz zamek zabezpieczający.
Poniżej znajduje się pasek odtwarzania z nagraniem o treści tożsamej.
2. Elektroenergetyczne złącza kablowe stosowane w instalacjach gruntowych
Ilustracja przedstawia złożony z wielu warstw prostopadłościan, na którym stoi drugi mniejszy prostopadłościan. Drzwiczki mniejszego prostopadłościanu są otwarte wewnątrz widoczne są w kilku rzędach złącza kablowe, z których odchodzą do dołu kable, znikając w większym prostopadłościanie.
Opis pod grafiką:
Elektroenergetyczne złącza kablowe stosowane w instalacjach gruntowych
Złącza kablowe w instalacjach gruntowych stosuje się głównie w miastach, gdzie nie ma instalacji napowietrznej, np. w ciasnych ulicach, miejscach zabytkowych, na stadionach. Wykonane ze stali nierdzewnej lub z wysokojakościowego poliwęglanu. Szczelna obudowa chroni zamontowaną aparaturę przed dostępem wody. System ten charakteryzuje się odpornością na obciążenia, dzięki czemu mogą poruszać się po nim pojazdy. Złącze kablowe powinno być wyposażone w: rozłącznik główny, obwody odpływowe, układ pomiarowy. Istnieje możliwość zamontowania wyłącznika różnicowoprądowego oraz gniazd elektrycznych w wersji jednofazowej lub trójfazowej. Zastosowanie siłowników gazowych ułatwia otwieranie systemu, a także obsługę przez jedną osobę.
Poniżej znajduje się pasek odtwarzania z nagraniem o treści tożsamej.
3. Elektroenergetyczne złącza kablowe dostosowane do warunków specjalnych
Ilustracja przedstawia urządzenie stojące na dwunożnym stojaku. Przedmiot ma kształt prostopadłościanu. Przez dziurkę w jego środkowej części wychodzi kabel. Podwójne drzwiczki zamykające górną część są otwarte. W środku widzimy podłączony kabel, który wychodzi przez otwór na froncie poniżej kilka niebieskich kontaktów oraz szereg przełączników i przycisków.
Opis pod grafiką:
Elektroenergetyczne złącza kablowe dostosowane do warunków specjalnych
Elektroenergetyczne złącza kablowe dostosowane do warunków specjalnych są wykorzystywane w miejscach, gdzie występują: bardzo wysoka temperatura, promieniowanie elektromagnetyczne i U fał, zagrożenie kurzem oraz cząsteczkami powodującymi korozję. Zapewniają zasilanie w energię elektryczną w obiektach remontowanych, na placach budowy, polach kempingowych i na imprezach plenerowych. Obudowa najczęściej wykonana jest na bazie poliestru termoutwardzalnego, a także z metalu malowanego. Złącza kablowe do warunków specjalnych wyposażone są w: zabezpieczenie główne w postaci rozłącznika bezpiecznikowego, wyłącznik różnicowoprądowy, wyłącznik nadmiarowoprądowy, układ pomiarowy, gniazda jednofazowe i trójfazowe, drzwi z zamkiem. Budowa takiego złącza kablowego zapewnia dużą szczelność, wytrzymałość i odporność na działanie warunków atmosferycznych.
Poniżej znajduje się pasek odtwarzania z nagraniem o treści tożsamej.
4. Elektroenergetyczne złącza kablowe przyłączy budynków
Ilustracja przedstawia dwa takie same szafki ustawione obok siebie. szafki mają czarne prostokątne podstawy. Stoją na dwóch nogach. Nad nogami znajdują się dwa elementy wyglądające jak fronty szuflad. Powyżej znajduje się odsłonięte wnętrze przedmiotu. W pierwszym przypadku są otwarte drzwiczki. W środku widoczne są trzy takie same segmenty ułożone jeden obok drugiego. Poniżej widoczny jest znak ostrzeżenia, trójkąt o czarnej obwódce z czarną błyskawicą w środku. W drugiej szafce górna część nie posiada fronty. w środku widoczne są trzy takie same segmenty z licznymi wtykami i przyciskami. Od górnej części każdego z segmentów odchodzi po kilka przewodów.
Opis pod grafiką: Elektroenergetyczne złącza kablowe przyłączy budynków łącza kablowe przyłączy budynków wykorzystywane są do rozdziału energii elektrycznej, pomiaru energii, zabezpieczenia przed przeciążeniami i zwarciami w sieciach niskiego napięcia. Złącze instalacji elektrycznej budynku powinno być zamontowane w miejscu dostępnym dla dozoru i obsługi, zabezpieczone przed uszkodzeniami, wpływami atmosferycznymi oraz przed dostępem osób postronnych. Zalecane jest, aby każdy obiekt budowlany był zasilany z oddzielnego złącza. Jeżeli jednak zasila więcej niż jedną wewnętrzną linię zasilającą, powinno się zamontować za złączem rozdzielnicę główną z zabezpieczeniami i układem pomiarowym dla każdej wewnętrznej linii zasilającej, którą umieszcza się zwykle w pobliżu złącza. Przed montażem złącza kablowego należy ustalić jego umiejscowienie (na przykład wolnostojące lub na elewacji budynku) oraz oszacować zapotrzebowanie poboru mocy poszczególnych instalacji elektrycznych w celu doboru komponentów złącza kablowego o odpowiednich parametrach. Obudowa powinna być wykonana z izolacyjnego trudnopalnego i samogasnącego materiału (np. poliester + włókno szklane) lub aluminium oraz odporna na działanie warunków atmosferycznych U fał. Wyposażenie złącza kablowego składa się z: szyny Pe E eN ze złączami, rozłączników bezpiecznikowych, zacisków przyłączeniowych, drzwi z zamkiem.
Poniżej znajduje się pasek odtwarzania z nagraniem o treści tożsamej.
Powrót do spisu treściPowrót do spisu treści
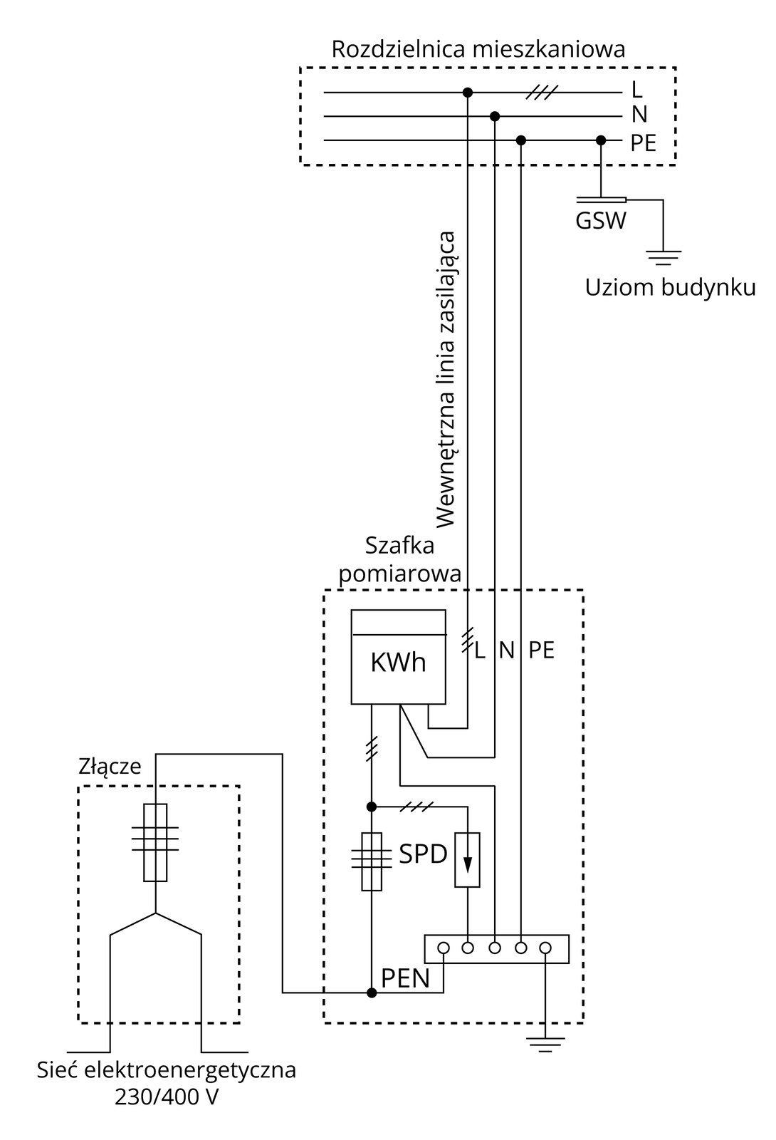
3. Uproszczony schemat zasilania budynku jednorodzinnego

Ilustracja przedstawia uproszczony schemat zasilania budynku domu jednorodzinnego. Na górze schematu znajduje się rozdzielnica mieszkaniowa. Znajdują się w nim trzy przewody fazowy, neutralny oraz ochronny. Od przewodu ochronnego poprowadzona się jest linia wychodząca poza rozdzielnicę. Prowadzi do szyny przeznaczonej do przyłączenia przewodów ochronnych oraz przewodów połączeń wyrównawczych. Następnie linia prowadzi do uziomu budynku. Na każdej z linii symbolizującej przewód znajduje się punkt, z którego poprowadzona jest w dół linia. Linie wchodzą do obszaru szafy pomiarowej. Przewód fazowy prowadzi do licznika energii elektrycznej. Przewód wychodzi z innej strony licznika prowadzi w dół. Linia się rozdwaja. Część skręca w prawo, a następnie w dół do prostokąta, na którym umieszczonych jest pięć okręgów ułożonych w rzędzie (prostokąt symbolizuje elektryczną listewkę zaciskową). Łączy się z drugim z nich. Druga część przechodzi przez prostokąt ze strzałką wskazującą do dołu i łączy się z linią wychodząca z pierwszego okręgu znajdującego się na prostokącie zlokalizowanym u dołu szafki pomiarowej. Przewód neutralny łączy doprowadzony jest do licznika energii elektrycznej, po czym prowadzi w dół do listewki z okręgami. Łączy się z trzecim z nich. Przewód ochronny prowadzi w dół do elektrycznej listewki zaciskowej. Łączy się z czwartym z nich. Od piątego okręgu prowadzi linia do uziemienia znajdującego się poza sferą szafki pomiarowej. Linia poprowadzona z pierwszego okręgu wpisanego w prostokąt wychodzi za obszar szafki pomiarowej, wcześniej łącząc się z linią poprowadzoną przez ogranicznik przepięć. Prowadzi do złącza. Po przejściu przez złącze linia rozdwaja się prowadząc do sieci elektroenergetycznej 230/400 woltów.
Powrót do spisu treściPowrót do spisu treści