E‑book do e‑materiału Dokumentacja technologiczna i konstrukcyjna procesów wytwarzania odlewów
MTL.04. Organizacja i nadzorowanie procesu odlewniczego - Technik odlewnik 311705
Opracowanie dokumentacji technologicznej w celu wprowadzenia do produkcji nowego wyrobu
E‑BOOK
Spis treści
WstępWstęp
Rysunek konstrukcyjnyRysunek konstrukcyjny
Niezbędne dane do opracowania dokumentacji technologicznej odlewaniaNiezbędne dane do opracowania dokumentacji technologicznej odlewania
Rysunek pełny surowego odlewu i rysunek koncepcji technologicznejRysunek pełny surowego odlewu i rysunek koncepcji technologicznej
Rysunek formy odlewniczej
Rysunki oprzyrządowaniaRysunki oprzyrządowania
Netografia i bibliografiaNetografia i bibliografia
Rysunek formy tarczy formierskiej
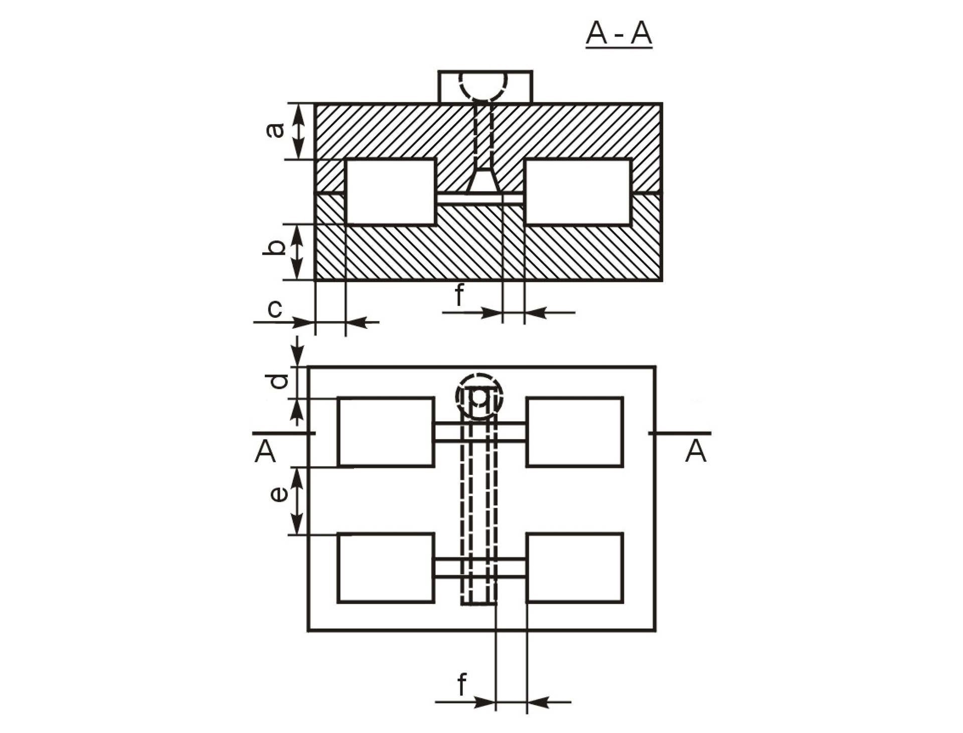
Dobór skrzynki formierskiej
Przy doborze skrzynek formierskich należy pamiętać o zachowaniu odpowiednich odległości pomiędzy modelem, a bokami skrzynki formierskiej. W tabeli poniżej przedstawiono minimalne dopuszczalne odległości pomiędzy modelami, a elementami formy dla mas wilgotnych. Przy formach suszonych wymiary mnożymy przez .

a - pomiędzy górną powierzchnią modelu a górną powierzchnią formy
b - pomiędzy dolną powierzchnią modelu a dolną powierzchnią formy
c - pomiędzy modelem a ścianą skrzynki
d - pomiędzy wlewem a ścianą skrzynki
e - pomiędzy modelami
f - pomiędzy modelem a belką wlewową
Opis ilustracji:
Ilustracja przedstawia rysunek konturowy skrzyni formierskiej. Przedstawia on widok z dołu na górną połówkę formy oraz przekrój formy w rzucie bocznym zakreskowany ukośnymi liniami schodzącymi się pod kątem na lini podziału formy. Skrzynia ma kształt prostokąta. Wewnątrz skrzyni formierskiej znajduje się wnęka na dwa identyczne modele. Jeden model to dwa kwadraty połączone wąskim prostokątem. W przekroju widać model oraz przekrój ścianek zaznaczony obszarem zakreskowanym. Część elementów została zwymiarowana i opisana:
wymiar pomiędzy górną powierzchnią modelu a górną powierzchnią formy,
wymiar pomiędzy dolną powierzchnią modelu a dolną powierzchnią formy,
wymiar pomiędzy modelem a ścianą skrzynki,
wymiar pomiędzy wlewem a ścianą skrzynki,
wymiar pomiędzy modelami,
wymiar pomiędzy modelem a belką wlewową,
Masa odlewu | a | b | c | d | e | f |
|---|---|---|---|---|---|---|

Obraz przedstawia rysunek formy tarczy tokarskiej, na którym zauważamy rzut z góry i rzut boczny:
Na rzucie bocznym możemy zauważyć oznaczenie szerokości tarczy tokarskiej, która wynosi znajduje się ona w pełni w dolnej połowie formy i jej wysokość jest równa . W środku tarczy znajduje się rdzeń zaznaczony na niebiesko zakreskowany ukośnymi kreskami krzyżującymi się pod kątem . Tarcza tokarska znajduje się od ścianki bocznej formy, a rdzeń zamontowany jest od dołu formy. Na prawo od tarczy tokarskiej przy lini podziału formy na czerwono zaznaczony jest wlew doprowadzający. Obie połówki formy mają wysokość , a cała forma ma kształt kwadratu o boku długości . W górnej połowie formy znajdują się elementy układu wlewowego takie jak belka rozprowadzająca, wlew główny i zbiornik wlewowy, wszystkie są zaznaczone na czerwono.
Na rzucie z góryZauważamy, że belka wlewowa ma kształt półkola, a w najbliższym miejscu odległość od ścianki formy wynosi , zauważamy również wychodzące z niej wlewy doprowadzające. Zbiornik wlewowy znajduje się w odległości od ścianki formy.
Na samym dole rysunku znajduje się tabela, w której zamieszczone są wszystkie dane na temat rysunku:
podziałka ,
nazwa przedmiotu koło jezdne forma,
tworzywo z jakiego wykonane jest koło, czyli staliwo,
masa gotowego wyrobu wynosząca ,
Numer rysunku .
Nad tabelką zauważamy uwagi do rysunku, które brzmią następująco:
Skurcz wynosi .
Klasa dokładności.
Model wykonany jest drewna olchowego.
Powrót do spisu treściPowrót do spisu treści
Powiązane materiały multimedialne
Film instruktażowy‑tutorial: Opracowywanie dokumentacji technologicznej i konstrukcyjnejOpracowywanie dokumentacji technologicznej i konstrukcyjnej
Wizaualizacja modelu w grafice 2D i 3D: Przedstawienie procesu wytwarzania odlewów na przykładzie aluminiowej felgiPrzedstawienie procesu wytwarzania odlewów na przykładzie aluminiowej felgi
Infografika: Etapy przygotowania i wykonania odlewu metodą wytapianych modeliEtapy przygotowania i wykonania odlewu metodą wytapianych modeli