Rysunek modelu wykonuje się w dokumentacji pełnej. Jeżeli stosuje się formowanie maszynowe, to wykonuje się rysunek płyty modelowej, na której zamocowane są modele odlewu i modele układu wlewowego.
RTiwZYcO6aYy8
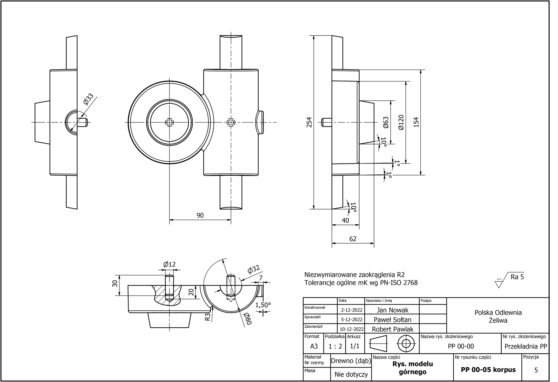
Rysunek szesnasty. Rysunek przedstawia model górnego dla odlewu korpusu. Od lewej strony znajduje się pierwsza perspektywa. Reprezentuje się trapez równoramienny, którego podstawy zorientowane są pionowo. Krótsza po lewej stronie, zaś dłuższa po prawej. Przez środki długości obu podstaw przechodzi linia przerywana (składająca się z rozmieszczonych naprzemiennie kresek i kropek). Dłuższa podstawa trapezu stanowi fragment dłuższego boku prostokąta, na którym jest osadzona. Na jego krótszych bokach osadzone są figury o długościach odpowiadających długości wspomnianych boków. Ich końce są zaokrąglone. Zaś drugi wymiar jest bardzo mały. Od wspomnianych figur z obu stron odchodzą trapezy prostokątne. Przylegają one bokami, przy których znajdują się kąty proste do wspomnianych figur. A ich dłuższe podstawy są przedłużeniem prawego dłuższego boku dużego prostokąta, na którym narysowane jest półkole. Jego średnica równa trzydzieści trzy, również znajduje się na wspomnianym boku prostokąta. Od środkowej części prostokąta od prawej strony odchodzi prostokątna wypustka. Na środku znajduje się rysunek elementu z kolejnej perspektywy. Od lewej strony przedstawiono pierścień. Jest on osadzony częściowo w prostokątnym elemencie znajdującym się po prawej stronie z zaznaczonym łukiem okalającym wspomniany pierścień i również osadzonym na lewym dłuższym boku prostokąta. Bok te zorientowany jest pionowo. W jego środku znajduje się małe koło. Przez środki zarówno pierścienia jak i prostokąta przechodzą przerywane linie. Odległość pomiędzy środkami została zaznaczona i wynosi dziewięćdziesiąt. Poprowadzone pionowo i poziomo. Na górnym i dolnym boku prostokąta osadzone figury, których dłuższe boki odpowiadają długością wspomnianych boków prostokąta. Ich końce znajdujące się po prawej i po lewej stronie są zaokrąglone. Wysokość wspomniany figur jest nieznaczna. Na każdej z nich od góry i od dołu osadzone są prostokąty. Ich dłuższe boki zorientowane są pionowo. Przez górne wierzchołki górnego prostokąta poprowadzono łuk znajdujący się we wnętrzu prostokąta. Analogicznie, przez dolne wierzchołki dolnego prostokąta poprowadzono łuk również zlokalizowany we wnętrzu czworokąta. Po prawej stronie znajduje się rysunek modelu z trzeciej perspektywy. Idąc od lewej strony na środku boku prostokąta, którego dłuższy bok zorientowany jest pionowo, osadzona jest wypustka. Przez jej środek poprowadzona jest pozioma przerywana linia wyznaczająca również środek wspomnianego prostokąta. Od górnej i dolnej części na krótszych bokach prostokąta, równych czterdzieści, osadzone są trapezy prostokątne. Ich boki, przy których znajdują się kąty proste należą do krótszych boków prostokąta. Boki nachylone do poziomu są po kątem dziesięciu stopni. A ich dłuższe podstawy są przedłużeniem boku prostokąta, na którym znajduje się wspomniana na początku wypustka. Podstawy te i bok mają łącznie długość równa dwieście pięćdziesiąt cztery. Długość samego boku prostokąta wynosi sto pięćdziesiąt cztery. We wspomnianym prostokącie również znajduje się drugi prostokąt przylegający do lewej ściany pierwszego. Jego dłuższy bok zorientowany pionowo wyznacza średnicę równą sto dwadzieścia. Ponadto na dłuższym boku pierwszego prostokąta, znajdującego się po prawej stronie, osadzony jest trapez równoramienny. Jego dłuższa podstawa zorientowana jest pionowo i znajduje się na boku prostokąta, wyznaczając średnicę równą sześćdziesiąt trzy. Ramiona są nachylone względem poziomu pod kątem wynoszącym dziesięć stopni. Ostatnia perspektywa to, idąc od dolnego fragmentu. Trapez równoramienny. Jego krótsza podstawa znajduje się niżej i jest zorientowana poziomo. Dłuższa osadzona jest na figurze. Stanowią ją dwa równoległe znajdujące się bardzo blisko siebie odcinki połączone ze sobą łukiem. Figura ta styka się z prostokątem. Od góry jest w nim walcowaty wlot skierowany do wnętrza prostokąta o średnicy równej dwanaście, sięgający na głębokość wynosząca dwadzieścia. Prawy górny róg prostokąta jest ścięty łukiem półkola. Średnica półkola jest przedłużeniem górnego boku prostokąta, w którym osadzony jest walcowaty element. Średnica ta równa jest osiemdziesiąt. W niej zaznaczony jest kolejny łuk wyznaczający średnicę równą trzydzieści dwa. W półkolu również osadzony jest walcowaty element, analogicznie, jak w przypadku prostokąta. Z prawej strony od półkola odchodzi fragment, w kształcie figury, której jeden bok jest przedłużeniem średnicy i ma długość równą siedem. Kolejny bok to fragment łuku półkola. Trzeci bok stanowi odcinek poprowadzony od łuku w prawą będą równoległy do pierwszego. Ostatni, czwarty bok łączy punkty końcowe znajdujące się z prawej strony odpowiednio pierwszego i drugiego boku, Jest nachylony pod kątem półtora stopnia względem pionu. W prawym dolnym rogu znajdują się dane. Nazwa części, to znaczy rysunek modelu górnego. Dalej Polska Odlewnia Żeliwa. Zamieszczono także: datę, imiona i nazwiska konstruktora, osoby sprawdzającej i zatwierdzającej. Format, podziałkę, materiał, numer normy, masę, nazwę rysunku złożeniowego, numer rysunku złożeniowego, numer rysunku części i pozycję.
Rys. 16. Rysunek modelu górnego dla odlewu korpusu
Źródło: GroMar sp. z o. o., licencja: CC BY-SA 3.0.
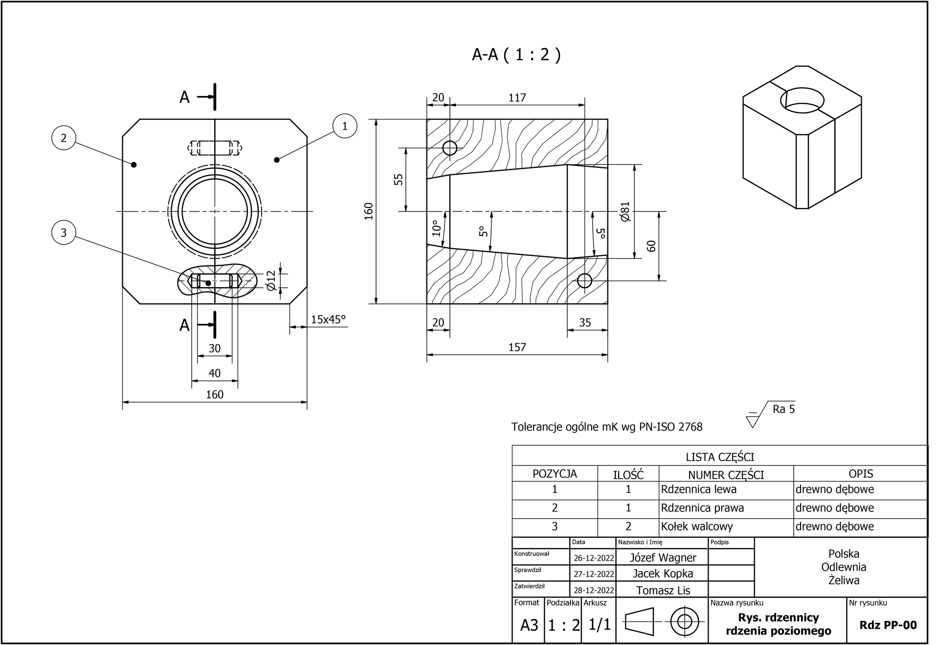
Rysunek rdzennicy
Rdzennica jest to skrzynka dzielona na pół, mająca odpowiedni kształt, służąca do wykonywania rdzeni odlewniczych. Umożliwia nadanie rdzeniowi żądanego kształtu. Nasypuje się do niej masę rdzeniową, zagęszcza i utwardza. Tak uzyskany rdzeń wkłada się do formy odlewniczej posiadającej wnękę, która została uzyskana poprzez odwzorowanie modelu odlewniczego.
R1NtdaecYYFkP
Rysunek siedemnasty. Rysunek przedstawia rdzennicę dla rdzenia poziomego. Zaprezentowano rzut od góry oraz przekrój boczny, a także uproszczony model trzy D elementu. W rzucie od góry rdzennica to ośmiokąt z naprzemiennie rozmieszczonymi bokami dłuższymi i krótszymi. Dłuższe zorientowane są poziomo i pionowo i są względem siebie odpowiednio równoległe. W środku wydrążone jest koło przez którego środek przechodzi pozioma przerywana linia składająca się z naprzemiennie rozmieszczonych kresek i kropek. Pionowa linia jest ciągła od górnego boku do dołu i od dolnego – do góry, zaś na środku jest przerywana we wnętrzu wspomnianego koła. Na środku boków zorientowanych poziomo znajdują się odpowiednio tuż nad górnym i tuż pod dolnym pogrubione pionowe kreski. Poprowadzono do nich strzałki od dużych liter A od lewej do prawej strony. Prawą część pola ośmiokąta oznaczono jako rdzennicę lewą. Zaś lewą część figury jako rdzennicę prawą. Poniżej koła znajdującego się w środku ośmiokąta znajduje się kołek walcowy. Jego średnica wynosi dwanaście. Jest on zorientowany poziomo. Po prawej stronie znajduje się przekrój boczny. Oznaczony jest A‑A nawias jeden do dwóch zamknięcie nawiasu. Stanowi go prostokąt o bokach zorientowanych pionowo o długości sto sześćdziesiąt i bokach znajdujących się w poziomie o długości sto pięćdziesiąt siedem. Poziomo poprowadzona jest przerywana linia składająca się z naprzemiennie rozmieszczonych kresek i kropek. Od lewej strony przekroju we wnętrzu prostokąta znajduje się trapez równoramienny. Jego krótsza podstawa pokrywa się ze wspomnianym bokiem prostokąta. Wysokość trapezu jest równa dwadzieścia. Zaznaczono kąt nachylenia równy dziesięć stopni. Z kolei dłuższa podstawa trapezu jest jednocześnie krótszą podstawą kolejnego trapezu równoramiennego o długości równej sto siedemnaście. Zaznaczono również kąt nachylenia równy pięć stopni. Dłuższa podstawa trapezu jest równocześnie dłuższą podstawą trzeciego ostatniego trapezu. Jej długość wyznacza średnicę równą osiemdziesiąt jeden. Wysokość ostatniego trapezu wynosi trzydzieści pięć. Kąt nachylenia jest równy pięć stopni. Krótsza podstawa trapezu leży na prawym boku prostokąta. W lewym górnym boku oraz w prawym dolnym boku znajdują się koła. Są one przekrojem poprzecznym kołków walcowatych. Przy czym środek pierwszego z nich, lewego, znajduje się w odległości wynoszącej pięćdziesiąt pięć poprowadzonej pod kątem prostym od poziomej linii przeprowadzonej przez środek prostokąta. Analogiczną odległość poprowadzono od środka prawego kołka do wspomnianej linii i wynosi ona sześćdziesiąt. W prawym górnym rogu przedstawiony jest uproszczony model trzy D, stanowi go bryła. Składa się ona z dwóch części. Lewej i prawej. Podstawę bryły stanowi ośmiokąt naprzemiennie rozmieszczonych dłuższych i krótszych bokach. Ściany boczne to prostokąty. W podstawach na całej wysokości bryły wydrążony jest środek, którego średnica zmienia się wraz ze zmianą wysokości. W prawym dolnym rogu znajdują się dane. Lista części, w tym materiał (tutaj drewno) oraz numery części (tutaj rdzennica lewa, rdzennica prawa oraz kołek walcowy). Dalej Polska Odlewnia Żeliwa. Zamieszczono także: datę, imiona i nazwiska konstruktora, osoby sprawdzającej i zatwierdzającej. Format, podziałkę, materiał, numer normy, masę, nazwę rysunku złożeniowego, numer rysunku złożeniowego, numer rysunku części i pozycję.
Rys. 17. Rysunek rdzennicy dla rdzenia poziomego
Źródło: GroMar sp. z o. o., licencja: CC BY-SA 3.0.