Symulacja interaktywna
Dodawanie i odejmowanie napięć w obwodzie - II prawo Kirchhoffa
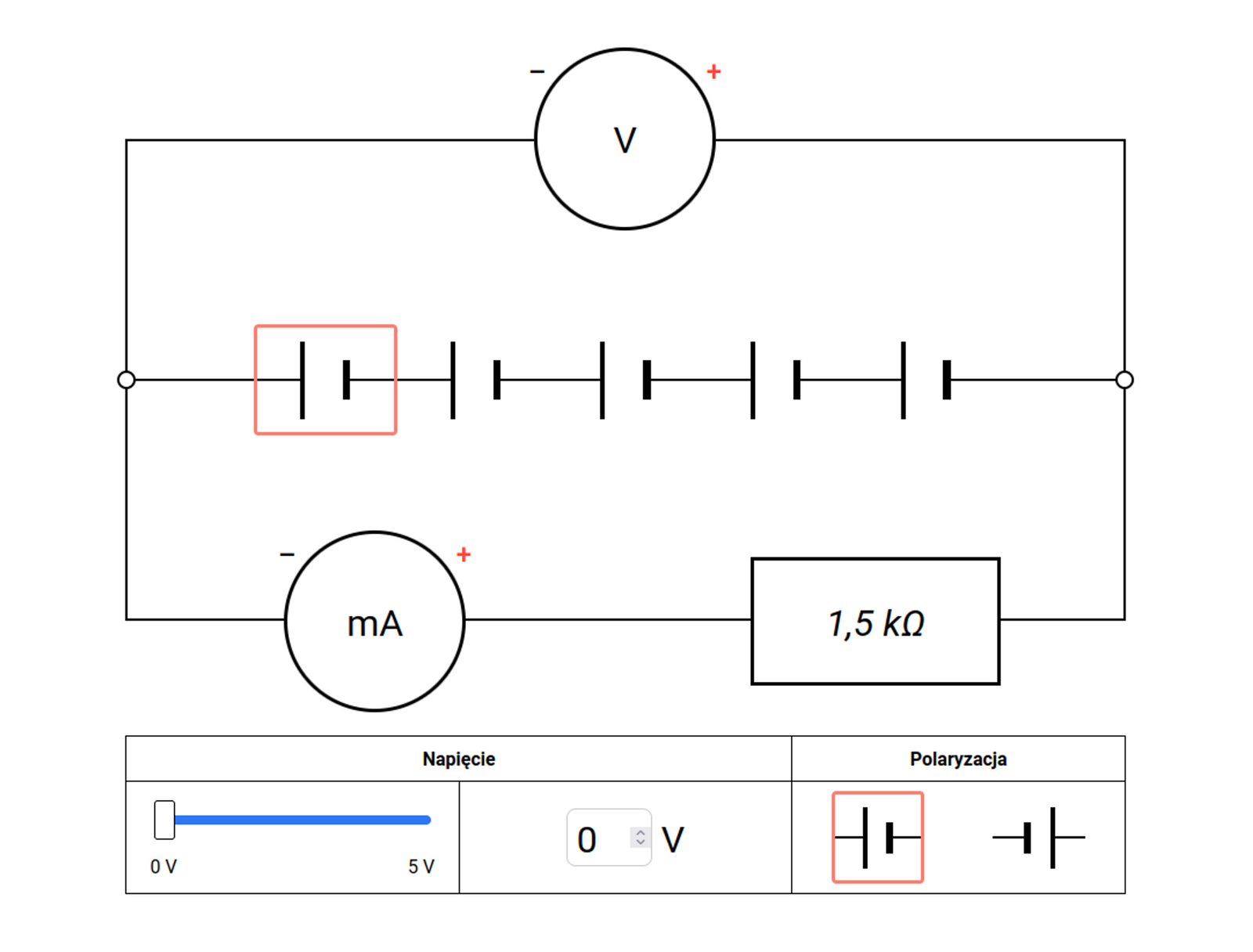
Zbadaj dodawanie i odejmowanie napięć w obwodzie złożonym z pięciu szeregowo połączonych źródeł i opornika zabezpieczającego.
Ustaw wartość napięcia każdego źródła. Możesz zmienić polaryzację.
Naciśnij przycisk START i odczytaj wskazania mierników. Porównaj sumę napięć ze wskazaniem woltomierza. Aby zmienić ustawienia źródeł należy zatrzymać symulację przyciskiem STOP.
Przejdź do poziomu rozszerzonego. Zwróć uwagę na podpowiedź.

Zasób interaktywny dostępny pod adresem https://zpe.gov.pl/a/DPitFqI5C
Okno symulacji składa się z trzech elementów. W prawym górnym rogu znajduje się przycisk START, który po włączeniu symulacji zmienia się na STOP. Pod przyciskiem START/STOP znajduje się opcja „Poziom rozszerzony”, którą można zaznaczyć lub odznaczyć. W środku ekranu znajduje się obwód elektryczny, który składa się z trzech gałęzi. Na górnej gałęzi znajduje się woltomierz przedstawiony za pomocą okręgu z wielką literą V w środku. Po lewej stronie woltomierza znajduje się znak minus, po prawej znak plus. Na środkowej gałęzi znajduje się pięć źródeł napięcia połączonych jedno z drugim. Symbol źródła składa się z dwóch pionowych kresek. Grubsza i krótsza symbolizuje biegun ujemny, a cieńsza i dłuższa – biegun dodatni. Na dolnej gałęzi znajduje się amperomierz przedstawiony za pomocą okręgu z oznaczeniem m wielka litera A w środku. Po lewej stronie amperomierza znajduje się znak minus, po prawej znak plus. Na tej samej gałęzi, szeregowo do amperomierza znajduje się opornik, symbolizowany przez prostokąt. Wewnątrz prostokąta znajduje się oznaczenie 1,5 kilooma. Pod obwodem znajduje się okno, w którym można zmieniać parametry źródeł napięcia w obwodzie. Aby zmienić parametry danego źródła, należy je kliknąć. Otacza się ono wtedy czerwoną ramką. Za pomocą suwaka, strzałek lub przez wpisanie liczby w okienku można ustawić wartość napięcia na danym źródle. Można również zmienić polaryzację źródła w obwodzie, tj. zamienić miejscami biegun dodatni i ujemny. Domyślnie wszystkie źródła ustawione są w ten sposób, że biegun ujemny źródła jest po prawej, a dodatni po lewej.
Ustaw wartości napięć i polaryzację źródeł tak, aby woltomierz wskazywał napięcie 18 V. Odczytaj wskazanie amperomierza.
Zmień poziom na rozszerzony. Wyjaśnij, dlaczego woltomierz wskazuje niższe napięcie, a wskazanie amperomierza nie uległo zmianie.