Symulacja interaktywna
Równoległe łączenie ogniw.
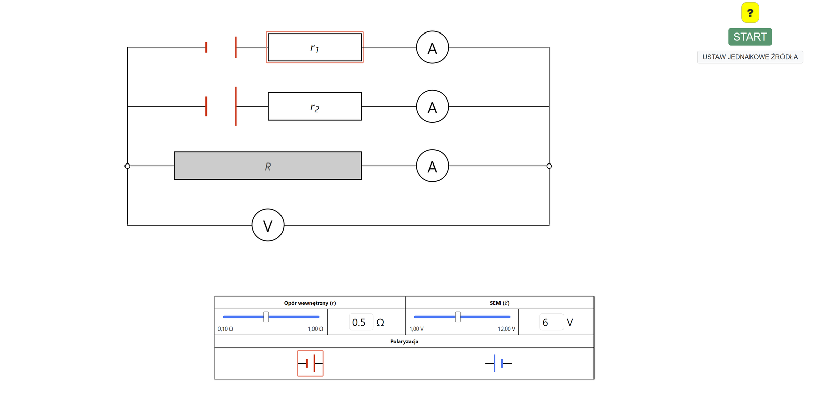
Symulacja interaktywna pozwala badać parametry baterii złożonej z dwóch równolegle połączonych ogniw. Możesz ustawiać wartości SEM, oporu wewnętrznego i polaryzację każdego ogniwa oddzielnie i obserwować, jak zmienia się siła elektromotoryczna i opór wewnętrzny całej baterii. Na ekranie widoczne są wskazania woltomierza i amperomierza, włączonych do układu. Opór wewnętrzny obliczany jest na podstawie ich wskazań.

Zasób interaktywny dostępny pod adresem https://zpe.gov.pl/a/D4XtORJlX
Symulacja pozwala na zbadanie baterii (źródła zastępczego), która powstaje przez połączenie równoległe dwóch ogniw. Każde ogniwo ma pewien opór wewnętrzny i siłę elektromotoryczną. Do baterii podłączony jest obciążający ją opór. Amperomierze pozwalają na zbadanie natężenia prądu płynącego przez to obciążenie oraz przez każde z ogniw. Dzięki woltomierzowi jesteśmy w stanie zmierzyć napięcie na zaciskach baterii.
Sprawdź, jak zachowuje się opór wewnętrzny całej baterii na skutek zmiany oporu wewnętrznego każdego ogniwa.
Sprawdź, jak zachowuje się siła elektromotoryczna całej baterii na skutek zmiany siły elektromotorycznej każdego ogniwa.
Załóżmy, że bateria składa się z dwóch takich samych ogniw połączonych równolegle. Czy opór wewnętrzny takiej baterii będzie większy, czy mniejszy od sumy oporów wewnętrznych każdego ogniwa?
Jeżeli połączymy równolegle dwa takie same ogniwa, to jakie będzie SEM powstałej w ten sposób baterii w porównaniu z SEM poszczególnych ogniw?
Jeżeli połączymy dwa takie same ogniwa równolegle w baterię, ale odwrotnie (ich polaryzacja będzie przeciwna), to czy stworzymy w ten sposób dobrą baterię?
Załóżmy, że stworzyliśmy baterię z dwóch równolegle połączonych ze sobą ogniw (o SEM wynoszącym 10 V i oporze wewnętrznym 1 omega) i podłączyliśmy do niej opornik. Wyznacz opór tego opornika, jeżeli napięcie na zaciskach obciążonej baterii to 9,95 V, a natężenie prądu płynącego przez opornik wynosi 0,1 A.