E‑book do e‑materiału Procesy wytwarzania odlewów
MTL.02. Eksploatacja maszyn i urządzeń odlewniczych - Operator maszyn i urządzeń odlewniczych 812107, Technik odlewnik 311705
Metody wytwarzania odlewów
Spis treści
Rys historyczny odlewnictwaRys historyczny odlewnictwa
Zalety i wady odlewaniaZalety i wady odlewania
Klasyfikacja metod odlewaniaKlasyfikacja metod odlewania
Dokumentacja technologiczna wytwarzania odlewów
Modele odlewnicze i układ zasilającyModele odlewnicze i układ zasilający
Etapy procesu wytwarzania odlewówEtapy procesu wytwarzania odlewów
Mechanizacja i automatyzacja procesów wytwarzania odlewówMechanizacja i automatyzacja procesów wytwarzania odlewów
Technologie drukowania 3D w odlewnictwieTechnologie drukowania 3D w odlewnictwie
Słownik pojęćSłownik pojęć
BibliografiaBibliografia
Dokumentacja technologiczna wytwarzania odlewów
Do najważniejszych czynności związanych z uruchomieniem produkcji odlewów należy opracowanie dokumentacji technologicznej, która zawiera kompletne informacje o sposobie wytwarzania odlewów oraz pracy wszystkich komórek w odlewni. Dokumentację technologiczną odlewni można podzielić na dwie zasadnicze grupy:
ściśle związaną z wykonaniem danego odlewu, tj. dokumentację procesów, operacji i oprzyrządowania specjalnego, zależnych od kształtu, materiału i wielkości produktu,
niezależną od wykonywanego odlewu, np. dokumentację procesów topienia metalu, przygotowania masy formierskiej.
Na dokumentację odlewniczą składają się następujące dokumenty:
rysunek wykonawczy przedmiotu, czyli opracowany przez konstruktora rysunek gotowej części, tj. po obróbce skrawaniem i innych procesach,
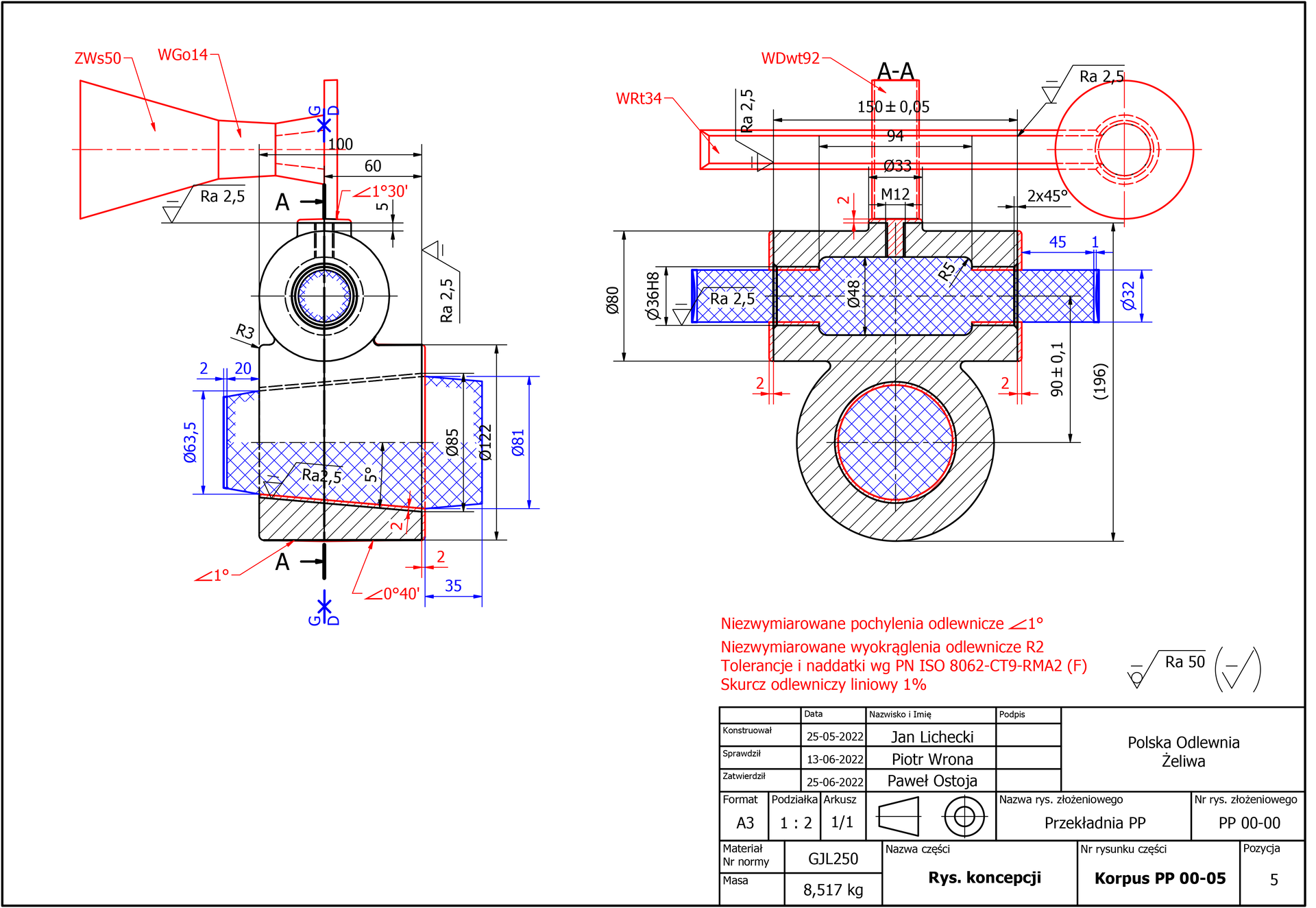
rysunek koncepcyjny sposobu odlewania, który jest szkicem określającym podstawowe elementy sposobu wykonania odlewu (powierzchnia podziału formy, rdzenie, miejsca doprowadzenia ciekłego metalu, nadlewy oraz zmiany kształtu przedmiotu dokonywane w wyniku analizy technologiczności konstrukcji),
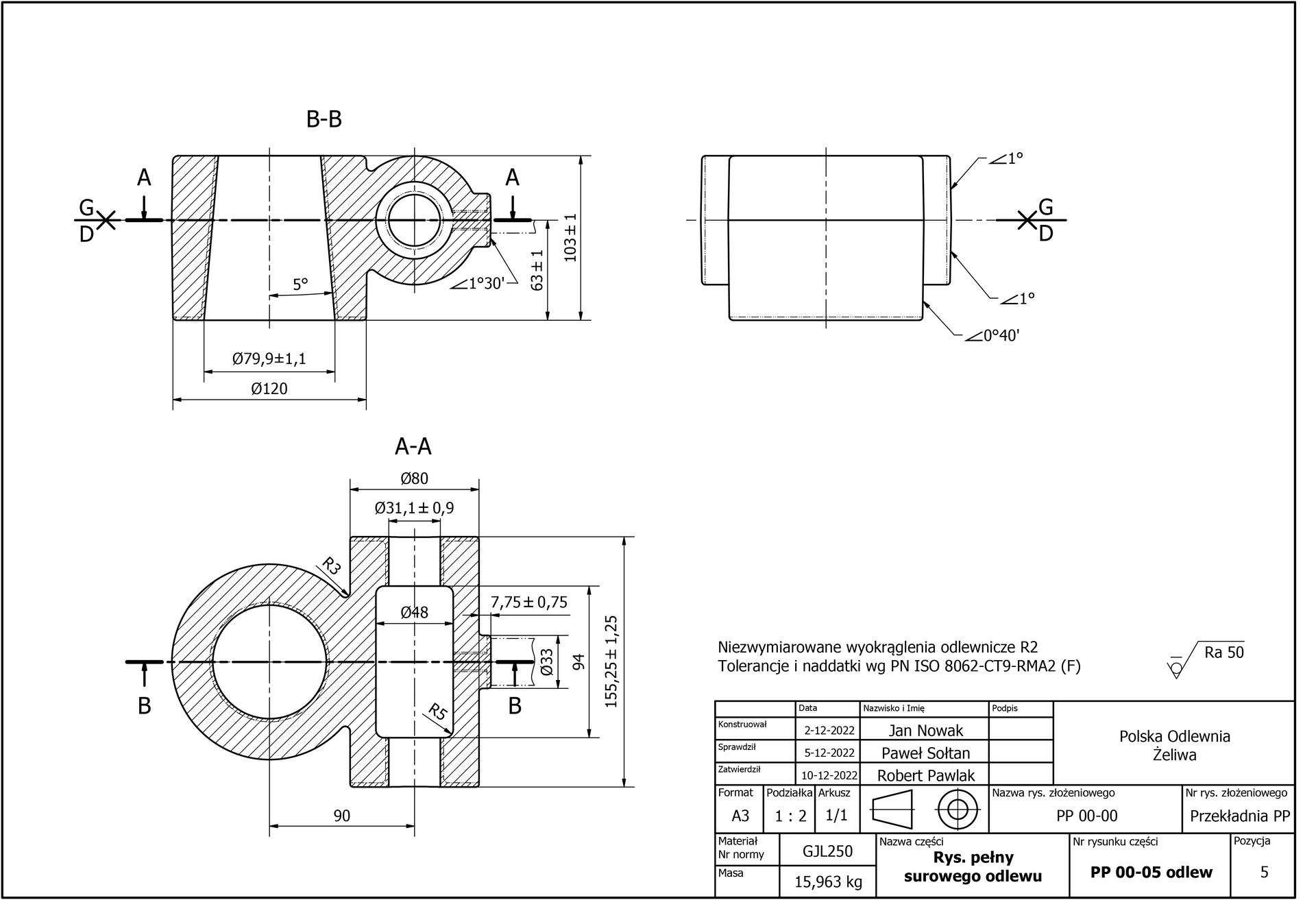
rysunek surowego odlewu będący powtórzeniem rysunku wykonawczego po naniesieniu zmian wynikających z analizy technologiczności konstrukcji oraz przyjętej technologii odlewania,
rysunki konstrukcyjne oprzyrządowania (modeli, rdzennic, form metalowych, a także oprzyrządowania pomocniczego, np. przyrządów do montażu rdzeni w formie, sprawdzianów, specjalnych skrzynek formierskich),
rysunek formy odlewniczej (jednorazowej), złożeniowy i jej detali, np. rdzeni,
karty technologiczne odlewów, form jednorazowych, rdzeni, modeli jednorazowych itp., zawierające zbiór informacji dotyczących procesu i parametrów wykonania danego wyrobu, w tym podział na operacje z podaniem miejsca ich wykonywania, czasów, wykazów pomocy warsztatowych i innych istotnych informacji,
schematy przebiegu procesu technologicznego uzupełniające karty technologiczne,
karty kalkulacyjne zawierające wyliczenia czasów potrzebnych do wykonania poszczególnych operacji i stanowiące podstawę do obliczania obciążeń pracowników i urządzeń,
karty instrukcyjne dla poszczególnych operacji zawierające szczegółowe objaśnienia sposobu wykonania wszystkich czynności,
plany kontroli wyrobów finalnych (odlewów) oraz innych, tj. materiałów metalowych i formierskich, samych form i ich elementów itp., zawierające określenie warunków, jakie powinny spełniać te wyroby, oraz sposobu przeprowadzenia kontroli.
Skład i sposób przygotowania dokumentacji odlewniczej zależą od stopnia skomplikowania odlewu, wielkości serii i sposobu odlewania. Dokumentację można więc podzielić na:
Uproszczoną – wykonywaną dla produkcji jednostkowej i małoseryjnej prostych i niedużych odlewów. Dokumentacja ta składa się z:
rysunku koncepcji odlewania, przy tworzeniu którego korzysta się często z techniki rysowania polegającej na nanoszeniu elementów technologicznych kolorowymi ołówkami na odbitkę rysunku konstrukcyjnego,
karty technologicznej odlewu,
karty kalkulacyjnej.
Pełną – wykonywaną dla produkcji seryjnej i wielkoseryjnej o różnym stopniu szczegółowości. Przy projektach o większym stopniu szczegółowości coraz częściej korzysta się z technik komputerowych. Stosowanie w odlewni odpowiedniego systemu typu CAD umożliwia integrację projektowania i symulacji procesów, wykonania prototypów i oprzyrządowania. Dokumentacja pełna może zawierać:
rysunek konstrukcyjny gotowej części,
rysunek surowego odlewu,
rysunek zespołu modelowego (dla form jednorazowych),
rysunek formy (np. jednorazowej, kokilowej, ciśnieniowej)
rysunki oprzyrządowania specjalnego,
kartę technologiczną,
karty operacyjne,
karty instrukcyjne,
wykaz pomocy warsztatowych,
kartę prób i badań,
kartę zmian,
zespół dokumentów norm czasowych i kalkulacji,
warunki techniczne odbioru.
Warto pamiętać, że wielkość dokumentacji, jej treść, sposób jej sporządzania i obieg dokumentów zależą od odlewni i wykorzystywanego przez nią systemu zapewnienia jakości.
Wybór technologii odlewniczej i jej zaprojektowanie zależy od wymagań zawartych w zamówieniu, w którym powinny się znaleźć następujące informacje:
rysunek konstrukcyjny danego wyrobu,
liczba sztuk do wykonania,
warunki techniczne (wymagania i ich kontrola),
termin wykonania.
Rysunek konstrukcyjny jest więc podstawowym dokumentem, z którego można wyczytać informacje na temat:
materiału odlewu (rodzaj i gatunek materiału, z którego będzie wykonany odlew),
parametrów geometrycznych odlewu oraz ich wartości (kształt i wymiary odlewu),
tolerancji wymiarowych, kształtu i położenia,
chropowatości powierzchni.
Rysunek surowego odlewu powstaje na podstawie rysunku konstrukcyjnego części odlewanej. Stanowi całkowicie nowy rysunek, którego celem jest przedstawienie tej części jako gotowego odlewu uzyskanego po zakończeniu procesu odlewniczego, tzn. po wybiciu z formy i wstępnym oczyszczeniu. Rysunek konstrukcyjny musi zostać uzupełniony o naddatki na późniejszą obróbkę skrawaniem oraz o naddatki technologiczne umożliwiające prawidłowe wykonanie formy. Na rysunku surowego odlewu zostaje zatem przedstawiony nowy obrys części odlewanej powiększony o wyżej wymienione naddatki, a dawne linie konstrukcyjne zostają zastąpione cienkimi liniami kropkowanymi (kreska, dwie kropki, kreska).
Pierwszą czynnością przy wykonaniu tego rysunku – jeszcze przed wprowadzeniem naddatków – jest ustalenie położenia odlewu w formie podczas zalewania oraz dobranie właściwej powierzchni podziału. Podział formy należy oznaczyć na rysunku części odlewanej linią osiową wyprowadzoną poza obrys odlewu. Końcówki linii należy pogrubić i opisać znakami oraz i , które oznaczają górę i dół formy w pozycji zalewania.
Po naniesieniu konturów wszystkich naddatków i dwukrotnie gęstszym zakreskowaniu ich powierzchni na przekrojach surowy odlew musi zostać na nowo zwymiarowany, tak by kontroler mógł zmierzyć wstawiane wymiary. Wymiary z rysunku konstrukcyjnego odnoszące się tylko do powierzchni obrabianych należy pominąć, gdyż zarys konstrukcji części po obróbce oznaczony linią kropkowaną (kreska, dwie kropki, kreska) pełni dla wykonawcy odlewu wyłącznie funkcję informacyjną. Przy wymiarowaniu pochyleń i promieni odlewniczych może się zdarzyć, że nie można ich wszystkich wprowadzić na istniejące rzuty. Należy wówczas dorysować dodatkowe rzuty czy przekroje lub przynajmniej wprowadzić odpowiednie uwagi, np. niezwymiarowane promienie (odlewnicze) – wykonać , niezwymiarowane pochylenia odlewnicze – wykonać . Na jednym z rzutów należy koniecznie zwymiarować położenie powierzchni podziału formy w stosunku do jednej z charakterystycznych powierzchni odlewu.
Na rysunku surowego odlewu na wszystkich rzutach należy – po uprzednim obliczeniu – wrysować cienką linią kropkowaną krótki odcinek wlewu doprowadzającego. Przekrój wlewu należy obliczyć i dobrać jego wymiary przy założeniu zastosowania skrzynki o wysokości typowej dla danej formierki lub indywidualnie dobranej, ale również o znormalizowanej wysokości.
Poza wymienionymi dotychczas naddatkami rysunek surowego odlewu powinien wg normy zawierać jeszcze następujące informacje:
dane rozpoznawcze – nazwę odlewu, numer rysunku,
dane materiałowe – gatunek materiału odlewu, właściwości materiału odlewu (np. wytrzymałość, twardość, itp.), skład chemiczny,
dane o ewentualnej obróbce cieplnej,
stopień i wartość naddatku dla odlewu,
wielkość tolerancji wymiarowych,
masę surowego odlewu,
chropowatość powierzchni,
oznaczenie powierzchni bazowych do obróbki skrawaniem,
oznaczenie powierzchni, na których niedopuszczalne są pochylenia formierskie,
oznaczenie powierzchni, na której nie dopuszcza się występowania wad odlewniczych,
inne, zgodne z ww. normą.
Pełny rysunek surowego odlewu może być poprzedzony szkicami roboczymi, szczególnie dla bardziej skomplikowanych odlewów, a także uzupełniony szkicem rozkładu odlewów w formie oraz szkicem koncepcji technologicznej, które mogą być później pomocne przy projektowaniu oprzyrządowania odlewniczego.
Rysunek koncepcji technologicznej powstaje na kopii rysunku konstrukcyjnego części odlewanej. Przy nanoszeniu informacji technologicznych na rysunku konstrukcyjnym stosuje się kolor czerwony, którym wrysowuje się wszystkie naddatki, zarówno na obróbkę skrawaniem, jak i technologiczne. Kolorem tym rysuje się nowe krawędzie przedmiotu z naddatkami, kreskuje podwójnie gęsto przekroje tych naddatków, rysuje linie i wpisuje liczby wymiarowe oraz wrysowuje – po uprzednim obliczeniu – układ wlewowy. Powierzchnię podziału oraz jej oznaczenie nanosi się kolorem niebieskim.
Kolorowe oznaczenia technologiczne nie mogą zaciemniać żadnych oznaczeń z rysunku konstrukcyjnego części odlewanej. Należy pozostawić czytelne wszystkie wymiary, tolerancje wymiarów oraz kształtu i położenia, oznaczenia chropowatości oraz inne poprzez przerwanie kreskowania, linii konturowych czy wymiarowych.
Na gotowym rysunku powinny znaleźć się informacje analogiczne do znajdujących się na rysunku pełnym surowego odlewu.
Rysunek koncepcji technologicznej powinien zawierać następujące elementy:
oznaczenie powierzchni podziału – kolor niebieski,
układ wlewowy (wlew rozprowadzający i główny) oraz zbiornik wlewowy – kolor czerwony,
nadlewy (zasilacze) – kolor czerwony,
ochładzalniki zewnętrzne i wewnętrzne – kolor zielony,
rdzenie rysowane wewnątrz odlewu oraz ich rdzenniki wyprowadzone na zewnątrz – kolor niebieski, przy czym elementy te powinny być kratkowane całkowicie (przekroje) lub pokratkowane przy obrysie (w widoku),
wymiary znaków rdzeniowych wraz z odpowiednimi luzami – kolor niebieski,
informacje dotyczące materiału i budowy formy (o ile nie sporządza się osobnego jej rysunku), które uzupełnia istniejące na rysunku surowego odlewu dane rozpoznawcze i podstawowe (wg normy ).


Powrót do spisu treściPowrót do spisu treści
Powiązane materiały multimedialne
Film edukacyjny: Przegląd metod wytwarzania odlewówPrzegląd metod wytwarzania odlewów
Animacja 3D: Proces zalewania formy, krzepnięcia i stygnięcia stopu odlewniczego w formieProces zalewania formy, krzepnięcia i stygnięcia stopu odlewniczego w formie
Film instruktażowy: Przedstawienie działów zakładu odlewniczegoPrzedstawienie działów zakładu odlewniczego